GM Service Manual Online
For 1990-2009 cars only
Makes
🢒
Chevrolet
🢒
2007
🢒
Silverado - 4WD
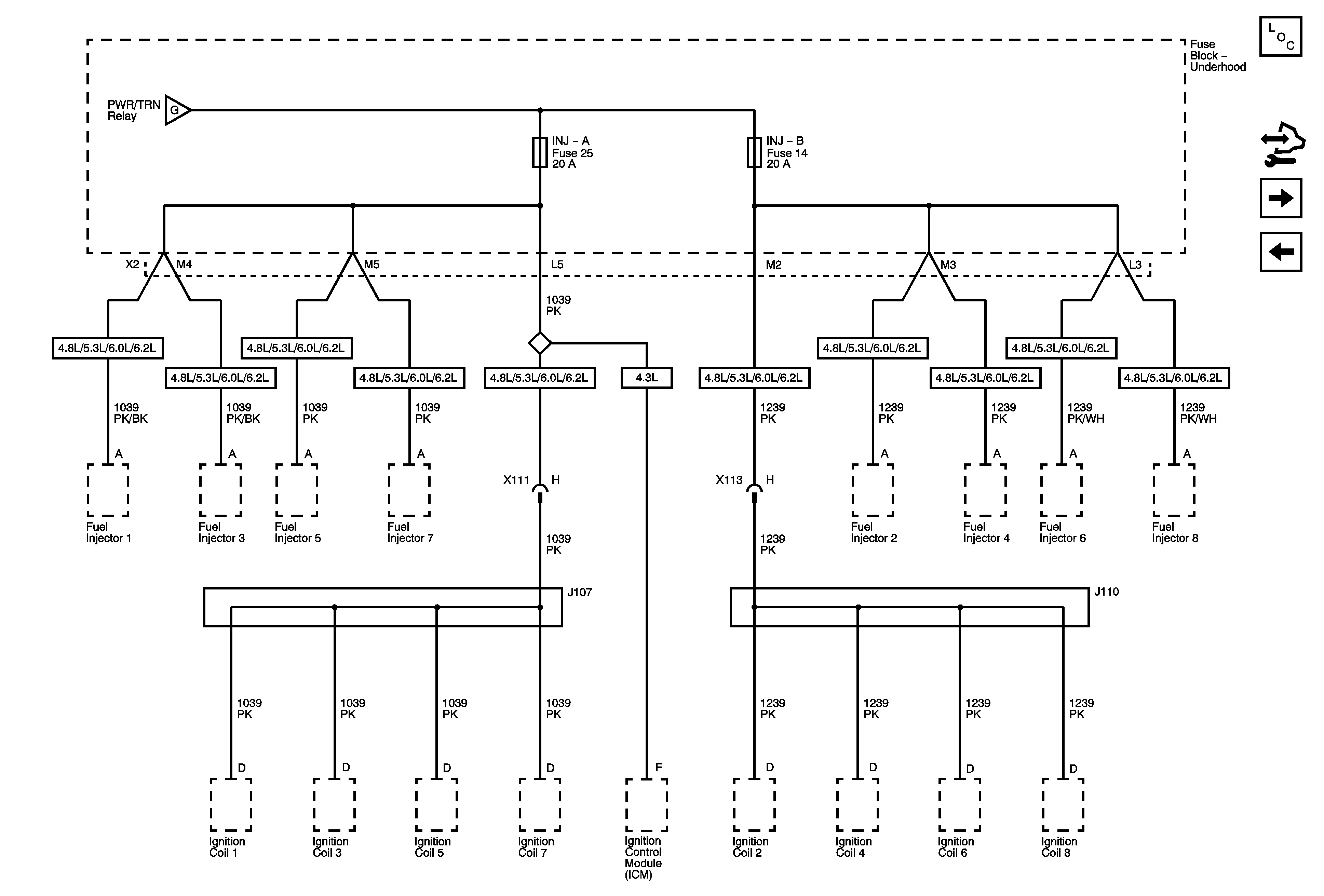
🢒 PWR/TRN BUS - INJ-A and INJ-B Fuses
PWR/TRN BUS - INJ-A and INJ-B Fuses
PWR/TRN BUS - INJ-A and INJ-B Fuses
Master Electrical Component List
Control Module References
RUN/CRANK BUS - AIRBAG IGN, MISC IGN and SEO/ALC Fuses
PWR/TRN BUS - DSL ECM, FUEL HTR, O2-A SNSR and O2-B SNSR Fuses
PWR/TRN BUS - DSL ECM, FUEL HTR, O2-A SNSR and O2-B SNSR Fuses