GM Service Manual Online
For 1990-2009 cars only
Makes
🢒
Chevrolet
🢒
2007
🢒
Silverado - 4WD
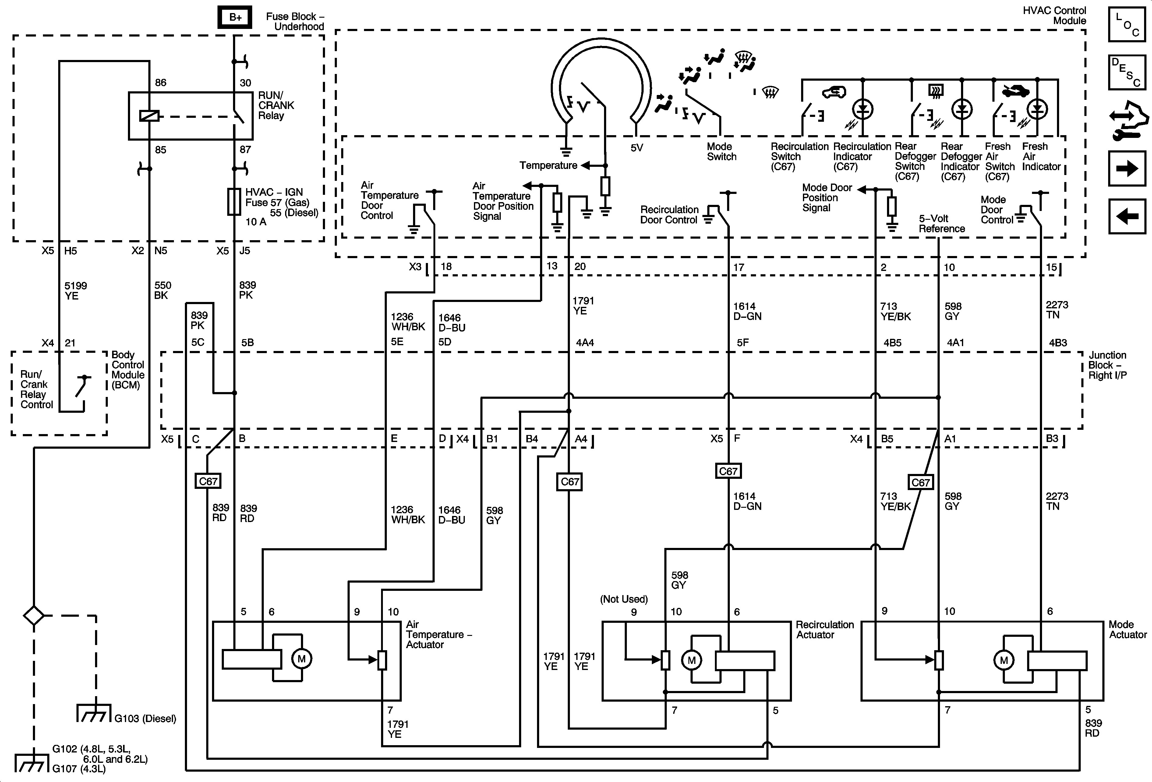
🢒 Mode and Temperature Controls
Mode and Temperature Controls
Mode and Temperature Controls
Master Electrical Component List
Air Delivery Description and Operation
Control Module References
A/C Compressor Controls - C67
Module Power, Ground, Serial Data and Blower Controls
RUN/CRANK BUS - AUX HVAC- IGN and HVAC-IGN Fuses
G106 (4.3L) and G103
G102, G107 (4.3L), G104, G108