GM Service Manual Online
For 1990-2009 cars only
Makes
🢒
Chevrolet
🢒
2007
🢒
Silverado - 4WD
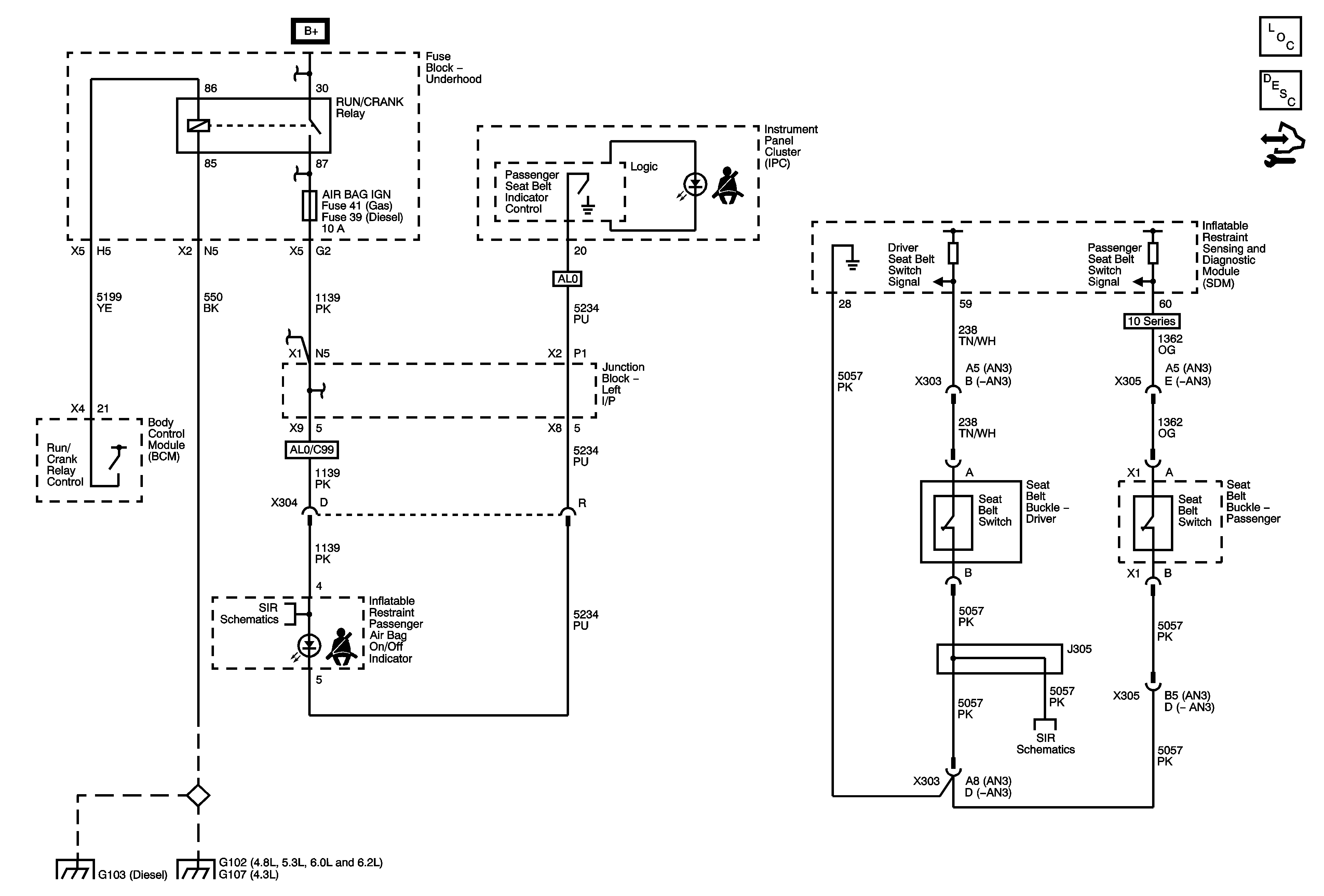
🢒 Seat Belt Schematics
Seat Belt Schematics
Master Electrical Component List
Seat Belt System Description and Operation
Control Module References
RUN/CRANK BUS - AIRBAG IGN, MISC IGN and SEO/ALC Fuses
Passenger Presence System 2 of 2
G106 (4.3L) and G103
G102, G107 (4.3L), G104, G108