GM Service Manual Online
For 1990-2009 cars only
Makes
🢒
Chevrolet
🢒
2007
🢒
Silverado - 4WD
🢒 JF3/JF7
JF3/JF7
JF3/JF7
Master Electrical Component List
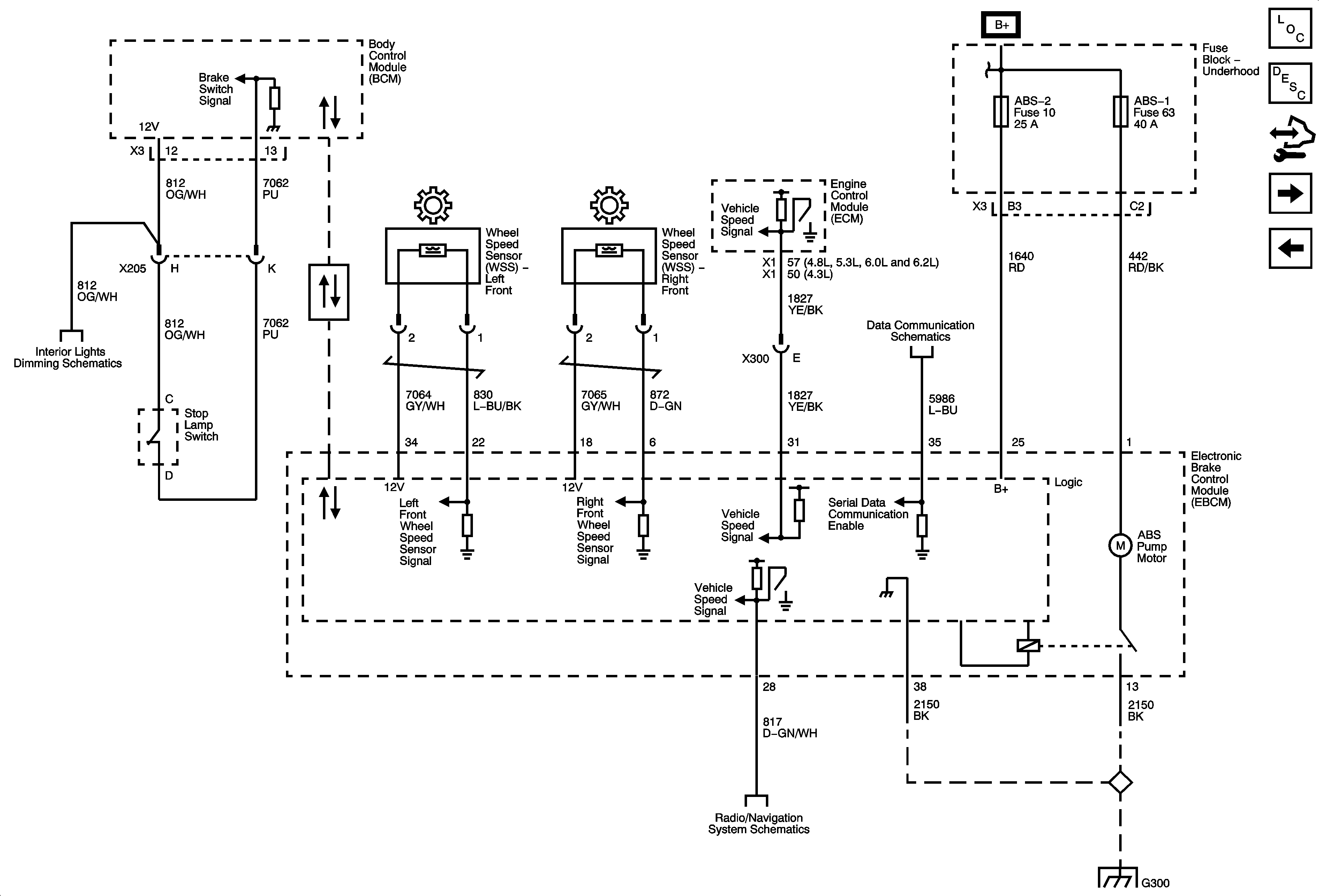
ABS Description and Operation (Under 8600 GVW)
Control Module References
JH6/JH7
ABS-1, ABS-2, HEAVY DUTY ABS, HVAC BLWR, STUD 1, STUD 2 and WSW/HTR Fuses
High Speed Bus - 2 of 3
Serial Data Communication Enable
Dimming Control and LED Dimming 1 of 3
Radio Power, Ground and Serial Data
G300