GM Service Manual Online
For 1990-2009 cars only
Makes
🢒
Chevrolet
🢒
2007
🢒
Silverado - 4WD
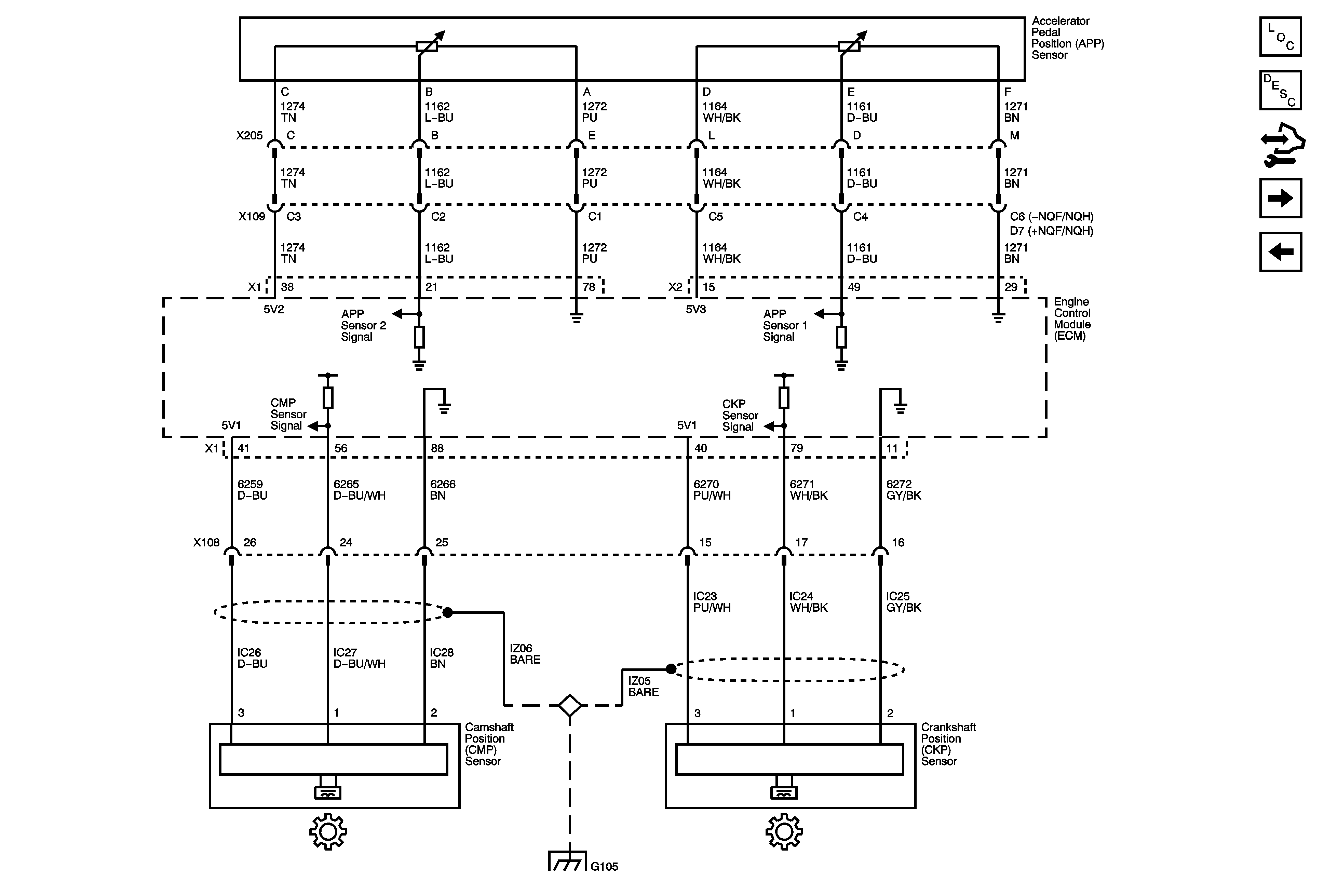
🢒 Pedal Position and Injector Timing
Pedal Position and Injector Timing
Pedal Position and Injector Timing
Master Electrical Component List
Accelerator Pedal Position System Description
Control Module References
Engine Data Sensors - Glow Plug Controls and the IAH Module
EGR and Turbocharger Controls
G106 (Diesel), G105, G110 and G111