GM Service Manual Online
For 1990-2009 cars only
Makes
🢒
Chevrolet
🢒
2007
🢒
Silverado - 4WD
🢒 Module Power, Ground and Serial Data
Module Power, Ground and Serial Data
Module Power, Ground, and Serial Data
Master Electrical Component List
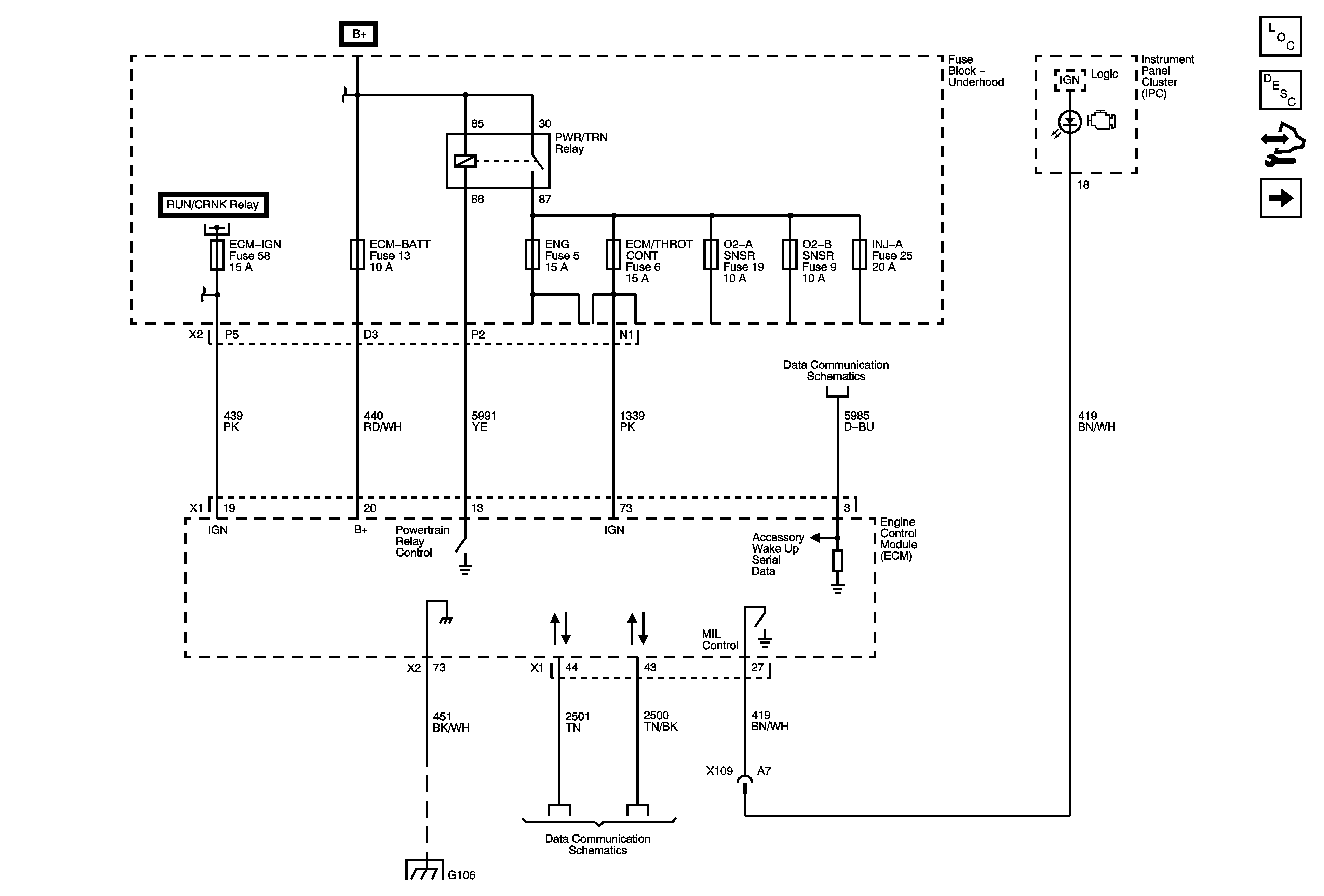
Engine Control Module Description
Control Module References
5-Volt and Low Reference
Ignition II/III Voltage
RUN/CRANK BUS - ECM-IGN and TRANS IGN 1 Fuses
ECM-BATT, HDLP WASH, HVAC BATT, IPC, LTR, S/ROOF and TCM-BATT Fuses
PWR/TRN BUS - ECM/THROT CONT and ENG Fuses
PWR/TRN BUS - ECM/THROT CONT and ENG Fuses
PWR/TRN BUS - DSL ECM, FUEL HTR, O2-A SNSR and O2-B SNSR Fuses
PWR/TRN BUS - DSL ECM, FUEL HTR, O2-A SNSR and O2-B SNSR Fuses
Accessory Wakeup Serial Data
G106 (4.3L) and G103
High Speed Bus - 1 of 3