GM Service Manual Online
For 1990-2009 cars only
Makes
🢒
Chevrolet
🢒
2007
🢒
Silverado - 4WD
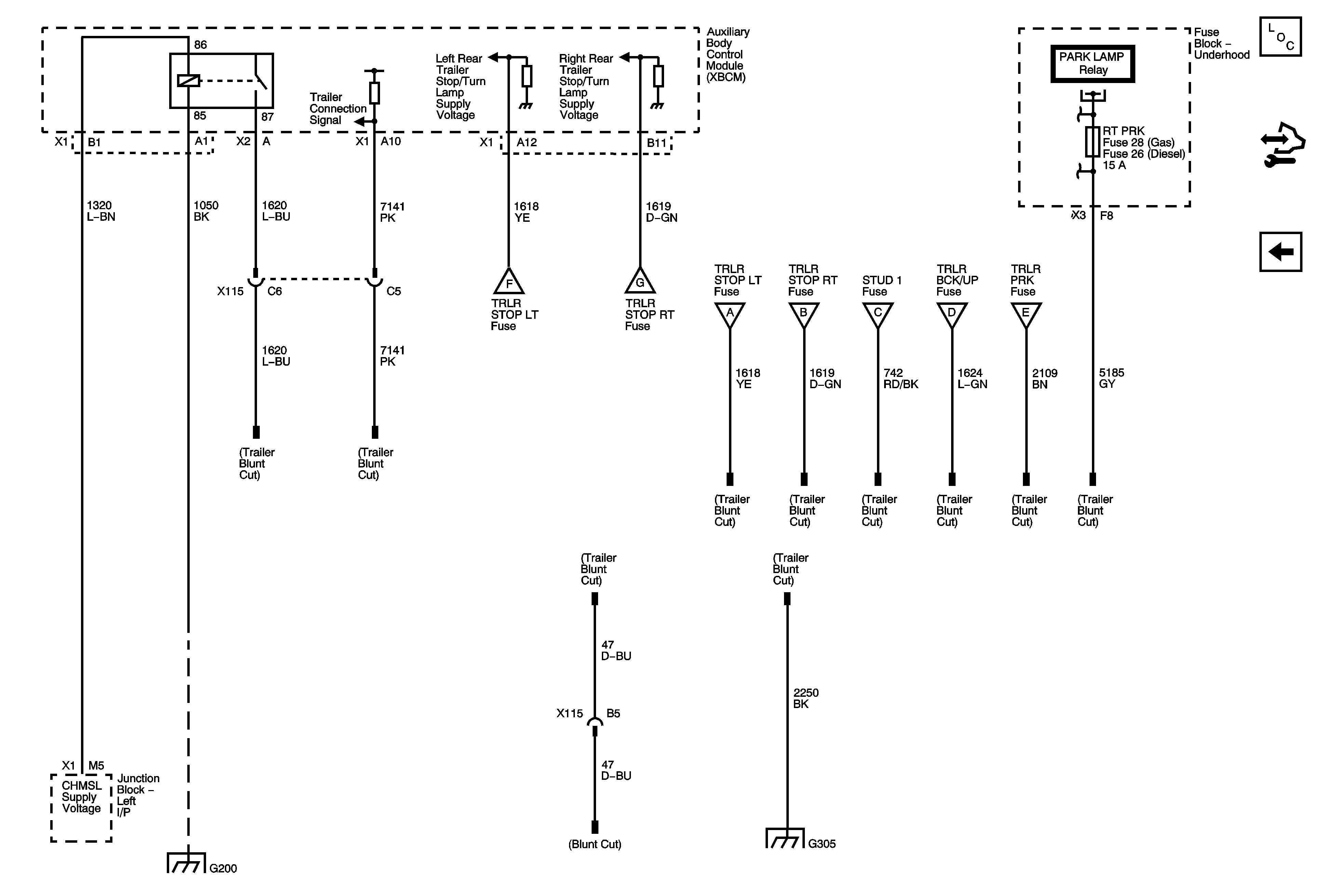
🢒 Trailer Brake Wiring Export
Trailer Brake Wiring Export
Trailer Brake Wiring Export
Master Electrical Component List
Control Module References
Trialer Connector 2 of 2
Trialer Connector 2 of 2
Trialer Connector 2 of 2
Trialer Connector 2 of 2
Trialer Connector 2 of 2
Trialer Connector 1 of 2
Trialer Connector 1 of 2
Trialer Connector 1 of 2
G200 1 of 2
G303, G304, G305 and G307