GM Service Manual Online
For 1990-2009 cars only
Makes
🢒
Chevrolet
🢒
2008
🢒
Silverado - 4WD
🢒
Diagnostic Navigation
🢒
Vehicle Diagnostic Information
🢒 Automatic Transmission Controls Schematics
Figure
1:
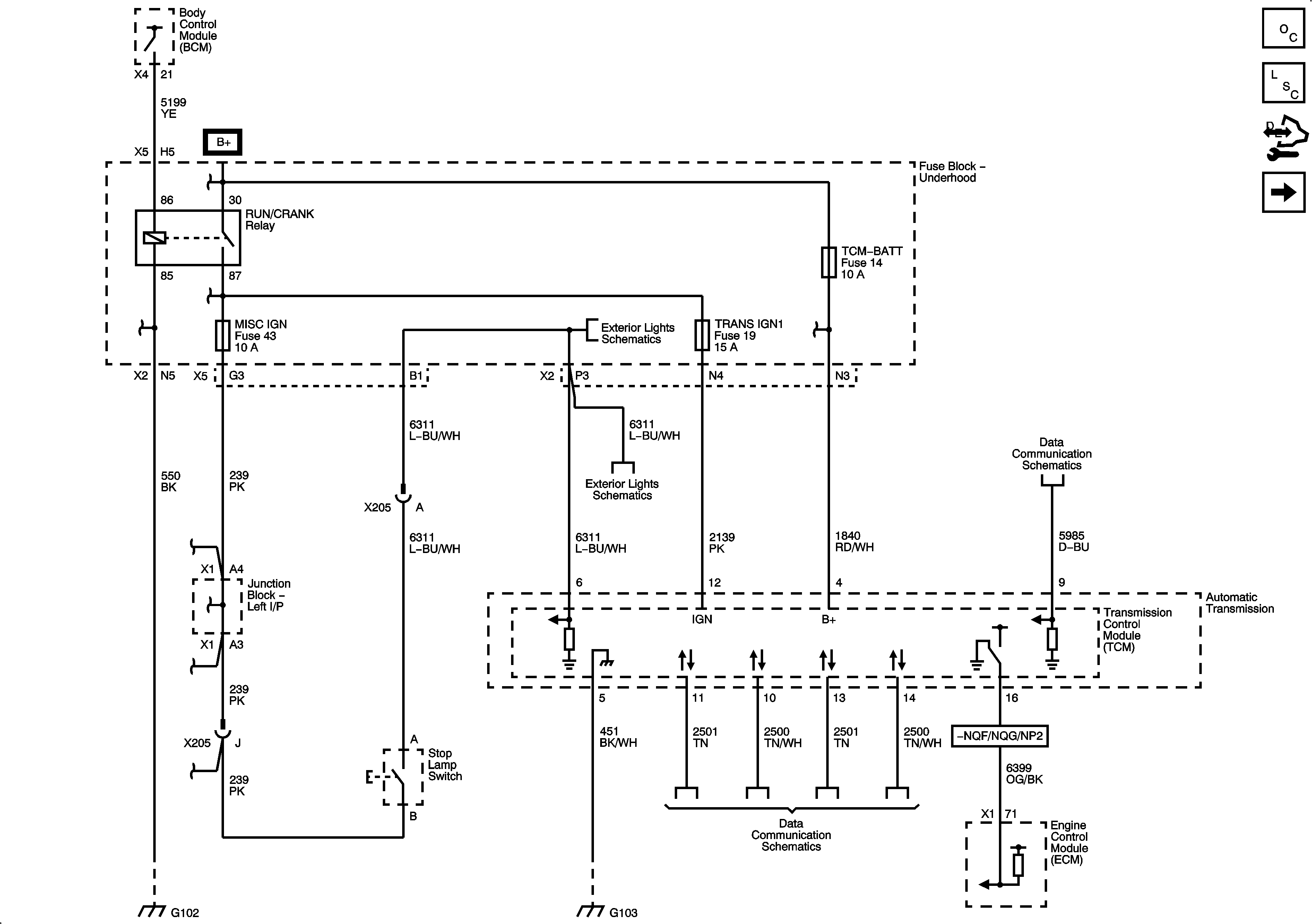
Module Power, Ground, Serial Data and Stop Lamp Signal
Master Electrical Component List
Transmission Component and System Description
Control Module References
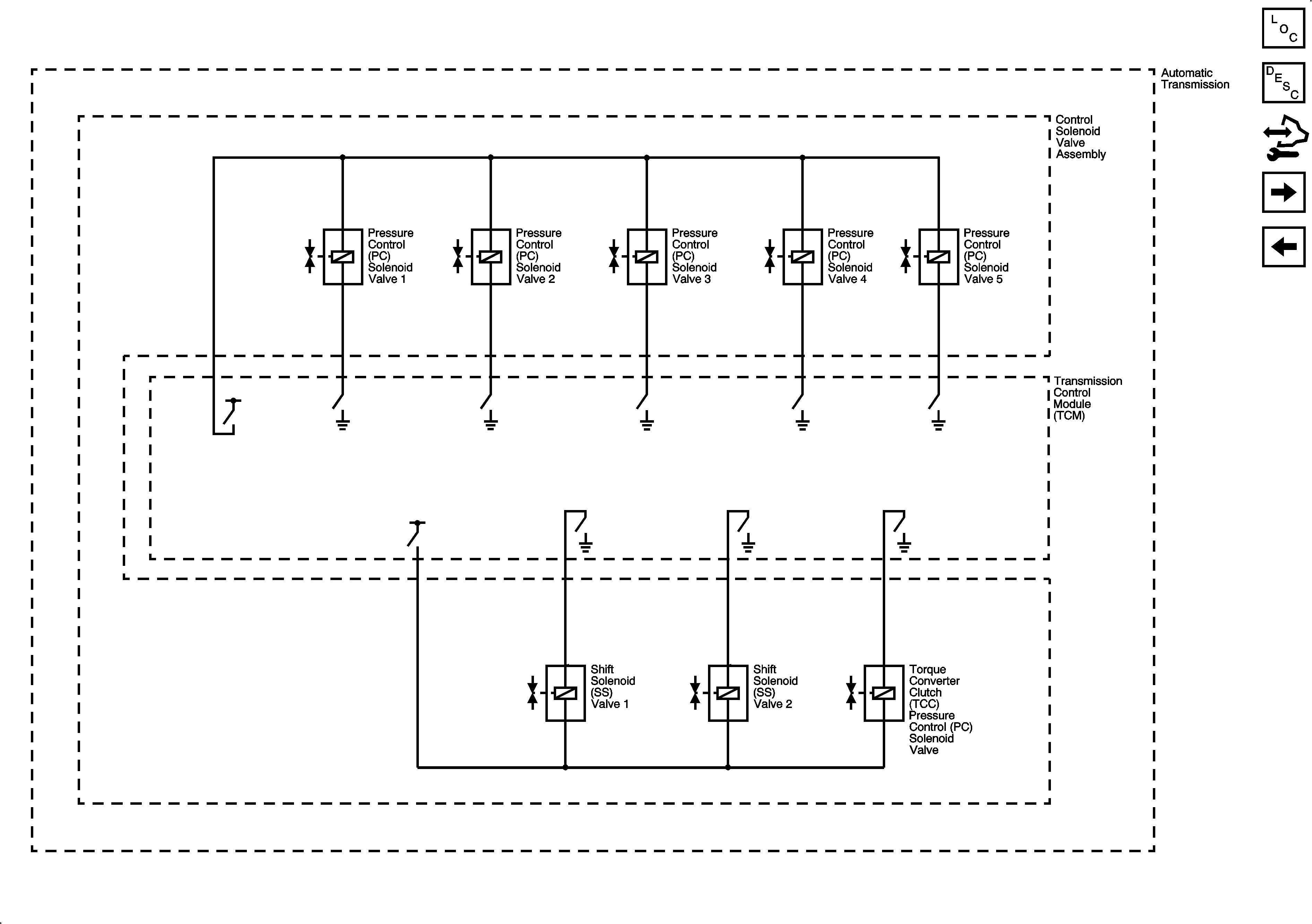
Pressure Controls - 1 of 2 and Shift Controls
Figure
2:
Pressure Controls - 1 of 2 and Shift Controls
Master Electrical Component List
Transmission Component and System Description
Control Module References
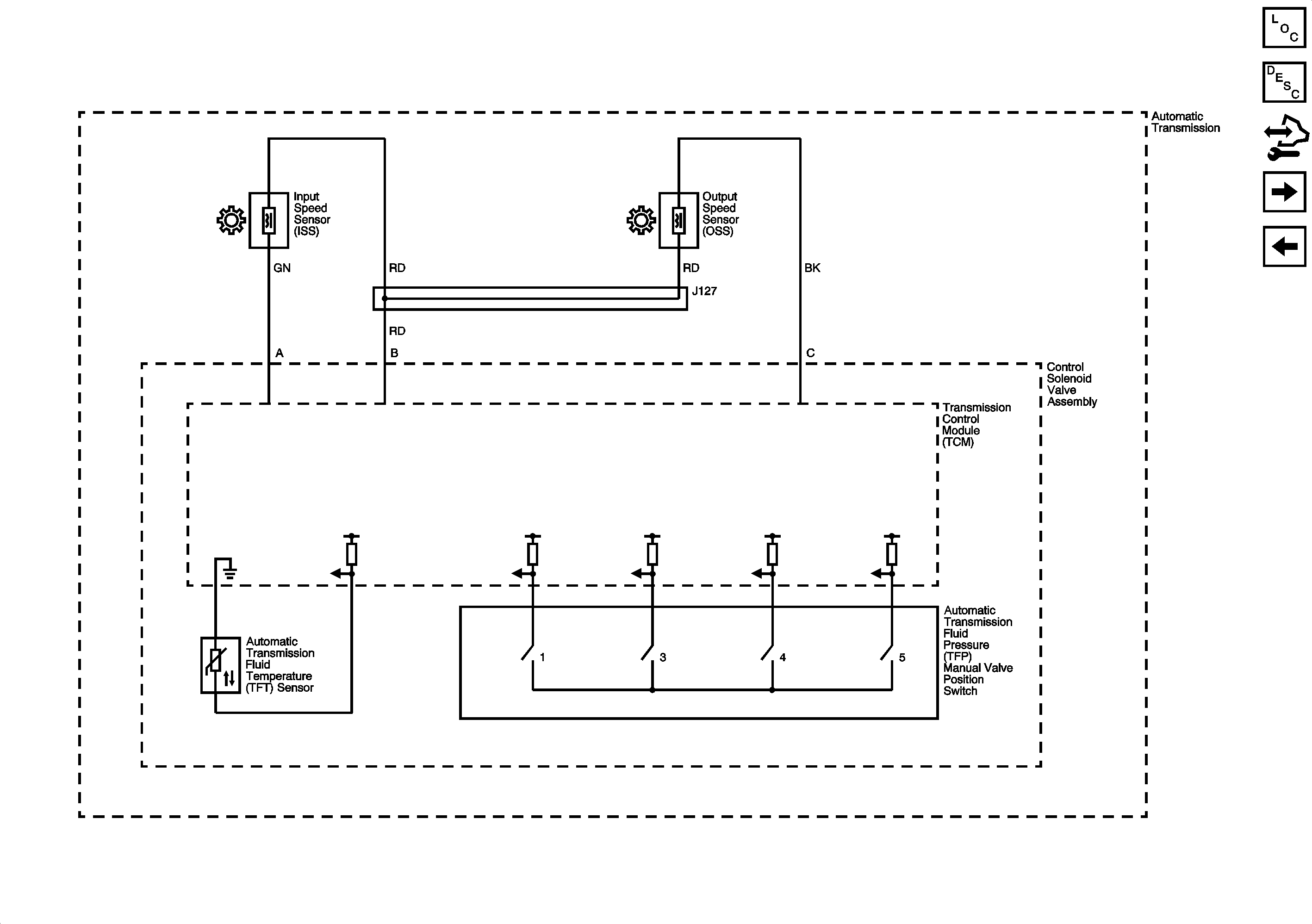
Pressure Controls - 2 of 2 and Speed Sensors
Module Power, Ground, Serial Data and Stop Lamps Signal
Figure
3:
Pressure Controls - 2 of 2 and Speed Sensors
Master Electrical Component List
Transmission Component and System Description
Control Module References
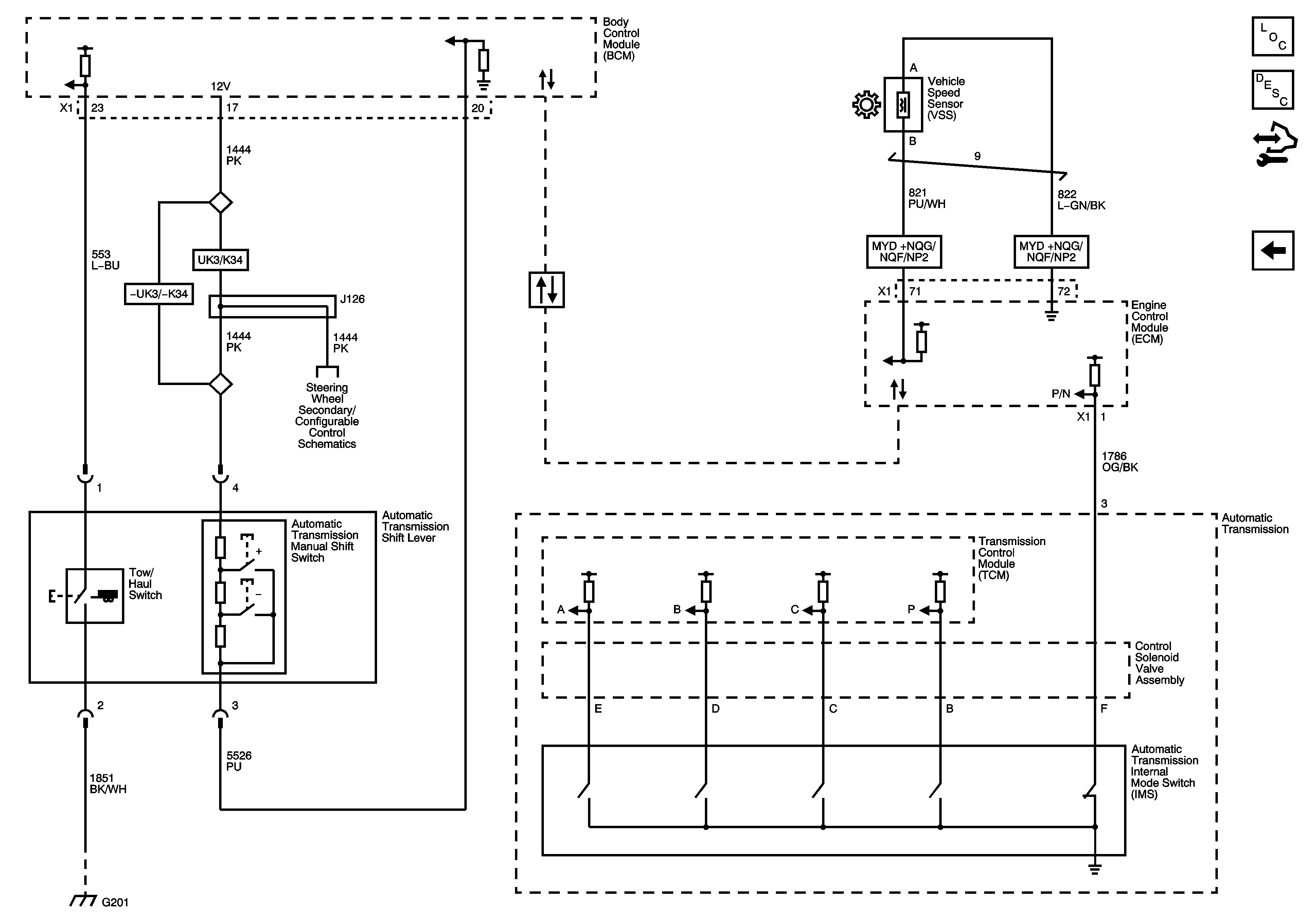
Transmission Range Signals and Driver Shift Request
Pressure Controls - 1 of 2 and Shift Controls
Figure
4:
Transmission Range Signals and Driver Shift Request
Master Electrical Component List
Transmission Component and System Description
Control Module References
Pressure Controls - 2 of 2 and Speed Sensors