GM Service Manual Online
For 1990-2009 cars only
Figure 1:

6-Way Power (except AN3)


Object Number: 1916822  Size: FS
Master Electrical Component List
Power Seats System Description and Operation
Control Module References
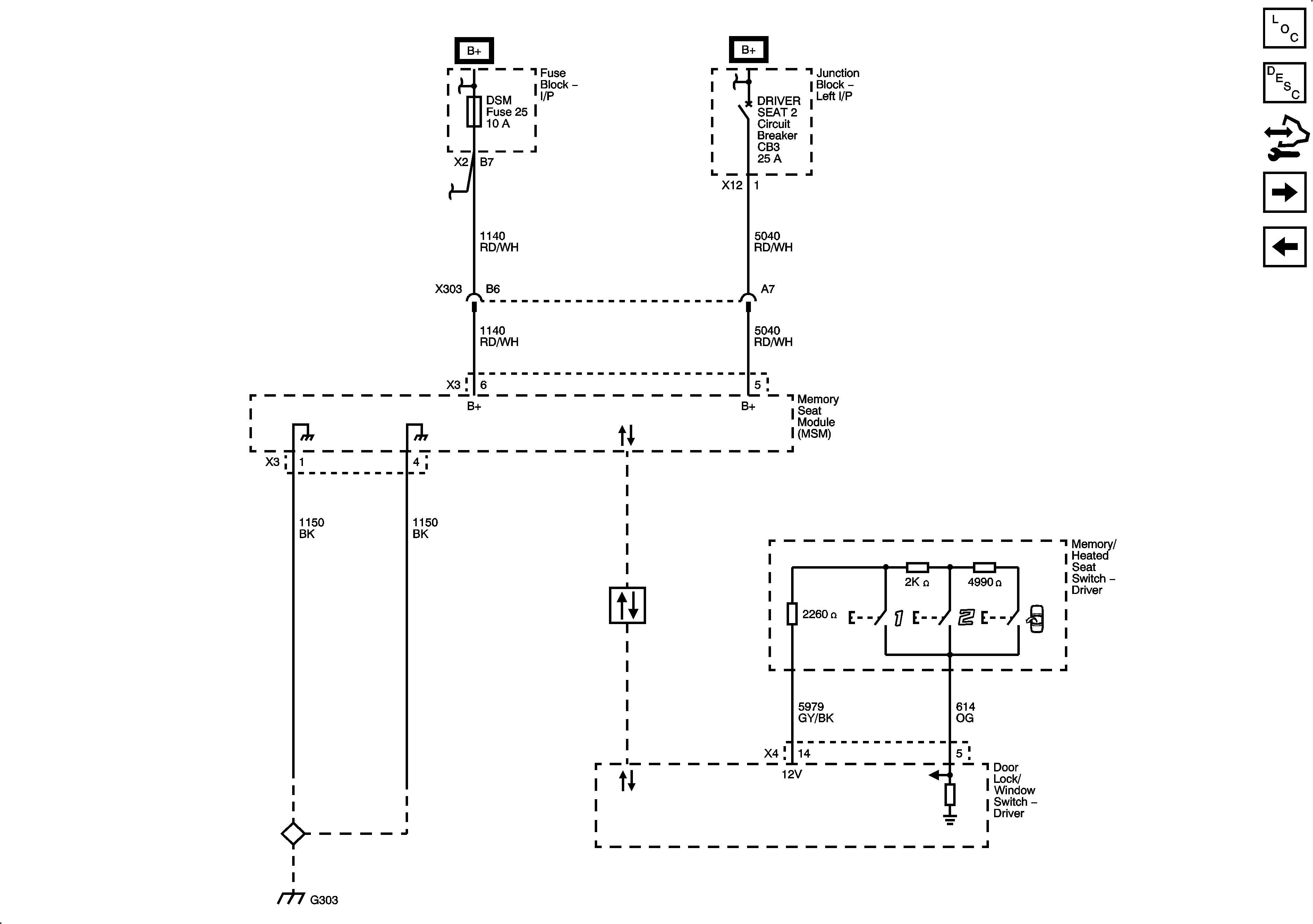
Module Power, Ground, Serial Data and Memory Switch (AN3)
Figure 2:

Module Power, Ground, Serial Data and Memory Switch (AN3)


Object Number: 1916827  Size: FS
Master Electrical Component List
Memory Seats Description and Operation
Control Module References
Seat Adjuster Switches (AN3)
6-Way Power (except AN3)
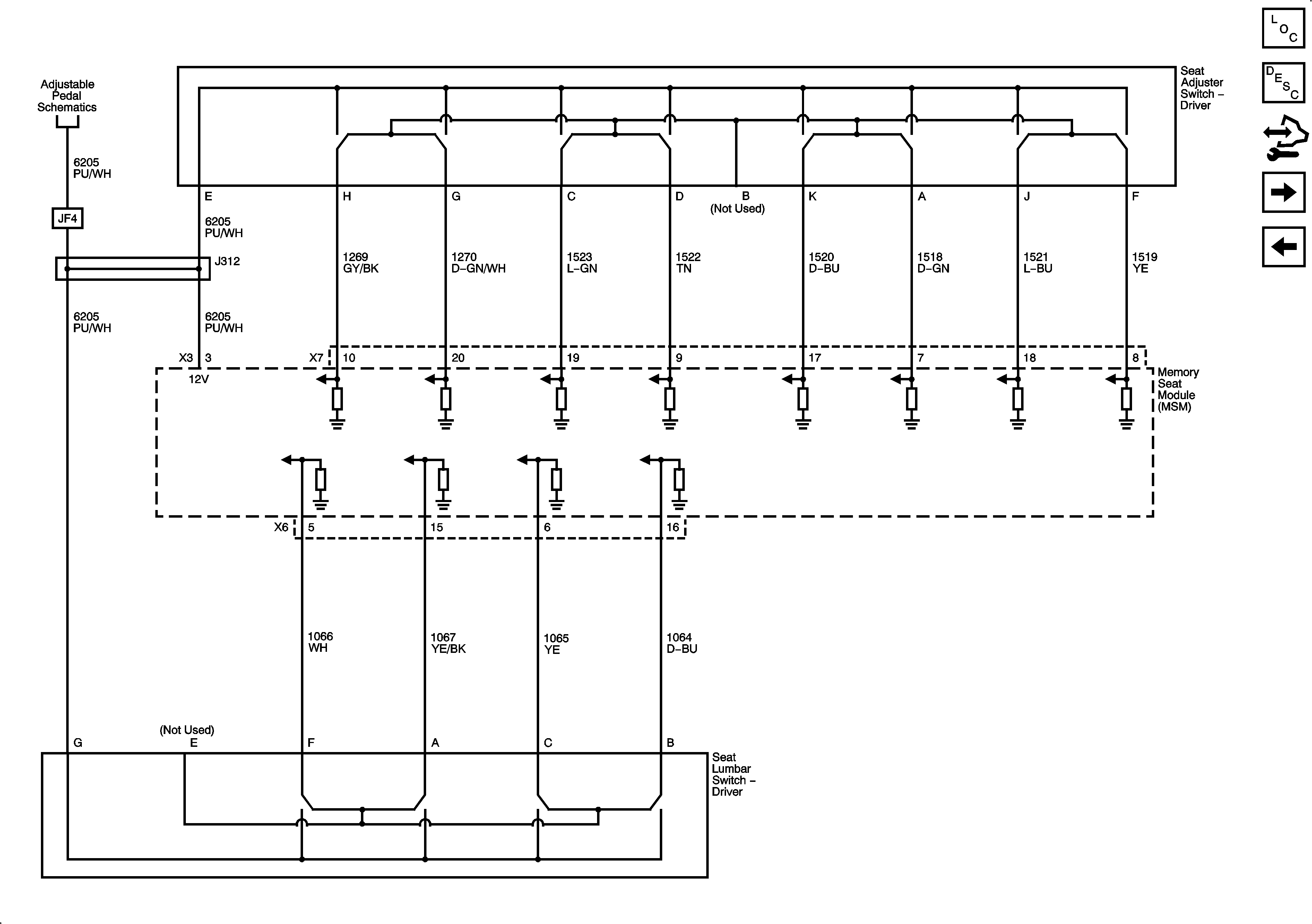
Figure 3:

Seat Adjuster Switches (AN3)


Object Number: 1916832  Size: FS
Master Electrical Component List
Memory Seats Description and Operation
Control Module References
Motors and Position Sensors (AN3)
Module Power, Ground, Serial Data and Memory Switch (AN3)
Figure 4:

Motors and Position Sensors (AN3)


Object Number: 1916835  Size: FS
Master Electrical Component List
Memory Seats Description and Operation
Control Module References
Seat Adjuster Switches (AN3)