GM Service Manual Online
For 1990-2009 cars only
Makes
🢒
Chevrolet
🢒
2008
🢒
Silverado - 4WD
🢒
Diagnostic Navigation
🢒
Vehicle Diagnostic Information
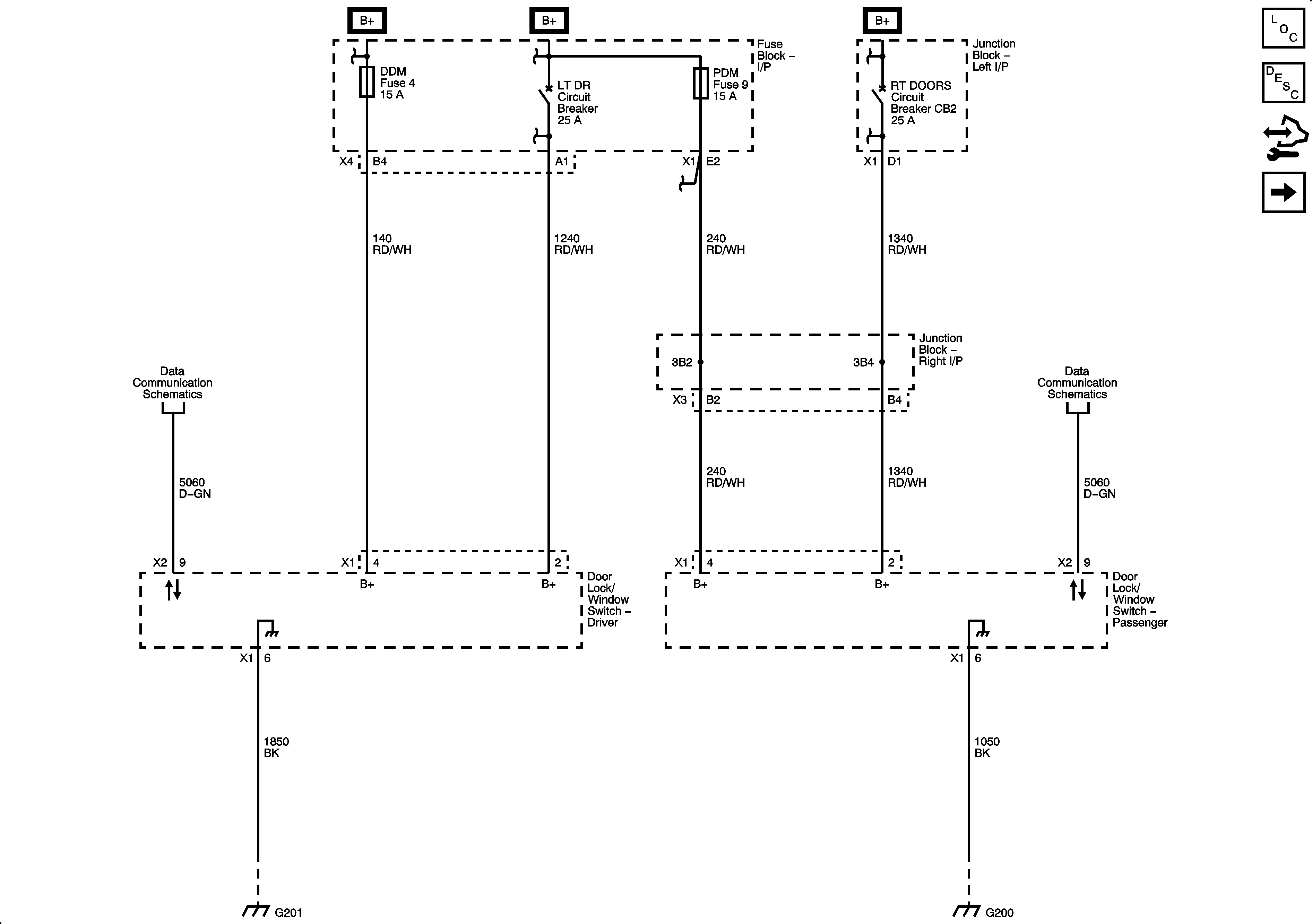
🢒 Door Control Module Schematics
Figure
1:
Power, Ground and Serial Data
Master Electrical Component List
Power Door Locks Description and Operation
Control Module References
Door Lock, Window and Lighting System References
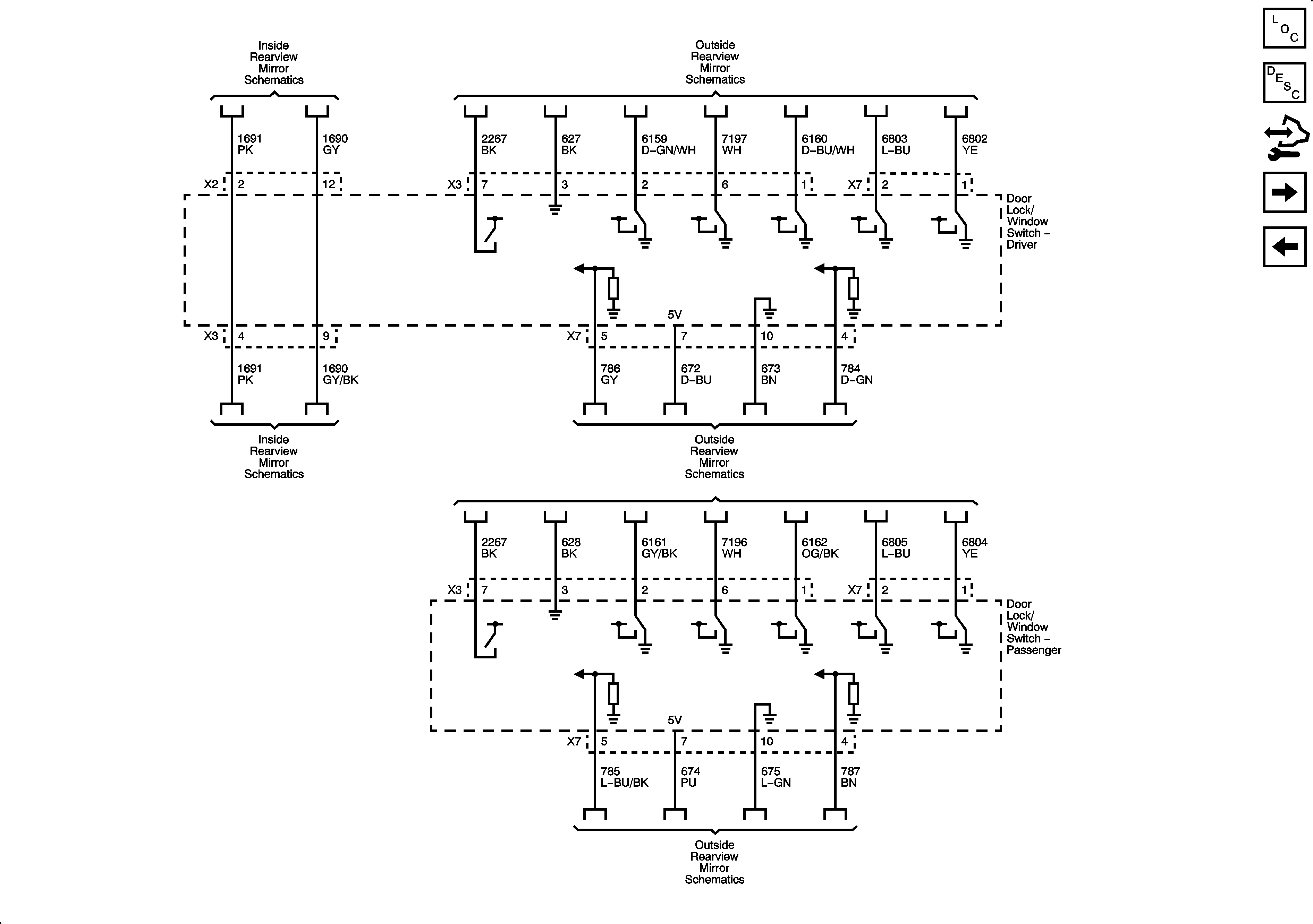
Figure
2:
Door Lock, Window and Lighting System References
Master Electrical Component List
Power Door Locks Description and Operation
Control Module References
Outside Rearview Mirror References
Power, Ground and Serial Data
Figure
3:
Outside Rearview Mirror References
Master Electrical Component List
Power Door Locks Description and Operation
Control Module References
Heated Seat References
Door Lock, Window and Lighting System References
Figure
4:
Heated Seat References
Master Electrical Component List
Power Door Locks Description and Operation
Control Module References
Outside Rearview Mirror References