GM Service Manual Online
For 1990-2009 cars only
Makes
🢒
Chevrolet
🢒
2008
🢒
Silverado - 4WD
🢒
Diagnostic Navigation
🢒
Vehicle Diagnostic Information
🢒 Theft Deterrent System Schematics
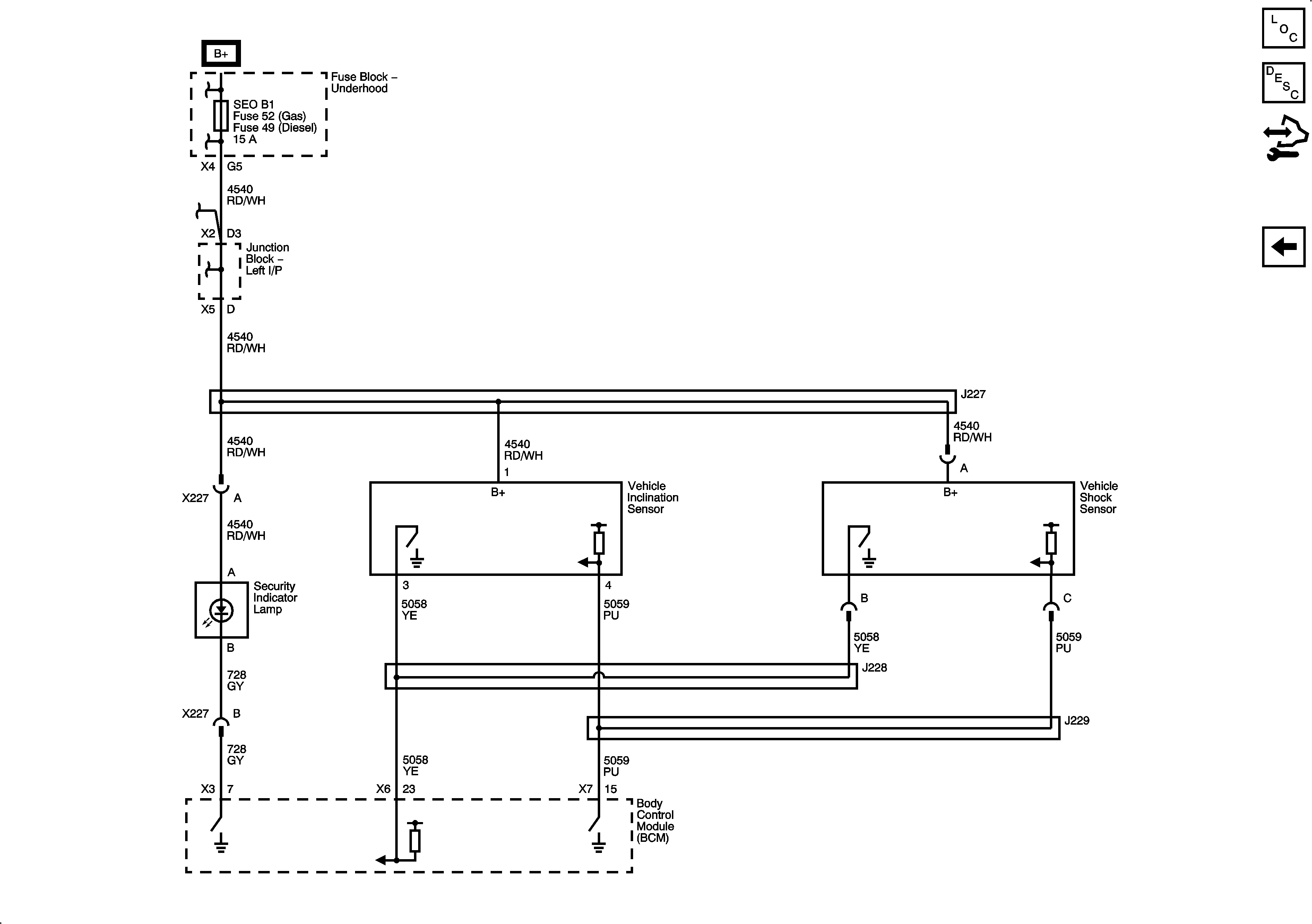
Figure
1:
Content Theft Deterrent
Master Electrical Component List
Content Theft Deterrent (CTD) Description and Operation
Control Module References
SPO Theft
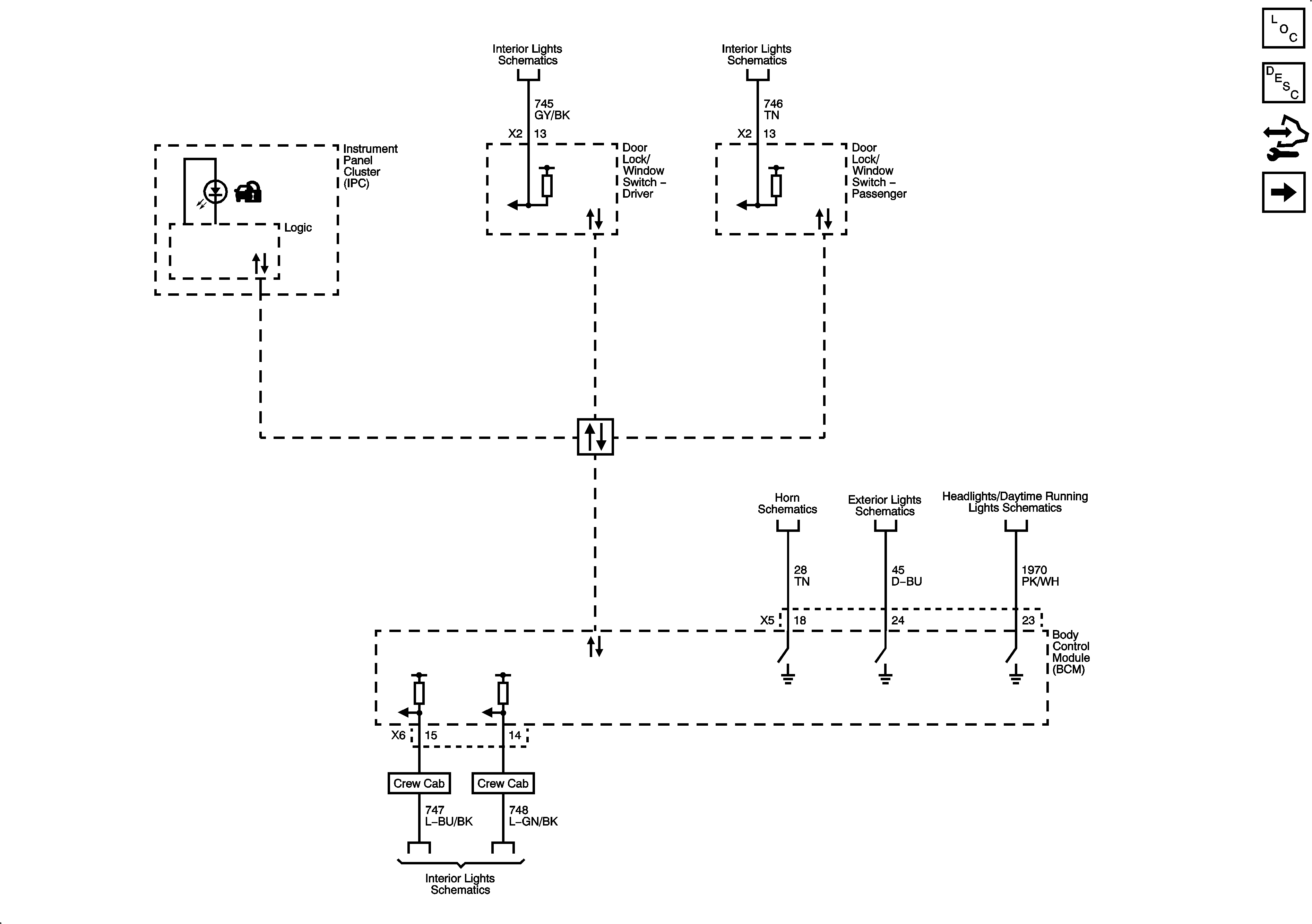
Figure
2:
SPO Theft
Master Electrical Component List
Content Theft Deterrent (CTD) Description and Operation
Control Module References
Content Theft Deterrent