GM Service Manual Online
For 1990-2009 cars only
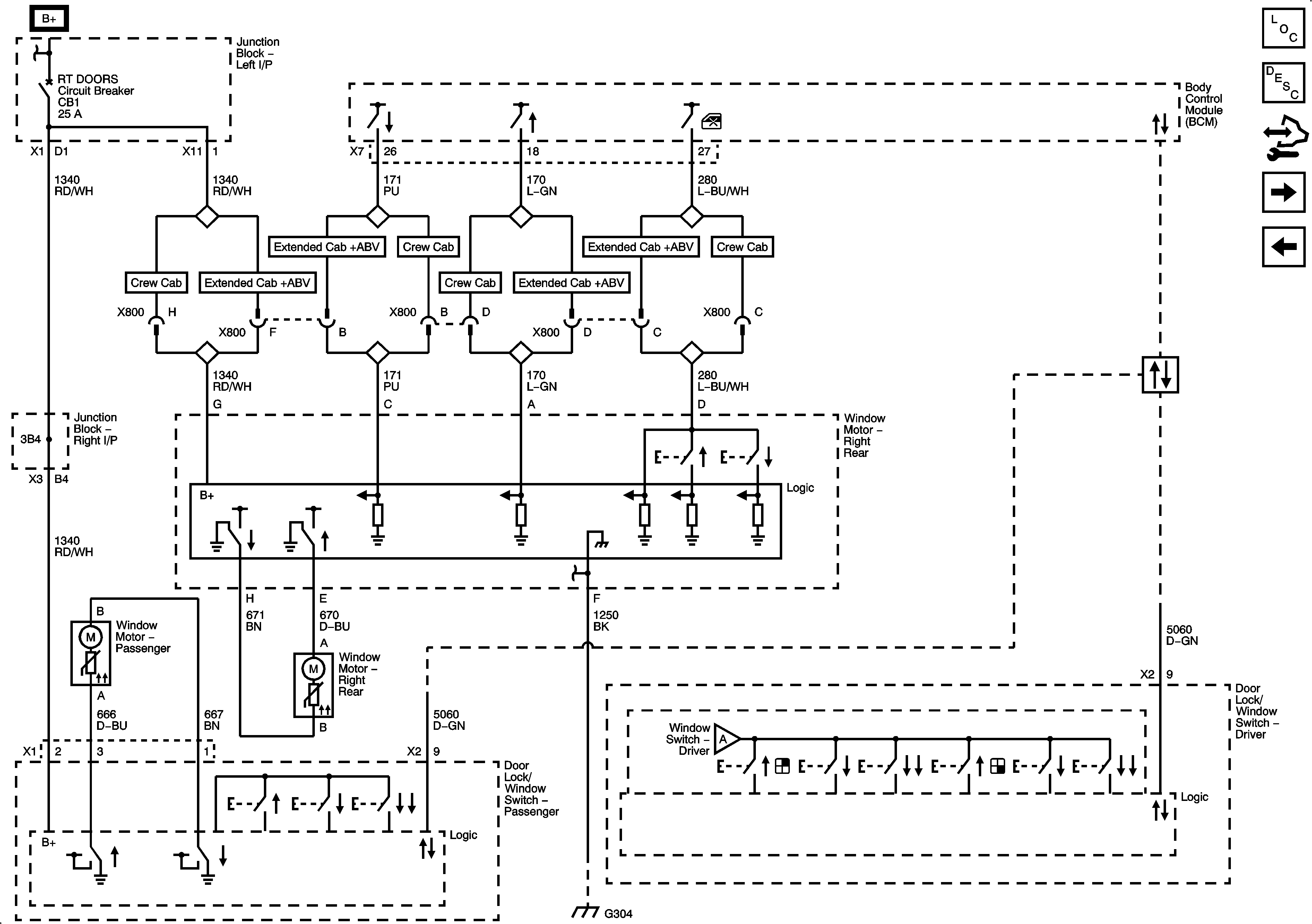
Figure 1:

Left Doors (AN3/DL3)


Object Number: 1914903  Size: FS
Master Electrical Component List
Power Windows Description and Operation
Control Module References
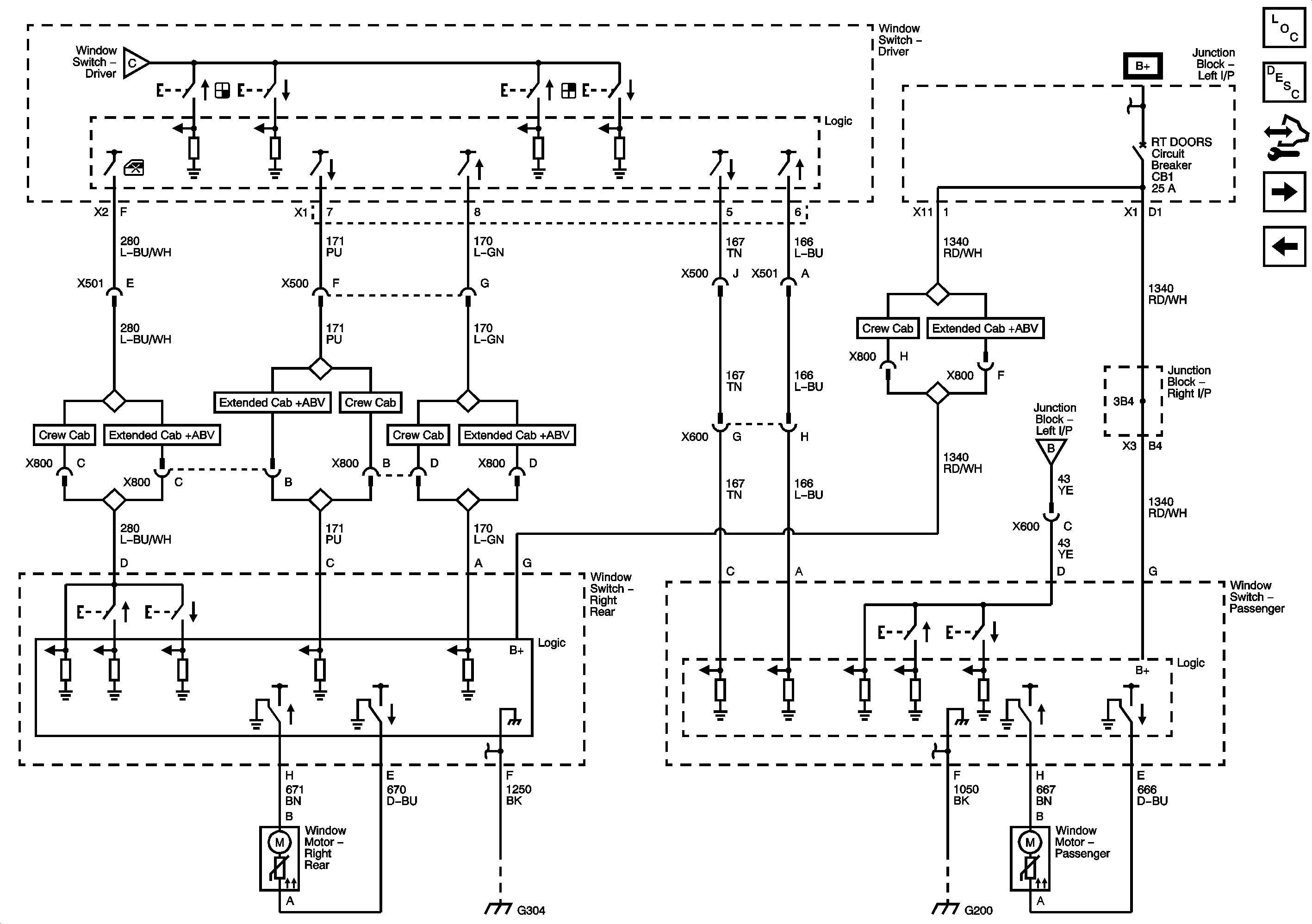
Right Doors (AN3/DL3)
Figure 2:

Right Doors (AN3/DL3)


Object Number: 1914906  Size: FS
Master Electrical Component List
Power Windows Description and Operation
Control Module References
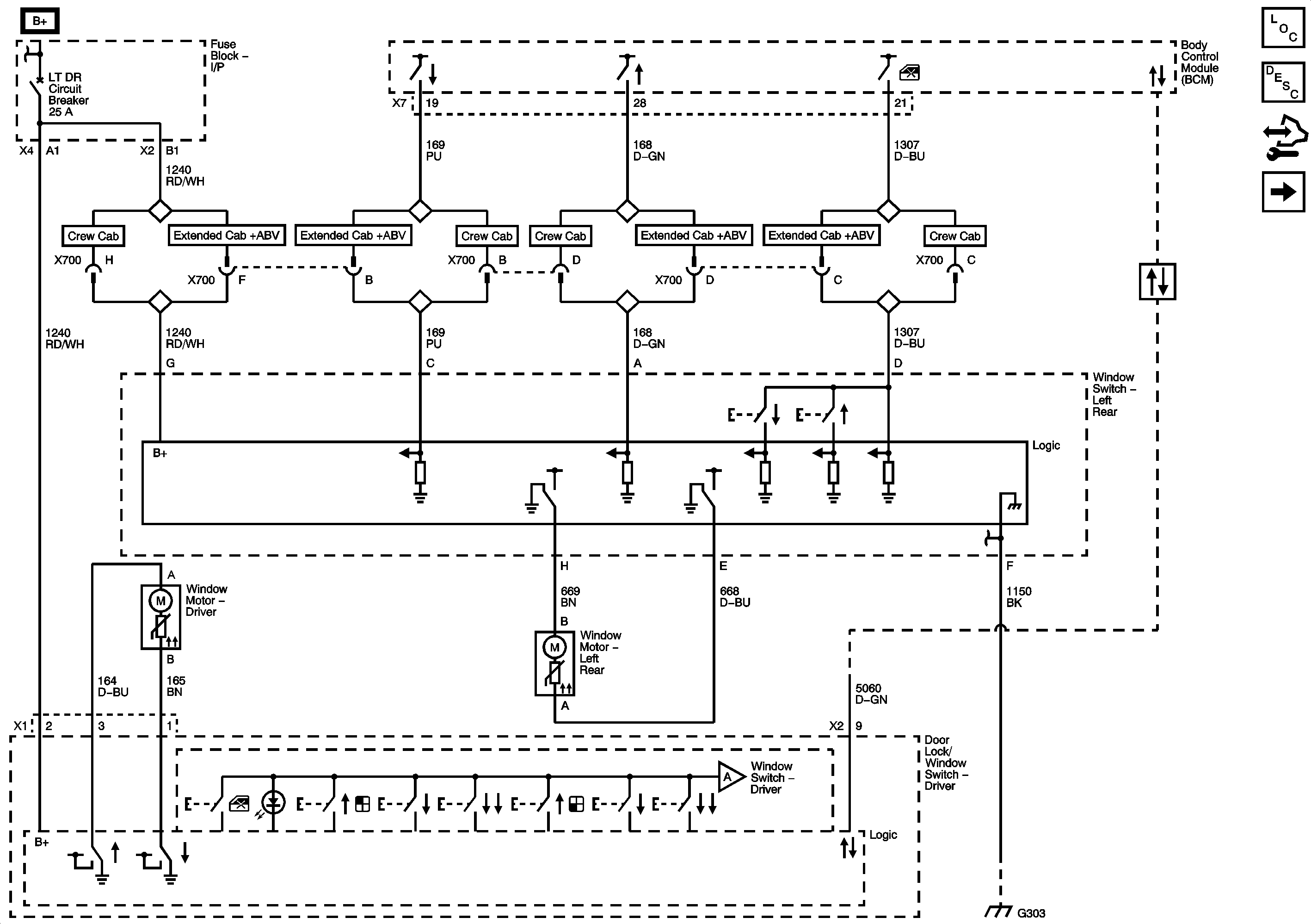
Left Doors (except AN3/DL3)
Left Doors (AN3/DL3)
Figure 3:

Left Doors (except AN3/DL3)


Object Number: 1914909  Size: FS
Master Electrical Component List
Power Windows Description and Operation
Control Module References
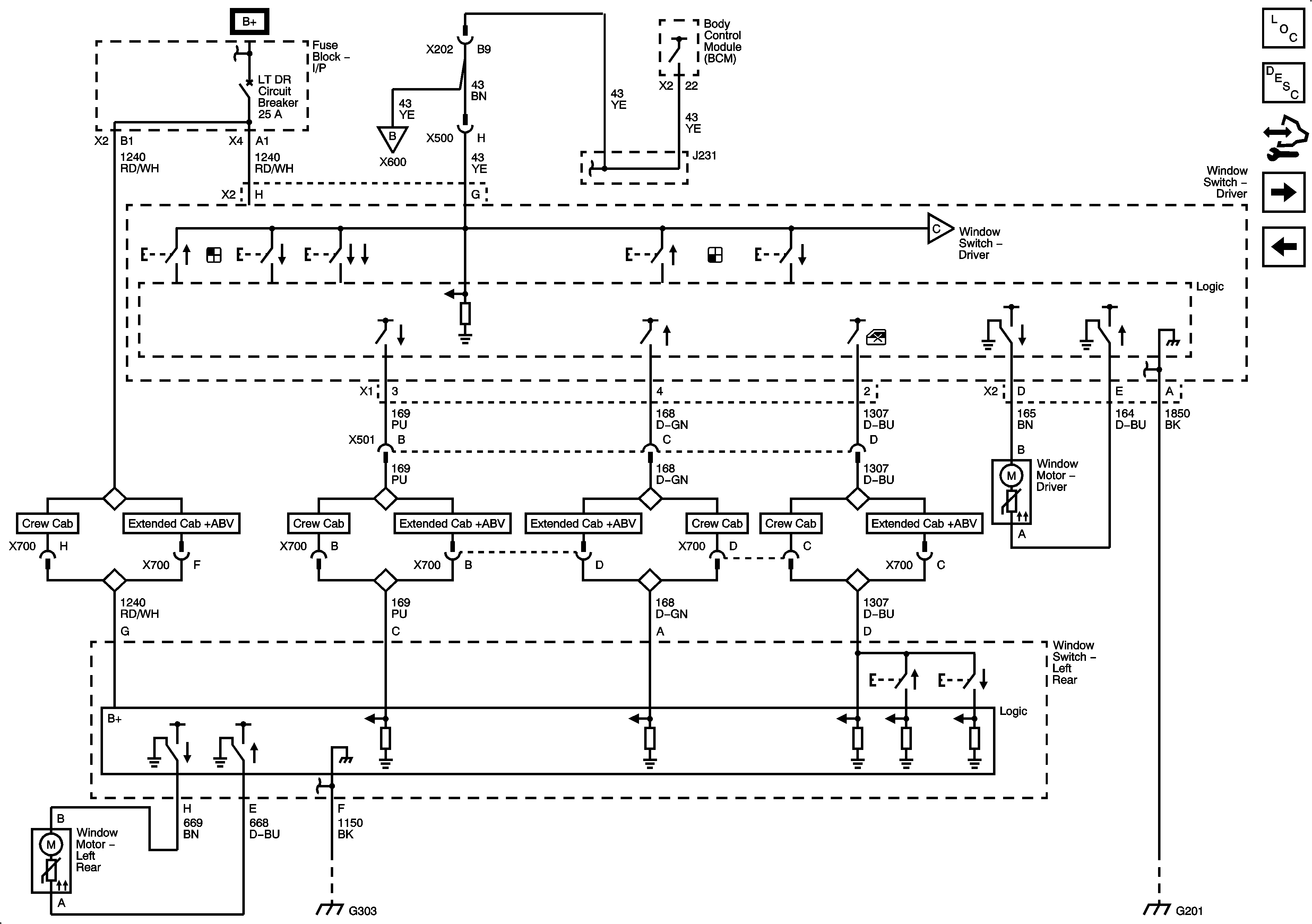
Right Doors (except AN3/DL3)
Right Doors (AN3/DL3)
Figure 4:

Right Doors (except AN3/DL3)


Object Number: 1914914  Size: FS
Master Electrical Component List
Power Windows Description and Operation
Control Module References
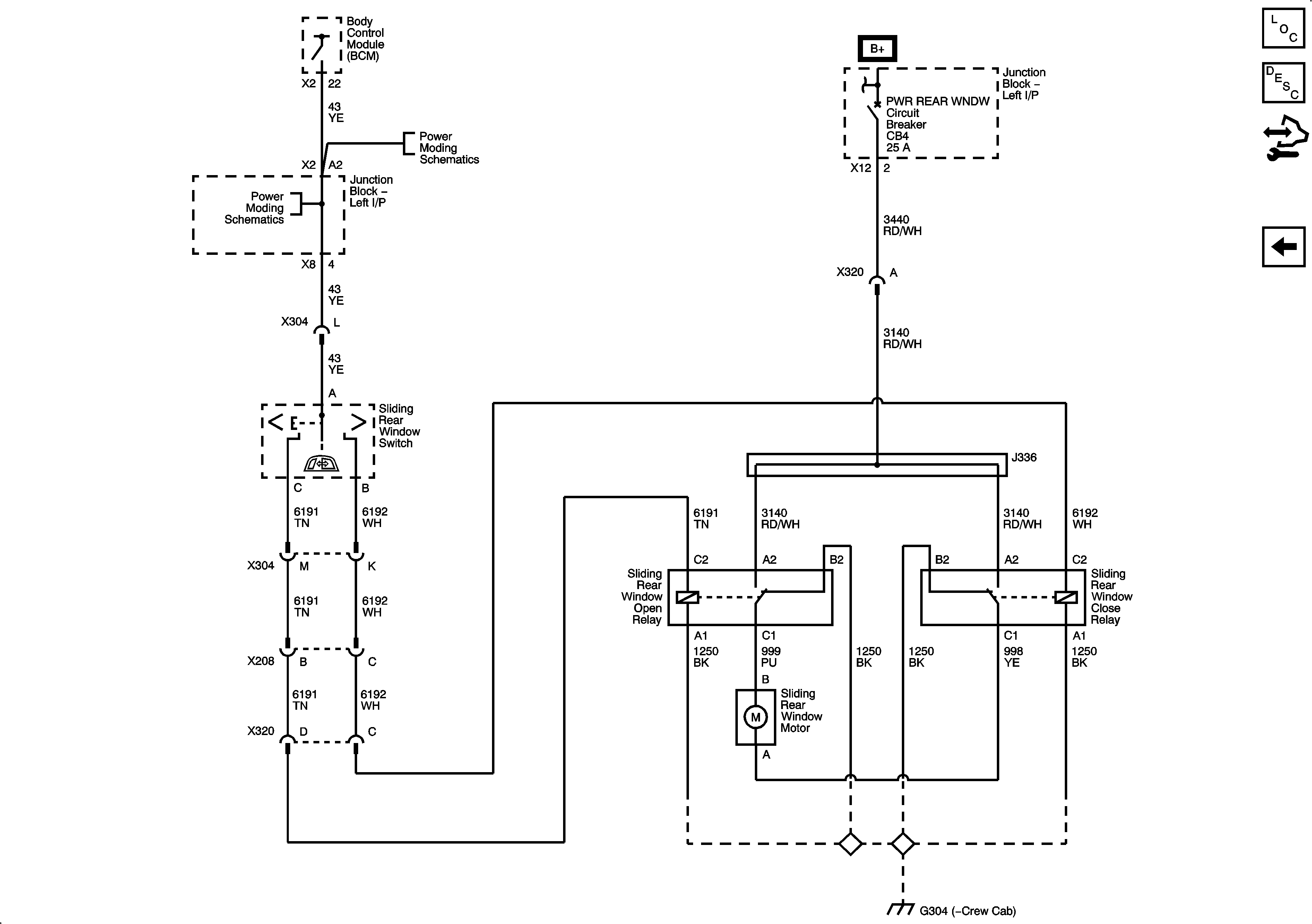
Sliding Rear Window (A48)
Left Doors (except AN3/DL3)
Figure 5:

Sliding Rear Window (A48)


Object Number: 1914916  Size: FS
Master Electrical Component List
Power Windows Description and Operation
Control Module References
Right Doors (except AN3/DL3)