GM Service Manual Online
For 1990-2009 cars only
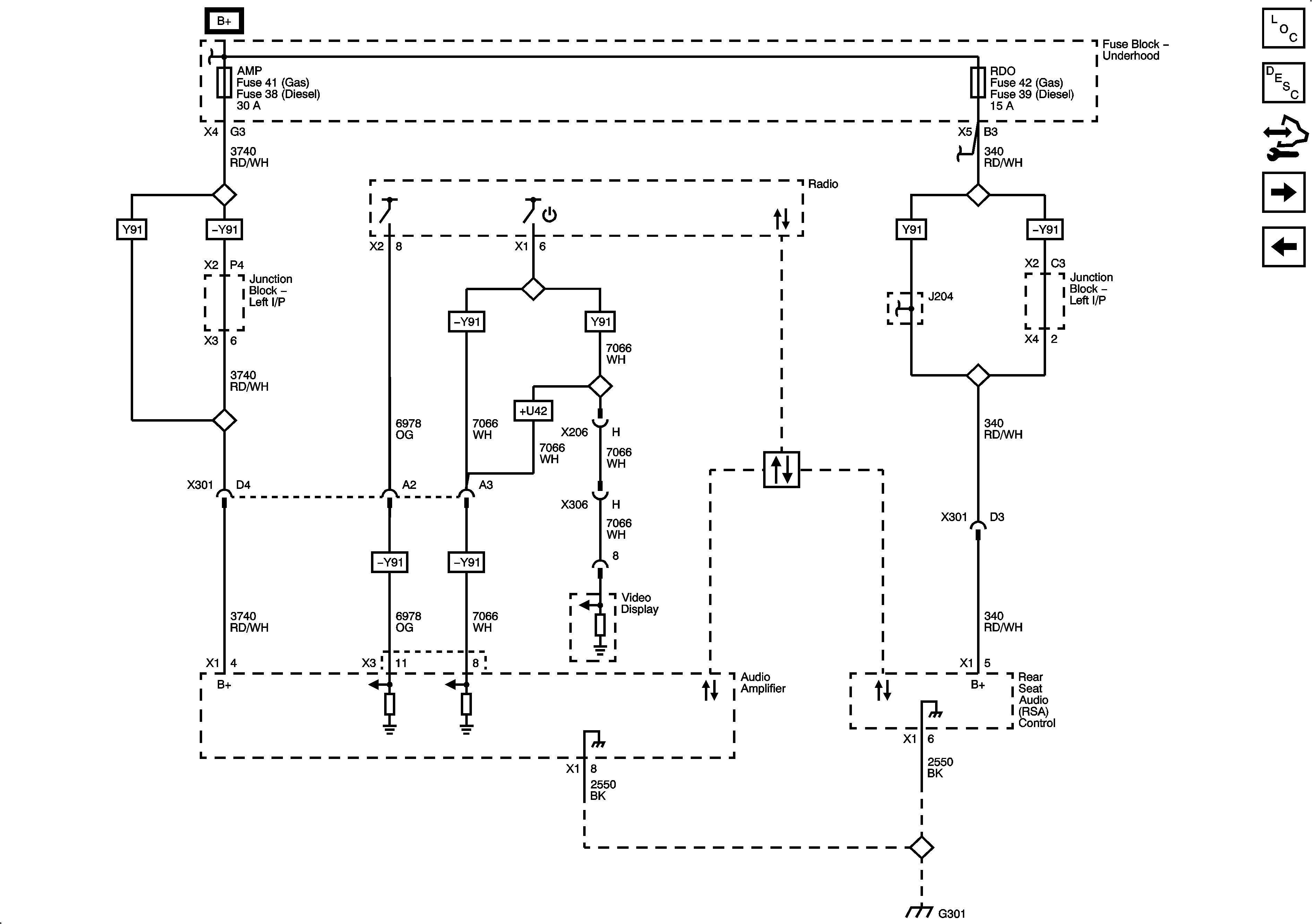
Figure 1:

Radio Power, Ground and Serial Data


Object Number: 1915151  Size: FS
Master Electrical Component List
Radio/Audio System Description and Operation
Control Module References
Amplifier (UQA) and Rear Seat Audio (UK6) Power, Ground and Serial Data
Figure 2:

Amplifier (UQA) and Rear Seat Audio (UK6) Power, Ground and Serial Data


Object Number: 1915157  Size: FS
Master Electrical Component List
Radio/Audio System Description and Operation
Control Module References
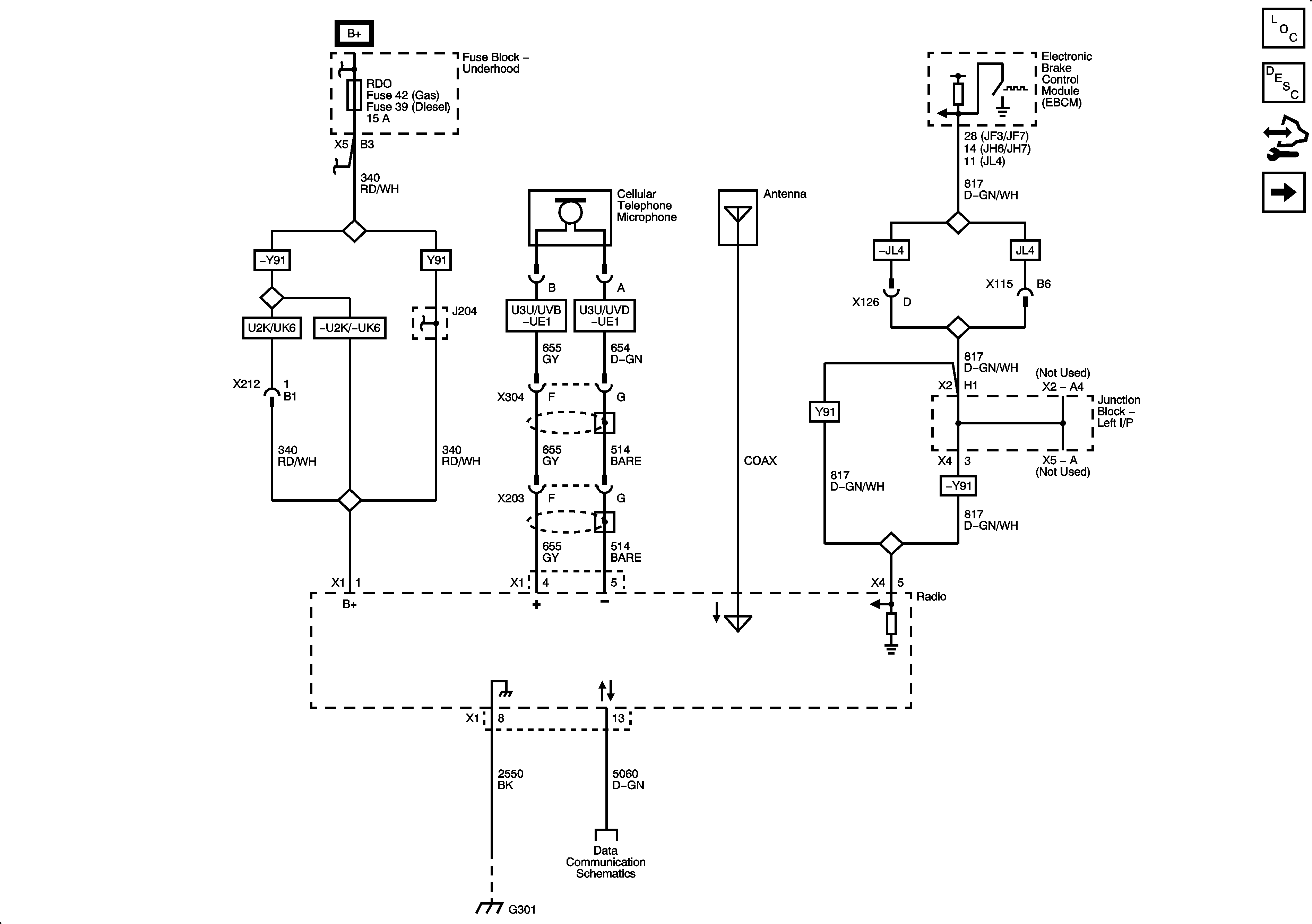
Amplifier Inputs (UQA)
Radio Power, Ground and Serial Data
Figure 3:

Amplifier Inputs (UQA)


Object Number: 1915163  Size: FS
Master Electrical Component List
Radio/Audio System Description and Operation
Control Module References
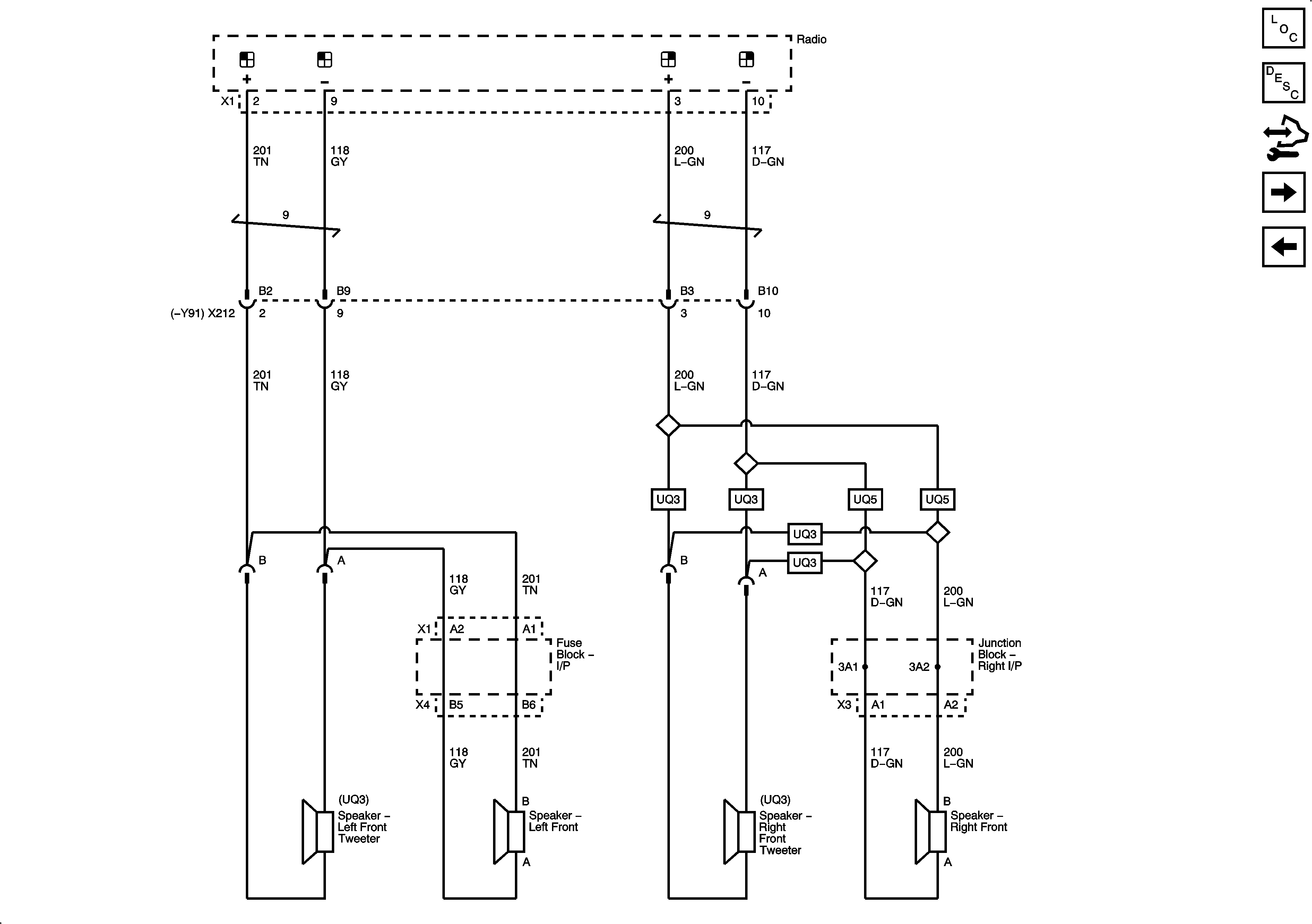
Front Speakers (UQ3/UQ5)
Amplifier (UQA) and Rear Seat Audio (UK6) Power, Ground and Serial Data
Figure 4:

Front Speakers (UQ3/UQ5)


Object Number: 1915167  Size: FS
Master Electrical Component List
Radio/Audio System Description and Operation
Control Module References
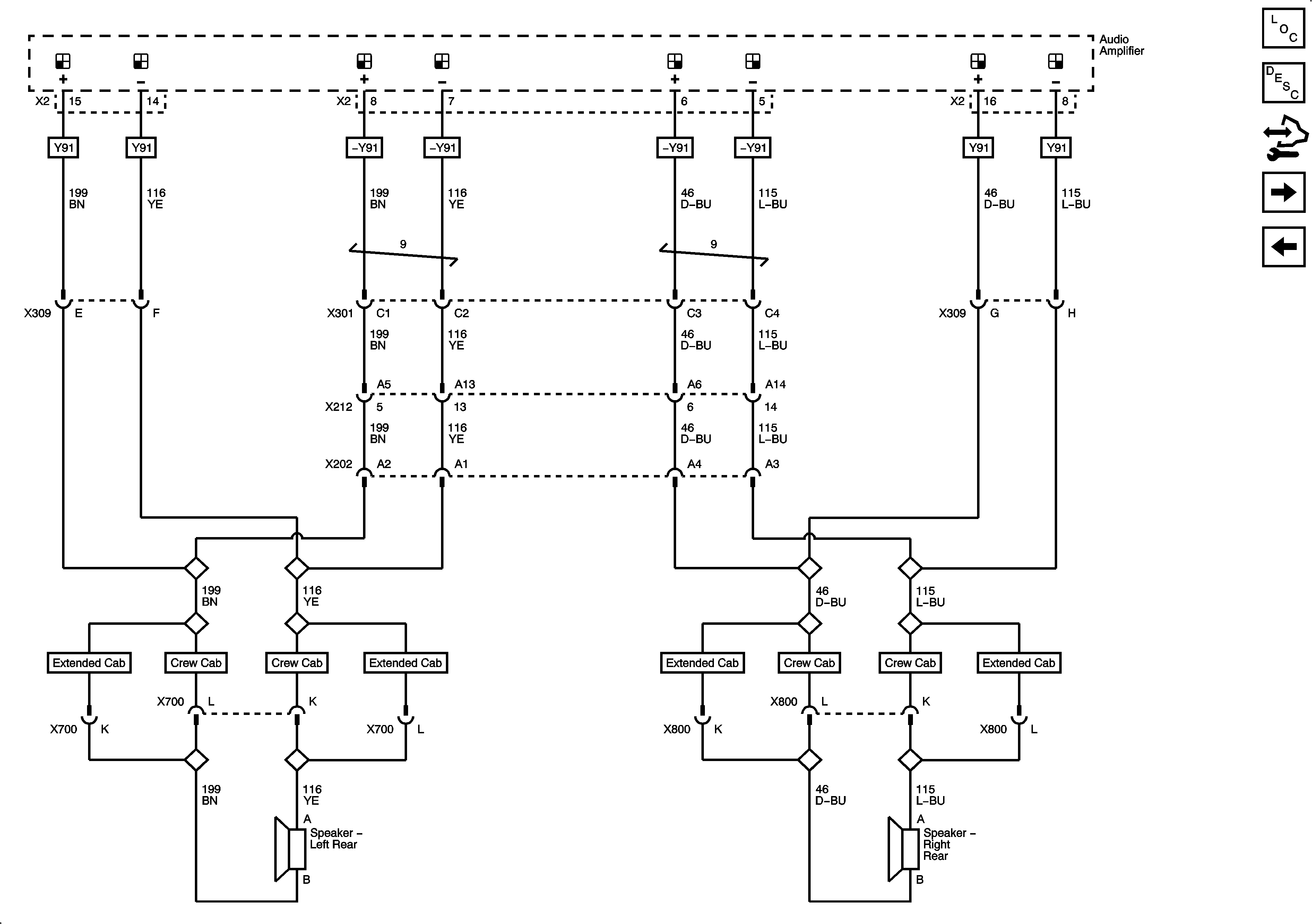
Rear Speakers (UQ3/UQ5)
Amplifier Inputs (UQA)
Figure 5:

Rear Speakers (UQ3/UQ5)


Object Number: 1915170  Size: FS
Master Electrical Component List
Radio/Audio System Description and Operation
Control Module References
Front Speakers (UQA)
Front Speakers (UQ3/UQ5)
Figure 6:

Front Speakers (UQA)


Object Number: 1915173  Size: FS
Master Electrical Component List
Radio/Audio System Description and Operation
Control Module References
Rear Speakers (UQA)
Rear Speakers (UQ3/UQ5)
Figure 7:

Rear Speakers (UQA)


Object Number: 1915177  Size: FS
Master Electrical Component List
Radio/Audio System Description and Operation
Control Module References
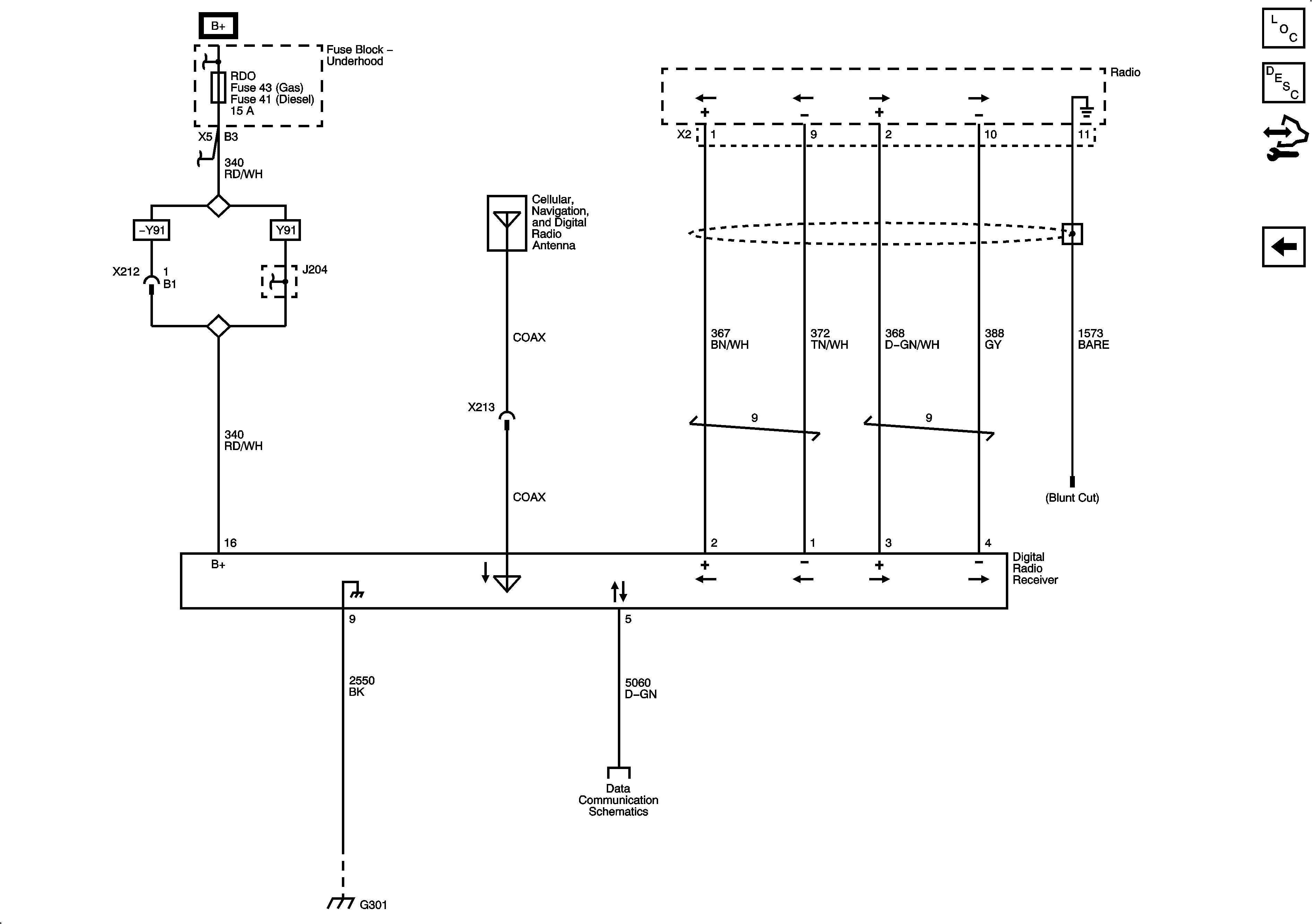
Digital Radio Receiver (U2K)
Front Speakers (UQA)
Figure 8:

Digital Radio Receiver (U2K)


Object Number: 1915179  Size: FS
Master Electrical Component List
Radio/Audio System Description and Operation
Control Module References
Rear Speakers (UQA)