GM Service Manual Online
For 1990-2009 cars only
Figure 1:

Low Speed Bus - 1 of 3


Object Number: 1915399  Size: FS
Master Electrical Component List
Data Link Communications Description and Operation
Control Module References
Low Speed Bus - 2 of 3
Figure 2:

Low Speed Bus - 2 of 3


Object Number: 1915401  Size: FS
Master Electrical Component List
Data Link Communications Description and Operation
Control Module References
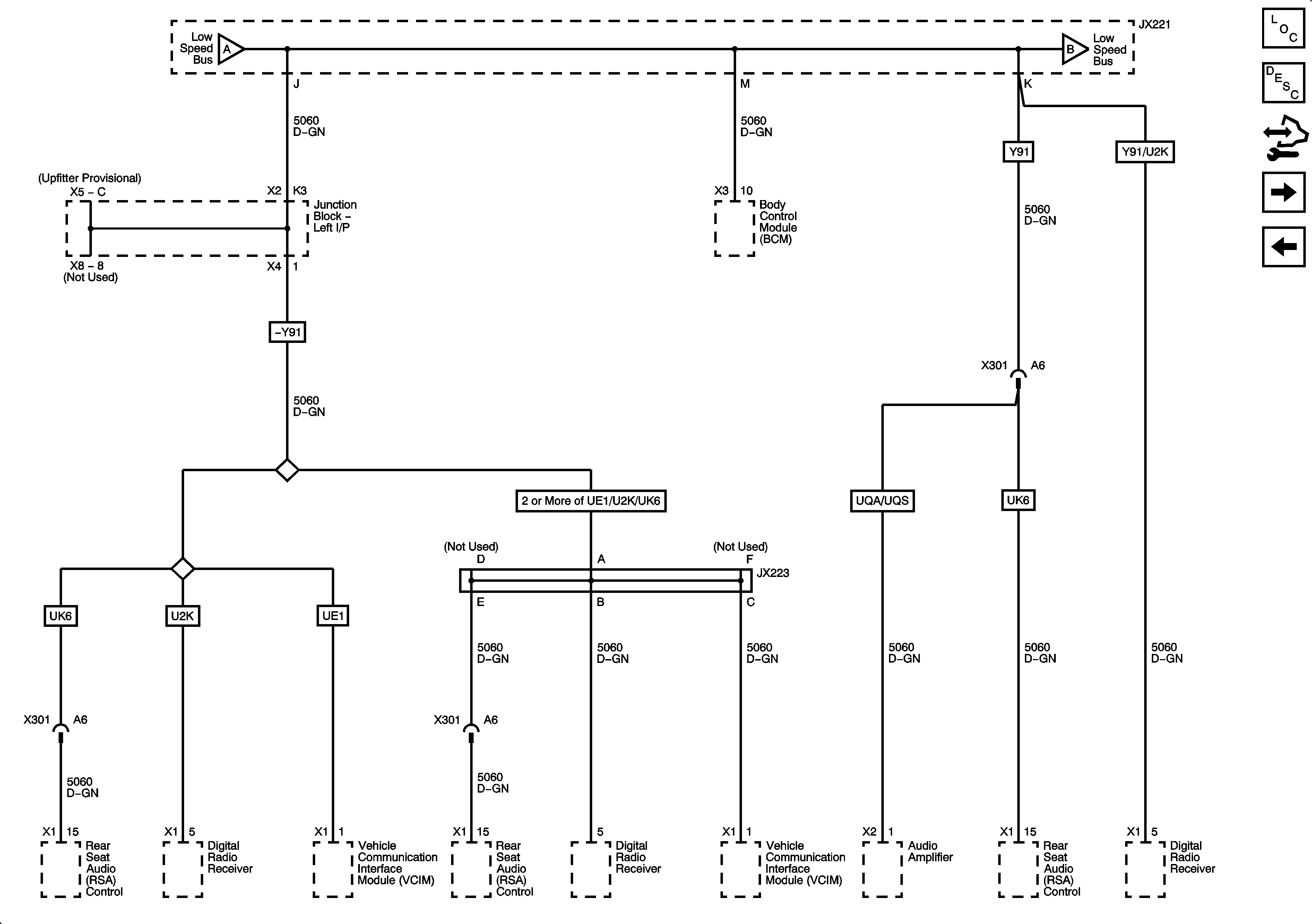
Low Speed Bus - 3 of 3
Low Speed Bus - 1 of 3
Figure 3:

Low Speed Bus - 3 of 3


Object Number: 1915403  Size: FS
Master Electrical Component List
Data Link Communications Description and Operation
Control Module References
High Speed Bus - 1 of 4 (except MEX)
Low Speed Bus - 2 of 3
Figure 4:

High Speed Bus - 1 of 4 (except MEX)


Object Number: 1915406  Size: FS
Master Electrical Component List
Data Link Communications Description and Operation
Control Module References
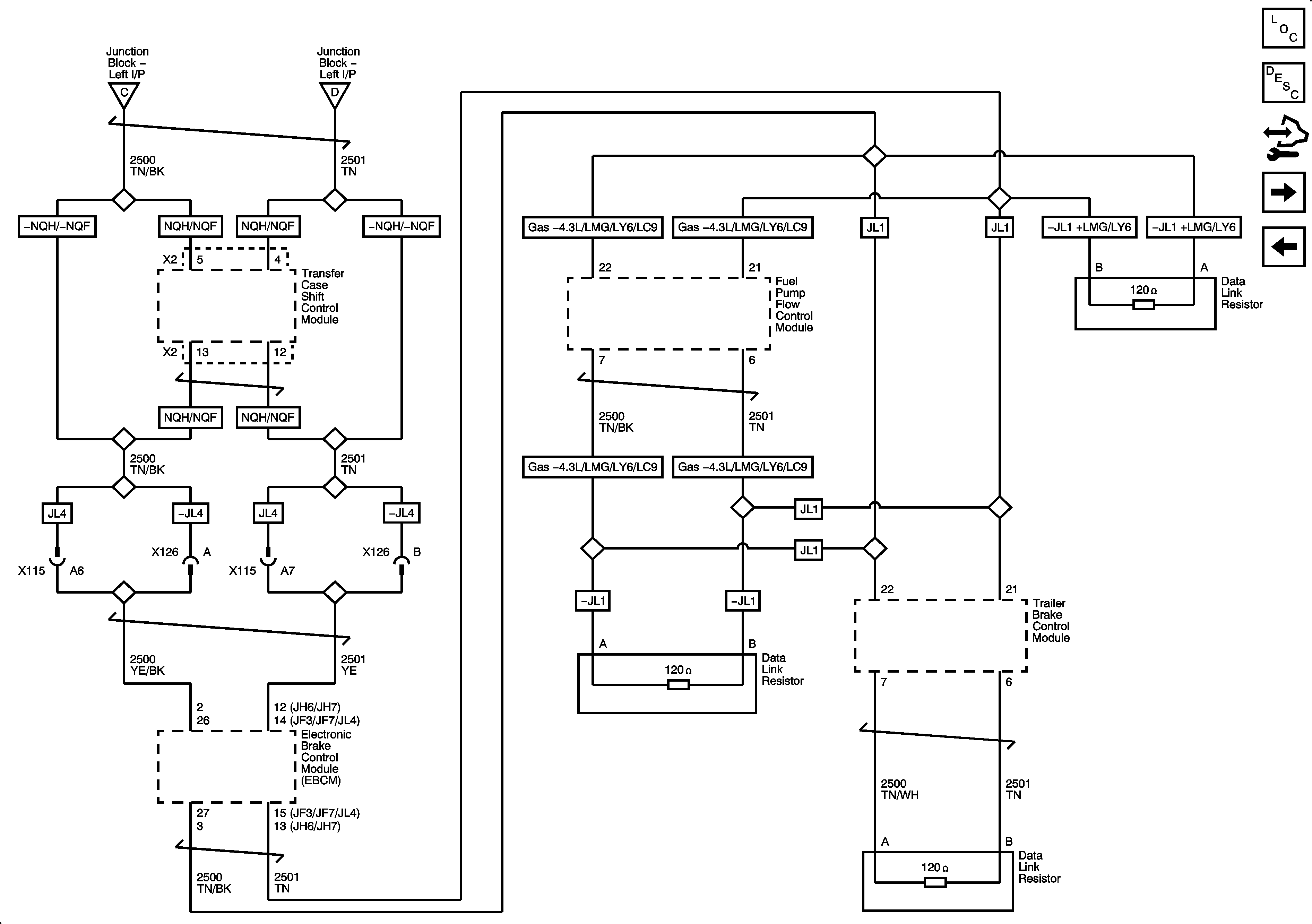
High Speed Bus - 2 of 4 (except MEX)
Low Speed Bus - 3 of 3
Figure 5:

High Speed Bus - 2 of 4 (except MEX)


Object Number: 1915408  Size: FS
Master Electrical Component List
Data Link Communications Description and Operation
Control Module References
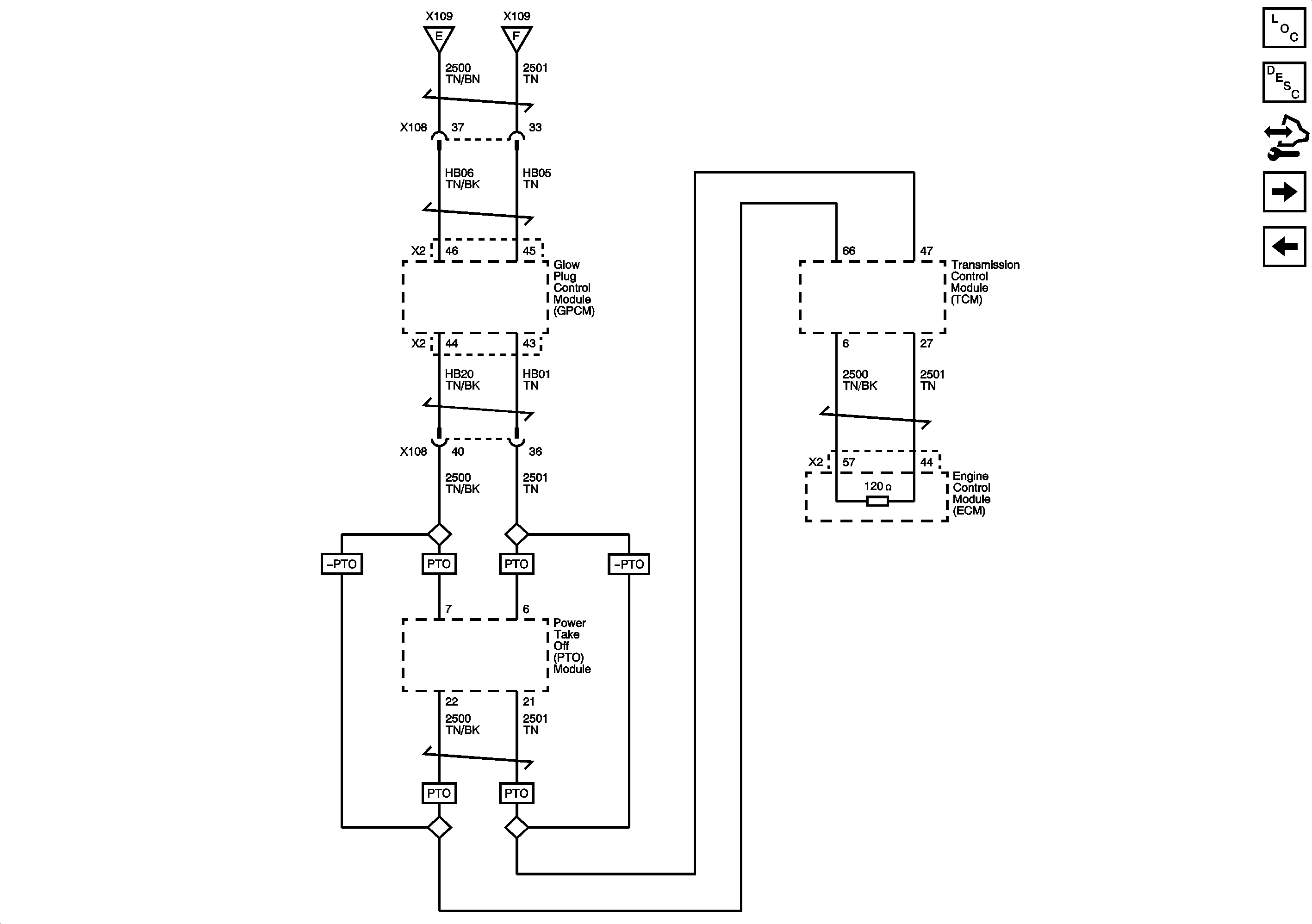
High Speed Bus - 3 of 4 (Diesel)
High Speed Bus - 1 of 4 (except MEX)
Figure 6:

High Speed Bus - 3 of 4 (Diesel)


Object Number: 1915412  Size: FS
Master Electrical Component List
Data Link Communications Description and Operation
Control Module References
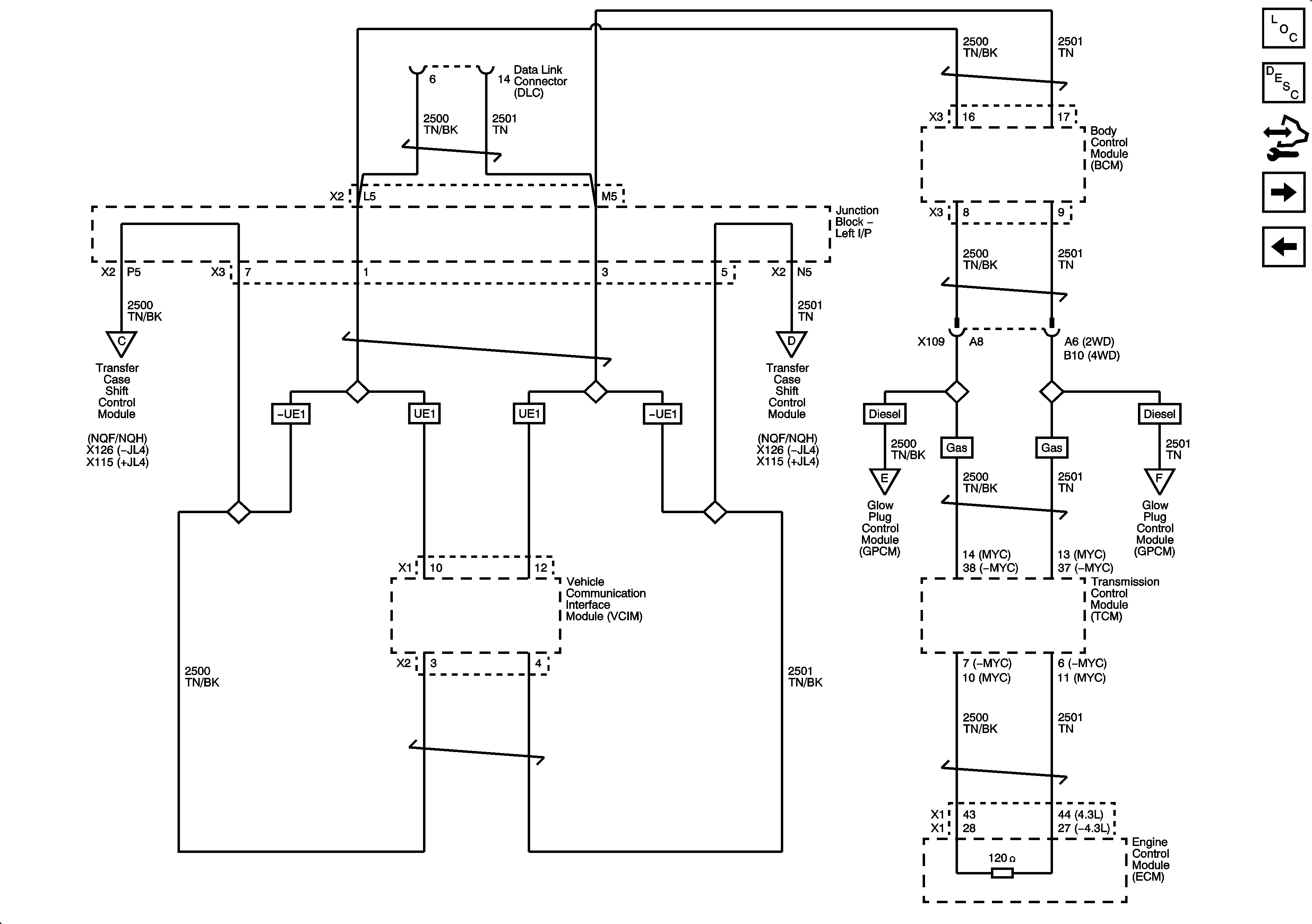
Hight Speed Bus - 4 of 4 (MEX)
High Speed Bus - 2 of 4 (except MEX)
Figure 7:

High Speed Bus - 4 of 4 (MEX)


Object Number: 2050580  Size: FS
Master Electrical Component List
Data Link Communications Description and Operation
Control Module References
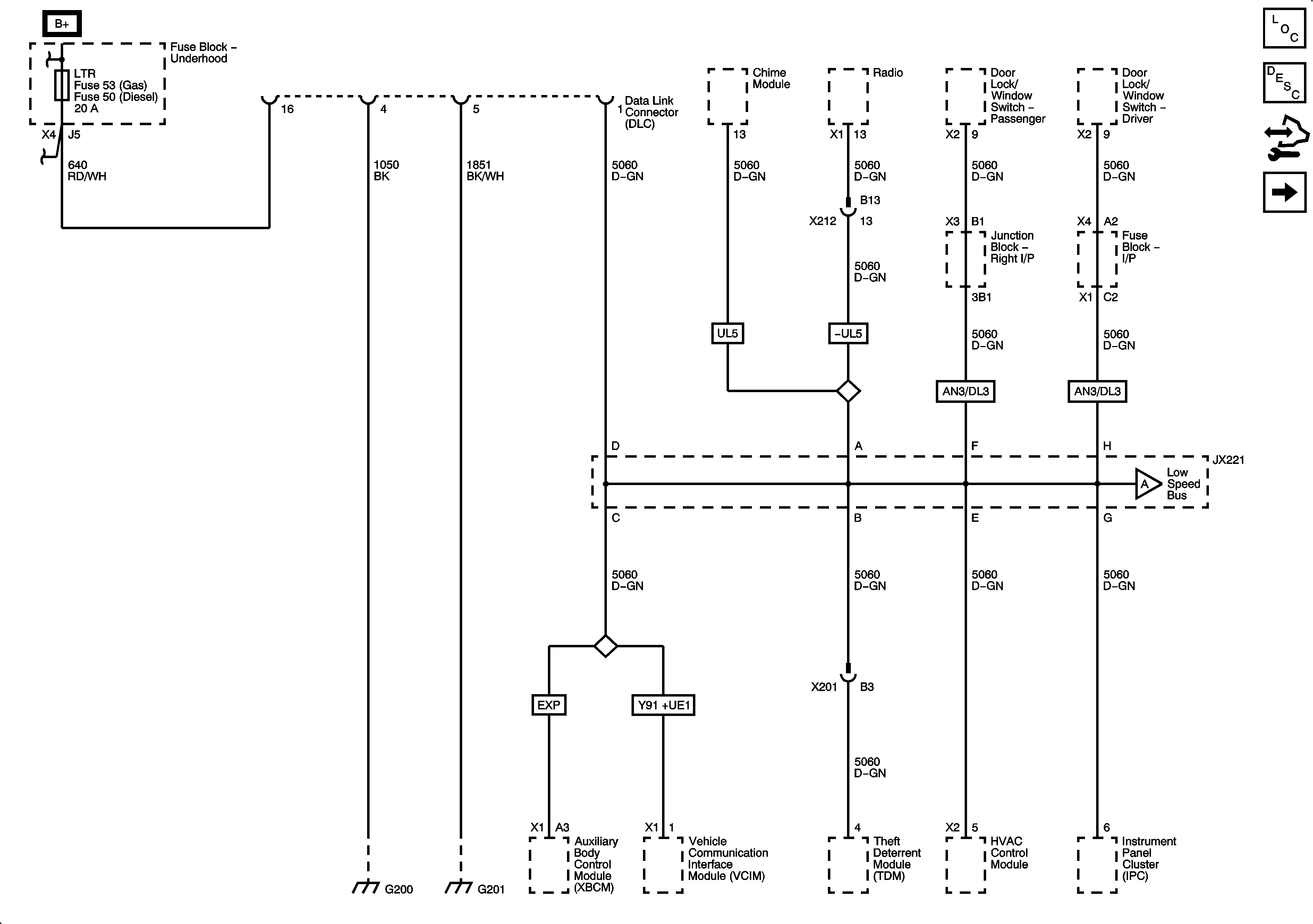
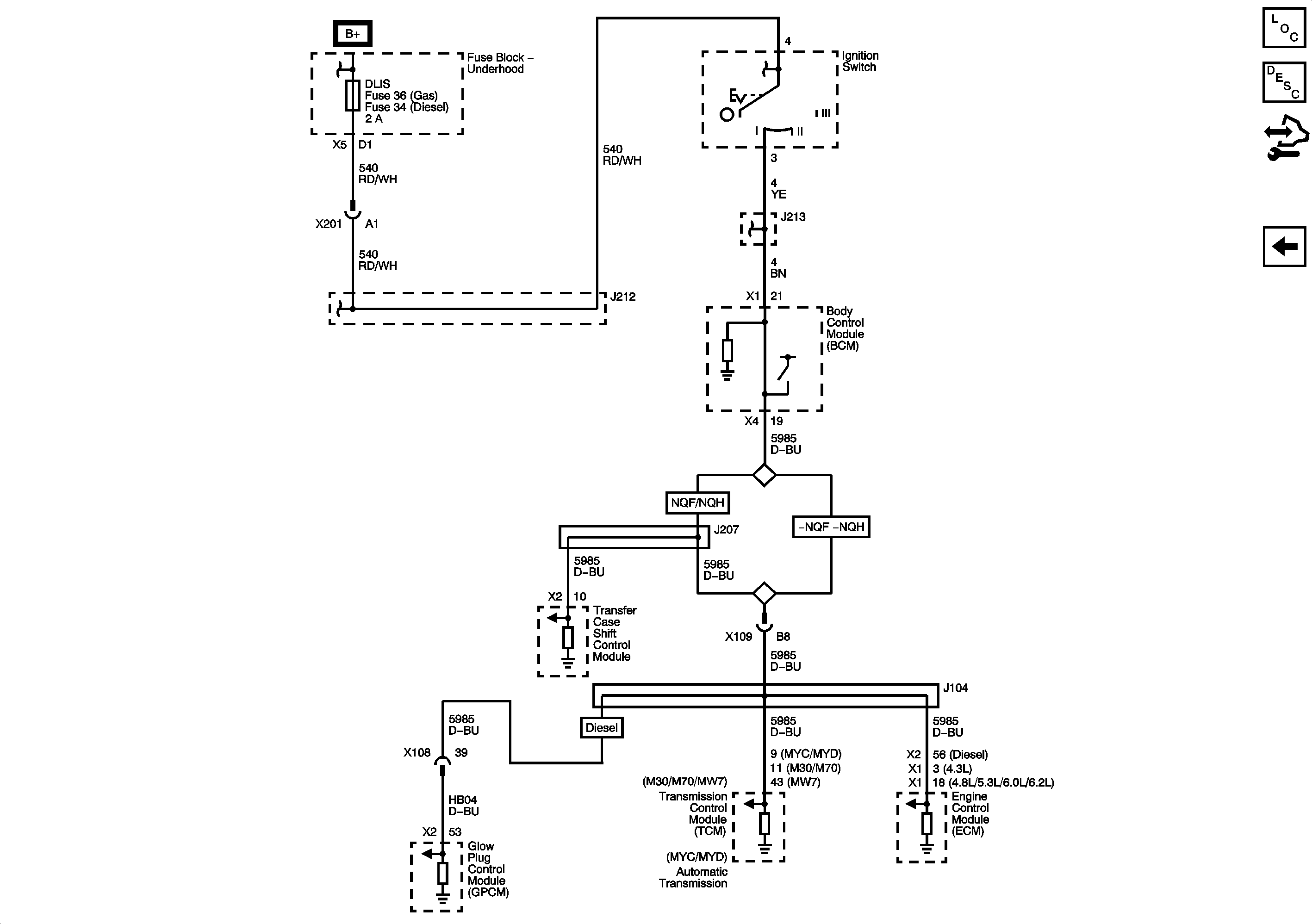
Serial Data Communication Enable
High Speed Bus - 3 of 4 (Diesel)
Figure 8:

Serial Data Communication Enable


Object Number: 1916267  Size: FS
Master Electrical Component List
Data Link Communications Description and Operation
Control Module References
Accessory Wakeup Serial Data
Hight Speed Bus - 4 of 4 (MEX)
Figure 9:

Accessory Wakeup Serial Data


Object Number: 1916286  Size: FS
Master Electrical Component List
Data Link Communications Description and Operation
Control Module References
Serial Data Communication Enable