GM Service Manual Online
For 1990-2009 cars only
Makes
🢒
Chevrolet
🢒
2008
🢒
Silverado - 4WD
🢒
Diagnostic Navigation
🢒
Vehicle Diagnostic Information
🢒 Power Moding Schematics
Figure
1:
Ignition I Voltage and 12-Volt Reference
Master Electrical Component List
Power Mode Description and Operation
Control Module References
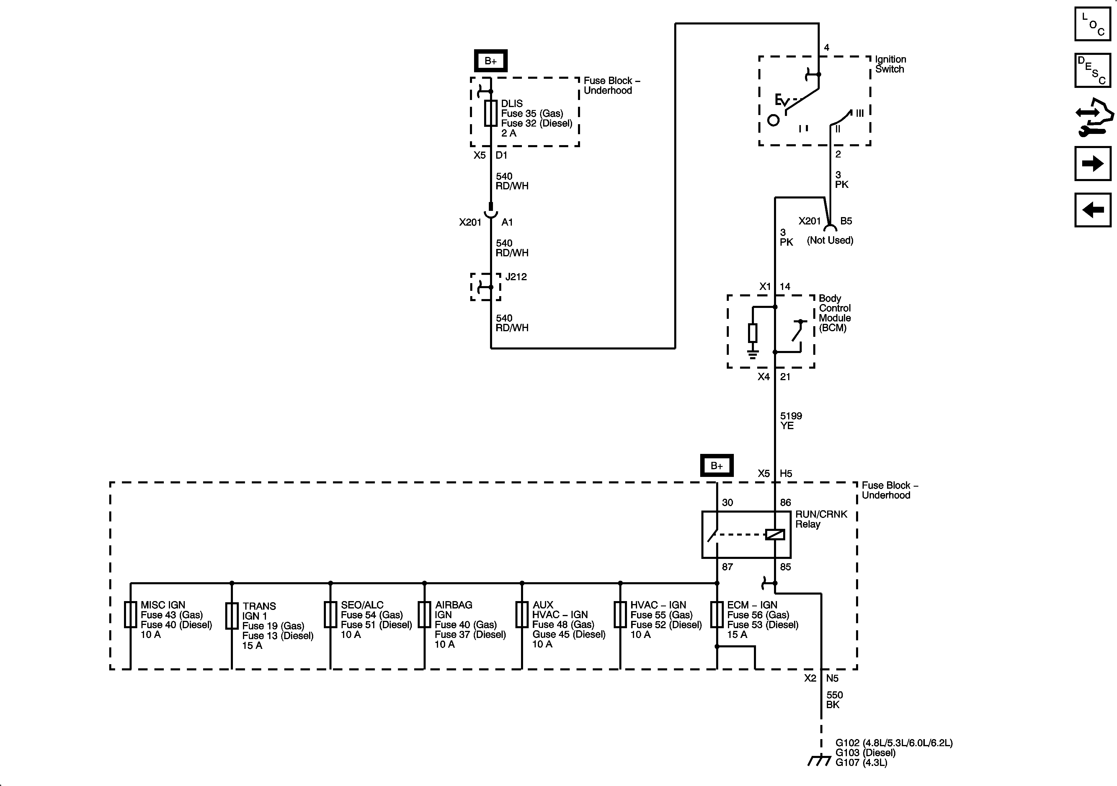
Ignition II/III Voltage
Figure
2:
Ignition II/III Voltage
Master Electrical Component List
Power Mode Description and Operation
Control Module References
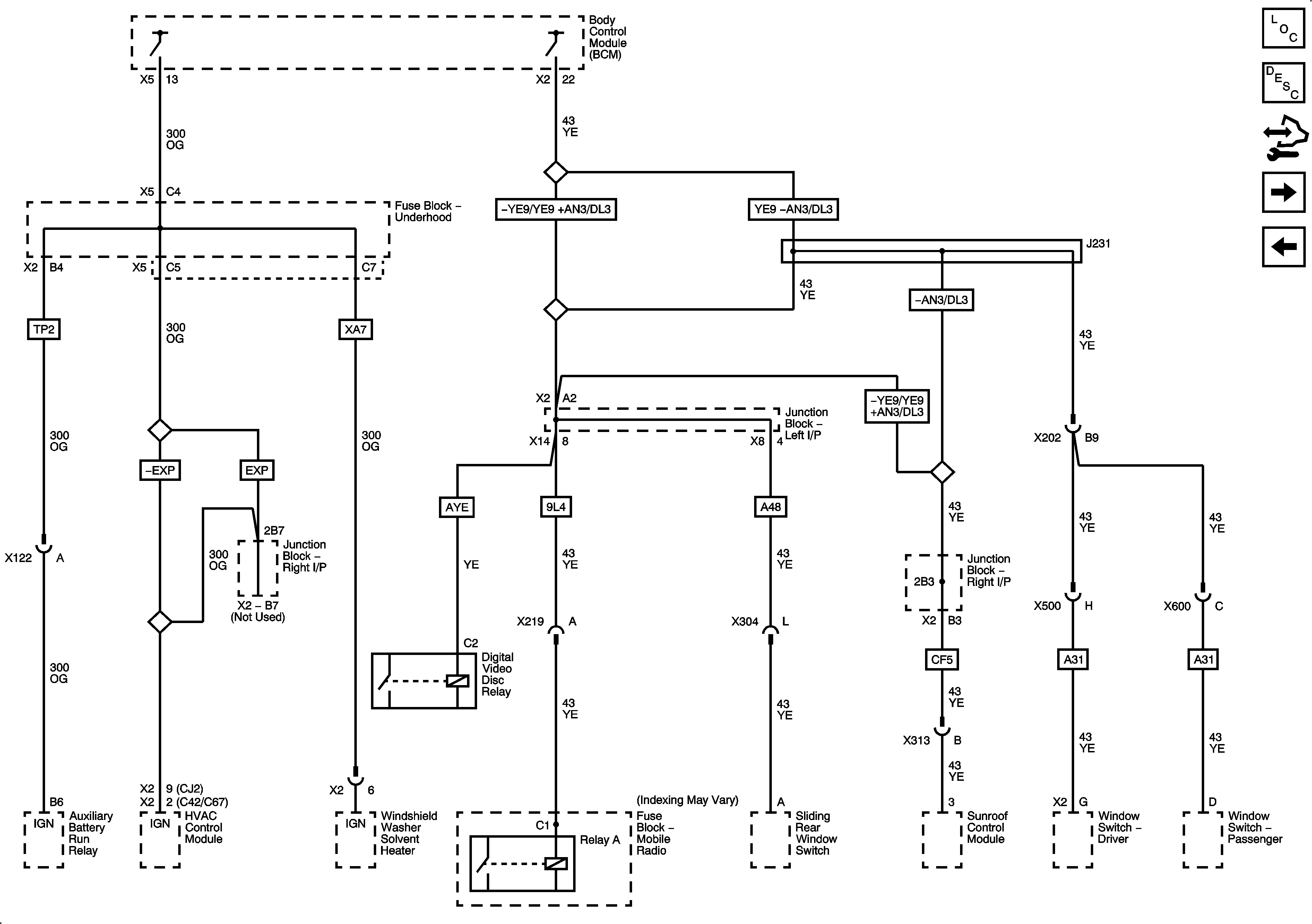
Ignition III Voltage and Accessory Voltage
Ignition I Voltage and 12-Volt Reference
Figure
3:
Ignition III Voltage and Accessory Voltage
Master Electrical Component List
Power Mode Description and Operation
Control Module References
Serial Data Communication Enable
Ignition II/III Voltage