GM Service Manual Online
For 1990-2009 cars only
Figure 1:

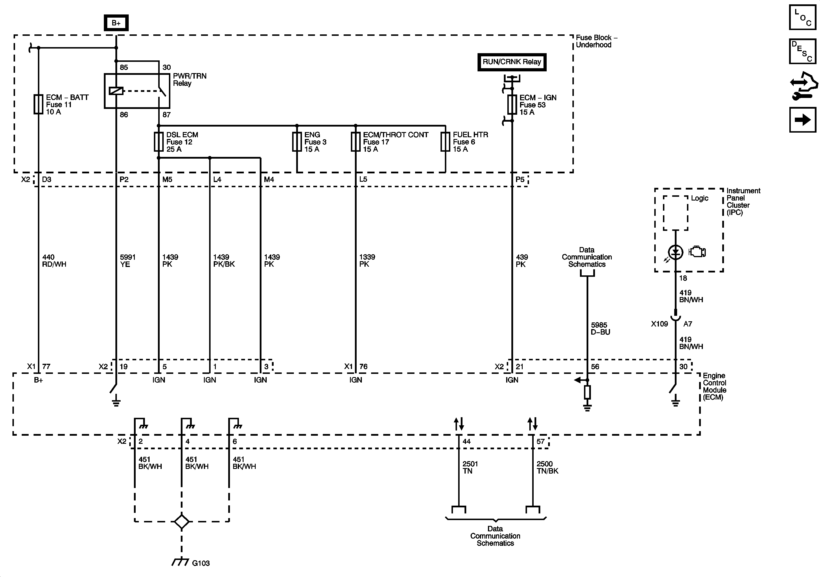
Module Power, Ground, Serial Data and MIL


Object Number: 1915321  Size: FS
Master Electrical Component List
Engine Control Module Description
Control Module References
Engine Data Sensors - 5-Volt and Low Reference - 1 of 2
Figure 2:

Engine Data Sensors - 5-Volt and Low References - 1 of 2


Object Number: 1915325  Size: FS
Master Electrical Component List
Engine Control Module Description
Control Module References
5-Volt and Low Reference - 2 of 2
Module Power, Ground and Serial Data
Figure 3:

Engine Data Sensors - 5-Volt and Low References - 2 of 2


Object Number: 1915328  Size: FS
Master Electrical Component List
Engine Control Module Description
Control Module References
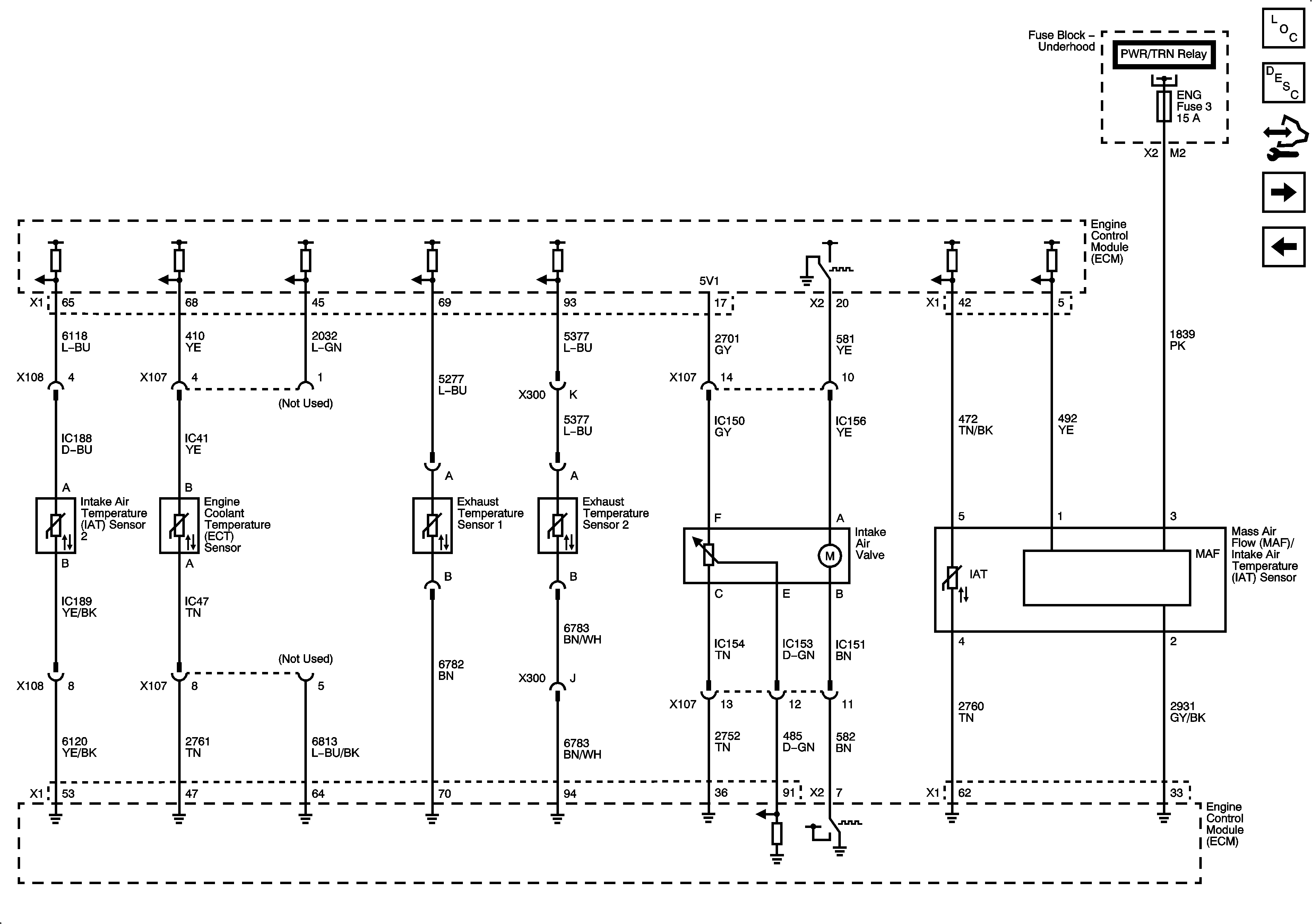
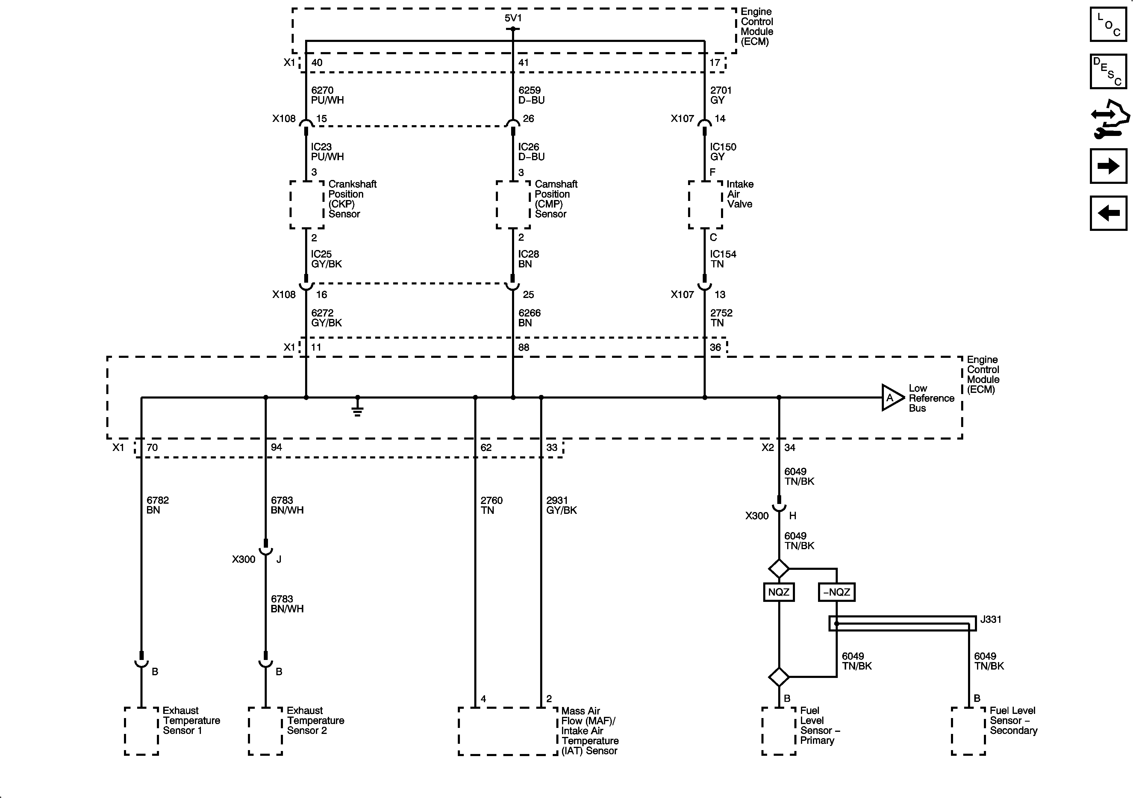
Engine Data Sensors - Temperature and MAF
Engine Data Sensors - 5-Volt and Low Reference - 1 of 2
Figure 4:

Engine Data Sensors - Temperature and MAF


Object Number: 1915330  Size: FS
Master Electrical Component List
Engine Control Module Description
Control Module References
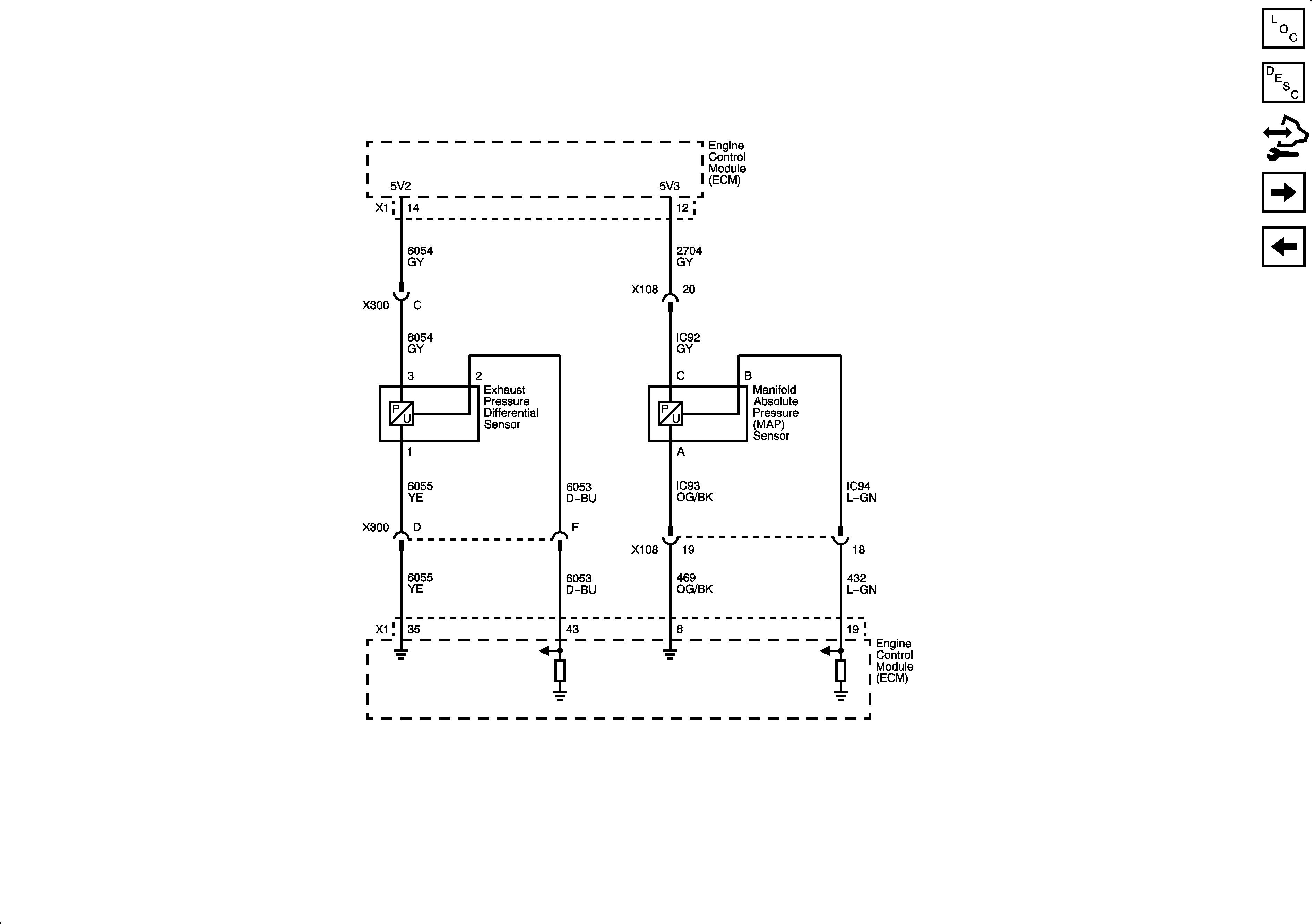
Engine Data Sensors - Pressure
5-Volt and Low Reference - 2 of 2
Figure 5:

Engine Data Sensors - Pressure


Object Number: 1915333  Size: FS
Master Electrical Component List
Engine Control Module Description
Control Module References
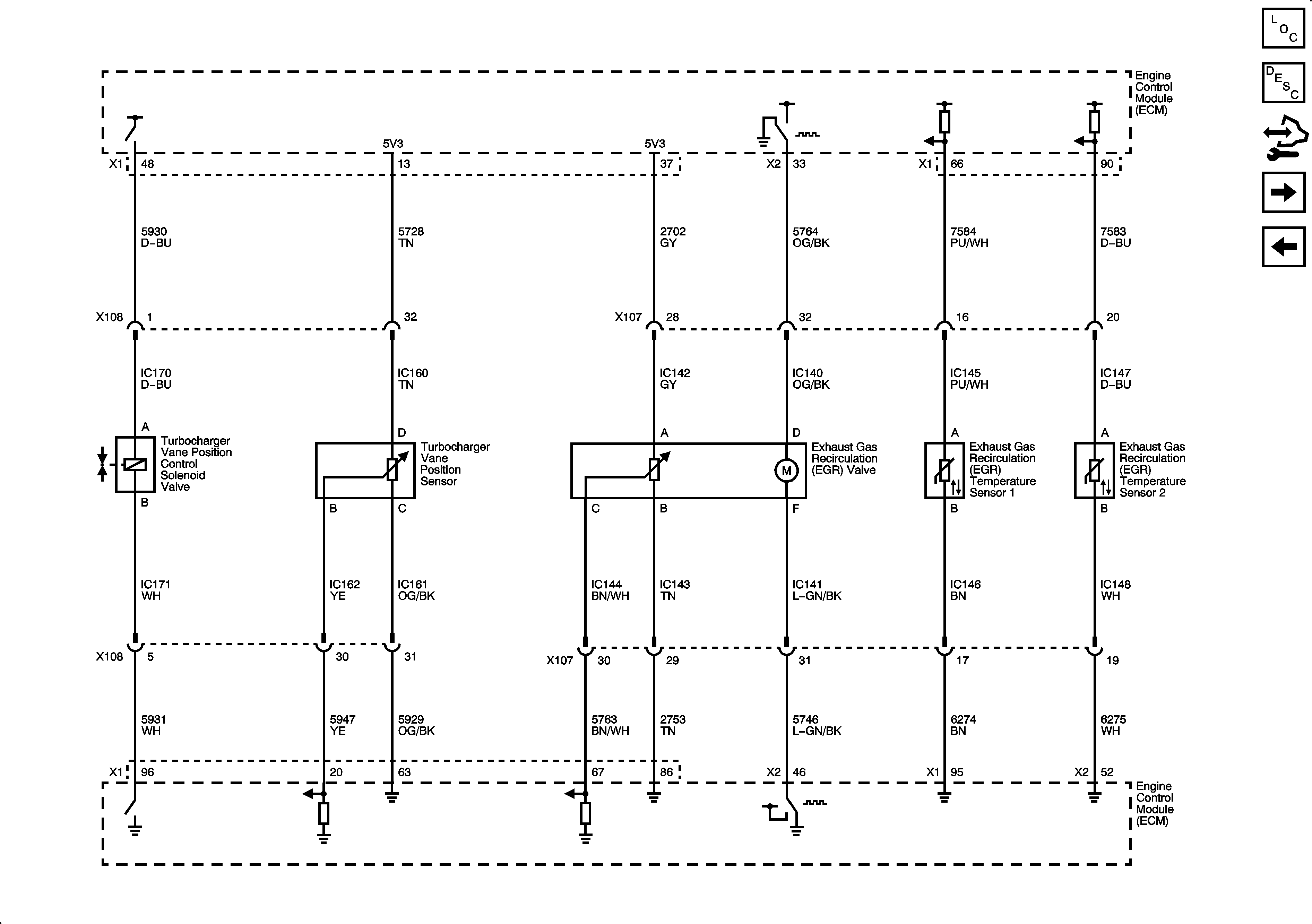
EGR and Turbocharger Controls
Engine Data Sensors - Temperature and MAF
Figure 6:

EGR and Turbocharger Controls


Object Number: 1915336  Size: FS
Master Electrical Component List
Turbocharger System Description
Control Module References
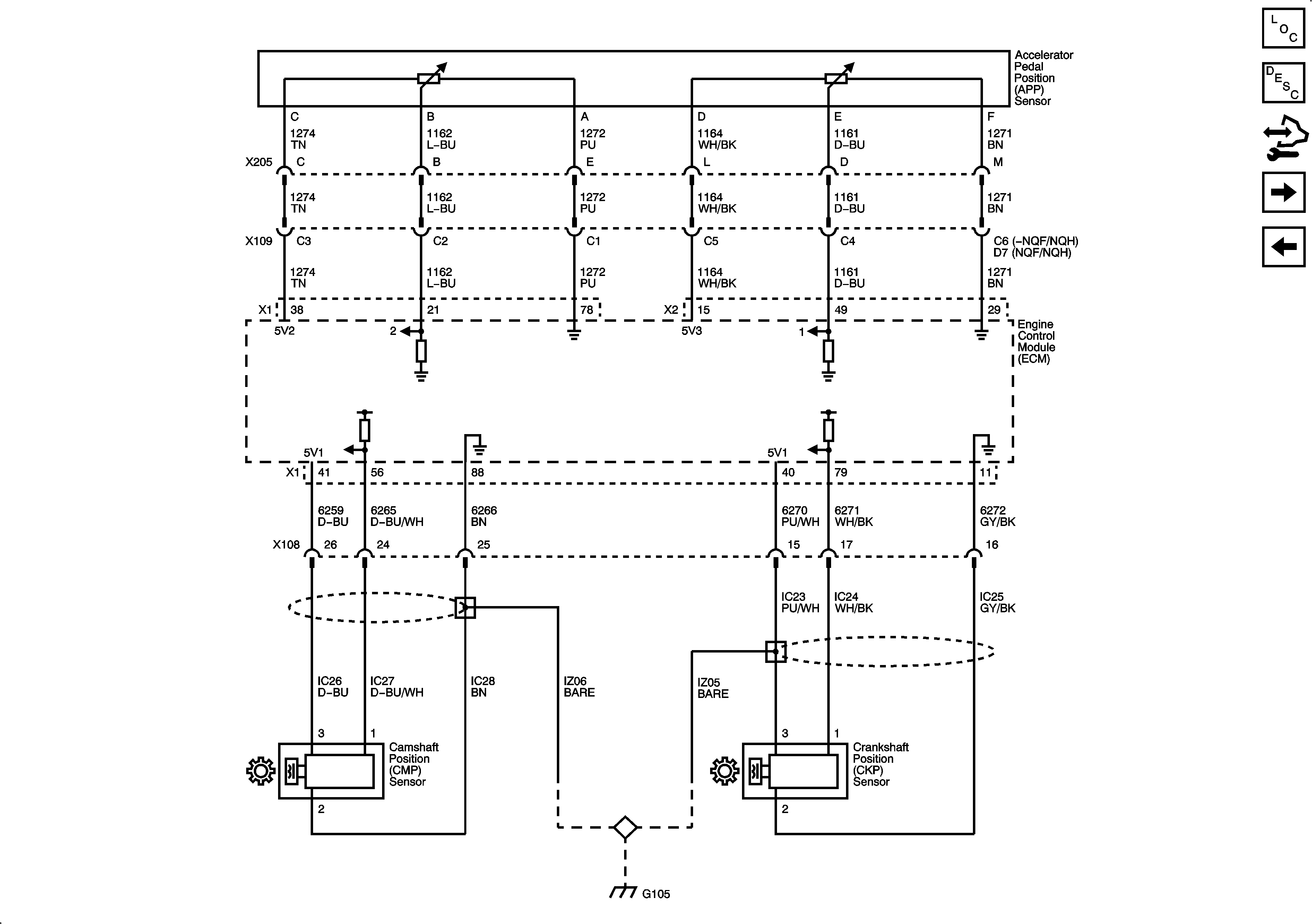
Pedal Position and Injector Timing
Engine Data Sensors - Pressure
Figure 7:

Pedal Position and Injector Timing


Object Number: 1915340  Size: FS
Master Electrical Component List
Fuel System Description
Control Module References
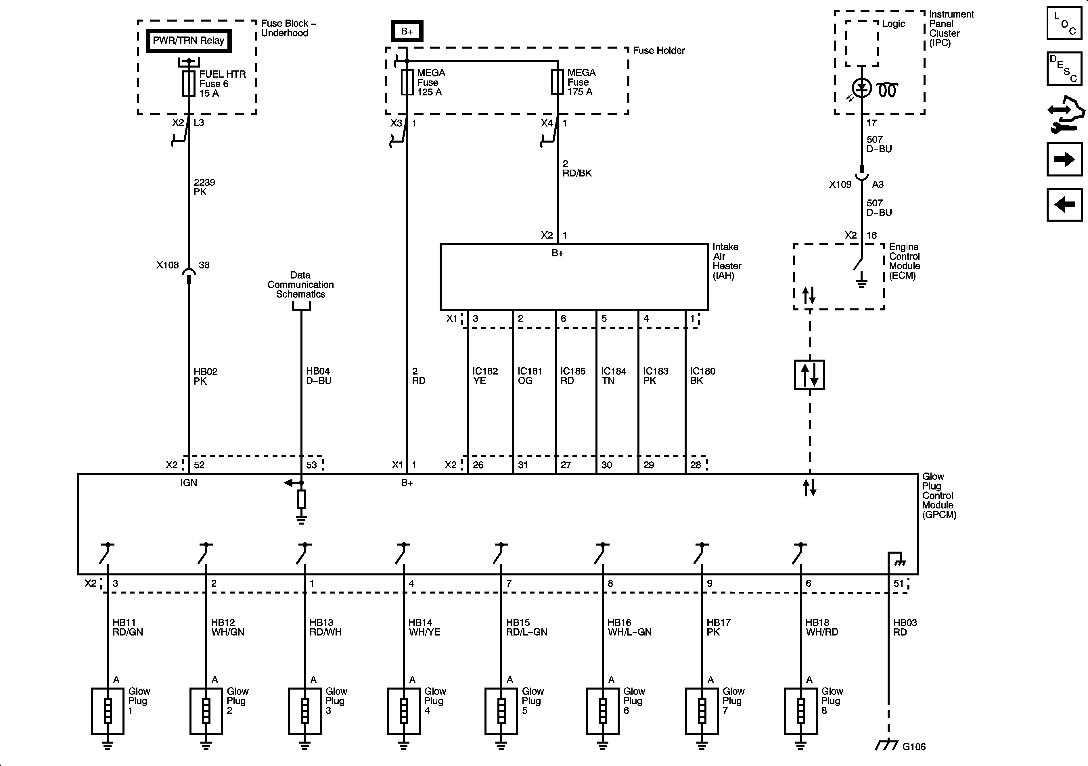
Engine Data Sensors - Glow Plug Controls and Intake Air Heater
EGR and Turbocharger Controls
Figure 8:

Engine Data Sensors - Glow Plug Controls and Intake Air Heater


Object Number: 1915343  Size: FS
Master Electrical Component List
Glow Plug System Description
Control Module References
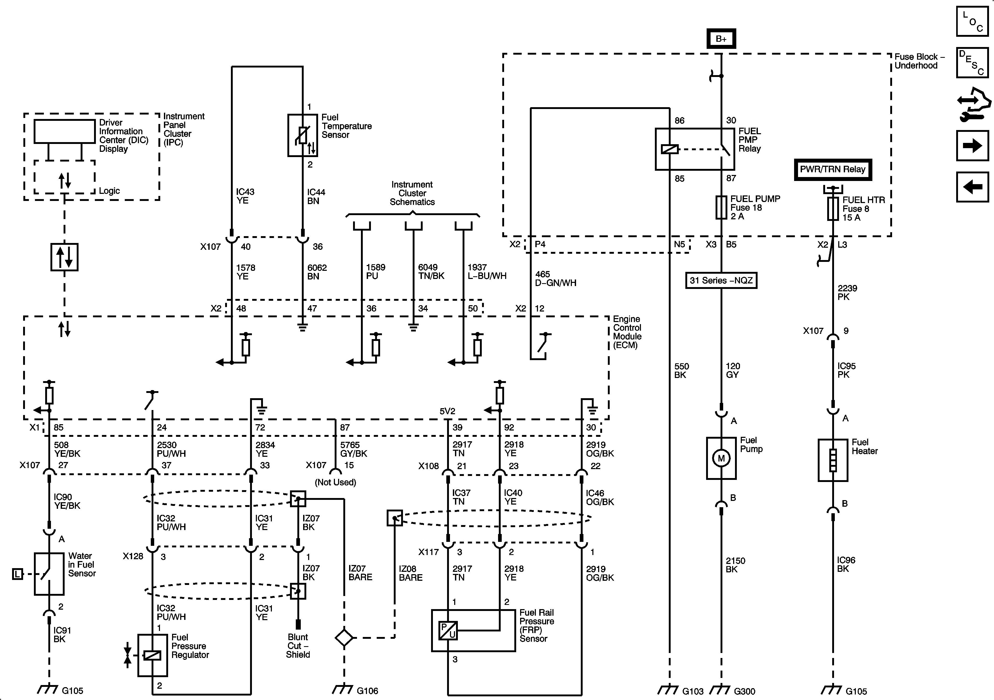
Fuel Controls - Fuel Pump, Temperature and Pressure Controls
Pedal Position and Injector Timing
Figure 9:

Fuel Controls - Fuel Pump, Temperature and Pressure Controls


Object Number: 1915345  Size: FS
Master Electrical Component List
Fuel System Description
Control Module References
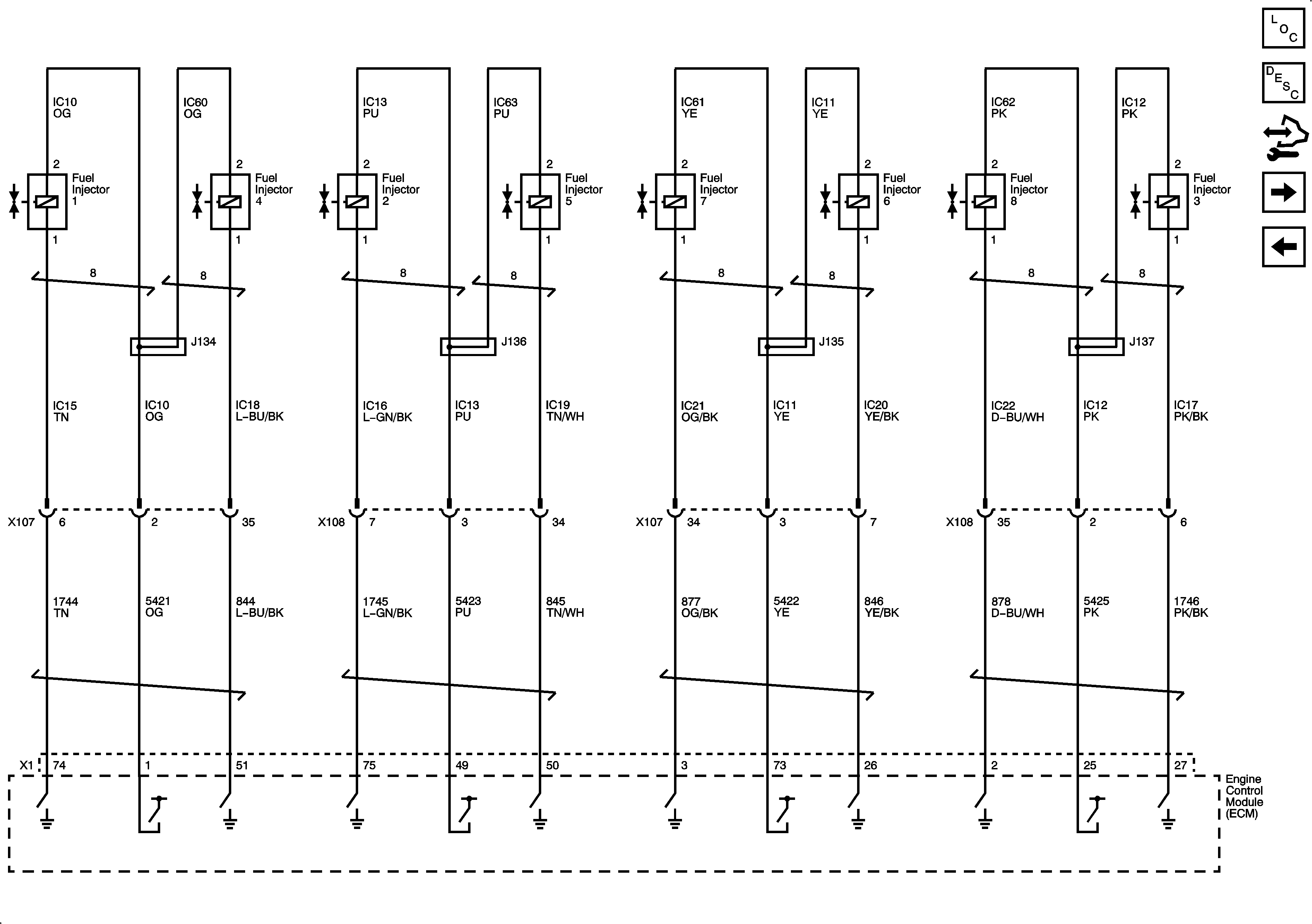
Fuel Controls - Fuel Injectors
Engine Data Sensors - Glow Plug Controls and Intake Air Heater
Figure 10:

Fuel Controls - Fuel Injectors


Object Number: 1915348  Size: FS
Master Electrical Component List
Fuel System Description
Control Module References
Controlled/Monitored Subsystem References
Fuel Controls - Fuel Pump, Temperature and Pressure Controls
Figure 11:

Controlled/Monitored Subsystem References


Object Number: 1915350  Size: FS
Master Electrical Component List
Engine Control Module Description
Control Module References
Fuel Controls - Fuel Injectors