GM Service Manual Online
For 1990-2009 cars only
Makes
🢒
Chevrolet
🢒
2008
🢒
Silverado - 4WD
🢒
Diagnostic Navigation
🢒
Vehicle Diagnostic Information
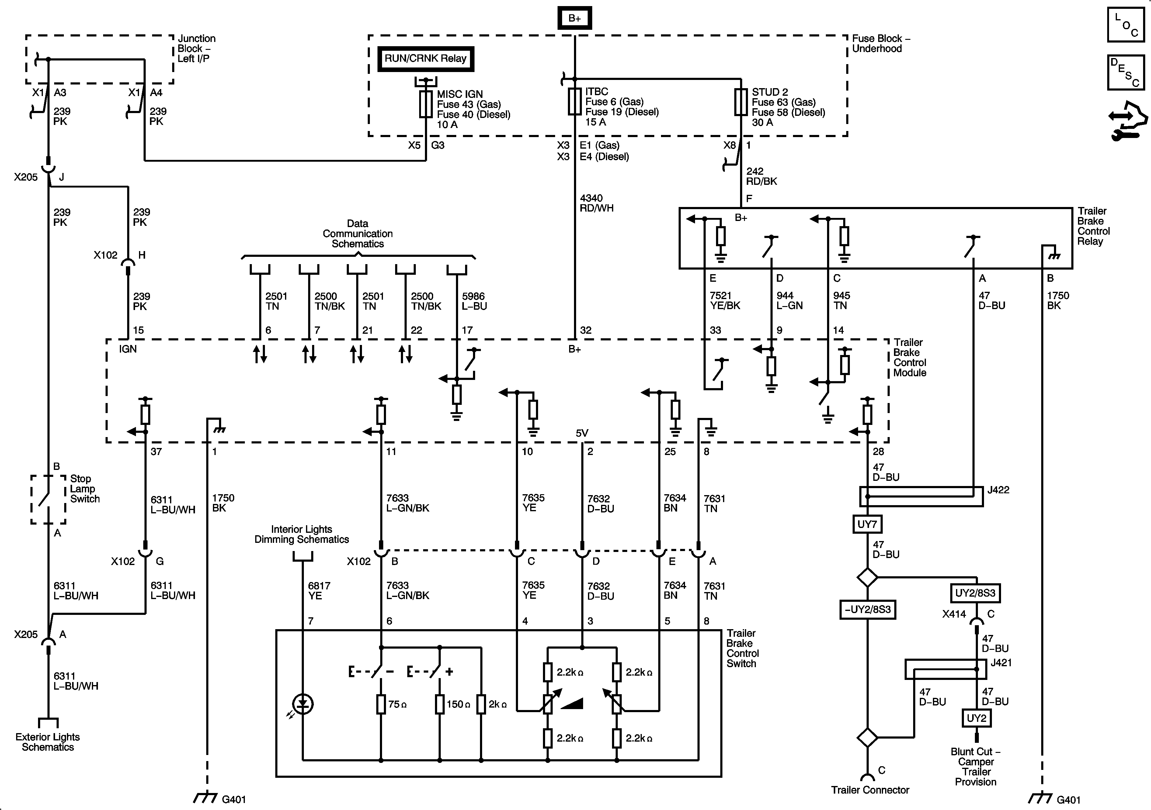
🢒 Trailer Brake Control Schematics
Master Electrical Component List
Trailer Brake Controls Description and Operation
Control Module References