GM Service Manual Online
For 1990-2009 cars only
Makes
🢒
Chevrolet
🢒
2008
🢒
Silverado - 4WD
🢒
Diagnostic Navigation
🢒
Vehicle Diagnostic Information
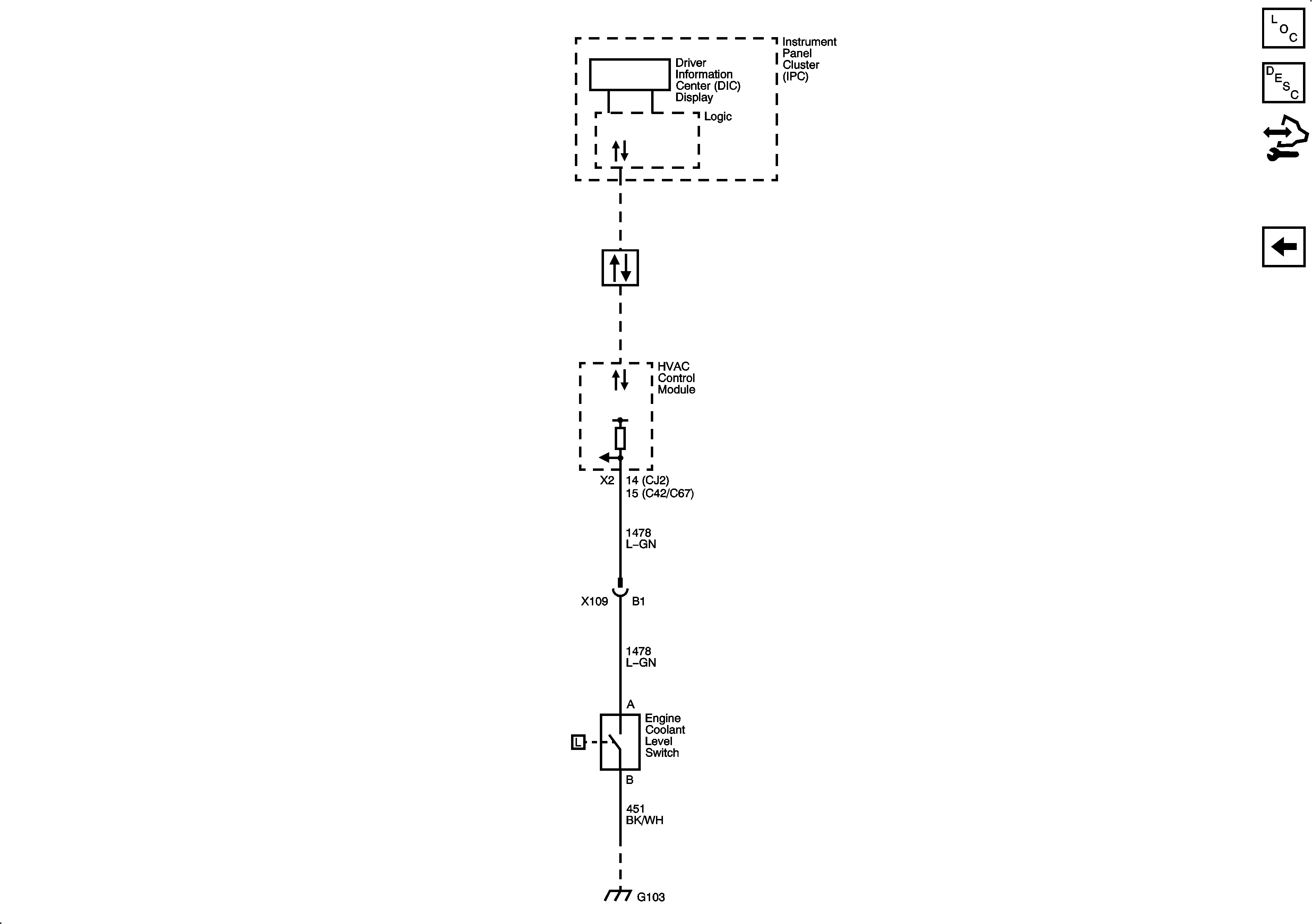
🢒 Engine Cooling Schematics
Figure
1:
Gas
Master Electrical Component List
Cooling System Description and Operation
Control Module References
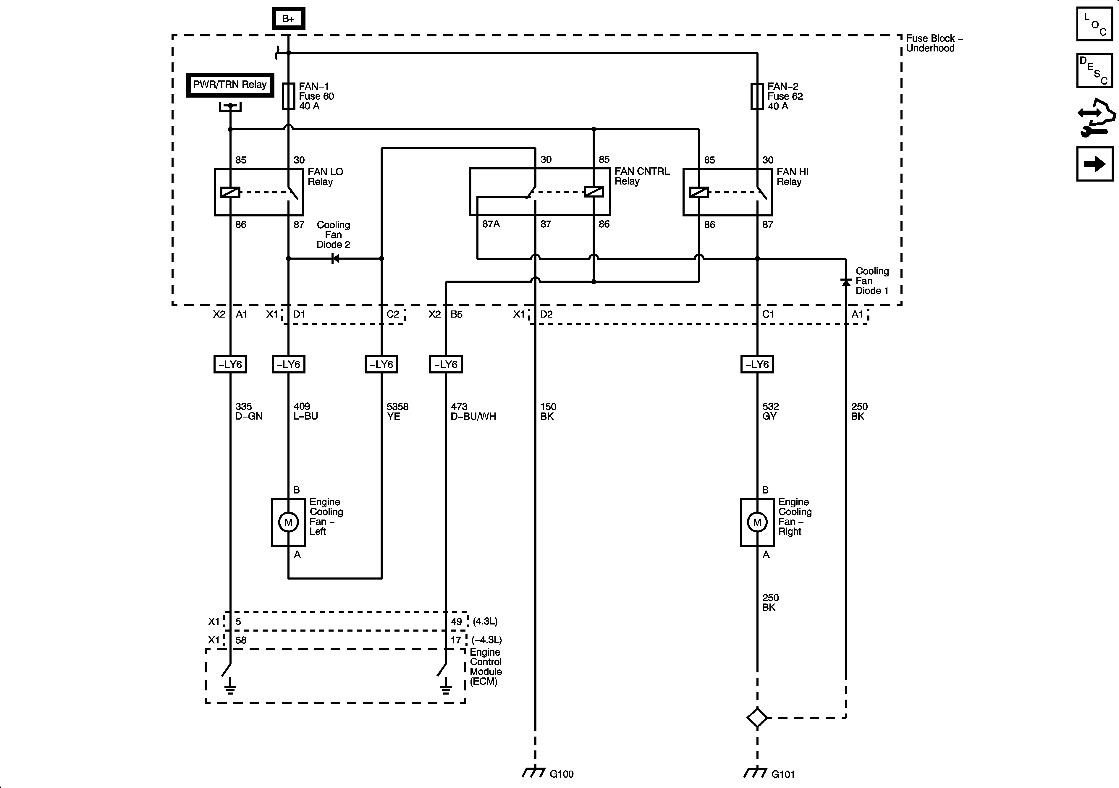
Diesel
Figure
2:
Diesel
Master Electrical Component List
Cooling System Description and Operation
Control Module References
Gas