GM Service Manual Online
For 1990-2009 cars only
Makes
🢒
Chevrolet
🢒
2008
🢒
Silverado - 4WD
🢒
Diagnostic Navigation
🢒
Vehicle Diagnostic Information
🢒 Video System Schematics
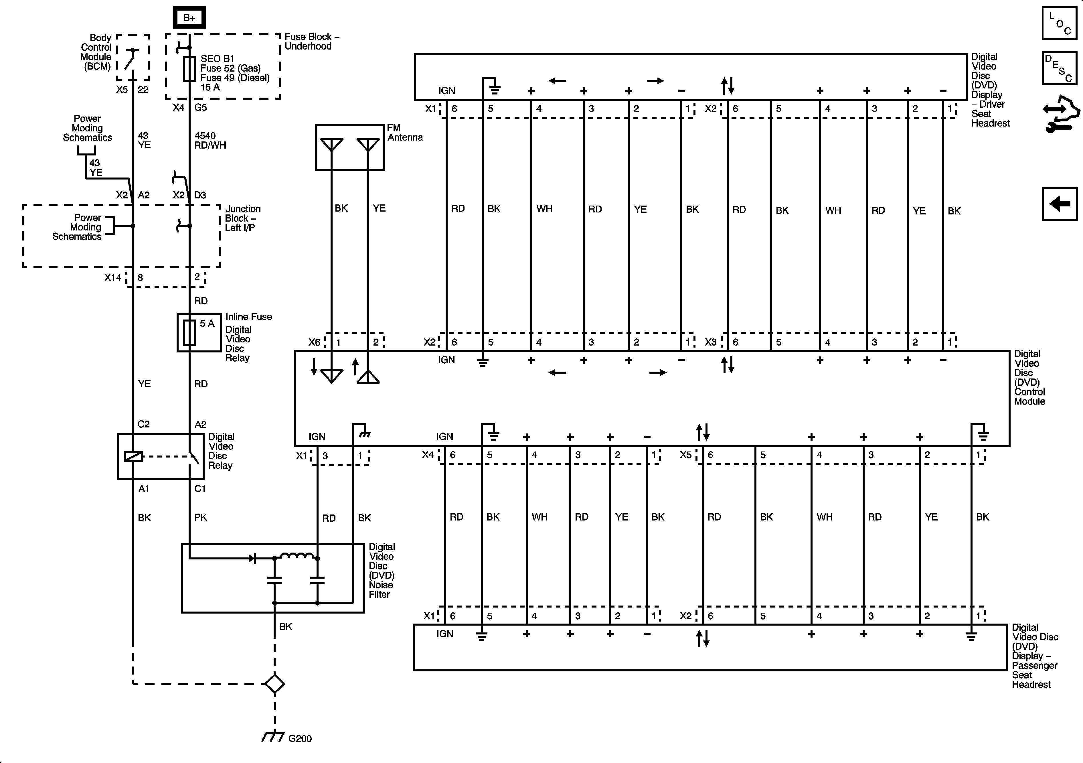
Figure
1:
Display Power, Ground and Video Signals (U42)
Master Electrical Component List
Video Entertainment System Description and Operation (Non-Headrest DVD Systems)
Control Module References
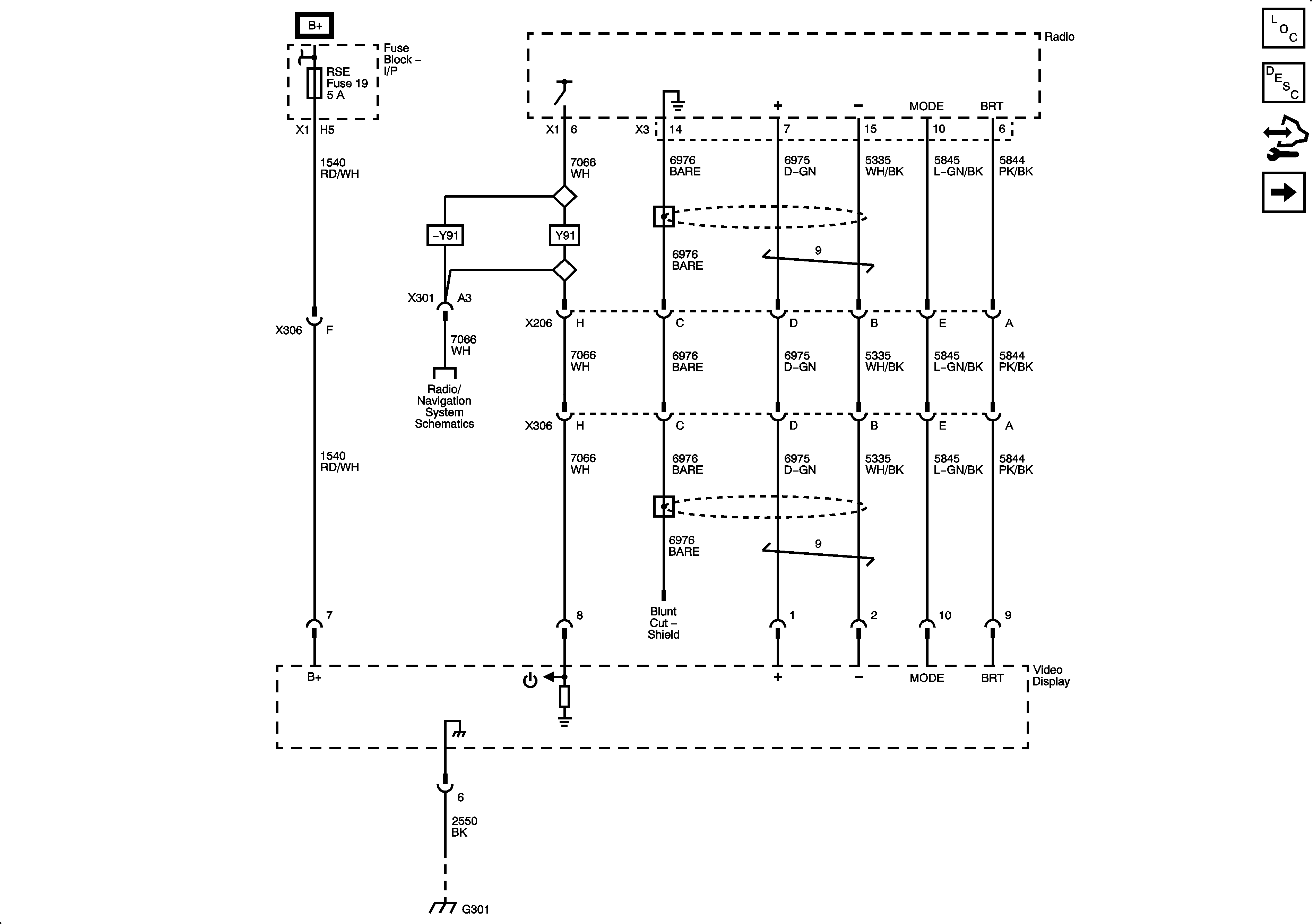
Audio Signals (U42)
Figure
2:
Audio Signals (U42)
Master Electrical Component List
Video Entertainment System Description and Operation (Non-Headrest DVD Systems)
Control Module References
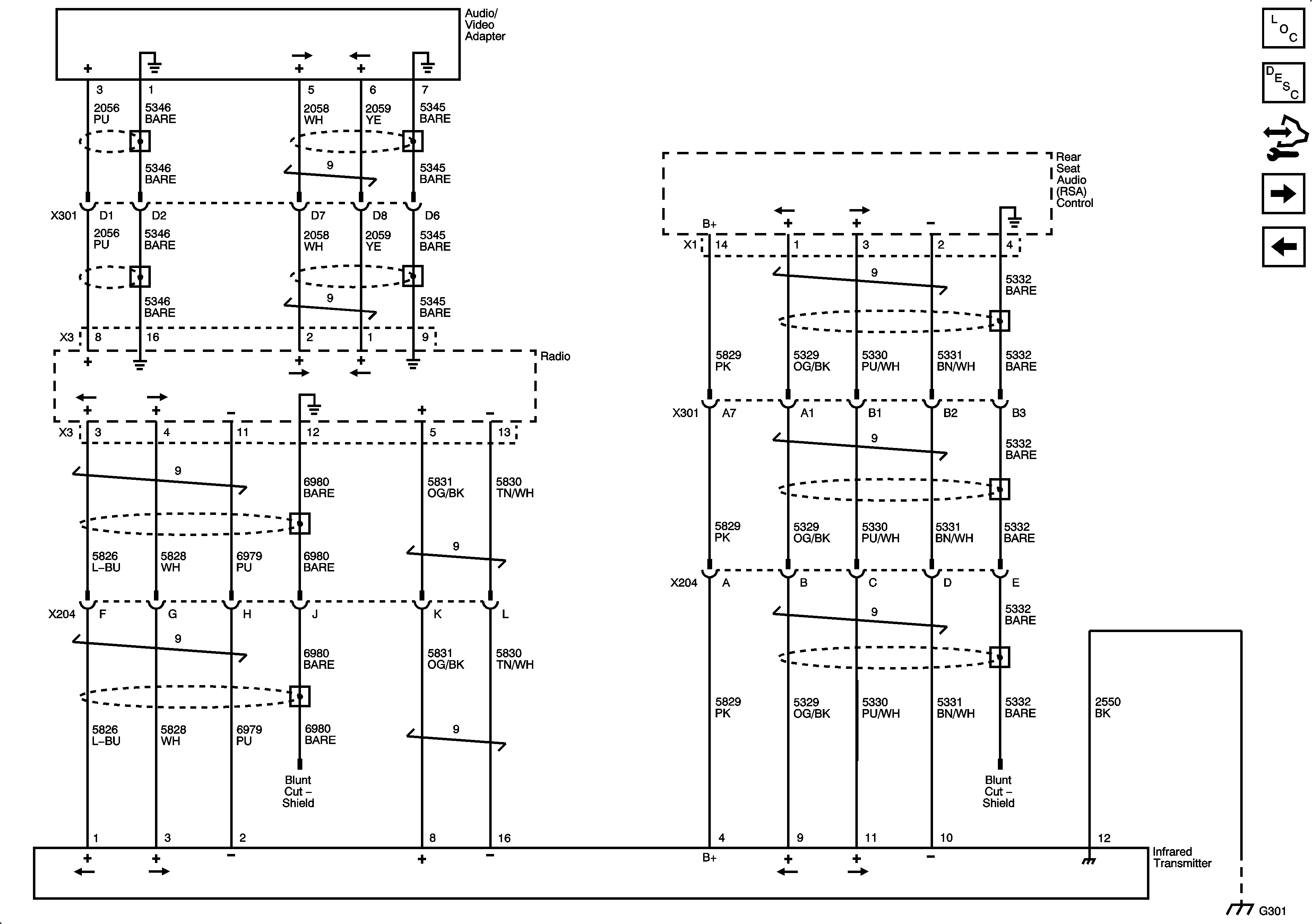
Dual DVD Headrest System (AYE)
Display Power, Ground and Video Signals (U42)
Figure
3:
Dual DVD Headrest System (AYE)
Master Electrical Component List
Video Entertainment System Description and Operation (Non-Headrest DVD Systems)
Control Module References
Audio Signals (U42)