GM Service Manual Online
For 1990-2009 cars only
Makes
🢒
Chevrolet
🢒
2008
🢒
Silverado - 4WD
🢒
Diagnostic Navigation
🢒
Vehicle Diagnostic Information
🢒 HVAC Schematics
Figure
1:
Module Power, Ground, Serial Data and Blower Controls
Master Electrical Component List
Air Temperature Description and Operation
Control Module References
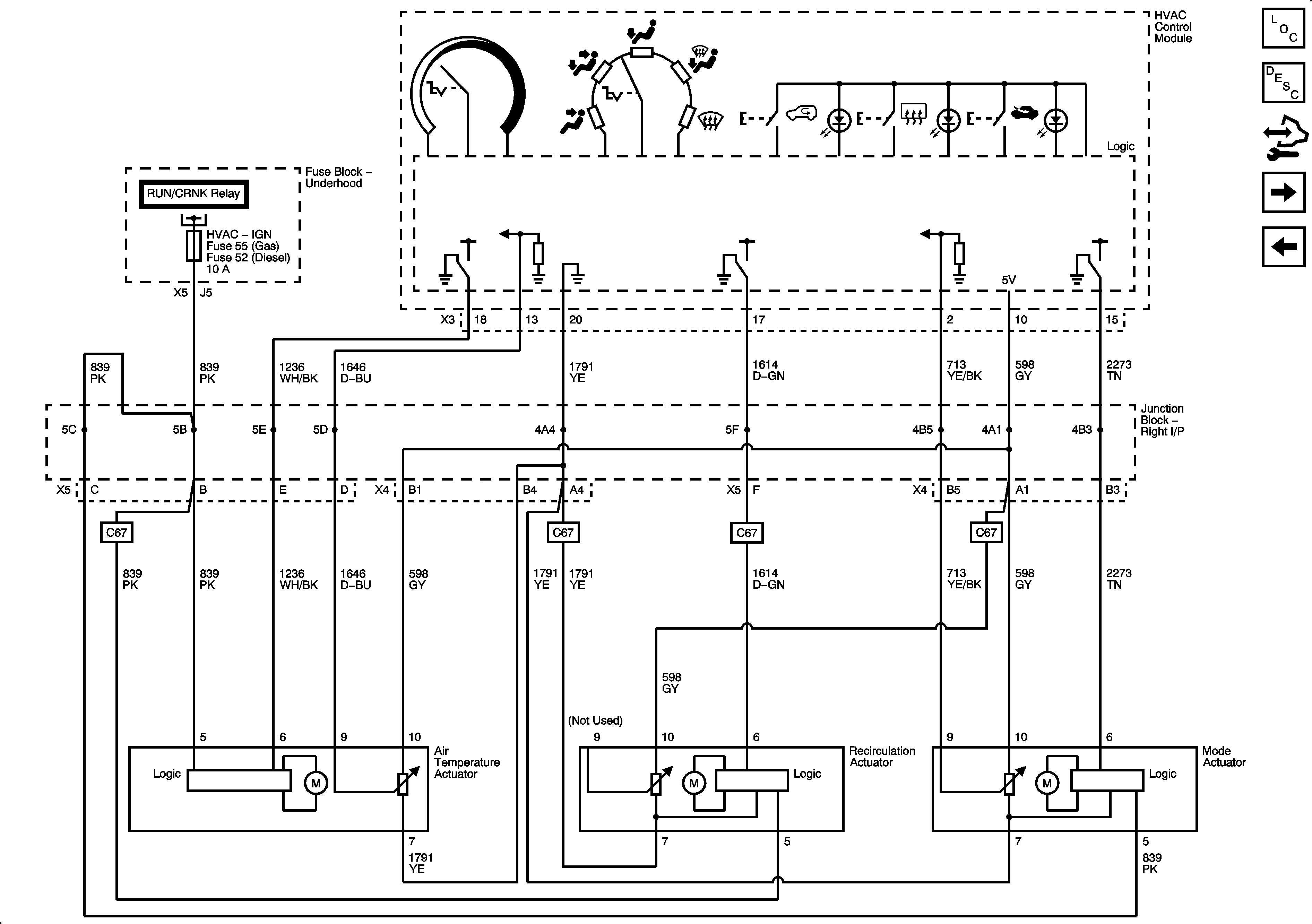
Mode and Temperature Controls
Figure
2:
Mode and Temperature Controls
Master Electrical Component List
Air Temperature Description and Operation
Control Module References
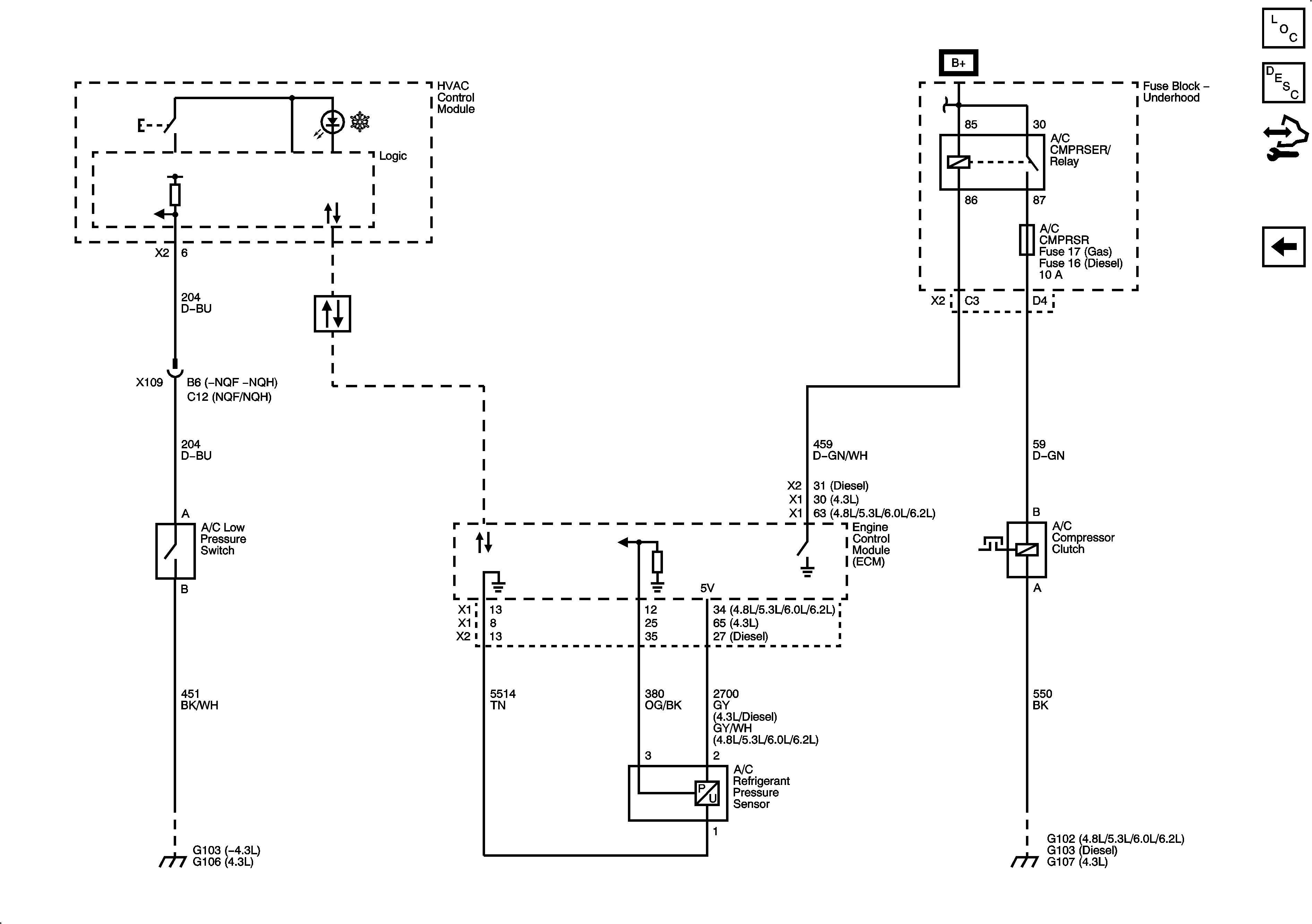
A/C Compressor Controls (C67)
Module Power, Ground, Serial Data and Blower Controls
Figure
3:
A/C Compressor Controls (C67)
Master Electrical Component List
Air Temperature Description and Operation
Control Module References
Mode and Temperature Controls