GM Service Manual Online
For 1990-2009 cars only
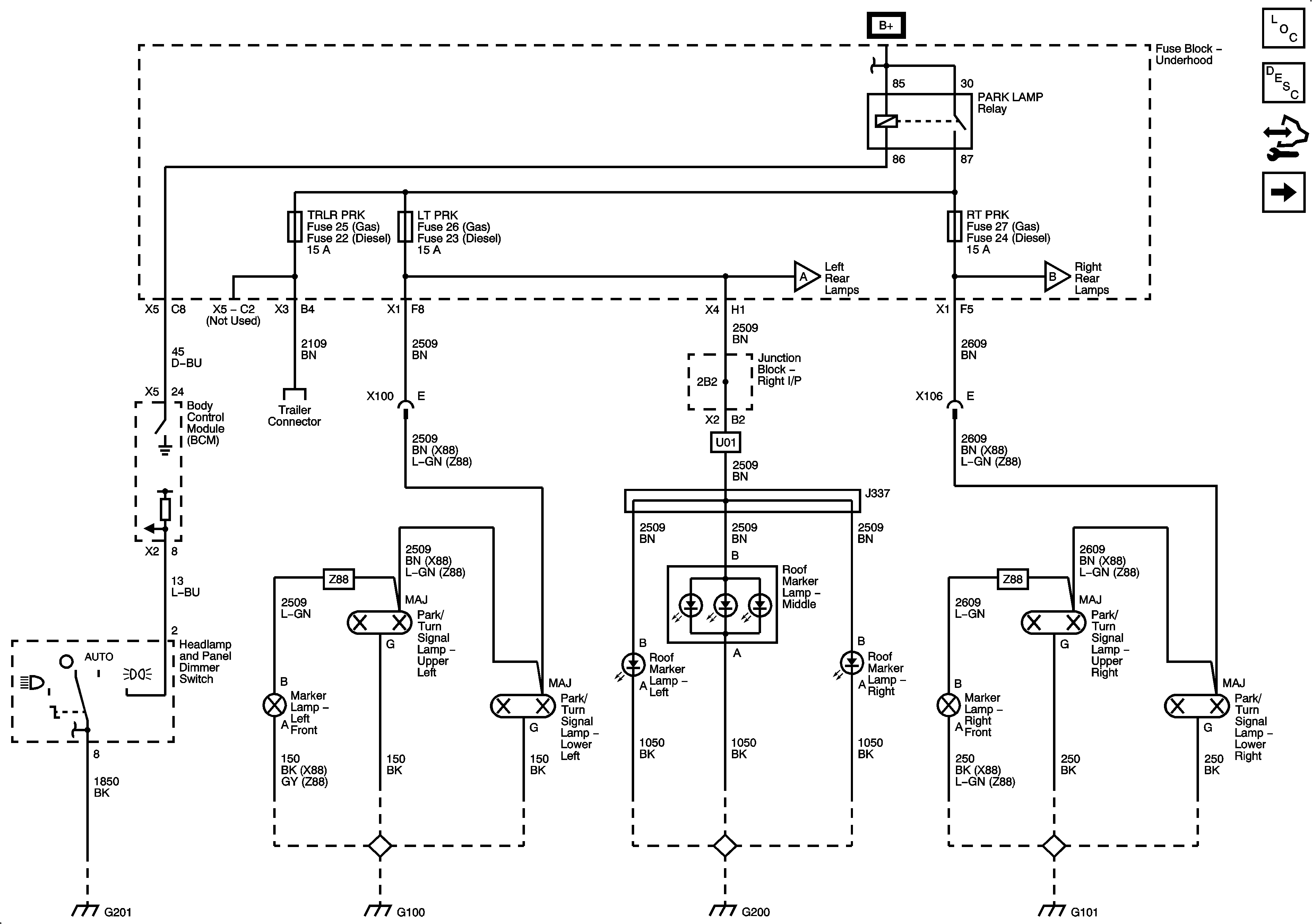
Figure 1:

Park Lamp Controls and Front Park Lamps


Object Number: 1914939  Size: FS
Master Electrical Component List
Exterior Lighting Systems Description and Operation
Control Module References
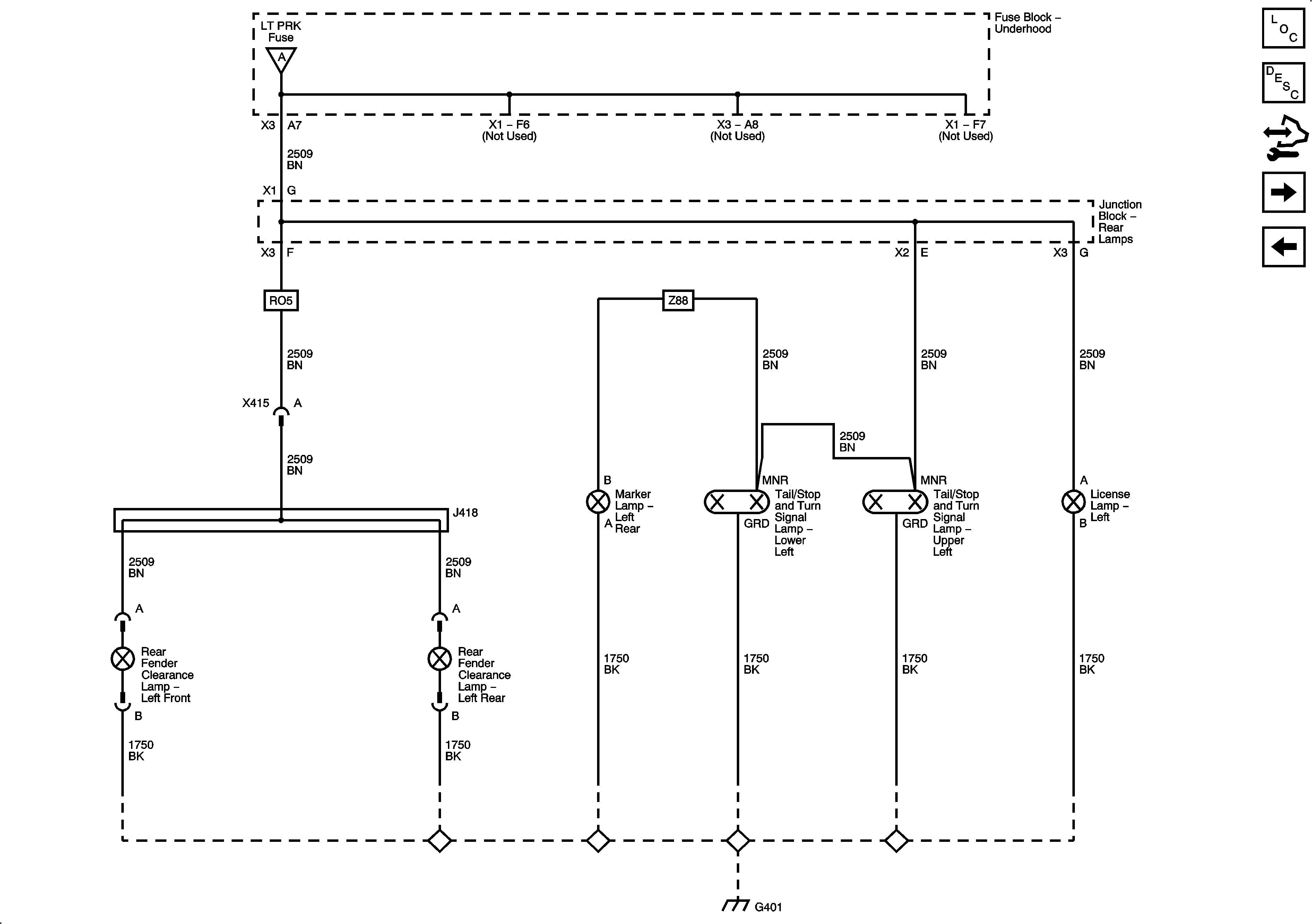
Left Rear Park Lamps
Figure 2:

Left Rear Park Lamps


Object Number: 1914944  Size: FS
Master Electrical Component List
Exterior Lighting Systems Description and Operation
Control Module References
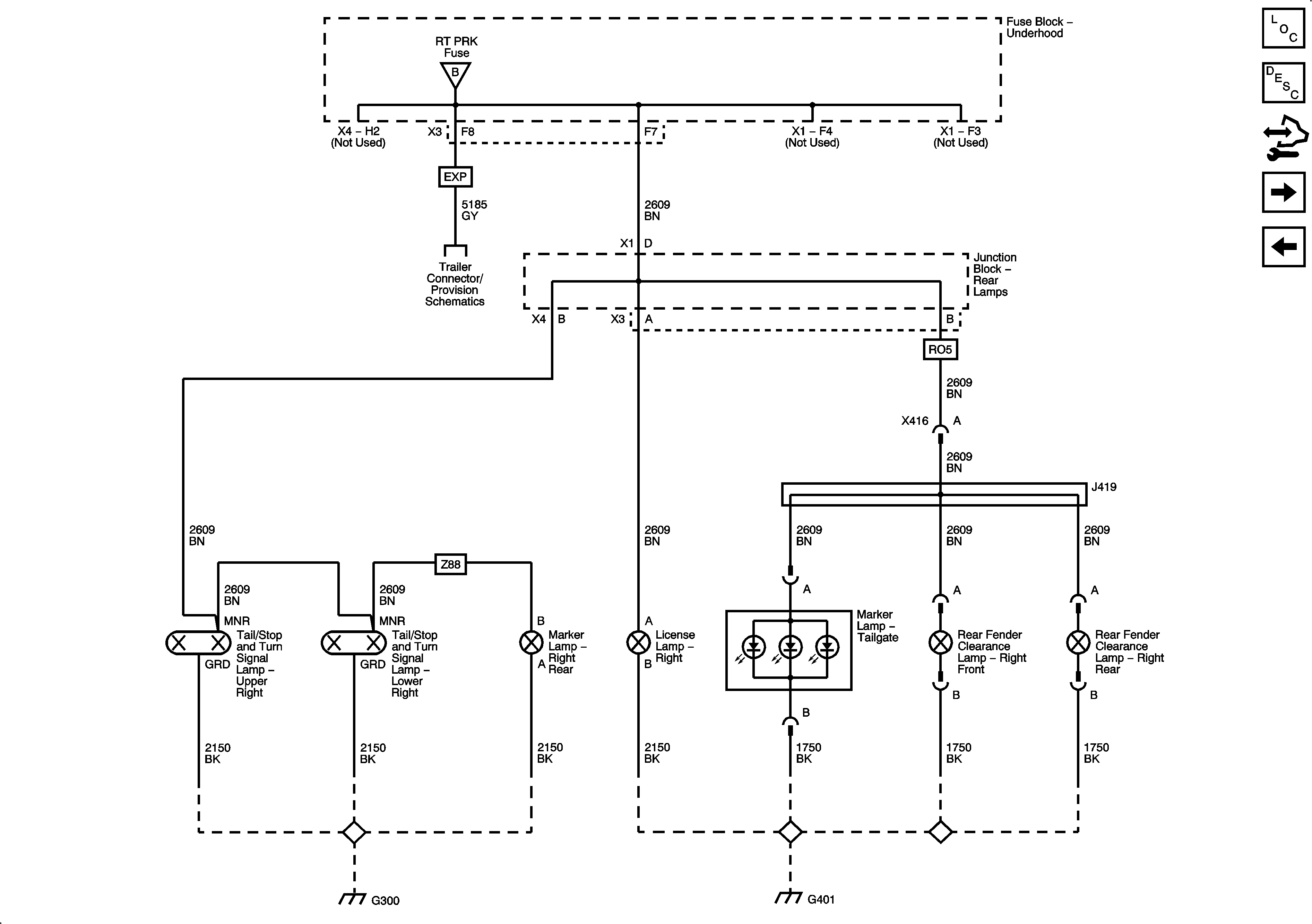
Right Rear Park Lamps
Park Lamp Controls and Front Park Lamps
Figure 3:

Right Rear Park Lamps


Object Number: 1914948  Size: FS
Master Electrical Component List
Exterior Lighting Systems Description and Operation
Control Module References
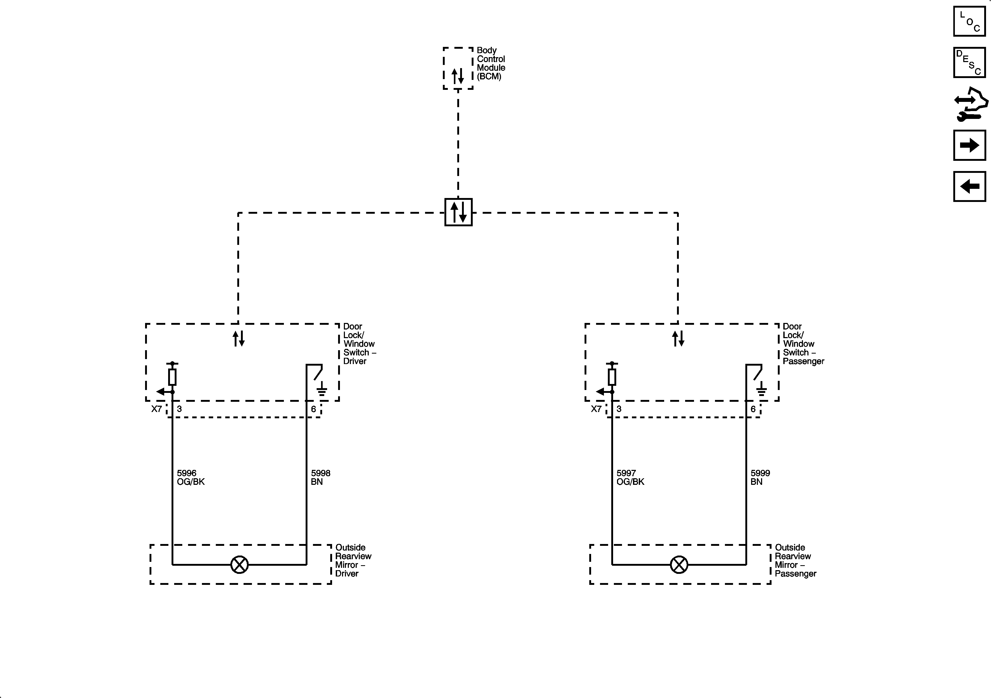
Exterior Illumination Lamps (DL3/DR4)
Left Rear Park Lamps
Figure 4:

Exterior Illumination Lamps (DL3/DR4)


Object Number: 1914950  Size: FS
Master Electrical Component List
Exterior Lighting Systems Description and Operation
Control Module References
Turn Signal Controls and Front Turn Signal Lamps
Right Rear Park Lamps
Figure 5:

Turn Signal Controls and Front Turn Signal Lamps


Object Number: 1914953  Size: FS
Master Electrical Component List
Exterior Lighting Systems Description and Operation
Control Module References
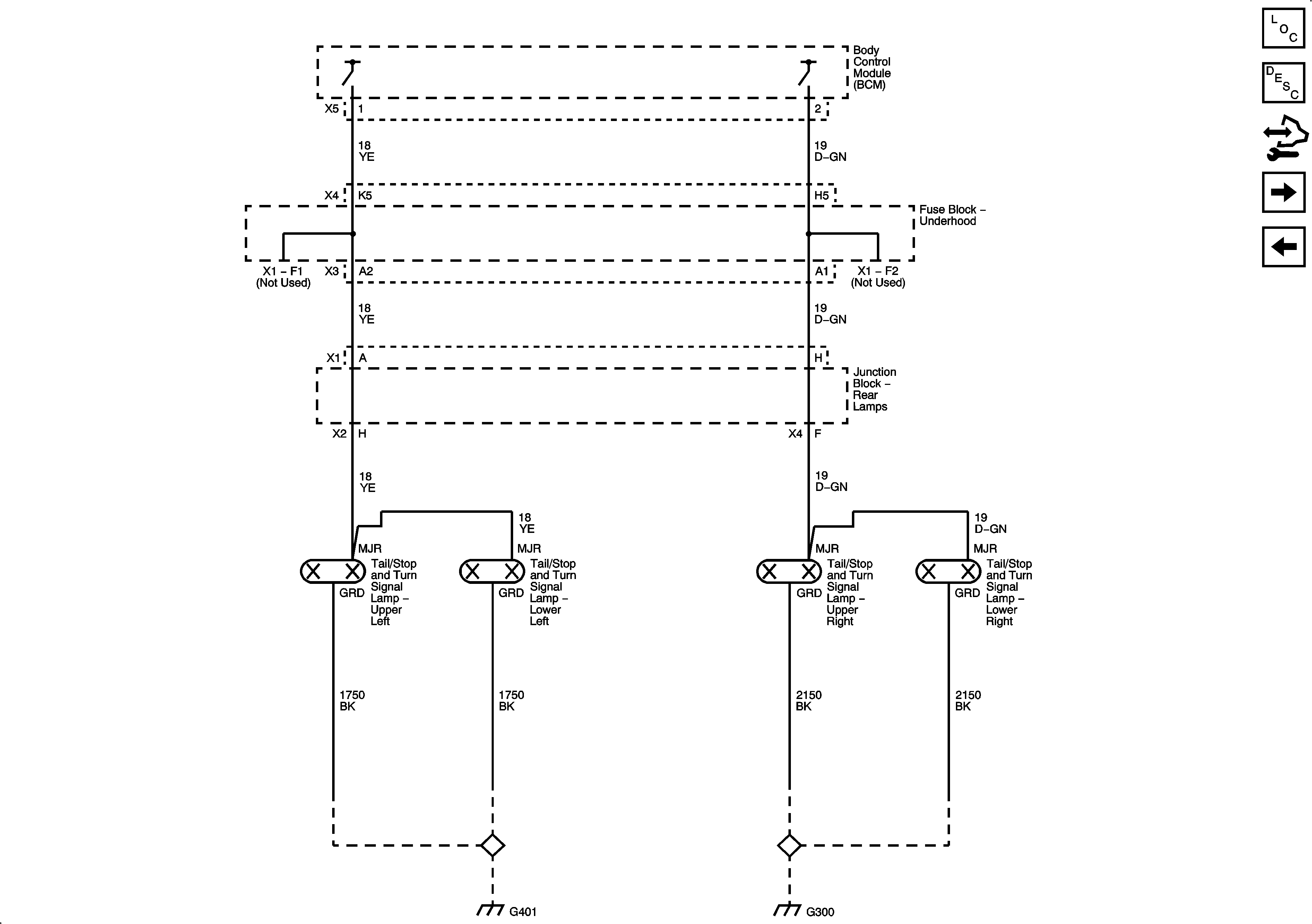
Rear Stop/Turn Signal Lamps
Exterior Illumination Lamps (DL3/DR4)
Figure 6:

Rear Stop/Turn Signal Lamps


Object Number: 1914957  Size: FS
Master Electrical Component List
Exterior Lighting Systems Description and Operation
Control Module References
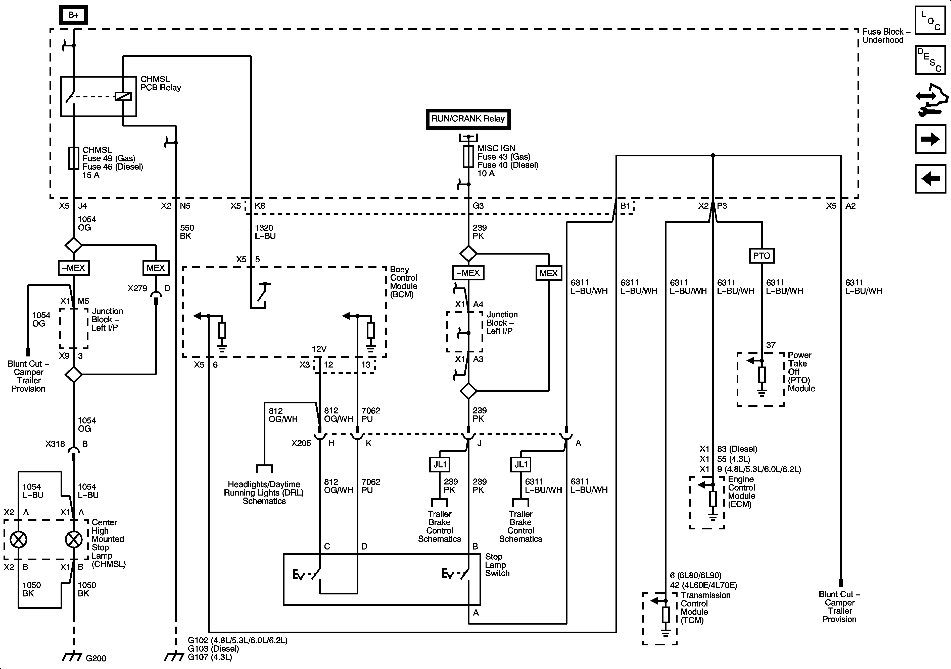
Stop Lamp Controls and CHMSL
Turn Signal Controls and Front Turn Signal Lamps
Figure 7:

Stop Lamp Controls and CHMSL


Object Number: 1914962  Size: FS
Master Electrical Component List
Exterior Lighting Systems Description and Operation
Control Module References
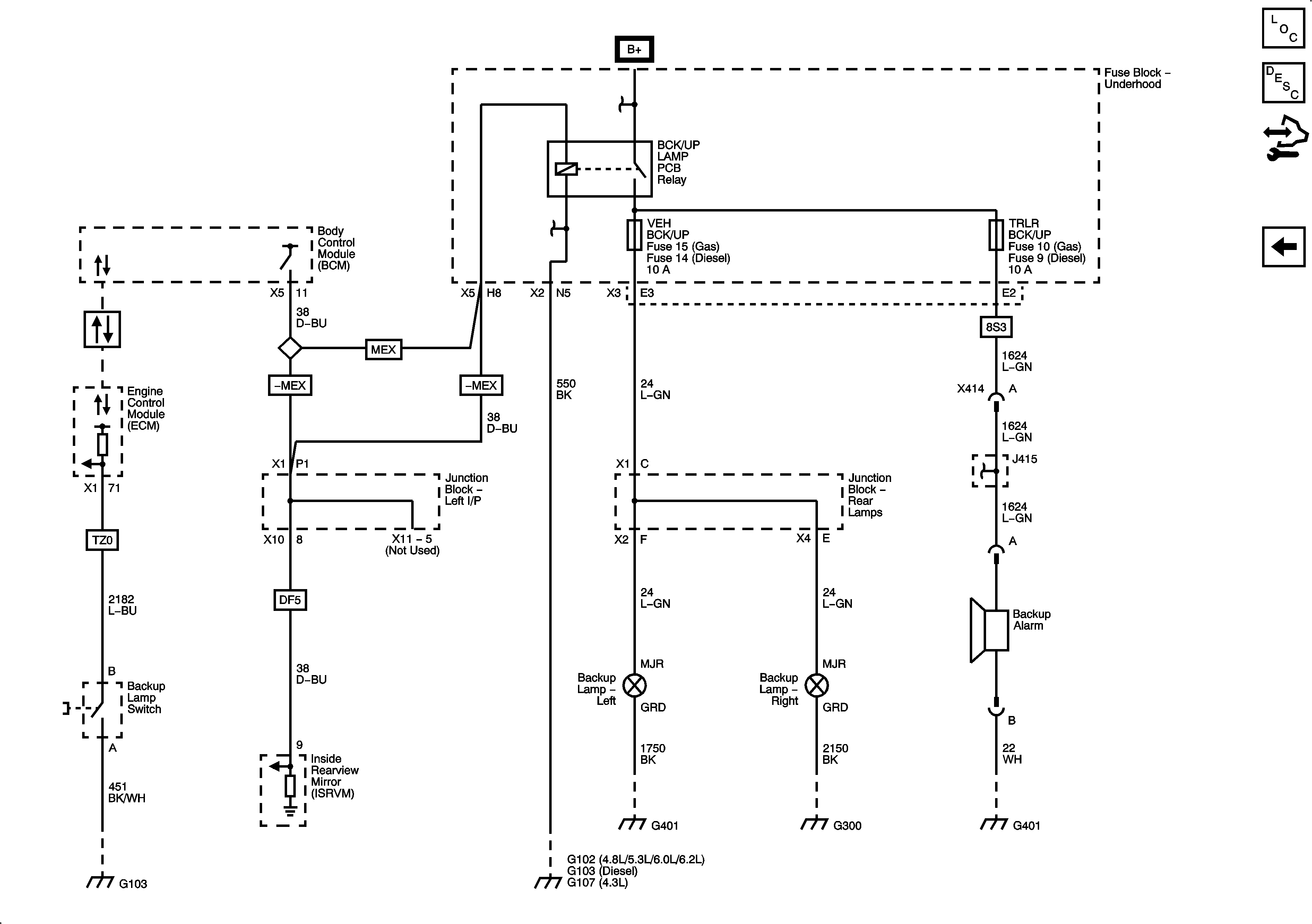
Backup Lamps and Backup Alarm
Rear Stop/Turn Signal Lamps
Figure 8:

Backup Lamps and Backup Alarm


Object Number: 1914967  Size: FS