GM Service Manual Online
For 1990-2009 cars only
Figure 1:

Battery Supply


Object Number: 1915692  Size: FS
Master Electrical Component List
Control Module References
B+ Bus - 1 of 3
Figure 2:

B+ Bus - 1 of 3


Object Number: 1915750  Size: FS
Master Electrical Component List
Control Module References
B+ Bus - 2 of 3
Battery Supply
Figure 3:

B+ Bus - 2 of 3


Object Number: 1915815  Size: FS
Master Electrical Component List
Control Module References
B+ Bus - 3 of 3
B+ Bus - 1 of 3
Figure 4:

B+ Bus - 3 of 3


Object Number: 1915852  Size: FS
Master Electrical Component List
Control Module References
AUX PWR, AUX PWR 2, LBEC1, PDM and REAR WPR Fuses
B+ Bus - 2 of 3
Figure 5:

AUX PWR, AUX PWR 2, LBEC 2, PDM and REAR WPR Fuses


Object Number: 1915856  Size: FS
Master Electrical Component List
Control Module References
IS LPS, LT STOP TRN, OBS DET, REAR SEAT and STOP LAMPS Fuses, LT DR Circuit Breaker
B+ Bus - 3 of 3
Figure 6:

IS LPS, LT STOP TRN, OBS DET, REAR SEAT and STOP LAMPS Fuses, LT DR Circuit Breaker


Object Number: 1915861  Size: FS
Master Electrical Component List
Control Module References
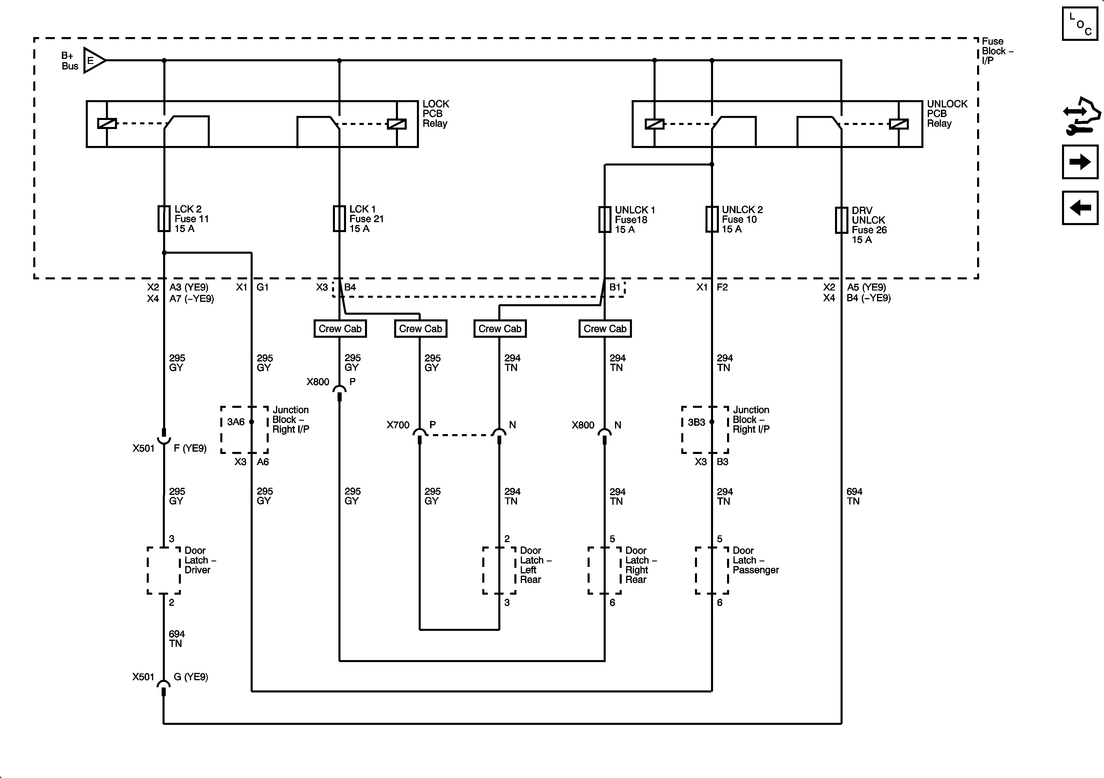
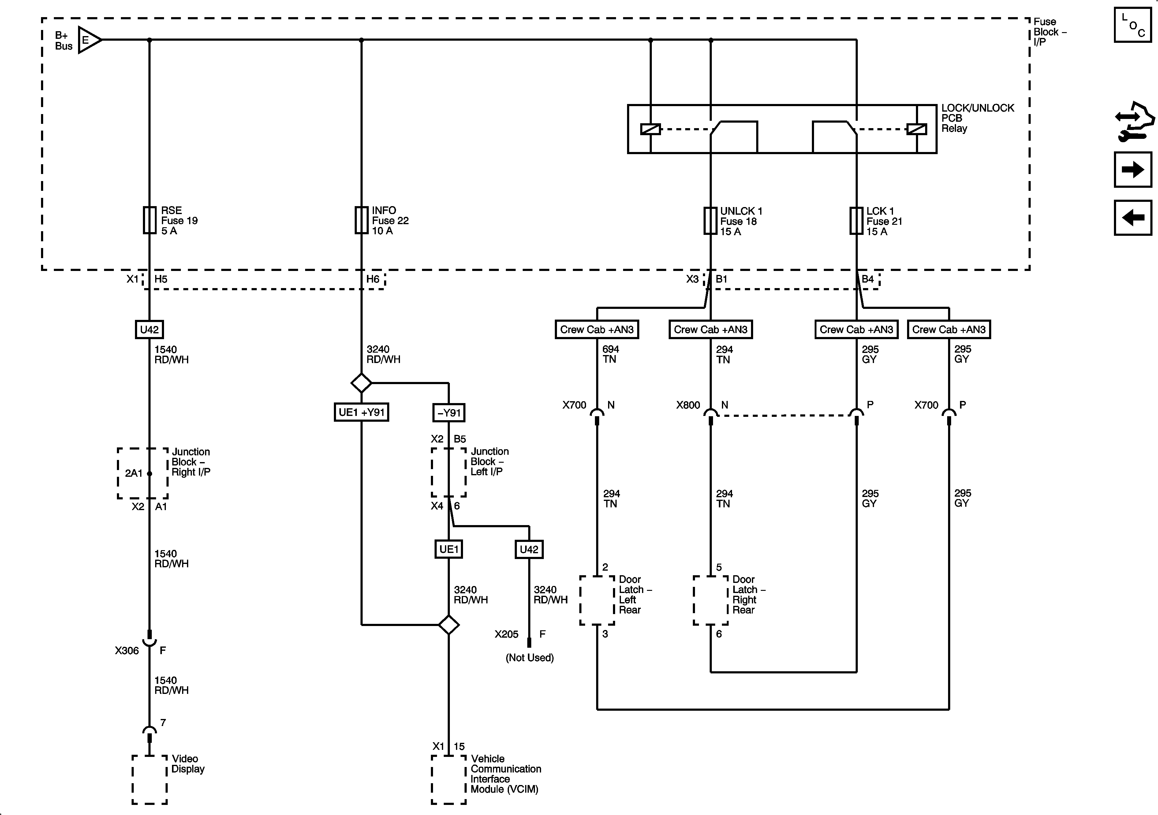
LCK 1 and UNLCK 1 Fuses (Crew Cab with AN3) and INFO and REAR SEAT ENT Fuses
AUX PWR, AUX PWR 2, LBEC 2, PDM and REAR WPR Fuses
Figure 7:

LCK 1 and UNLCK 1 Fuses (Crew Cab with AN3) and INFO and REAR SEAT ENT Fuses


Object Number: 1915874  Size: FS
Master Electrical Component List
Control Module References
DVR UNLCK, LCK 1, LCK 2, UNLCK 1 and UNLCK 2 Fuses (AU3 without AN3/DL3)
IS LPS, LT STOP TRN, OBS DET, REAR SEAT and STOP LAMPS Fuses, LT DR Circuit Breaker
Figure 8:

DVR UNLCK, LCK 1, LCK 2, UNLCK 1 and UNLCK 2 Fuses (AU3 without AN3/DL3)


Object Number: 1915897  Size: FS
Master Electrical Component List
Control Module References
BCM, COOLED SEATS, CTSY, DDM, DIM, DSM, LBEC 1, PWR MIR, REAR HVAC and RT STOP TRN Fuses
LCK 1 and UNLCK 1 Fuses (Crew Cab with AN3) and INFO and REAR SEAT ENT Fuses
Figure 9:

BCM, COOLED SEATS, CTSY, DDM, DIM, DSM, LBEC 1, PWR MIR, REAR HVAC and RT STOP TRN Fuses


Object Number: 1915902  Size: FS
Master Electrical Component List
Control Module References
MBEC 1 Fuse and DRIVER SEAT 2, PAS SEAT 1, PWR REAR WNDW and RT DOORS Circuit Breakers
DVR UNLCK, LCK 1, LCK 2, UNLCK 1 and UNLCK 2 Fuses (AU3 without AN3/DL3)
Figure 10:

MBEC1 Fuse, DRIVER SEAT 2, PASS SEAT 1, PWR REAR WNDW and RT DOORS Circuit Breakers


Object Number: 1915942  Size: FS
Master Electrical Component List
Control Module References
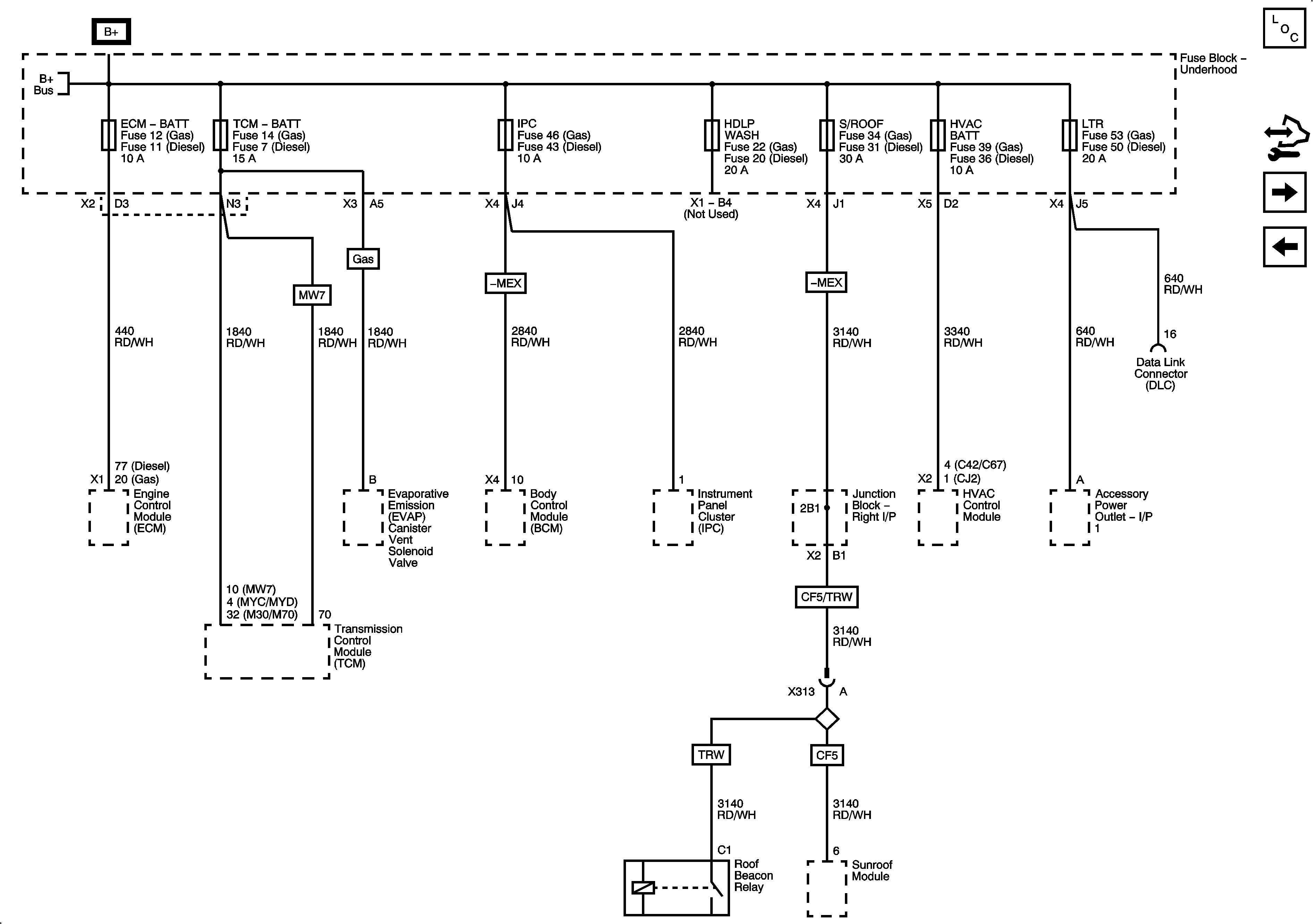
ECM-BATT, HDLP WASH, HVAC BATT, IPC, LTR, S/ROOF and TCM-BATT Fuses
BCM, COOLED SEATS, CTSY, DDM, DIM, DSM, LBEC 2, PWR MIR, REAR HVAC and RT STOP TRN Fuses
Figure 11:

ECM-BATT, HDLP WASH, HVAC BATT, IPC, LTR, S/ROOF and TCM-BATT Fuses


Object Number: 1915948  Size: FS
Master Electrical Component List
Control Module References
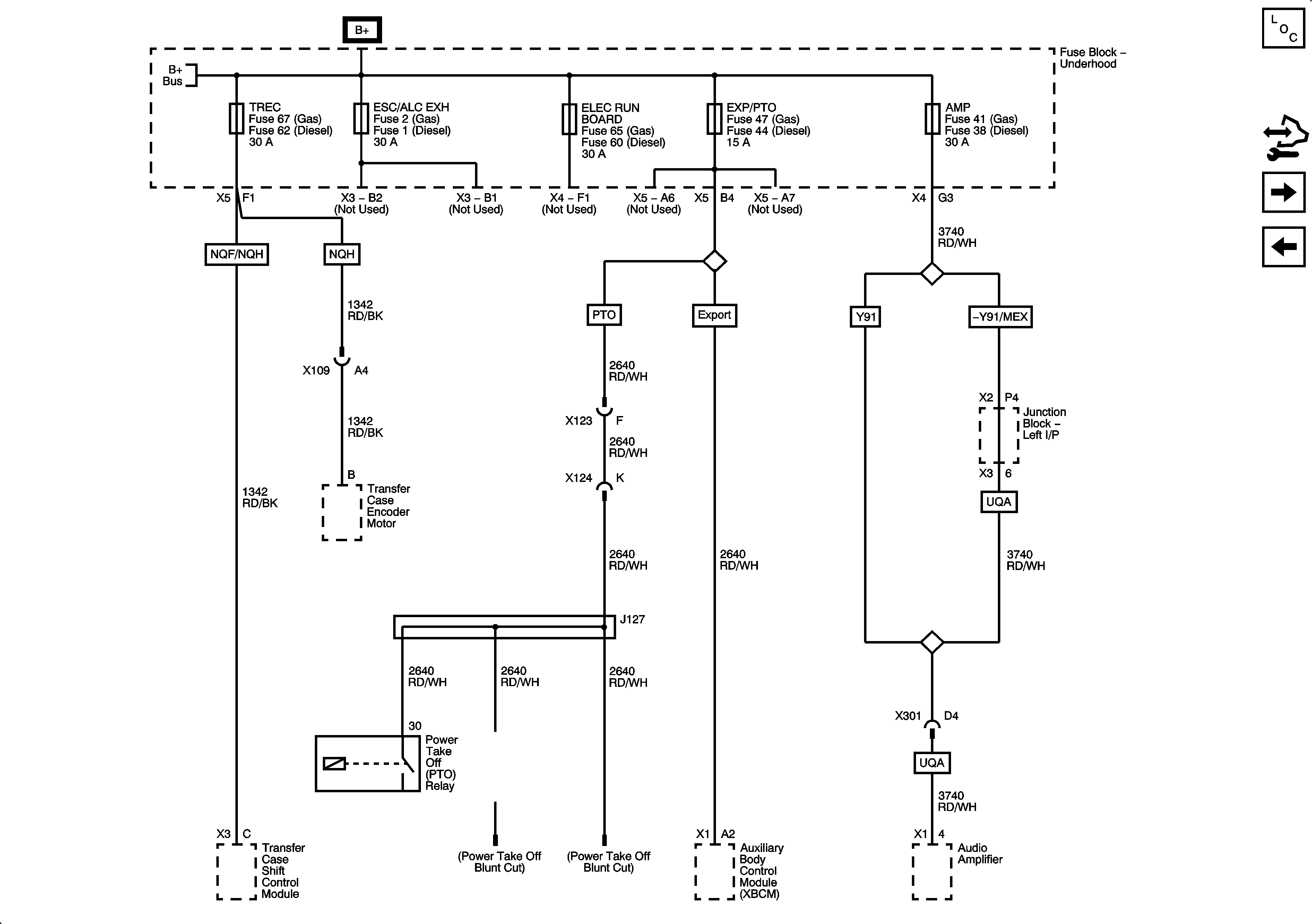
AMP, ELEC RUN BOARD, ESC/ALC EXH, EXP/PTO. INFOTMNT and TREC Fuses
MBEC 1 Fuse and DRIVER SEAT 2, PAS SEAT 1, PWR REAR WNDW and RT DOORS Circuit Breakers
Figure 12:

AMP, ELEC RUN BOARD, ESC/ALC EXH, EXP/PTO, INFOTMNT, and TREC Fuses


Object Number: 1915993  Size: FS
Master Electrical Component List
Control Module References
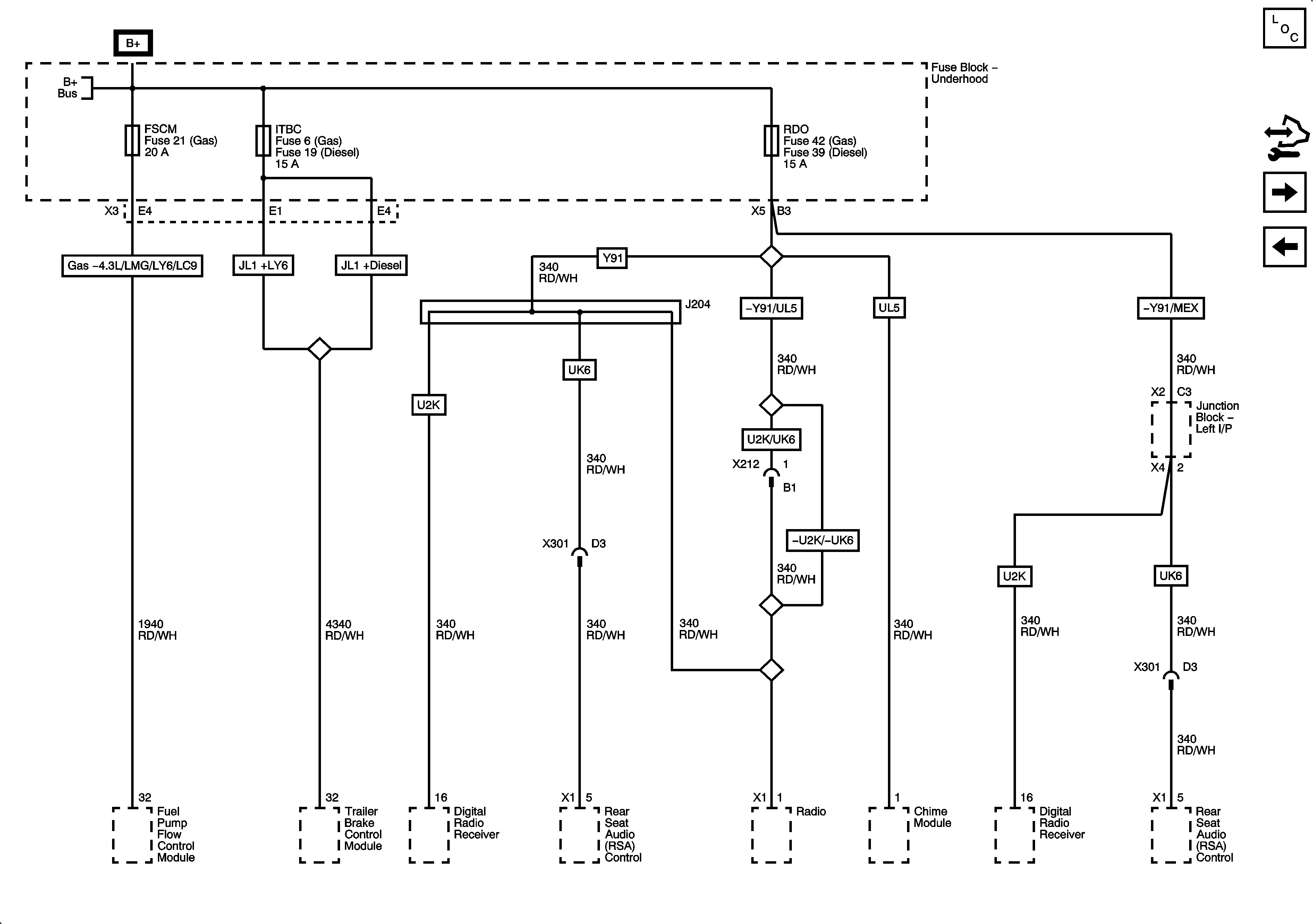
FSCM, ITBC and RDO Fuses
ECM-BATT, HDLP WASH, HVAC BATT, IPC, LTR, S/ROOF and TCM-BATT Fuses
Figure 13:

FSCM, ITBC and RDO Fuses


Object Number: 1916008  Size: FS
Master Electrical Component List
Control Module References
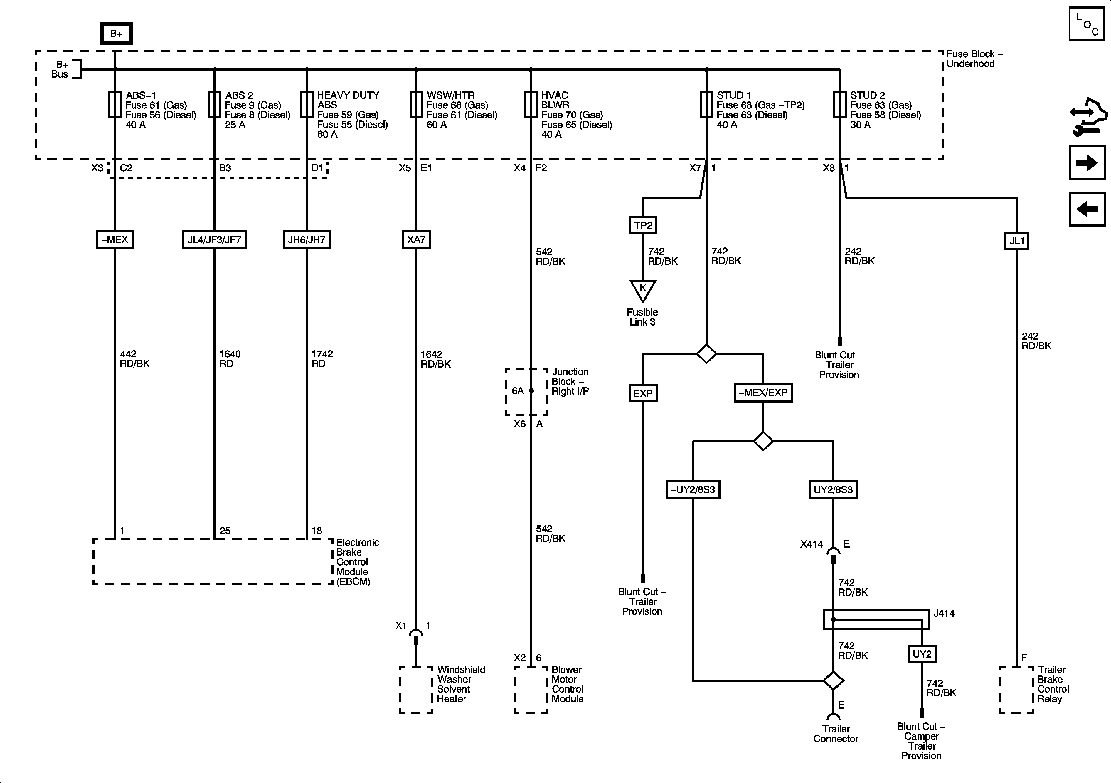
ABS-1, ABS-2, HEAVY DUTY ABS, HVAC BLWR, STUD 1, STUD 2 and WSW/HTR Fuses
AMP, ELEC RUN BOARD, ESC/ALC EXH, EXP/PTO. INFOTMNT and TREC Fuses
Figure 14:

ABS-1, ABS-2, HEAVY DUTY ABS, HVAC BLWR, STUD 1, STUD 2 and WSW/HTR Fuses


Object Number: 1916015  Size: FS
Master Electrical Component List
Control Module References
AIRBAG BATT, ALC COMP, EAP, LGM, SEO B1 and SEO B2 Fuses
FSCM, ITBC and RDO Fuses
Figure 15:

AIRBAG BATT, ALC COMP, EAP, LGM, SEO B1 and SEO B2 Fuses


Object Number: 1916021  Size: FS
Master Electrical Component List
Control Module References
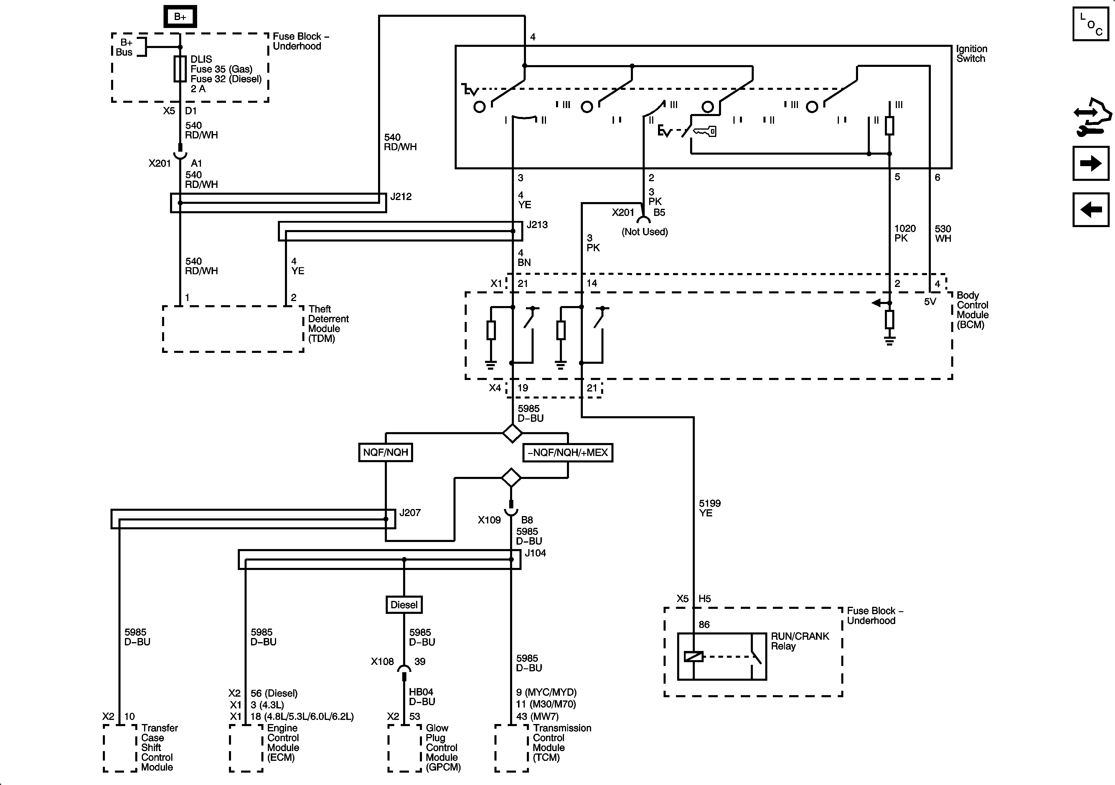
DLIS Fuse and Ignition Switch
ABS-1, ABS-2, HEAVY DUTY ABS, HVAC BLWR, STUD 1, STUD 2 and WSW/HTR Fuses
Figure 16:

DLIS Fuse and Ignition Switch


Object Number: 1916054  Size: FS
Master Electrical Component List
Control Module References
PWR/TRN BUS - ECM/THROT CONT and ENG Fuses
AIRBAG BATT, ALC COMP, EAP, LGM, SEO B1 and SEO B2 Fuses
Figure 17:

PWR/TRN BUS - ECM/THROT CONT and ENG Fuses


Object Number: 1916064  Size: FS
Master Electrical Component List
Control Module References
PWR/TRN BUS - DSL ECM, FUEL HTR, O2-A SNSR and O2-B SNSR Fuses
DLIS Fuse and Ignition Switch
Figure 18:

PWR/TRN BUS - DSL ECM, FUEL HTR, O2-A SNSR and O2-B SNSR Fuses


Object Number: 1916080  Size: FS
Master Electrical Component List
Control Module References
PWR/TRN BUS - INJ-A and INJ-B Fuses
PWR/TRN BUS - ECM/THROT CONT and ENG Fuses
Figure 19:

PWR/TRN BUS - INJ-A and INJ-B Fuses


Object Number: 1916085  Size: FS
Master Electrical Component List
Control Module References
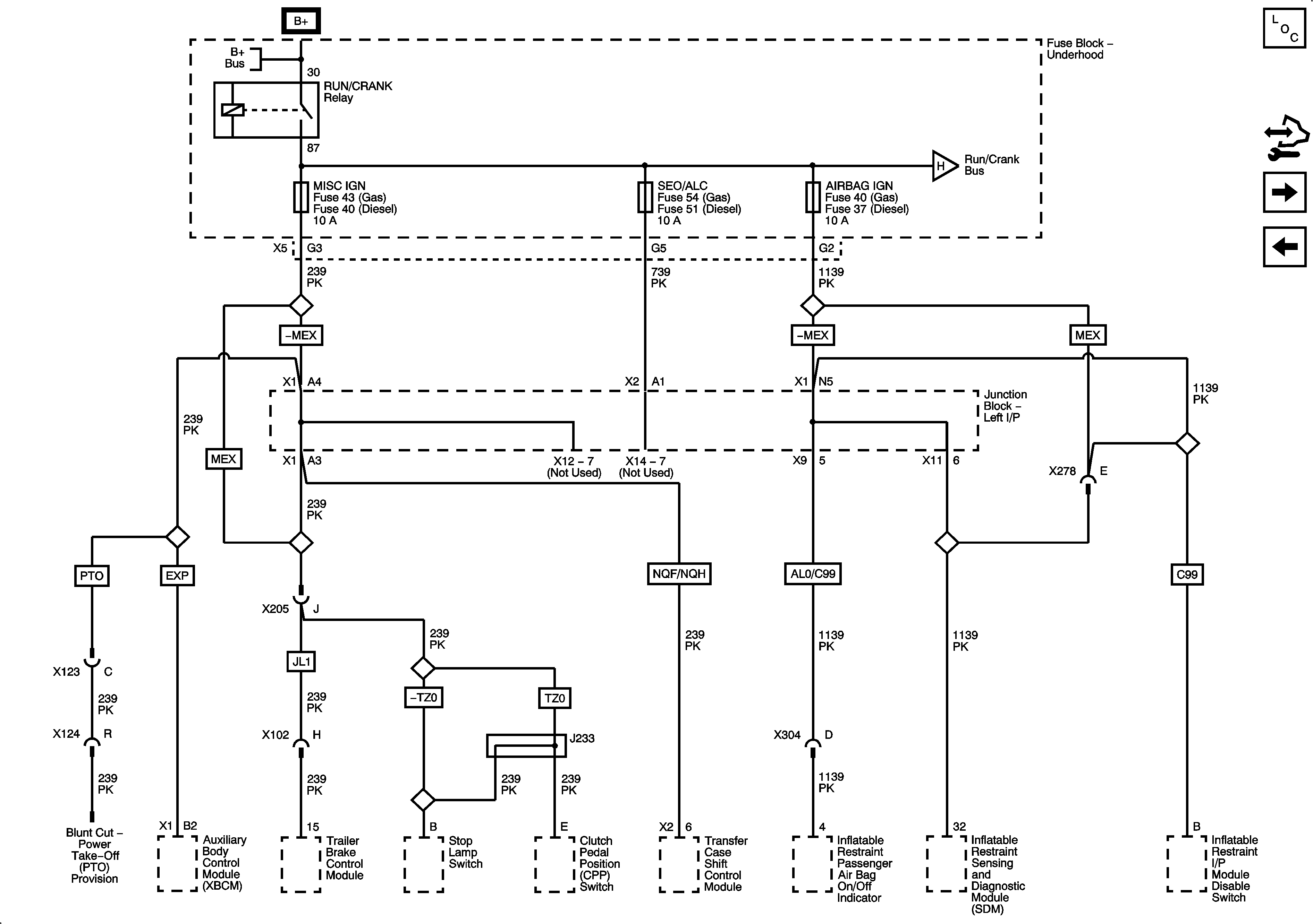
RUN/CRANK BUS - AIRBAG IGN, MISC IGN and SEO/ALC Fuses
PWR/TRN BUS - DSL ECM, FUEL HTR, O2-A SNSR and O2-B SNSR Fuses
Figure 20:

RUN/CRANK BUS - AIRBAG IGN, MISC IGN and SEO/ALC Fuses


Object Number: 1916099  Size: FS
Master Electrical Component List
Control Module References
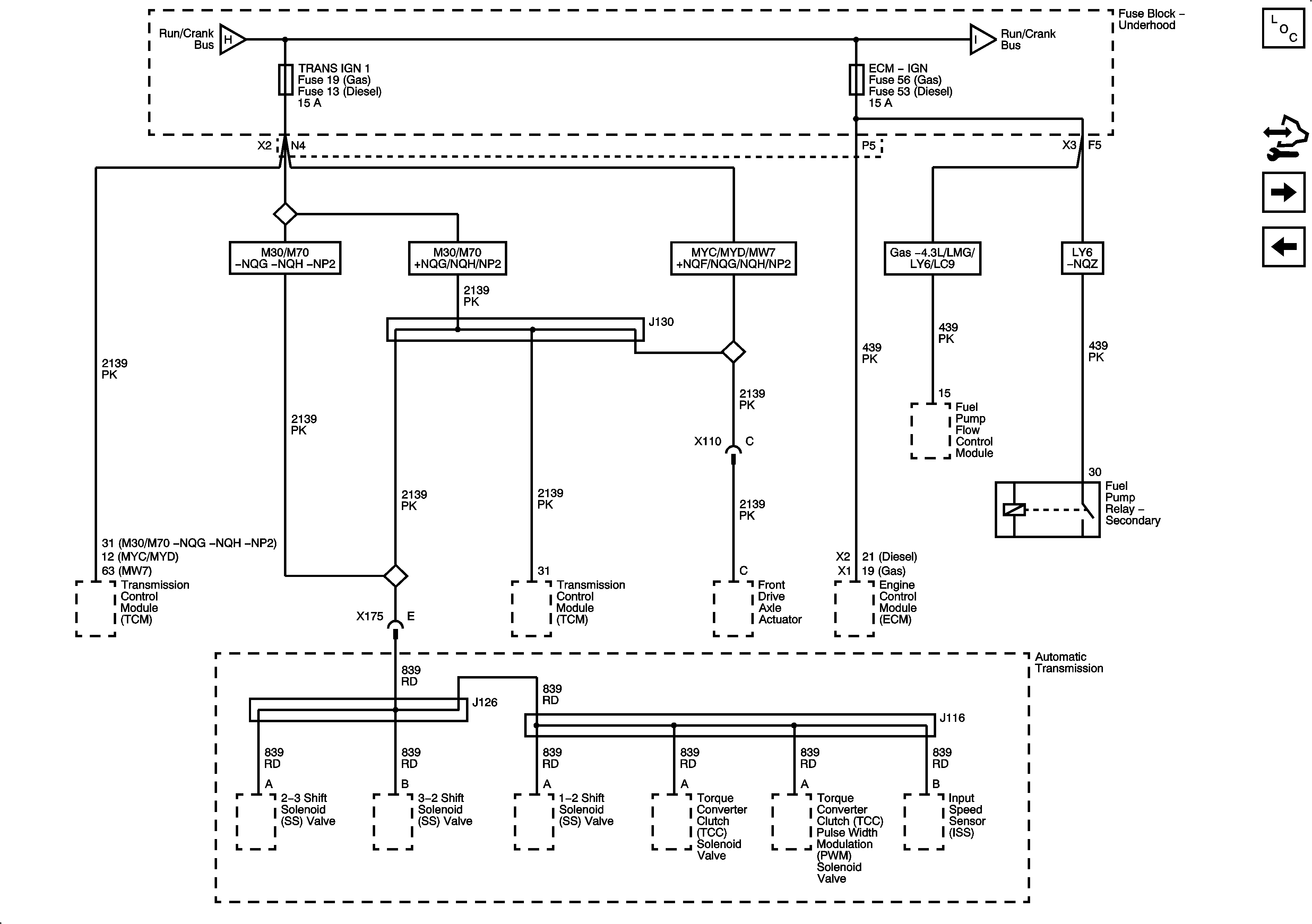
RUN/CRANK BUS - ECM-IGN and TRANS IGN 1 Fuses
PWR/TRN BUS - INJ-A and INJ-B Fuses
Figure 21:

RUN/CRANK BUS - ECM-IGN and TRANS IGN 1 Fuses


Object Number: 1916103  Size: FS
Master Electrical Component List
Control Module References
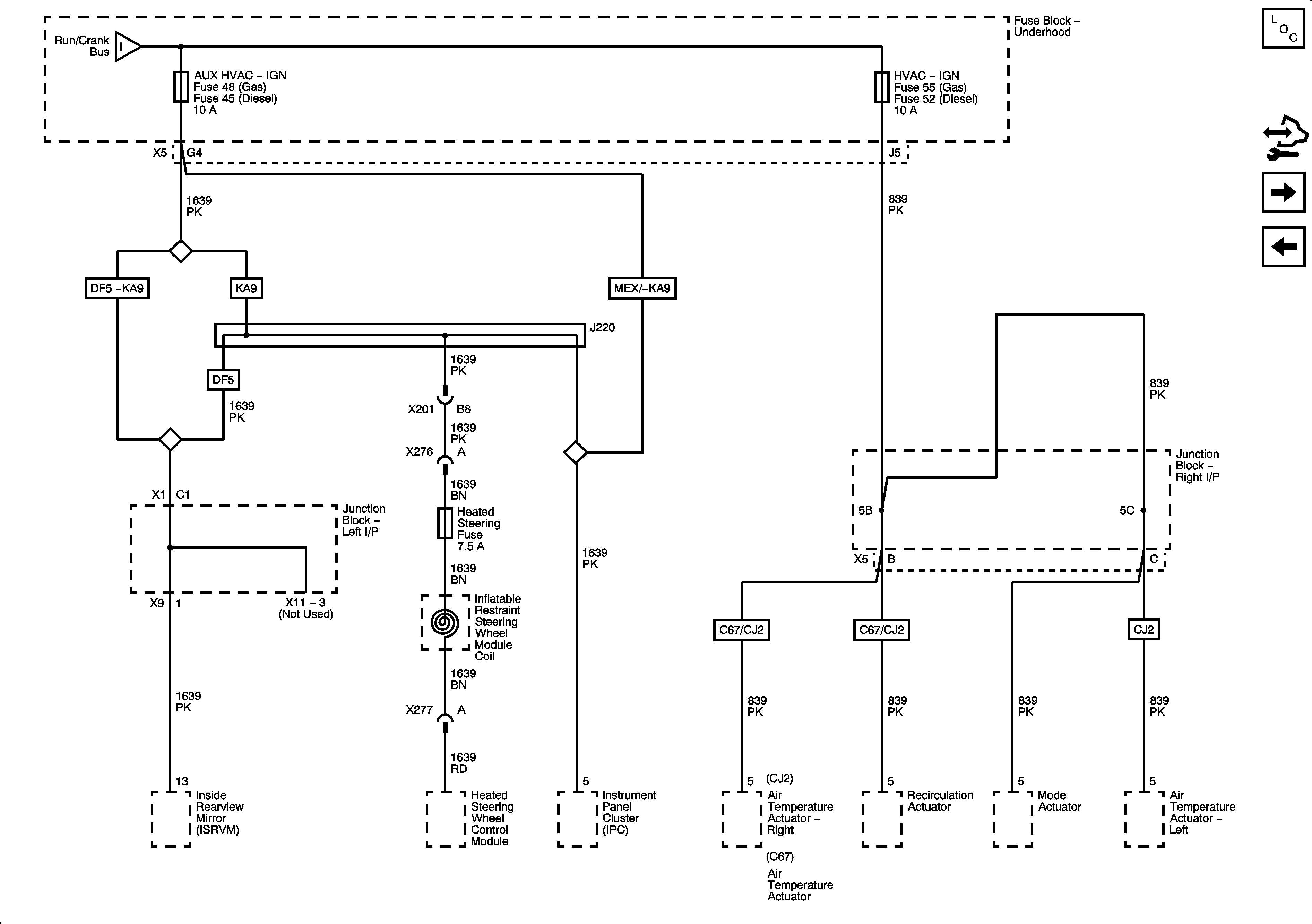
RUN/CRANK BUS - AUX HVAC-IGN and HVAC-IGN Fuses
RUN/CRANK BUS - AIRBAG IGN, MISC IGN and SEO/ALC Fuses
Figure 22:

RUN/CRANK BUS - AUX HVAC-IGN and HVAC-IGN Fuses


Object Number: 1916111  Size: FS
Master Electrical Component List
Control Module References
CHMSL, TRLR BCK/UP, TRLR STOP LT, TRLR STOP RT and VEH BCK/UP Fuses
RUN/CRANK BUS - ECM-IGN and TRANS IGN 1 Fuses
Figure 23:

CHMSL, TRLR BCK/UP, TRLR STOP LT, TRLR STOP RT and VEH BCK/UP Fuses


Object Number: 1916126  Size: FS
Master Electrical Component List
Control Module References
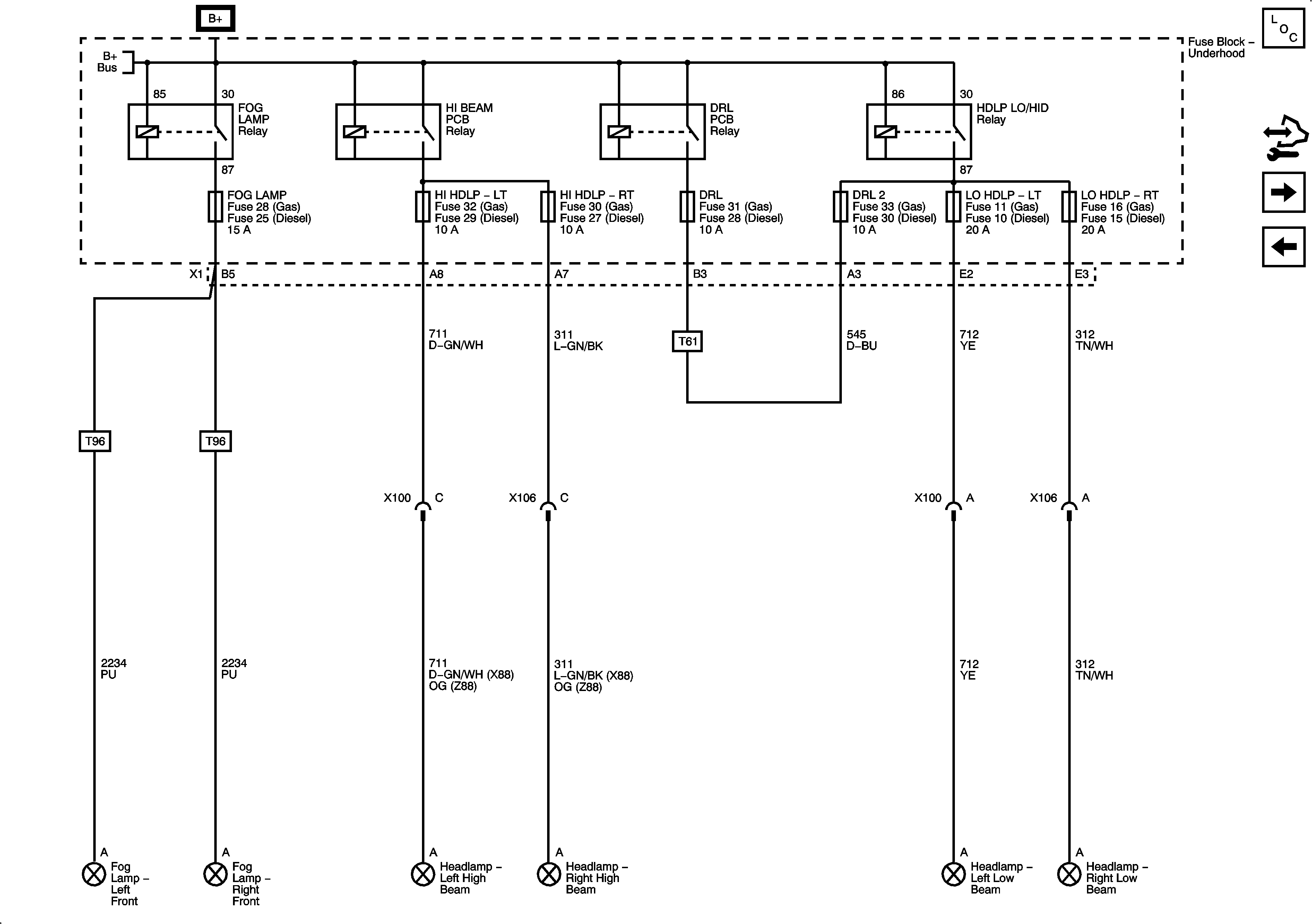
DRL, DRL 2, FOG LAMP, LO HDLP-LT, LO HDLP-RT, HI HDLP-LT and HI HDLP-RT Fuses
RUN/CRANK BUS - AUX HVAC-IGN and HVAC-IGN Fuses
Figure 24:

DRL, DRL 2, FOG LAMP, LO HDLP-LT, LO HDLP-RT, HI HDLP-LT and HI HDLP-RT Fuses


Object Number: 1916133  Size: FS
Master Electrical Component List
Control Module References
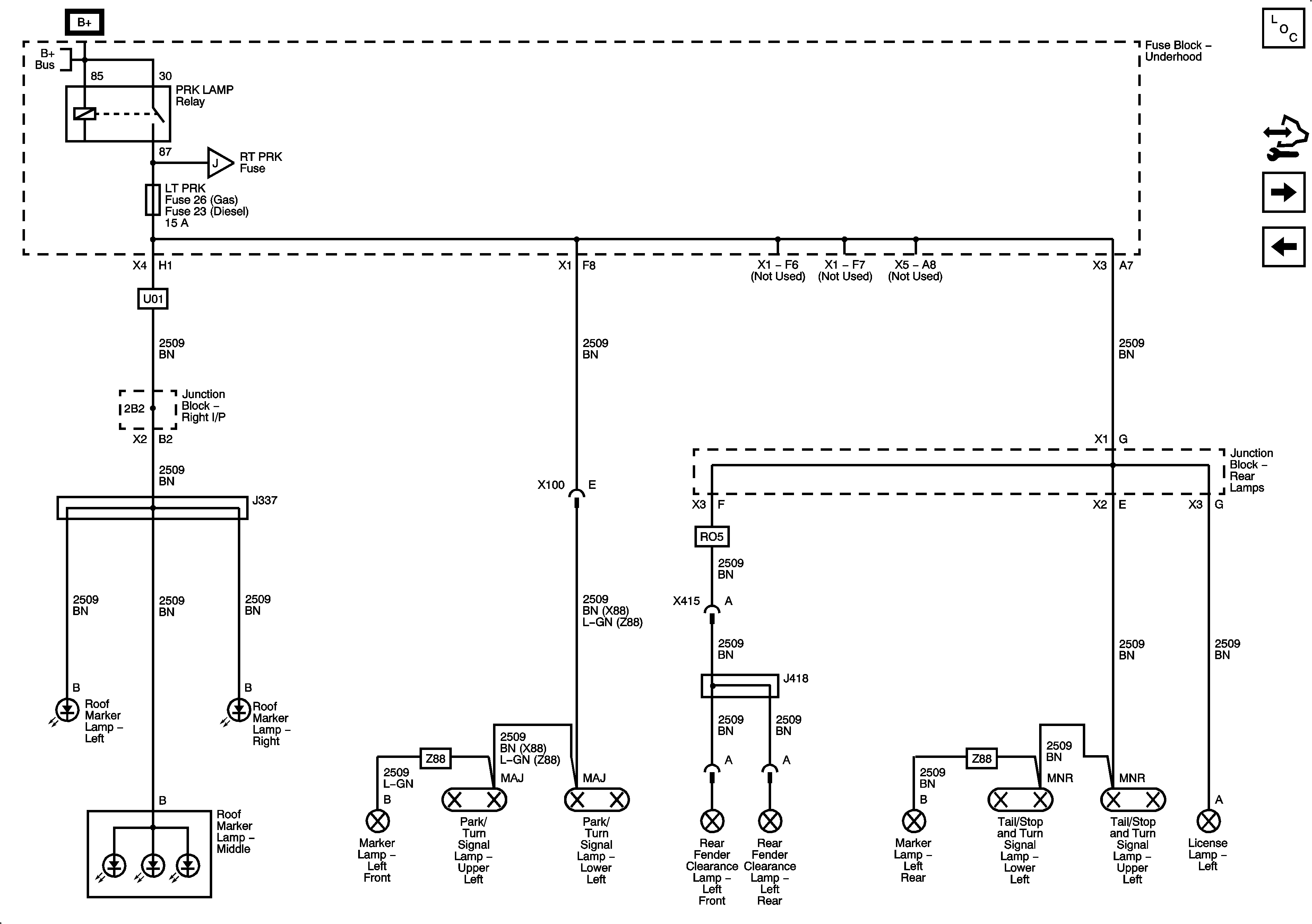
LT PRK Fuse
CHMSL, TRLR BCK/UP, TRLR STOP LT, TRLR STOP RT and VEH BCK/UP Fuses
Figure 25:

LT PRK Fuse


Object Number: 1916138  Size: FS
Master Electrical Component List
Control Module References
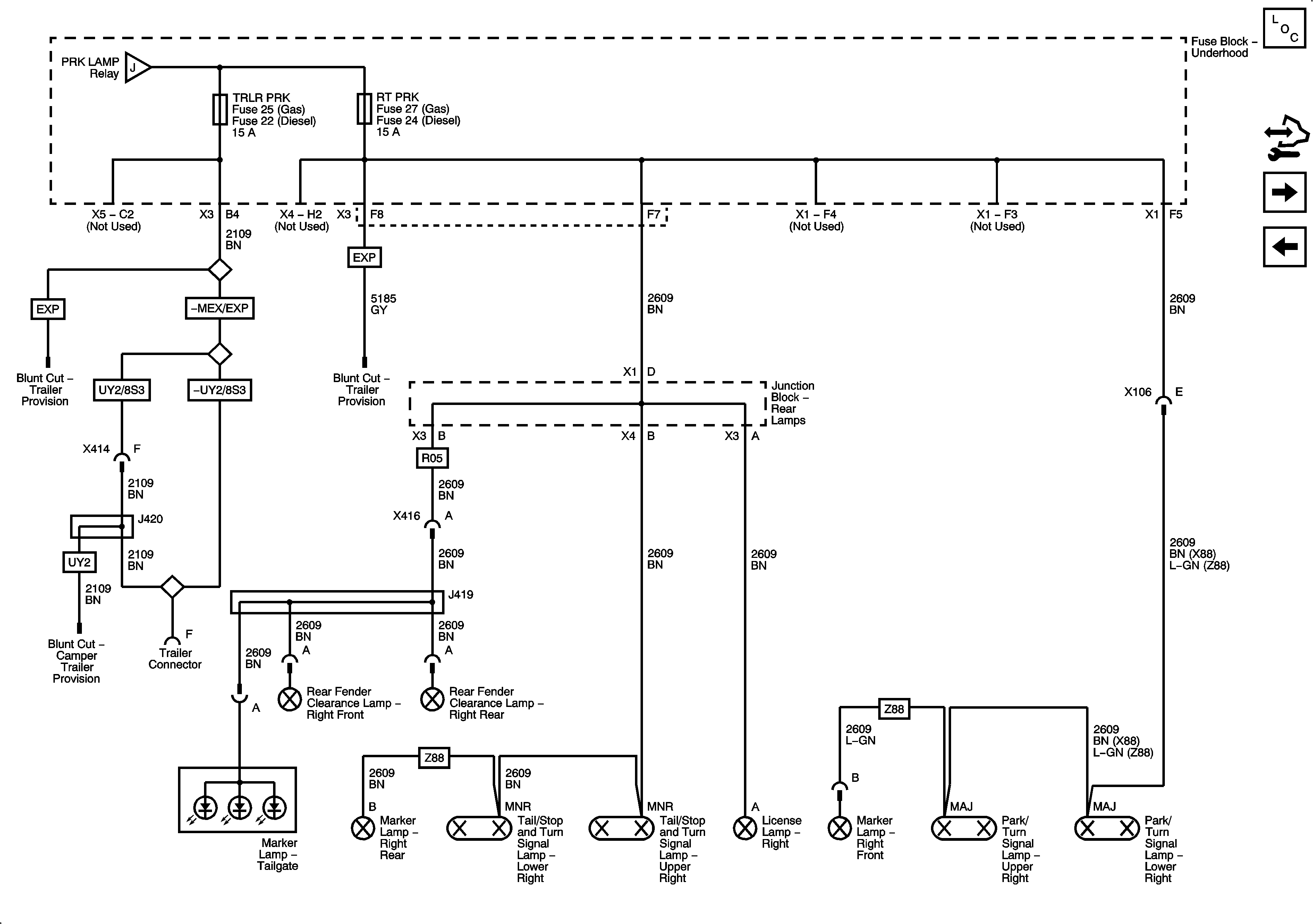
RT PRK amd TRLR PRK Fuses
DRL, DRL 2, FOG LAMP, LO HDLP-LT, LO HDLP-RT, HI HDLP-LT and HI HDLP-RT Fuses
Figure 26:

RT PRK and TRLR PRK Fuses


Object Number: 1916153  Size: FS
Master Electrical Component List
Control Module References
A/C CMPRSR, FRT WASH, FUEL PUMP, HORN, HTD MIR, REAR DEFOG and STRTR Fuses
LT PRK Fuse
Figure 27:

A/C CMPRSR, FRT WASH, FUEL PUMP, HORN, HTD MIR, REAR DEFOG and STRTR Fuses


Object Number: 1916170  Size: FS
Master Electrical Component List
Control Module References
RT PRK amd TRLR PRK Fuses