GM Service Manual Online
For 1990-2009 cars only
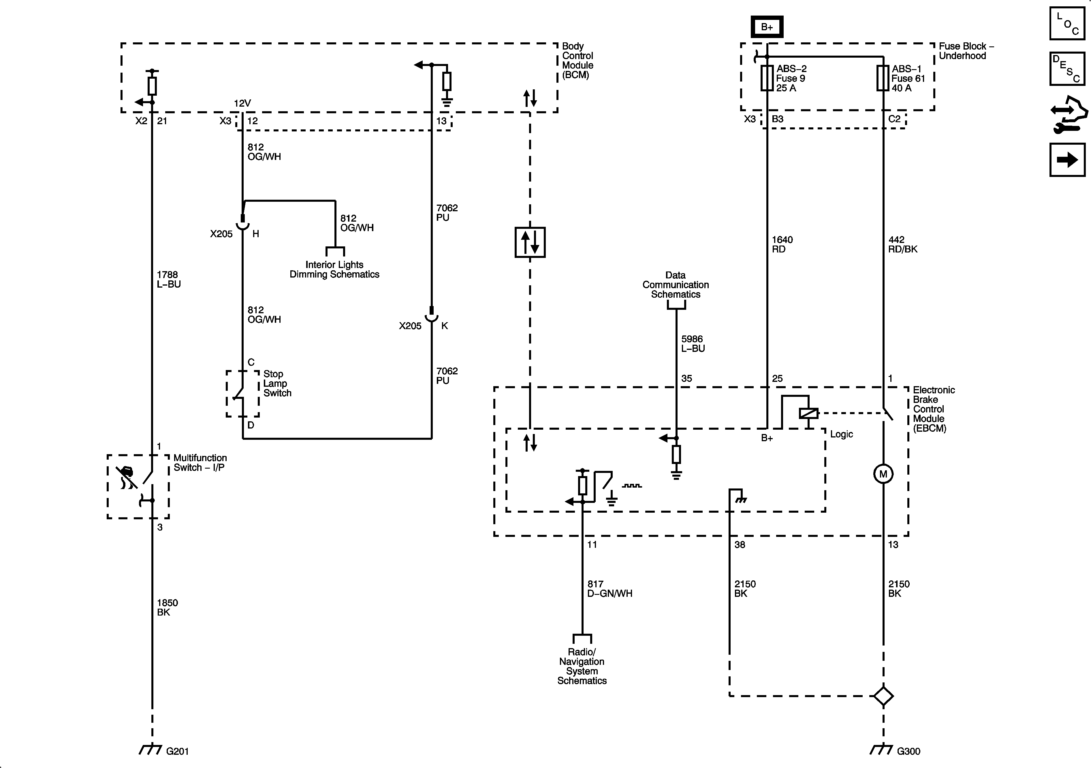
Figure 1:

Power, Ground, Serial Data, and Traction Controls


Object Number: 1915117  Size: FS
Master Electrical Component List
ABS Description and Operation (Without JL4)
Control Module References
Wheel Speed Signals
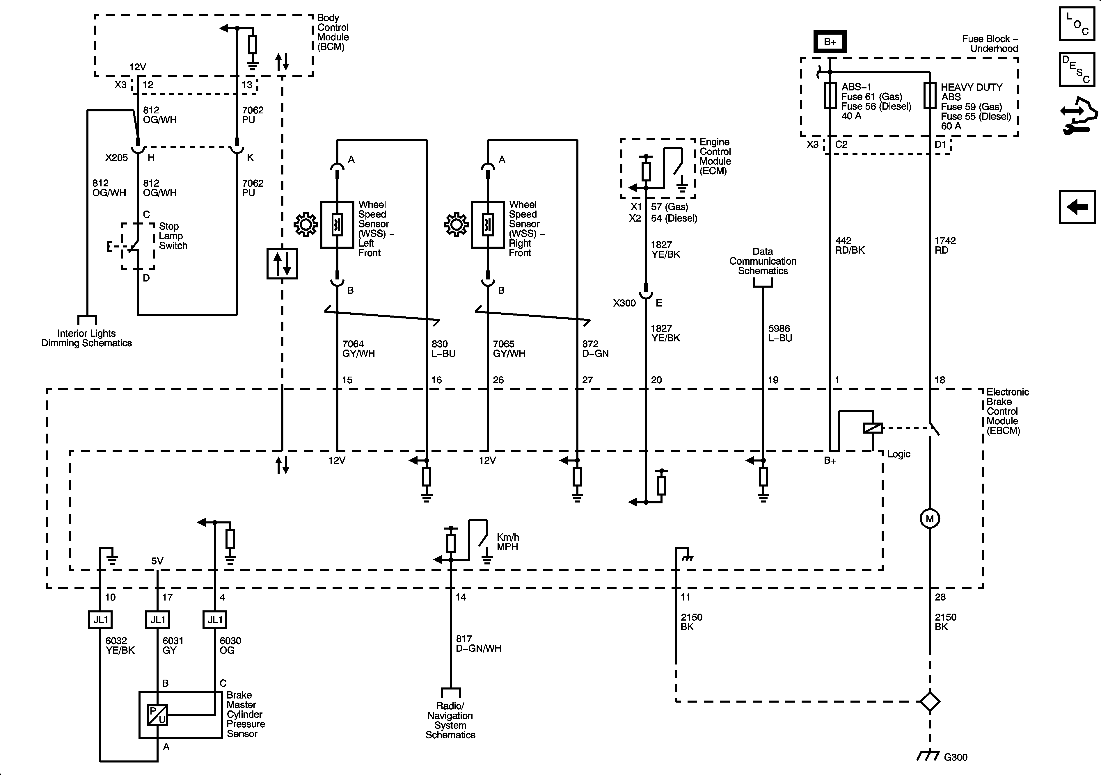
Figure 2:

Wheel Speed Signals


Object Number: 1915121  Size: FS
Master Electrical Component List
ABS Description and Operation (Without JL4)
Control Module References
Vehicle Stability (JL4)
Power, Ground, Serial Data, and Traction Controls
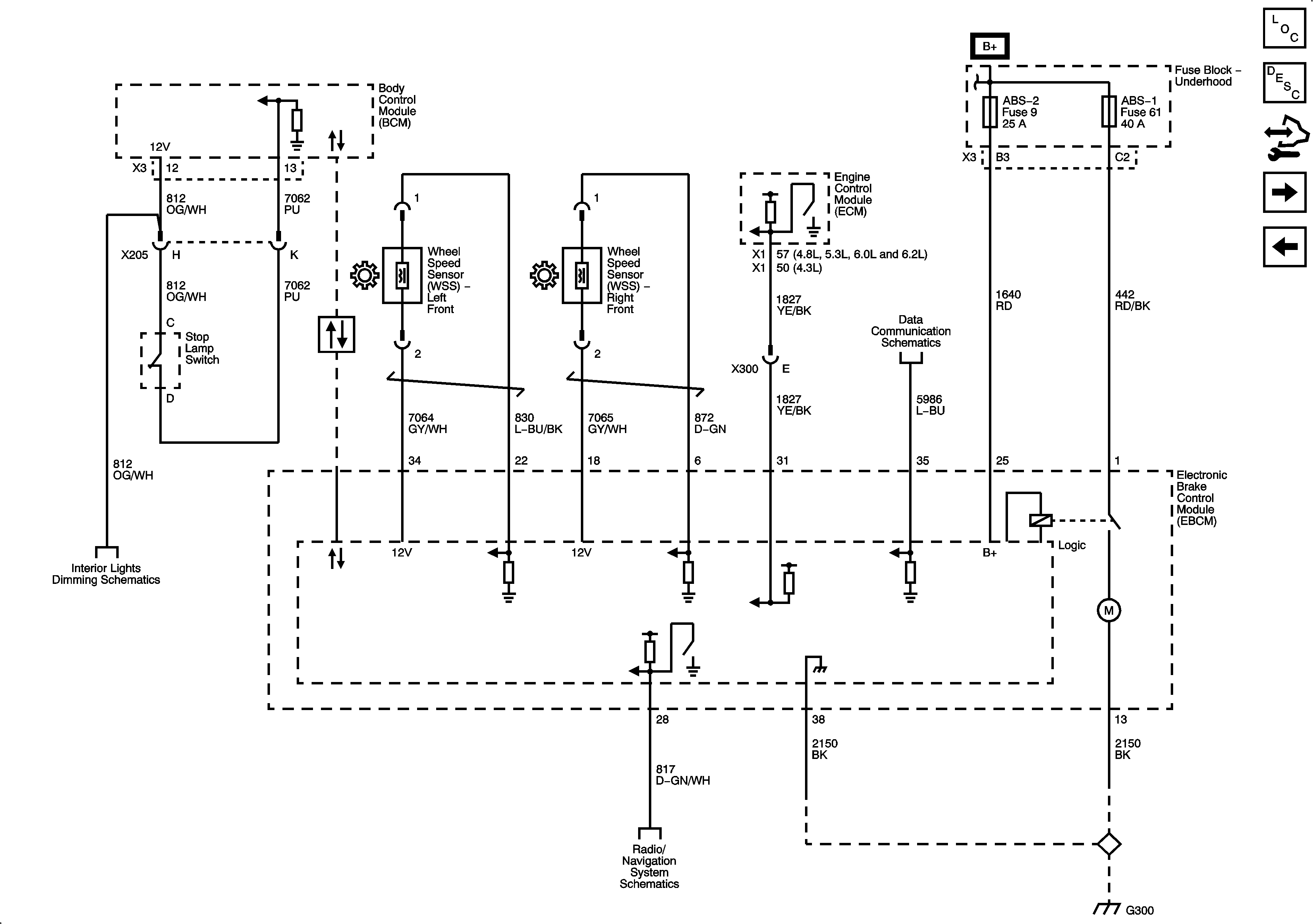
Figure 3:

Vehicle Stability (JL4)


Object Number: 1915128  Size: FS
Master Electrical Component List
ABS Description and Operation (Without JL4)
Control Module References
Wheel Speed Signals
Figure 4:

JH6/JH7


Object Number: 1915132  Size: FS
Master Electrical Component List
ABS Description and Operation Without JL4
Control Module References
JF3/JF7