GM Service Manual Online
For 1990-2009 cars only
Makes
🢒
Chevrolet
🢒
2008
🢒
Silverado - 4WD
🢒
Driver Information and Entertainment
🢒
Displays and Gages
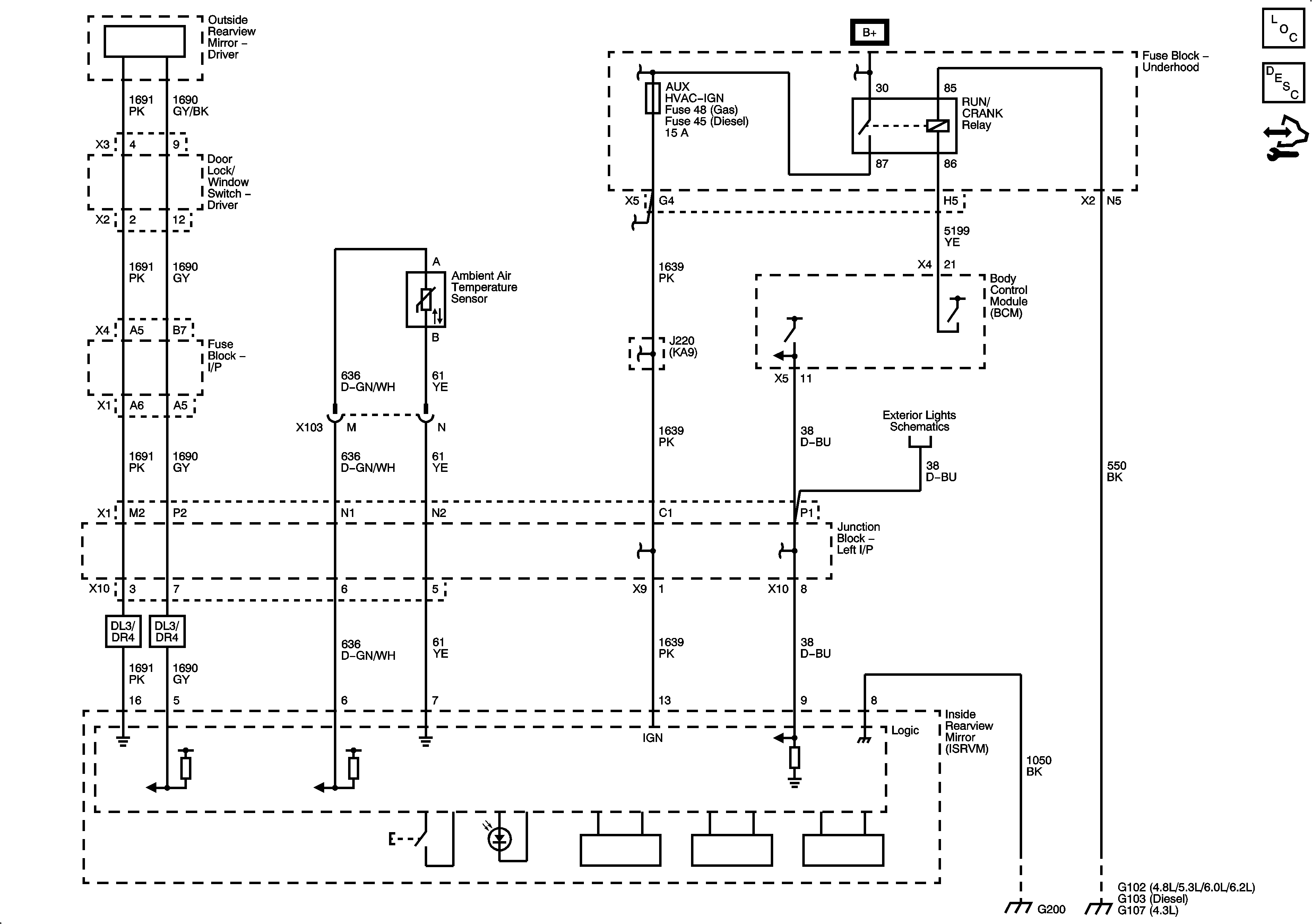
🢒 Driver Information System Schematics
Master Electrical Component List
Driver Information Center (DIC) Description and Operation
Control Module References