GM Service Manual Online
For 1990-2009 cars only

Removal Procedure

Notice: Broken or deteriorated mounts can cause misalignment and destruction of certain drive train components. When a single mount breaks, the remaining mounts are subjected to abnormally high stresses.


    Object Number: 1961851  Size: SH
  1. Raise and suitably support the vehicle. Refer to Lifting and Jacking the Vehicle .
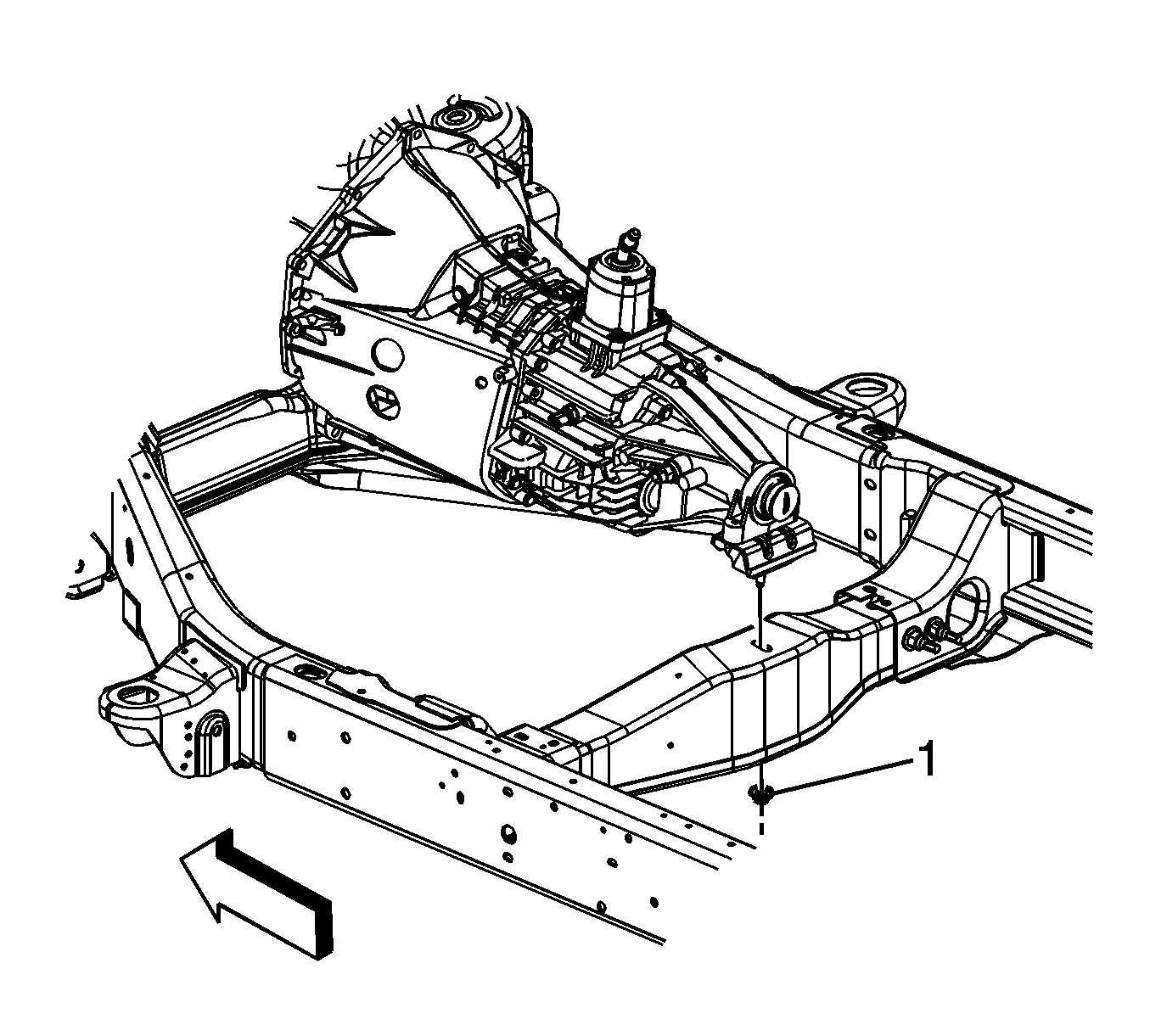
  2. Remove the transmission mount to crossmember nut (1).

  3. Object Number: 772345  Size: SH
  4. Remove the transmission mount to transmission bolts.
  5. Raise the transmission just enough in order to permit removal of the mount using a suitable transmission jack.
  6. Remove the transmission mount.

Installation Procedure

    Notice: Refer to Fastener Notice in the Preface section.


    Object Number: 772345  Size: SH
  1. Position the transmission mount.
  2. Install the transmission mount to transmission bolts.
  3. Tighten
    Tighten the bolts to 50 N·m (37 lb ft).

  4. Lower the transmission and remove the transmission jack.

  5. Object Number: 1961851  Size: SH
  6. Install the transmission mount to crossmember nut (1).
  7. Tighten
    Tighten the nut to 40 N·m (30 lb ft).

  8. Lower the vehicle.