GM Service Manual Online
For 1990-2009 cars only
Makes
🢒
Chevrolet
🢒
2008
🢒
Silverado - 4WD
🢒
Power and Signal Distribution
🢒
Wiring Systems and Power Management
🢒 Trailer Connector/Provision Schematics
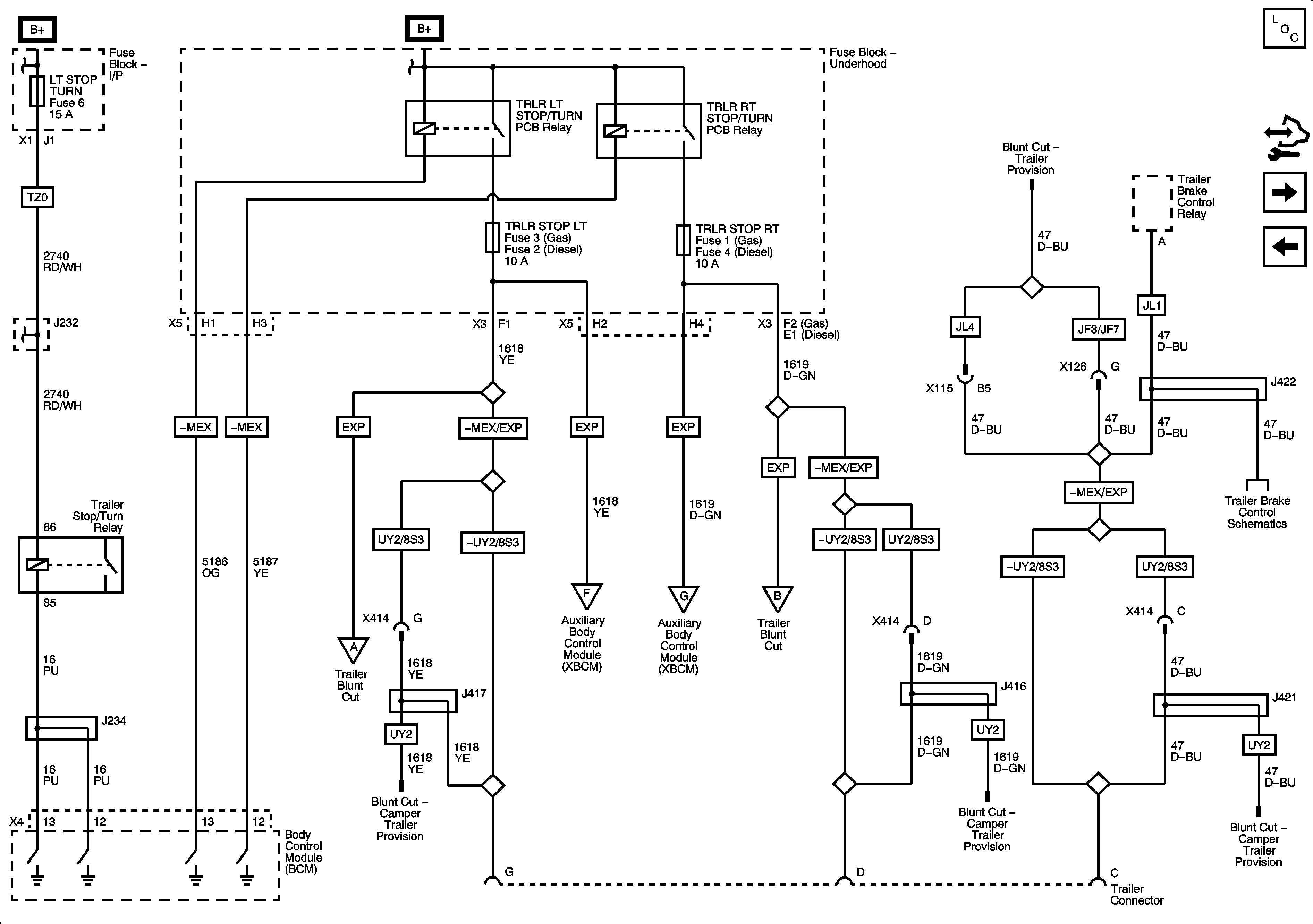
Figure
1:
Trailer Connector 1 of 2
Master Electrical Component List
Control Module References
Trailer Connector 2 of 2
Figure
2:
Trailer Connector 2 of 2
Master Electrical Component List
Control Module References
EXP
Trailer Connector 1 of 2
Figure
3:
EXP
Master Electrical Component List
Control Module References
Trailer Connector 2 of 2