GM Service Manual Online
For 1990-2009 cars only
Makes
🢒
Chevrolet
🢒
2008
🢒
Silverado - 4WD
🢒
Power and Signal Distribution
🢒
Wiring Systems and Power Management
🢒 Upfitter Provision Schematics
Figure
1:
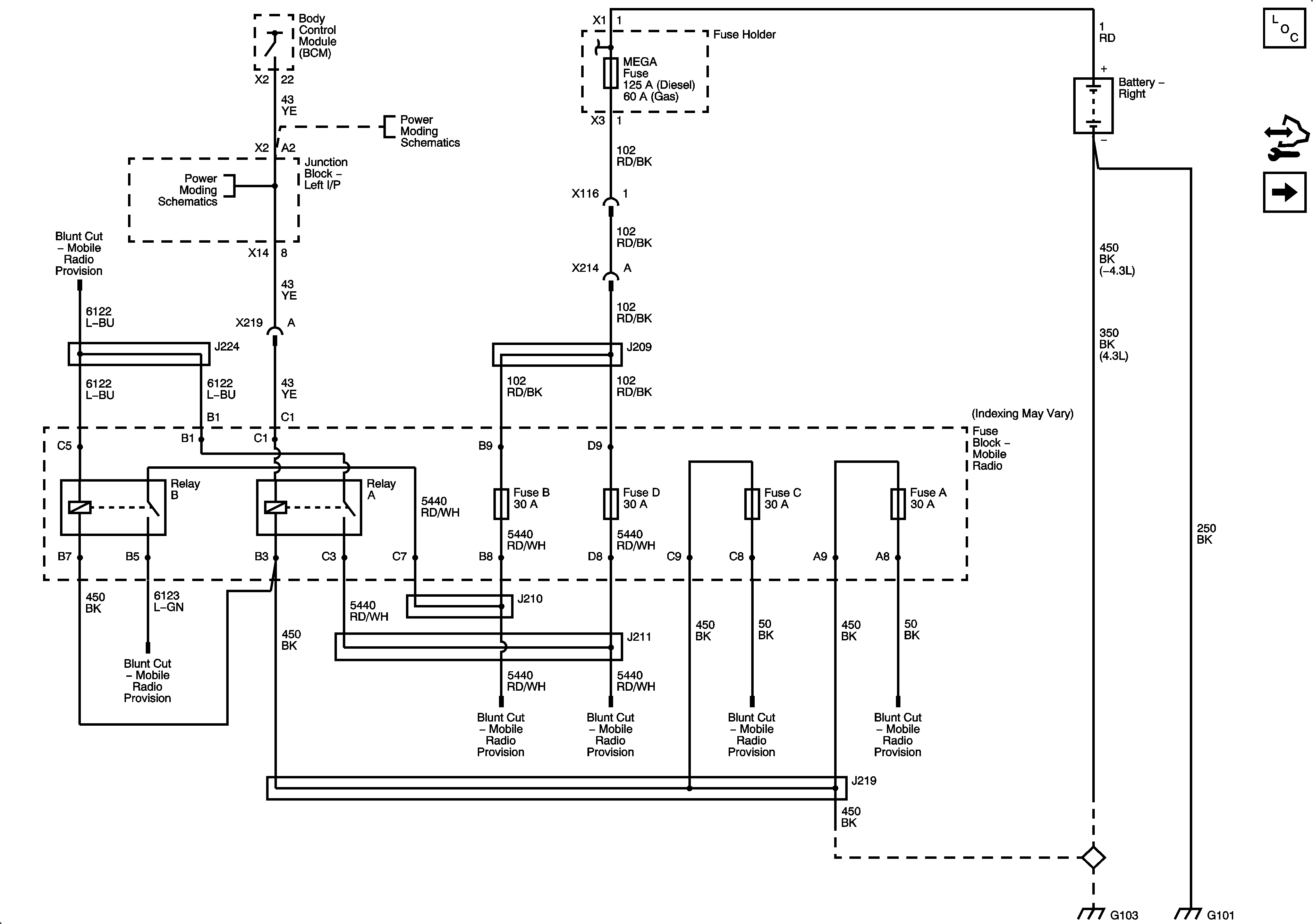
Mobile Radio Power (9L4)
Master Electrical Component List
Control Module References
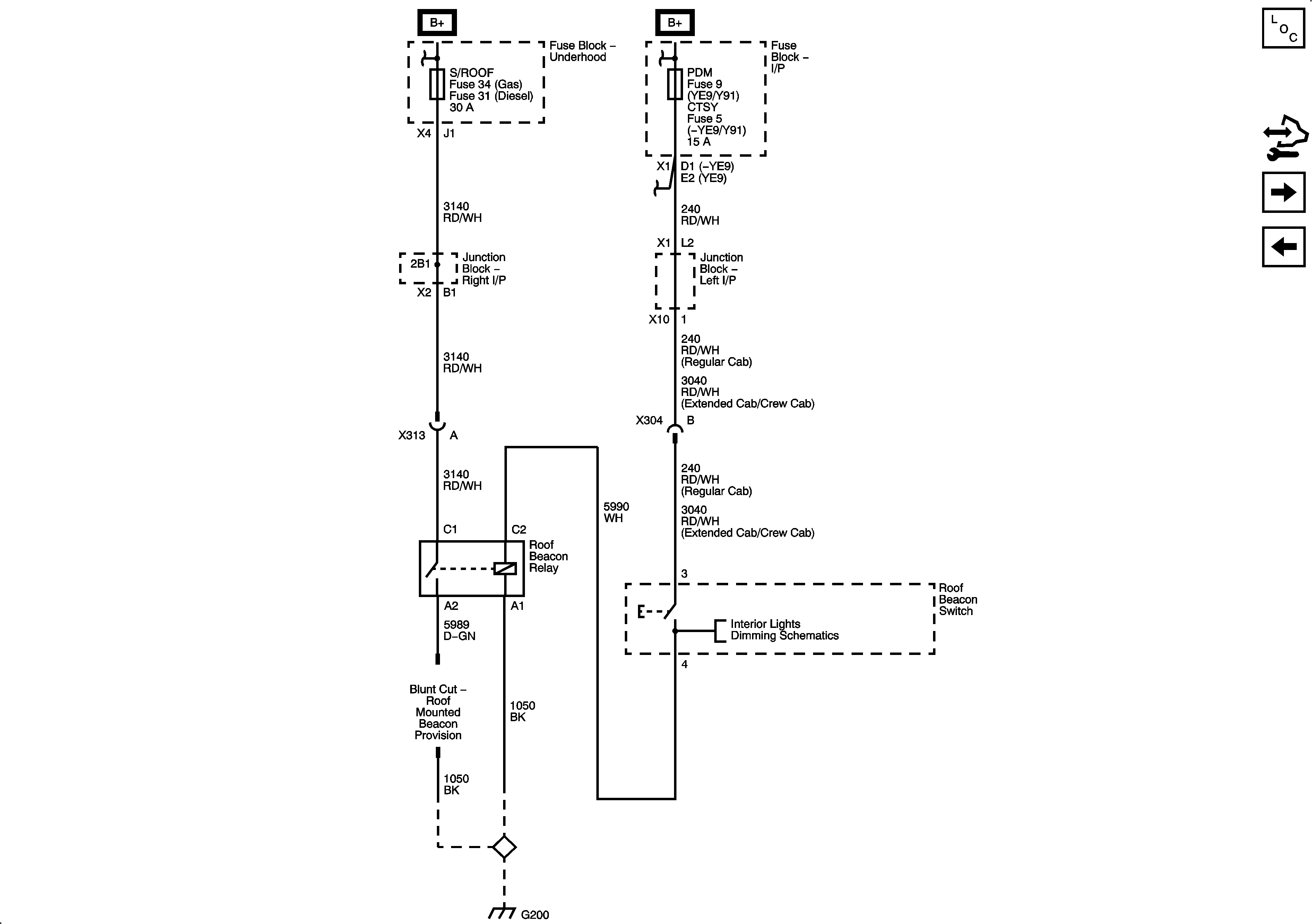
Roof Beacon Wiring (TRW)
Figure
2:
Roof Beacon Wiring (TRW)
Master Electrical Component List
Control Module References
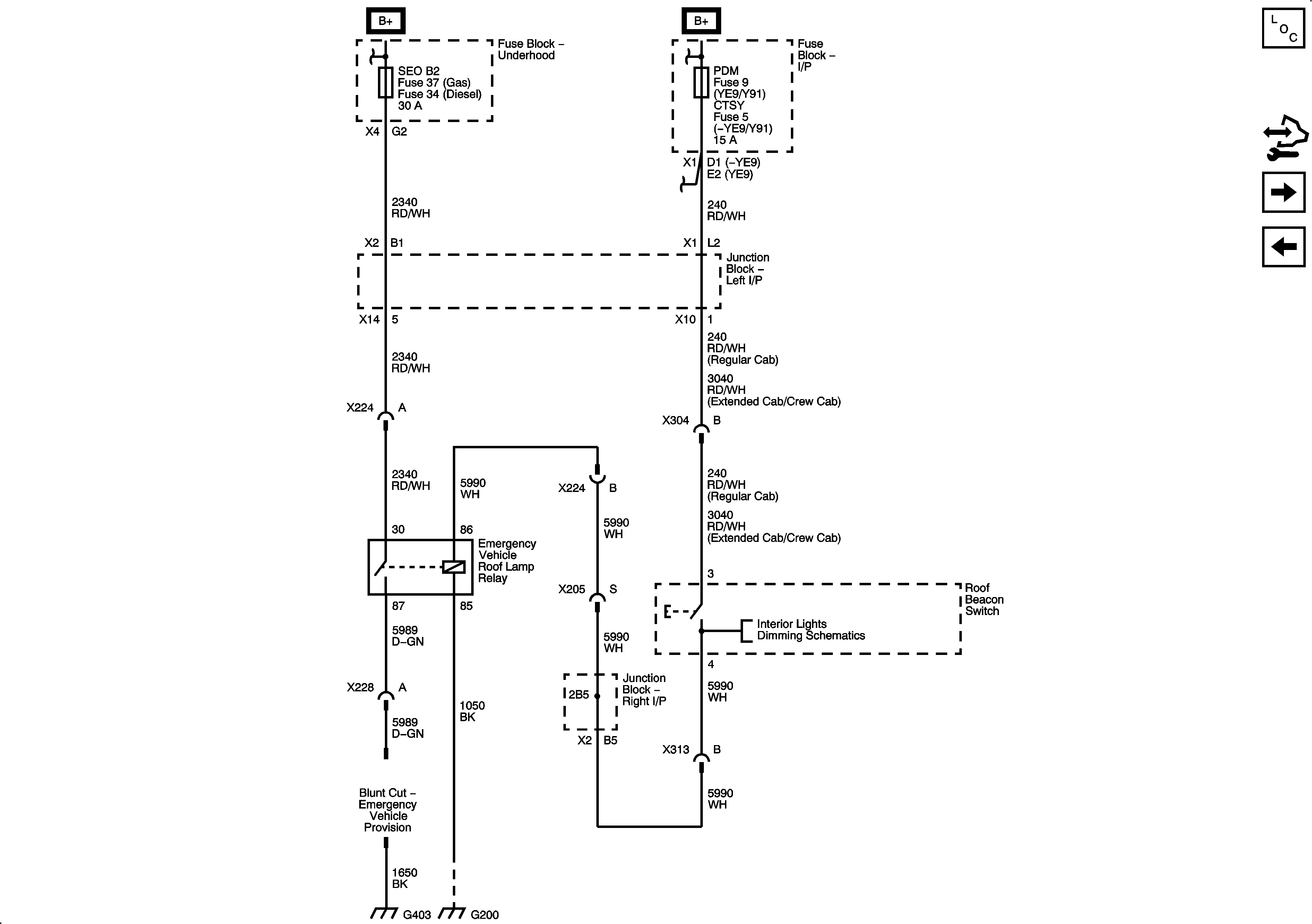
Emergency Vehicle Wiring (5Y0)
Mobile Radio Power (9L4)
Figure
3:
Emergency Vehicle Wiring (5Y0)
Master Electrical Component List
Control Module References
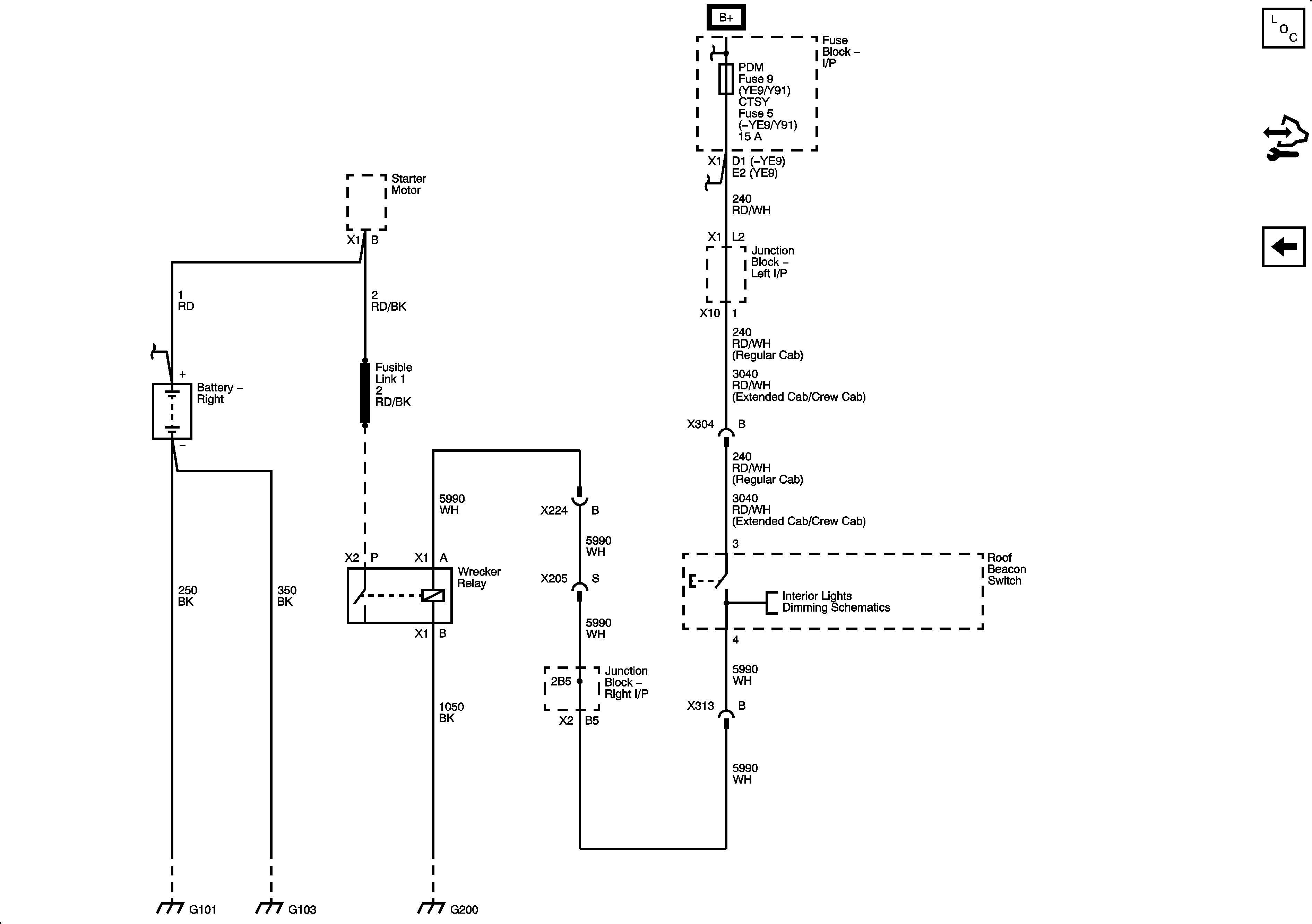
Wrecker Wiring (5X7)
Roof Beacon Wiring (TRW)
Figure
4:
Wrecker Wiring (5X7)
Master Electrical Component List
Control Module References
Emergency Vehicle Wiring (5Y0)