GM Service Manual Online
For 1990-2009 cars only
Makes
🢒
Chevrolet
🢒
1998
🢒
Tahoe 4WD - RHD
🢒
Body and Accessories
🢒
Lighting Systems
🢒 Interior Lights Schematics
Figure
1:
Cell 114: CTSY Fuse
Lighting Systems Components
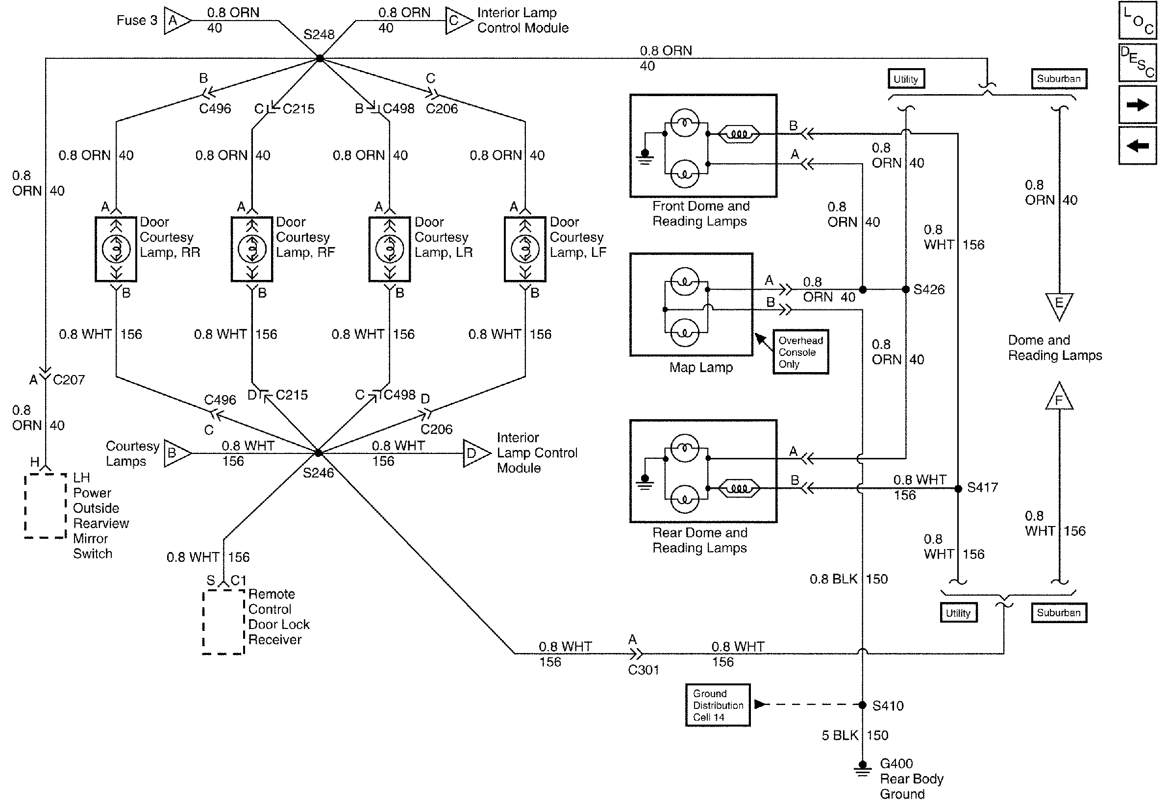
Cell 114: Door Courtesy Lamps and Reading Lamps
Figure
2:
Cell 114: Door Courtesy Lamps and Reading Lamps
Lighting Systems Components
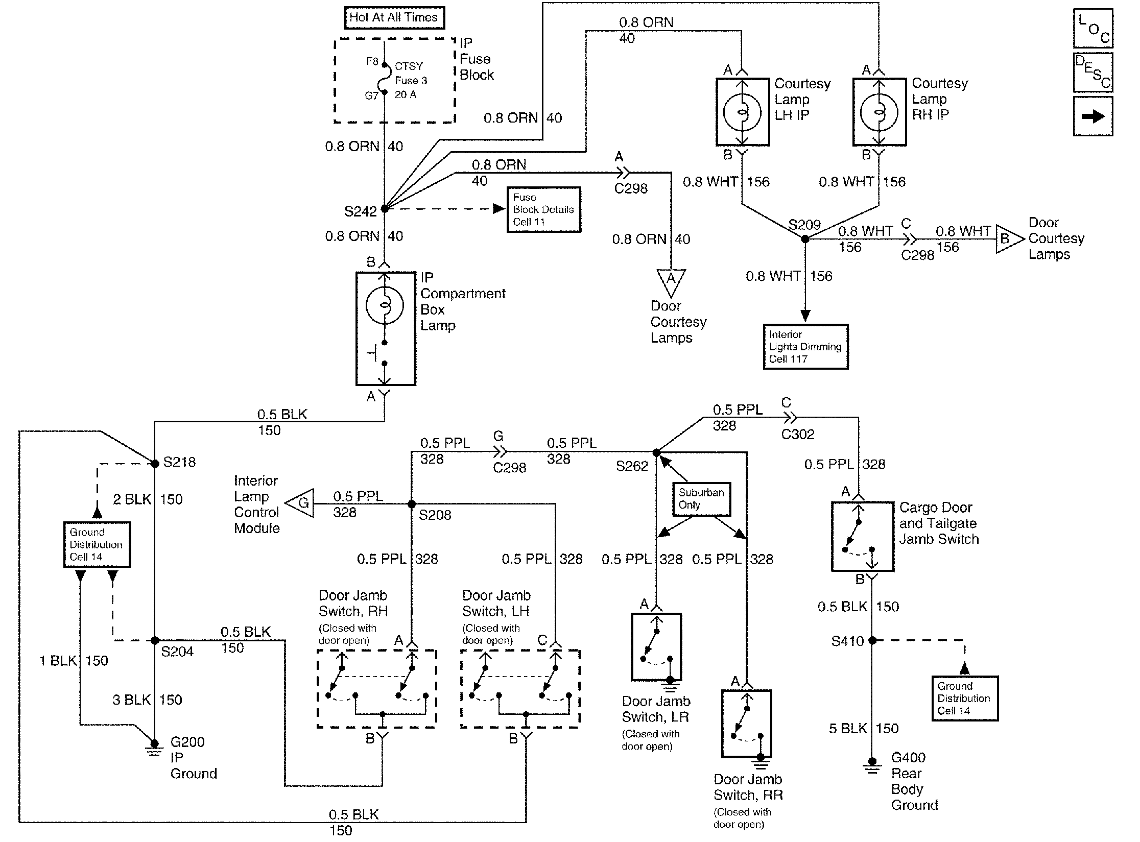
Cell 114: Gauges Fuse
Cell 114: CTSY Fuse
Figure
3:
Cell 114: Gauges Fuse
Lighting Systems Components
Cell 114: Door Courtesy Lamps and Reading Lamps
Handling ESD Sensitive Parts Notice