GM Service Manual Online
For 1990-2009 cars only
Makes
🢒
Chevrolet
🢒
1998
🢒
Tahoe 4WD - RHD
🢒
Body and Accessories
🢒
Entertainment
🢒 Radio/Audio System Schematics
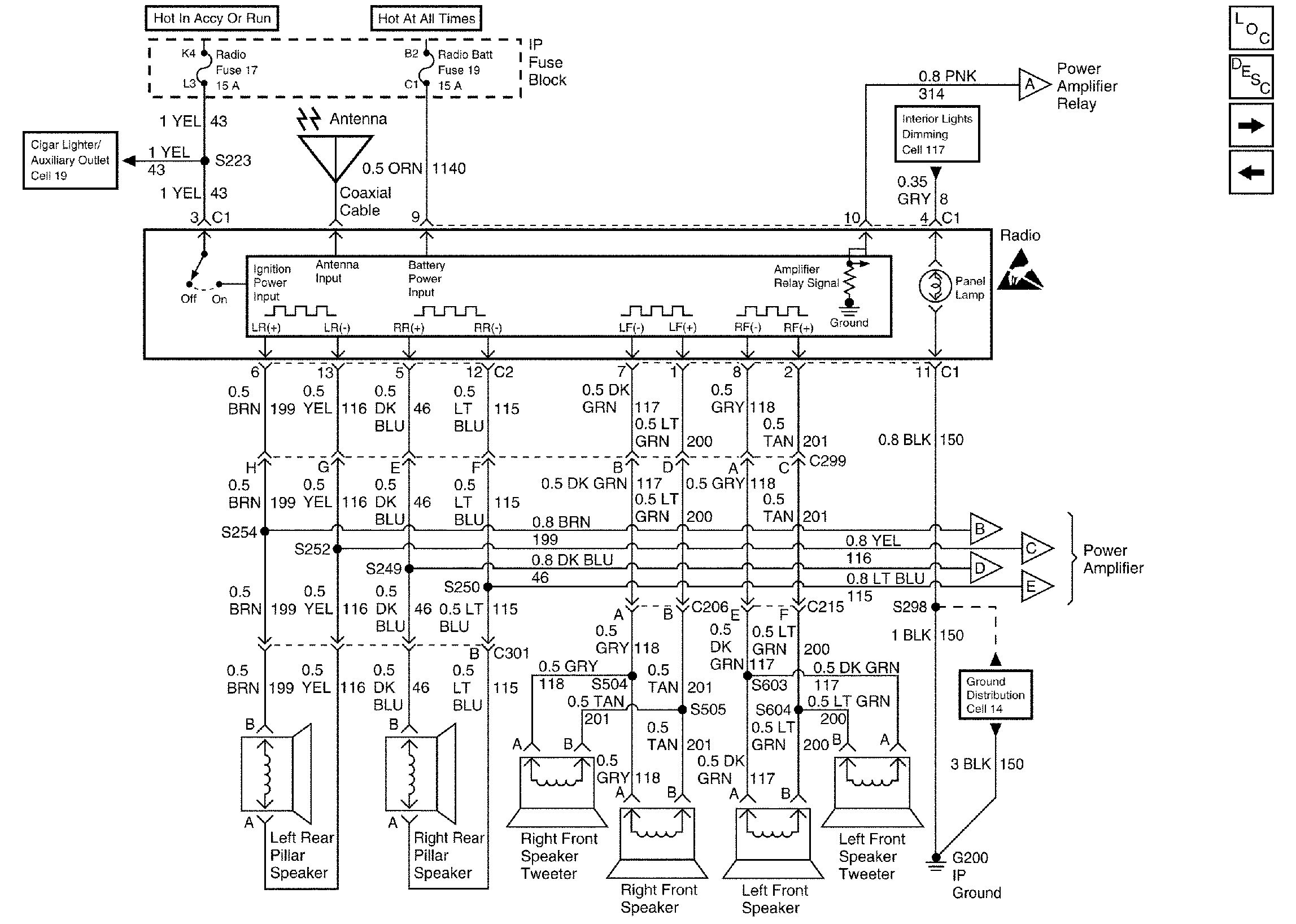
Figure
1:
Cell 150: Pillar and Front Speakers
Entertainment Components
Radio/Audio System Operation
Cell 150: Pillar and Front Speakers with Power Amplifier
Handling ESD Sensitive Parts Notice
Figure
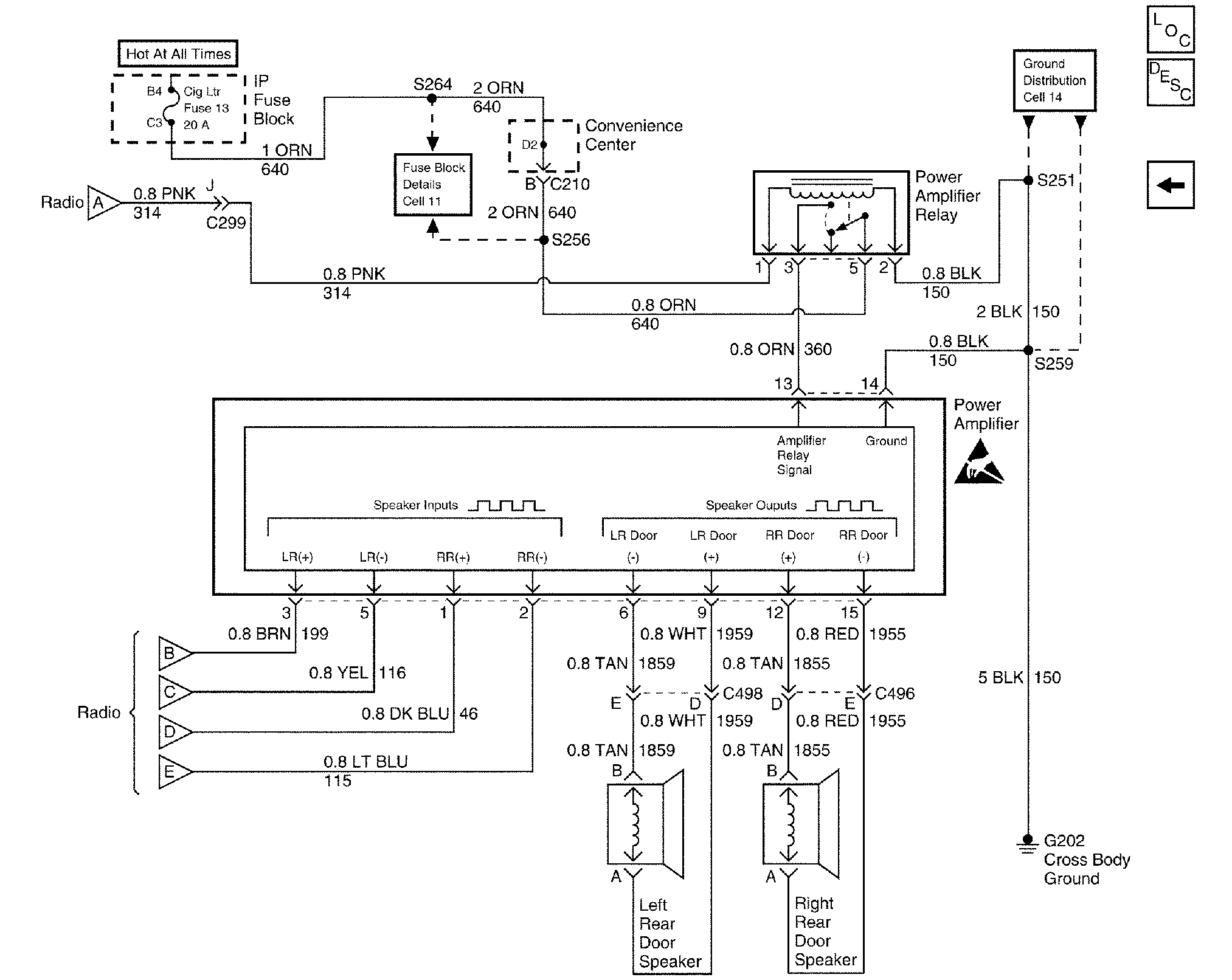
2:
Cell 150: Pillar and Front Speakers with Power Amplifier
Entertainment Components
Radio/Audio System Operation
Cell 150: Power Amplifier
Cell 150: Pillar and Front Speakers
Handling ESD Sensitive Parts Notice
Figure
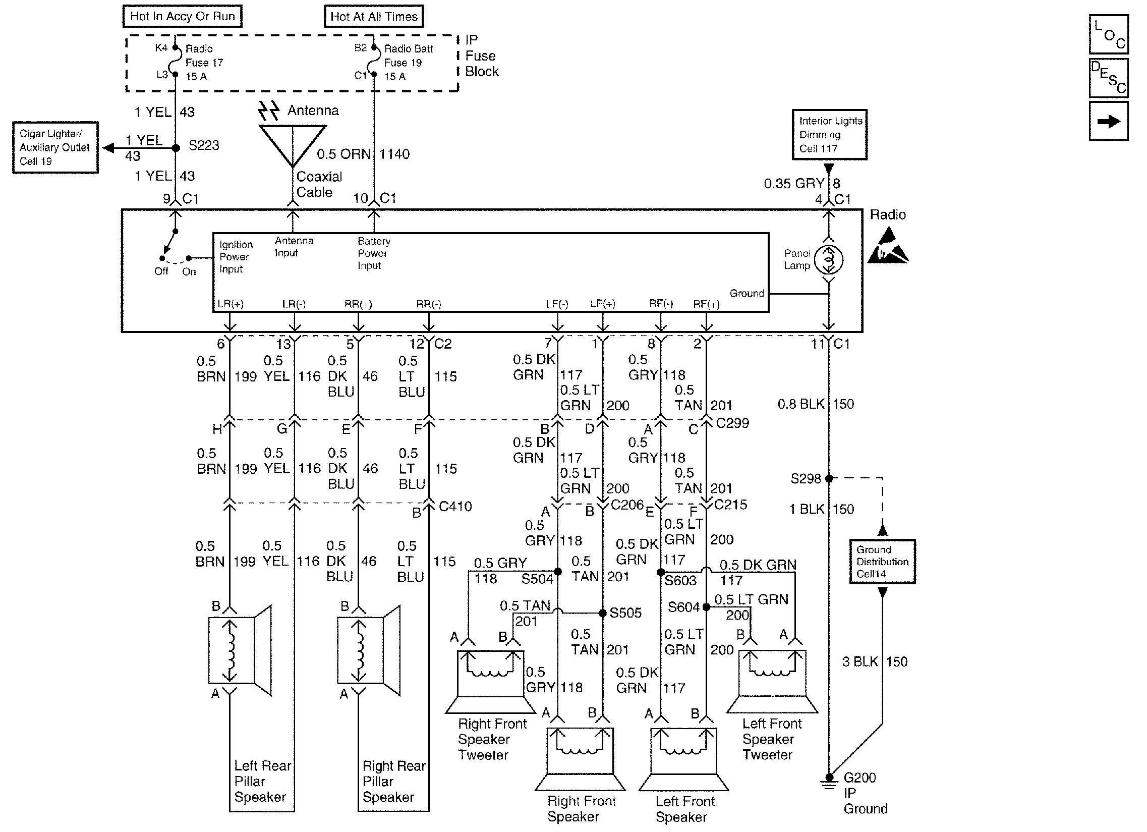
3:
Cell 150: Power Amplifier
Entertainment Components
Radio/Audio System Operation
Cell 150: Pillar and Front Speakers with Power Amplifier
Handling ESD Sensitive Parts Notice