GM Service Manual Online
For 1990-2009 cars only
Figure 1:

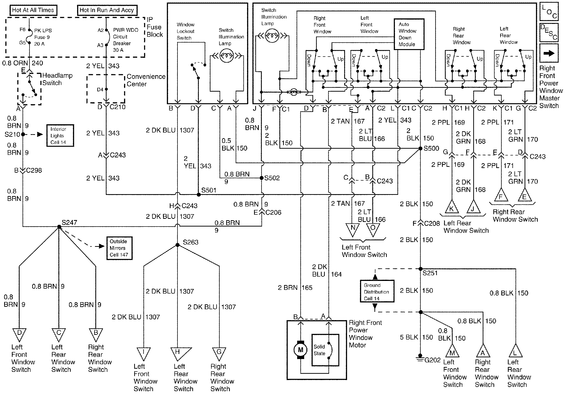
Cell 120: Power Window Motors


Object Number: 295706  Size: FS
Figure 2:

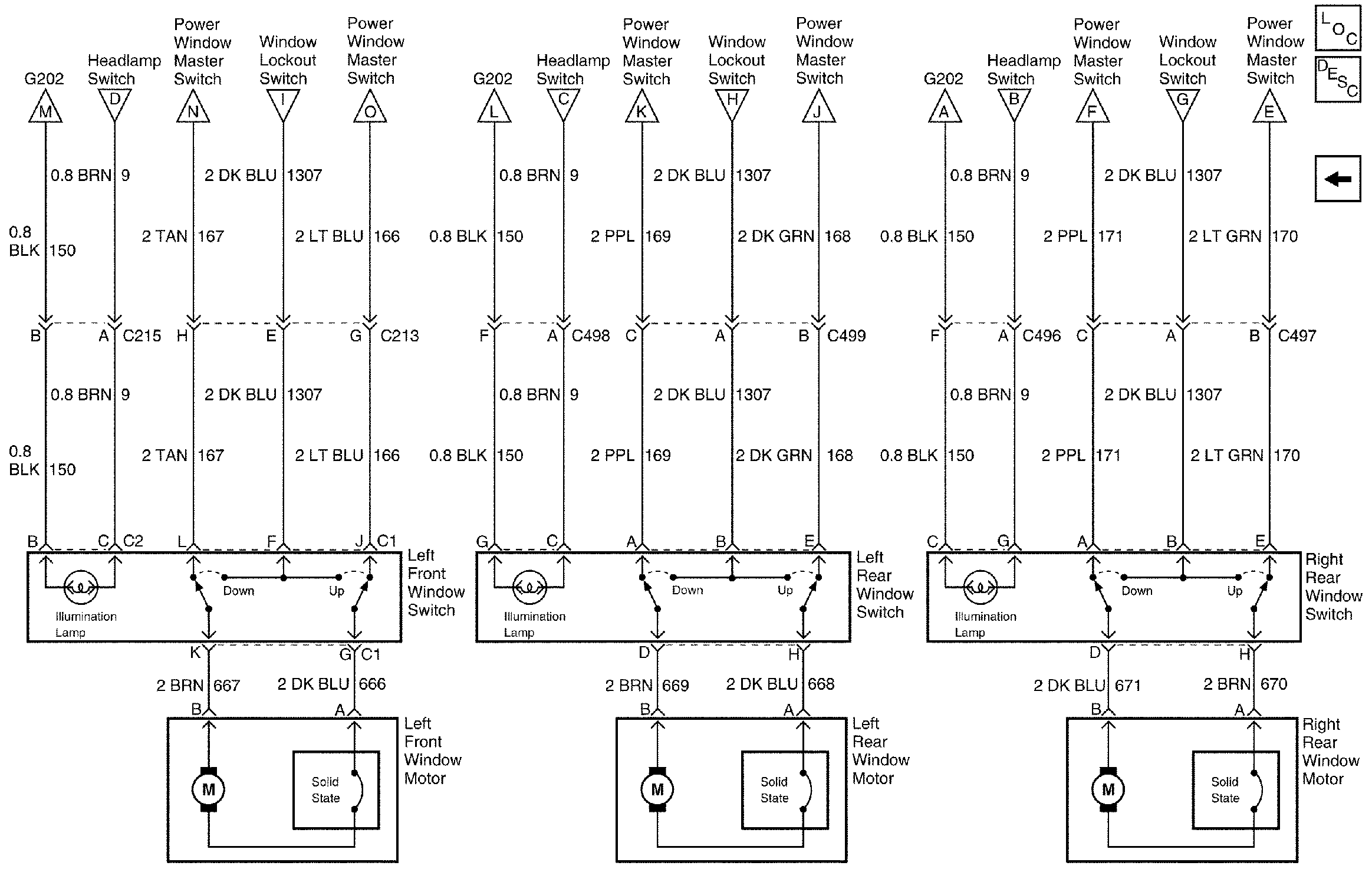
Cell 120: Right Front Power Window Master Switch


Object Number: 295707  Size: FS
Figure 3:

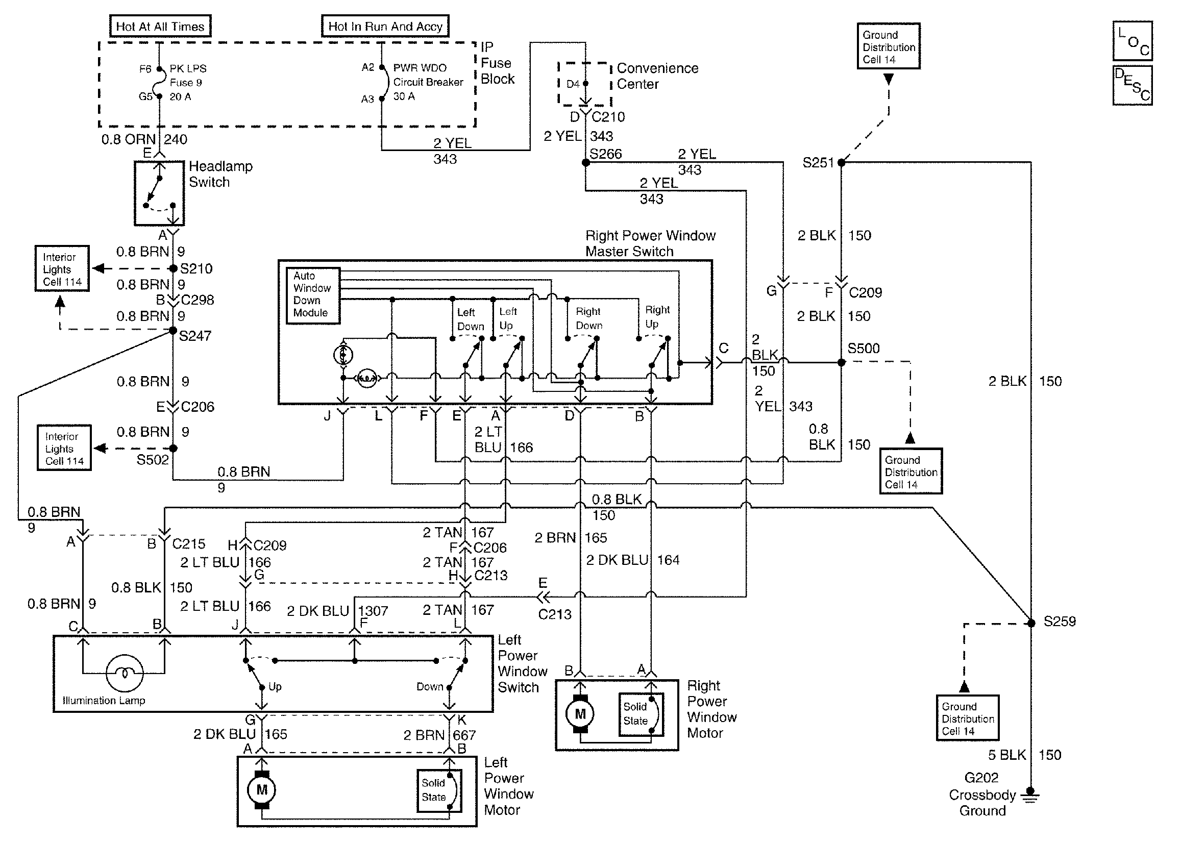
Cell 120: Window Switches and Motors


Object Number: 295708  Size: FS