GM Service Manual Online
For 1990-2009 cars only
Makes
🢒
Chevrolet
🢒
1998
🢒
Tahoe 4WD - RHD
🢒
Body and Accessories
🢒
Doors
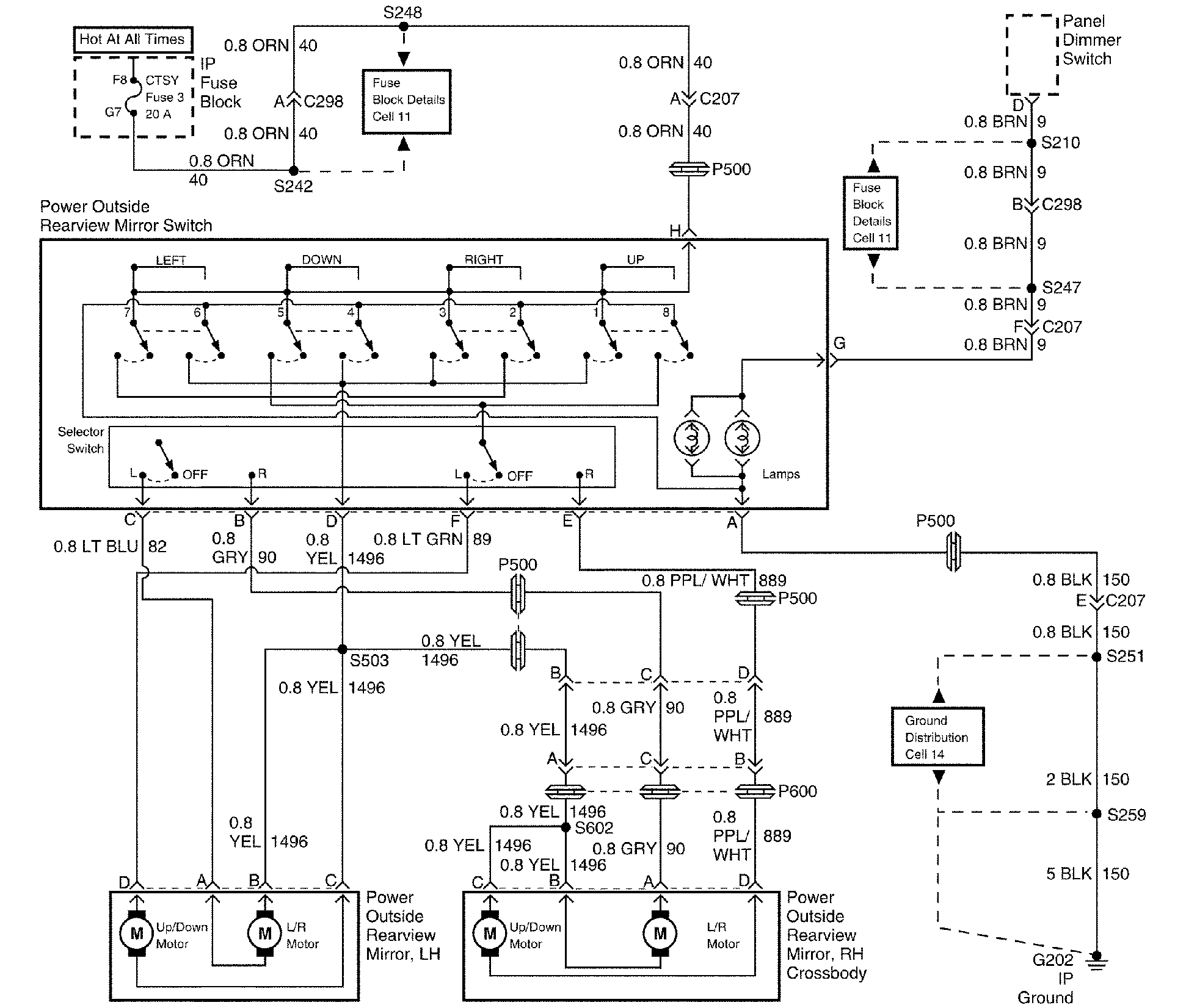
🢒 Outside Rearview Mirror Schematics
Cell 147