GM Service Manual Online
For 1990-2009 cars only
Makes
🢒
Chevrolet
🢒
1998
🢒
Tahoe 4WD - RHD
🢒
Body and Accessories
🢒
Seats
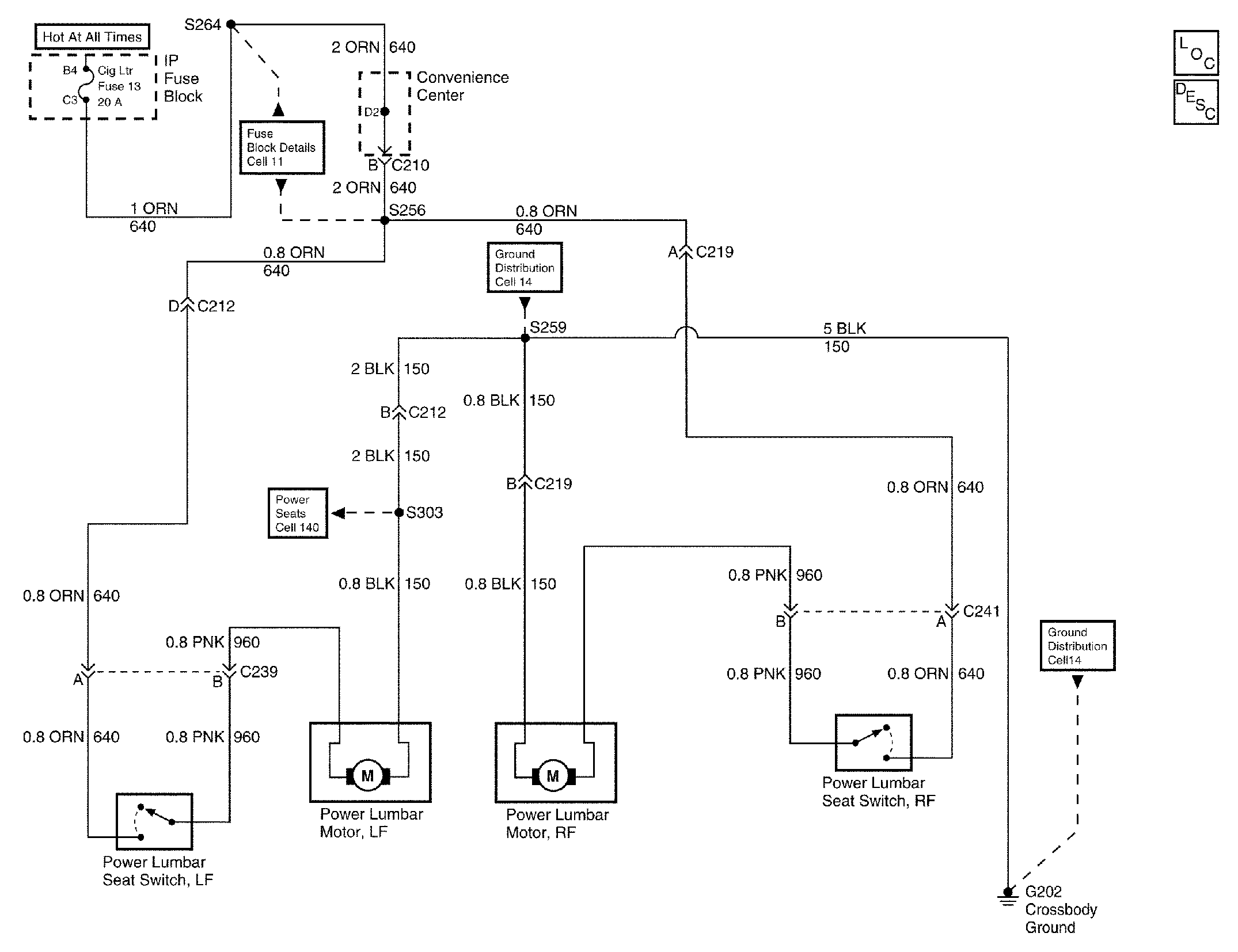
🢒 Lumbar Support Schematics
Cell 142
Power Seat Systems Components
Power Seats Circuit Description