GM Service Manual Online
For 1990-2009 cars only
Makes
🢒
Chevrolet
🢒
1999
🢒
Tahoe 4WD - RHD
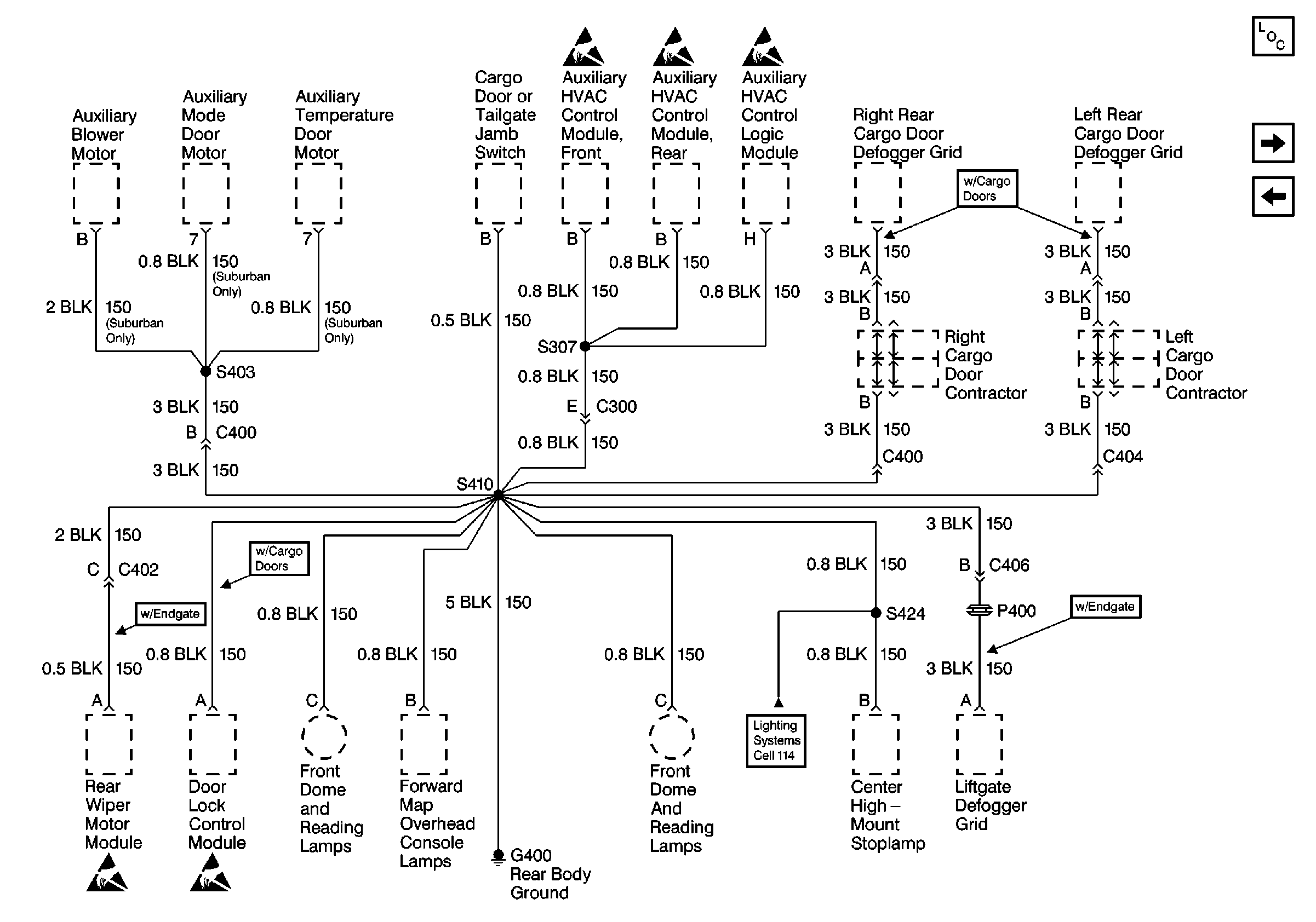
🢒 Cell 14: G400
Cell 14: G400
Cell 14: G400
Power and Grounding Components
Cell 14: G200, 2 of 2
Handling ESD Sensitive Parts Notice
Handling ESD Sensitive Parts Notice
Handling ESD Sensitive Parts Notice