GM Service Manual Online
For 1990-2009 cars only

Removal Procedure

Tools Required
J 23523-F Balancer Remover and Installer.

  1. Evacuate the air conditioning system, if equipped. Refer to Refrigerant Recovery and Recharging Recharging the Refrigerant System in Heating, Ventilication and Air Conditioning.
  2. Disconnect the battery negative cable. Refer to Battery Cable in Engine Electrical.

  3. Object Number: 66878  Size: SH
  4. Drain the engine oil. Refer to Engine Oil and Oil Filter Replacement .
  5. Remove the valve lifters. Refer to Valve Lifter Replacement .
  6. Remove the engine cooling fan and the fan shroud. Refer to Fan Clutch Replacement .
  7. Remove the radiator grille. Refer to Grille Replacement .
  8. Remove the hood latch bracket. Refer to Hood Primary and Secondary Latch Replacement .
  9. Remove the radiator. Refer to Radiator Replacement .
  10. Remove the A/C condenser, if equipped. Refer to Condenser Replacement in Heating, Ventilication and Air Conditioning.
  11. Remove the water pump. Refer to Water Pump Replacement in Engine Cooling.
  12. Remove the three crankshaft pulley bolts and the crankshaft pulley.
  13. Use the J 23523-F in order to remove the crankshaft balancer.
  14. Refer to Crankshaft Balancer Replacement .

  15. Raise the vehicle.

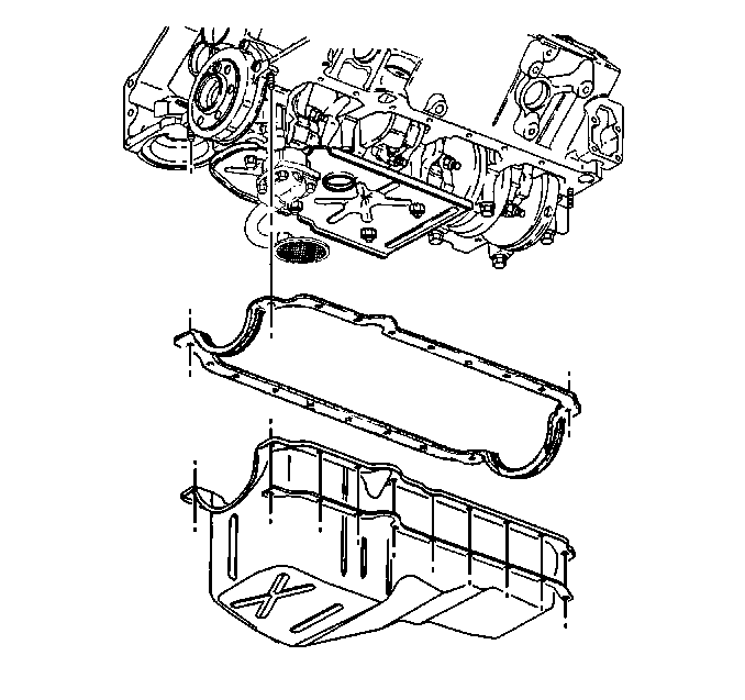
  16. Object Number: 176052  Size: SH
  17. Remove the fasteners from the oil pan. Do not remove the two nuts at the rear of the engine. Refer to Oil Pan Replacement .
  18. Lower the vehicle.
  19. Remove the engine front cover. Refer to Engine Front Cover Replacement .
  20. Remove the crankshaft position sensor reluctor ring. Refer to Crankshaft Position Sensor Reluctor Ring Replacement in Engine Controls 5.0, 5.7L.

  21. Object Number: 344371  Size: SH
  22. Rotate the number one piston to Top Dead Center (TDC).
  23. Align the timing marks on the camshaft and the crankshaft sprockets.

  24. Object Number: 182836  Size: SH
  25. Remove the camshaft sprocket bolts.
  26. Remove the camshaft sprocket and the camshaft timing chain. Refer to Timing Chain and Sprocket Replacement .
  27. Remove the camshaft retainer plate and bolts using a T-30 TORX® socket.

  28. Object Number: 344428  Size: SH

    Notice: All camshaft journals are the same diameter, so care must be used in removing or installing the camshaft to avoid damage to the camshaft bearings.

    Important: All camshaft journals are the same diameter, so care must be used in removing the camshaft to avoid damage to the bearings.

  29. Remove the engine camshaft.
  30. Inspect all parts for wear. Refer to Camshaft and Bearings Clean and Inspect .

Installation Procedure


    Object Number: 69013  Size: SH
  1. Install the camshaft. Refer to Camshaft Installation .
  2. Install the components removed from the front of the engine. Refer to Timing Chain and Sprocket Replacement .
  3. Install the water pump. Refer to Water Pump Replacement .
  4. Install the A/C condenser, if equipped. Refer to Condenser Replacement in Heating, Ventilation and Air Conditioning.
  5. Install the radiator. Refer to Radiator Replacement .
  6. Install the hood latch bracket. Refer to Hood Primary and Secondary Latch Replacement .
  7. Install the radiator grille. Refer to Grille Replacement .
  8. Install the engine cooling fan and the upper fan shroud. Refer to Fan Clutch Replacement in Engine Cooling.
  9. Connect the battery negative cable. Refer to Battery Cable in Engine Electrical.
  10. Recharge the air conditioning system, if equipped. Refer to Refrigerant Recovery and Recharging in Heating, Ventilication and Air Conditioning.
  11. Replace the engine oil filter. Refer to Engine Oil and Oil Filter Replacement .