GM Service Manual Online
For 1990-2009 cars only
Figure 1:

Power Outside Rearview Mirrors -- Except Luxury


Object Number: 929115  Size: FS
Power Door Systems Components
Outside Mirrors Circuit Description
Power Outside Rearview Mirrors - Luxury
T CASE, and CTSY Fuses (1 of 2)
T CASE, and CTSY Fuses (1 of 2)
Fuses, Headlamp and Panel Dimmer Switch and Window Switches
G202 (3 of 4)
G202 (2 of 4)
Figure 2:

Power Outside Rearview Mirrors -- Luxury


Object Number: 929116  Size: FS
Power Door Systems Components
Outside Mirrors Circuit Description
Fuse Block, HVAC Control Module
Power Outside Rearview Mirrors - Except Luxury
Handling ESD Sensitive Parts Notice
Handling ESD Sensitive Parts Notice
Fuses, Headlamp and Panel Dimmer Switch and Window Switches
Courtesy Lamps and Rearview Mirror Switch
Handling ESD Sensitive Parts Notice
G202 (3 of 4)
G202 (2 of 4)
Figure 3:

Fuse Block, HVAC Control Module


Object Number: 423973  Size: FS
Power Door Systems Component Views
Heated Mirror Circuit Description
Heated Mirror Relay, Heated Mirrors
Power Outside Rearview Mirrors - Luxury
Cell 10: BRAKE and HTR-A/C Fuses
Handling ESD Sensitive Parts Notice
Cell 14: G200 (1 of 4)
Cell 14: G200 (1 of 4)
Cell 14: G400
Heated Mirror Relay, Heated Mirrors
Cell 10: Battery, and Underhood Fuse Block
Cell 10: IGN B Fuse and Ignition Switch
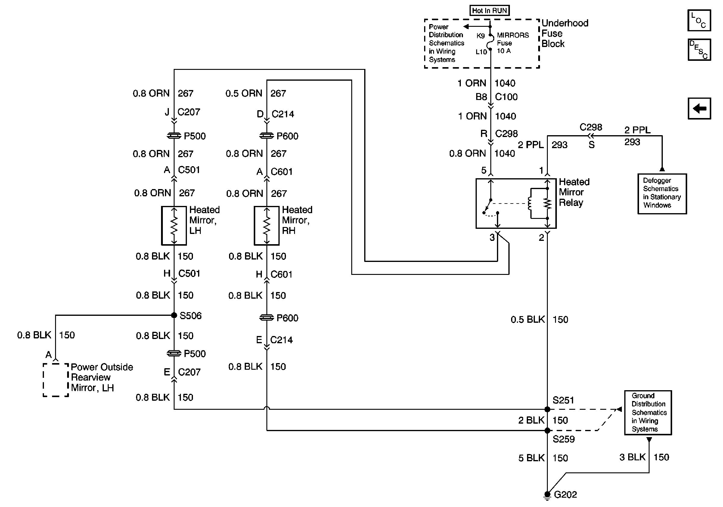
Figure 4:

Heated Mirrors


Object Number: 564595  Size: FS
Power Door Systems Components
Heated Mirror Circuit Description
Power Outside Rearview Mirrors - Except Luxury
FRONT HEATED SEATS, REAR HEATED SEATS, HTD MIR, AUX FAN, and RR DEFOG Fuses
Mirrors Fuse, Heated Mirrors, Heated Mirror Relay
G202 (2 of 4)