GM Service Manual Online
For 1990-2009 cars only

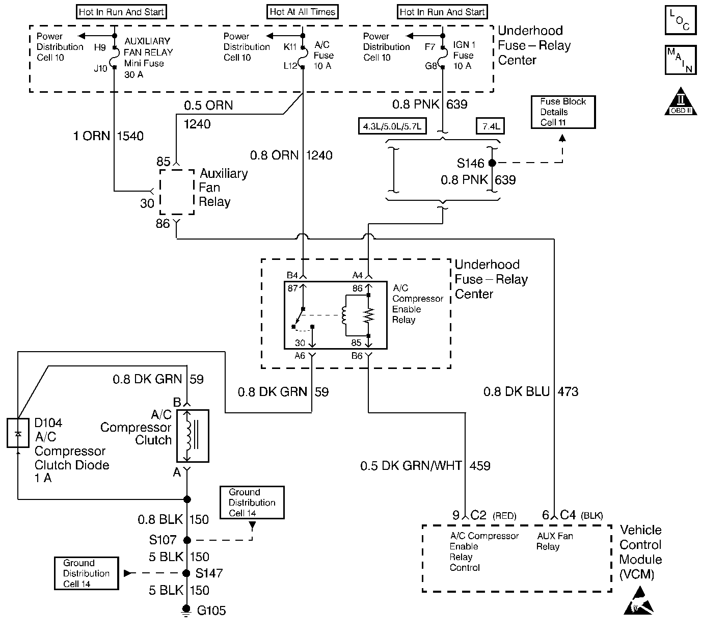
Object Number: 68567  Size: LF
Engine Controls Components
Engine Controls Schematics
OBD II Symbol Description Notice
Handling ESD Sensitive Parts Notice

Circuit Description:

The auxilary cooling fan is controlled by the VCM based on various inputs. Battery voltage is supplied to the auxilary cooling fan relay. Ignition voltage is supplied to the auxilary fan relay (coil side). The VCM controls the cooling fan relay by providing a ground path.

Diagnostic Aids

If the driver complaint is an overheating problem, it must be determined if the complaint was due to an actual boil over, or the warning indicator light, or engine coolant temperature gage indicated overheating. The gage accuracy can also be checked by comparing the Engine Coolant Temperature (ECT) sensor reading using a scan tool and comparing its reading with the gage reading. If the engine is actually overheating and the gage indicated overheating, but the cooling fan is not coming ON, the Engine Coolant Temperature (ECT) sensor has probably shifted out of calibration and should be replaced.

If the engine is overheating and the cooling fan is ON, the cooling system should be checked, refer to Section 6B.

The VCM will command the auxiliary cooling fan on at 107°C (225°F) and OFF at 103°C (218°F).

Test Description

Number(s) below refer to step numbers on the diagnostic table.

  1. Engine coolant temperature must be below 100°C (212°F) to perform this test.

  2. This check can detect a partially shorted coil which would cause excessive current flow. Leaving the circuit energized for 2  minutes allows the coil to warm up. When warm the coil may open (amps drop to 0), or short (goes above 0.75 Amp).

  3. Listen for an audible click when the relay operates. Be sure that both the ON and OFF states are commanded. Repeat the commands as necessary.

  4. If no trouble is found in the control circuit or the connection at the VCM, the VCM may be faulty, however, this is an extremely unlikely failure.

Step

Action

Value(s)

Yes

No

1

Was the Powertrain On-Board Diagnostic (OBD) System Check performed?

--

Go to Step 2

Go to Powertrain On Board Diagnostic (OBD) System Check

2

Install scan tool.

Are any DTCs set?

--

Go to applicable table.

Go to Step 3

3

  1. Engine coolant temperature must be below the specified value to diagnose the cooling fan system
  2. Turn ignition on engine Off

Is the cooling fan Off?

100°C (212°F

Go to step 4

Go to Step 5

4

Using the scan tool, command the cooling fan relay On and then Off

Does the cooling fan turn On and Off with each command?

--

System OK Refer to Diagnostic Aids

Go to Step 6

5

Disconnect the cooling fan relay.

Does the fan stop?

--

Go to Step 10

Go to Step 16

6

  1. Turn the ignition Off
  2. Disconnect the fan relay.
  3. Turn the ignition ON.
  4. Connect a test light to ground and probe the battery feed circuits at the relay connector.

Is the test light ON at both circuits?

--

Go to Step 7

Go to Step 19

7

  1. Disconnect the fan relay.
  2. Connect a test light between a battery feed circuit and the auxiliary fan relay control circuit at the relay harness.
  3. Turn the ignition ON.
  4. Using a scan tool, command the fan ON and then OFF.

Does the test light turn ON and OFF with each command

--

Go to Step 8

Go to Step 11

8

  1. Reconnect the fan relay.
  2. Turn the ignition OFF.
  3. Disconnect the VCM connector containing the relay control circuit.
  4. Turn the ignition ON.
  5. Using the DVM J 39200 on 10 amp scale, measure current draw on the relay control circuit from the VCM harness connector to ground for the specified value.

Is the current draw less than the specified value?

2  Minutes 0.75  amp

Go to Step 22

Go to Step 11

9

  1. Disconnect the fan electrical connector
  2. Connect a test light across the fan electrical connector terminals

Is the test light ON?

--

Go to Step 16

Go to Step 10

10

  1. Disconnect the VCM connector containing the relay control circuit.
  2. Using DVM J 39200, measure the resistance between the relay control circuit at the VCM harness connector and ground.

Is the resistance at the specified value?

Go to Step 24

Go to Step 20

11

Connect a fused jumper wire between the battery feed circuit and circuit leading to the fan motor

Does the fan operate?

--

Go to Step 12

Go to Step 15

12

  1. Turn the ignition OFF.
  2. Reconnect the fan relay.
  3. Disconnect the VCM connector containing the fan relay control circuit.
  4. Turn the ignition ON.
  5. Connect a fused jumper wire to ground and probe the fan relay control circuit at the VCM harness connector.

Does the relay operate?

--

Go to Step 14

Go to Step 13

13

Check the connections at the fan relay. If faulty connection is found, repair as necessary. Refer to Engine Electrical.

Was a problem found?

--

System OK

Go to Step 14

14

Check the connections at the VCM. If faulty connection is found, repair as necessary. Refer to Engine Electrical.

Was a problem found?

--

System OK

Go to Step 21

15

Check the connections at the fan motor harness connector. If faulty connection is found, repair as necessary. Refer to Engine Electrical.

Was a problem found?

--

System OK

Go to Step 17

16

Repair a short to voltage in the power feed circuit between the fan relay and the fan motor.

Is action complete?

--

System OK

--

17

Check for an open in the power feed circuit between the fan relay and the fan motor. Refer to Engine Electrical.

Was a problem found?

--

System OK

Go to Step 18

18

Check for an open in the fan motor ground circuit. Refer to Engine Electrical.

Was a problem found and repaired?

--

System OK

Go to Step 23

19

Repair an open in the battery feed circuit that did not light the test light. Refer to Engine Electrical.

Is the action complete?

--

System OK

--

20

Repair short to ground in the relay control circuit.

Was a problem found and repaired?

--

System OK

Go to Step 22

21

Check for an open in the fan relay control circuit and repair as necessary. Refer to Engine Electrical.

Was a problem found and repaired?

--

System OK

Go to Step 22

22

Replace the auxiliary fan relay.

Is the fan OFF?

--

System OK

Go to Step 24

23

Replace the auxiliary fan motor.

Is the action complete?

--

System OK

--

24

Replace the VCM. Refer to VCM Replacement/Programming .

Is the action complete?

--

System OK

--