GM Service Manual Online
For 1990-2009 cars only
Makes
🢒
Chevrolet
🢒
1998
🢒
Tahoe - 2WD
🢒
Restraints
🢒
SIR
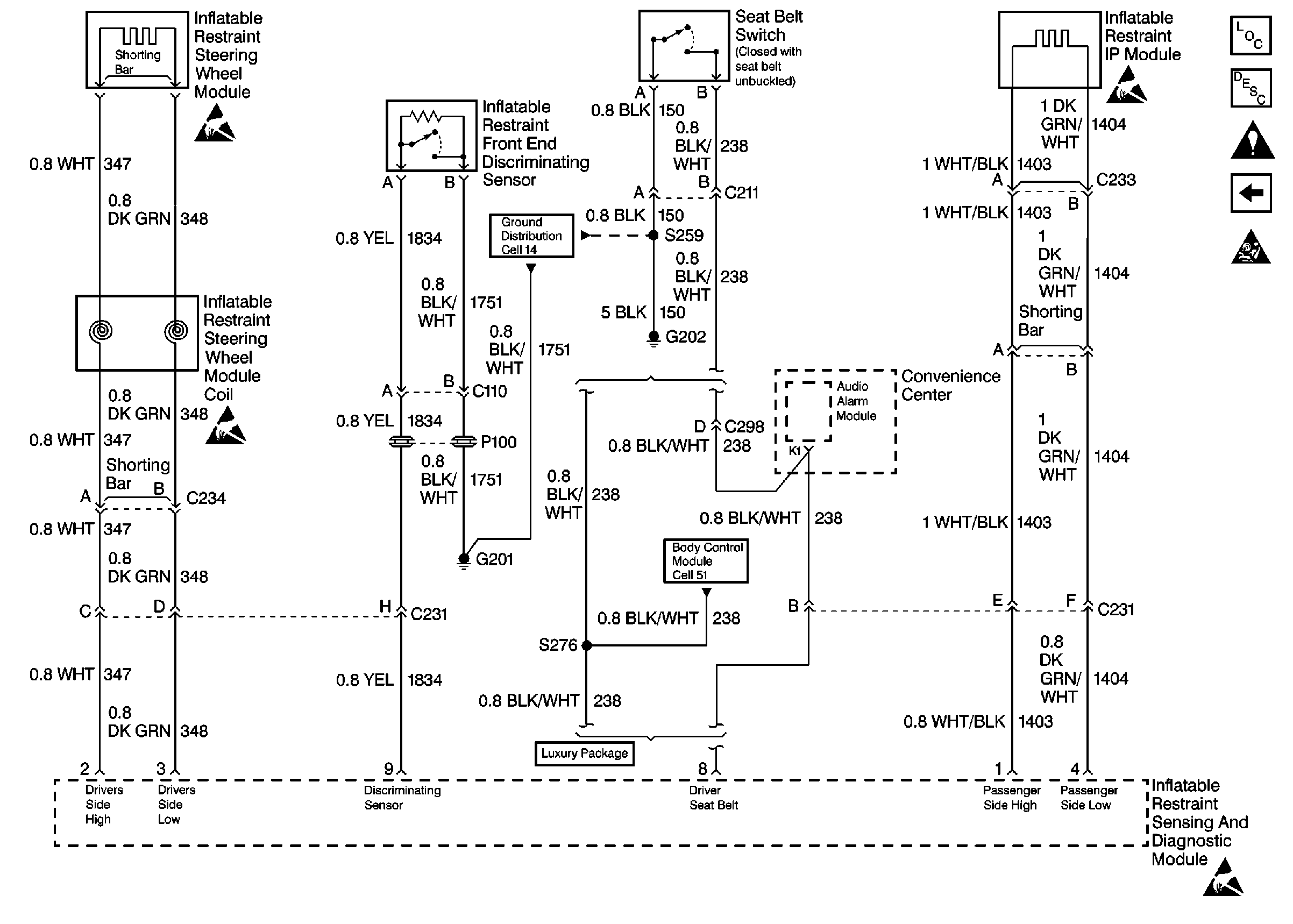
🢒 SIR Schematics
Figure
1:
Power, GND and DLC
Figure
2:
IP Module, Steering Wheel Module and Discriminating Sensor