GM Service Manual Online
For 1990-2009 cars only
Makes
🢒
Chevrolet
🢒
1999
🢒
Tahoe - 2WD
🢒
Brakes
🢒
Antilock Brake System
🢒 Antilock Brake System Schematics
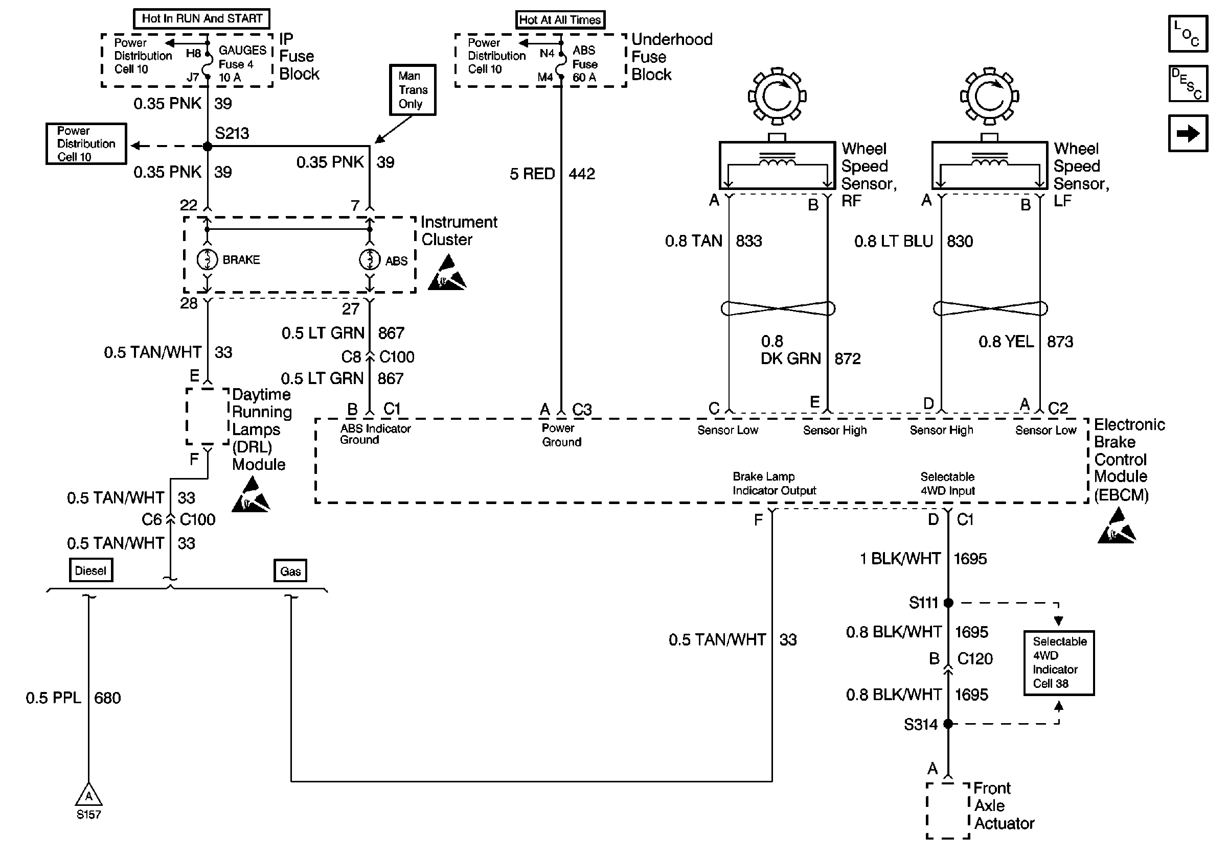
Figure
1:
Indicator Control and Wheel Speed Sensors
Antilock Brake System Component Views
VSS, TCC Signal and Brake Indicator (Gas)
Cell 10: IGN A Fuse and Ignition Switch
Cell 10: Battery, and Underhood Fuse Block
Cell 10: GAUGES Fuse
ABS Description
Handling Electrostatic Discharge Sensitive Parts Notice
Handling Electrostatic Discharge Sensitive Parts Notice
Handling Electrostatic Discharge Sensitive Parts Notice
Front Axle Actuator
VSS, TCC Signal and Brake Indicator (Diesel)
Figure
2:
VSS, TCC Signal and Brake Indicator (Gas)
Antilock Brake System Component Views
VSS, TCC Signal and Brake Indicator (Diesel)
Indicator Control and Wheel Speed Sensors
ABS Description
Cell 10: IGN B Fuse and Ignition Switch
Cell 34: Cruise Control Module, VCM (Gas) (2 of 2)
Shift Solenoids
Handling Electrostatic Discharge Sensitive Parts Notice
Cell 14: G105 (1 of 2)
Handling Electrostatic Discharge Sensitive Parts Notice
Handling Electrostatic Discharge Sensitive Parts Notice
Handling Electrostatic Discharge Sensitive Parts Notice
Figure
3:
VSS, TCC Signal and Brake Indicator (Diesel)
Antilock Brake System Component Views
VSS, TCC Signal and Brake Indicator (Gas)
ABS Description
Cell 10: IGN B Fuse and Ignition Switch
Cell 34: BRAKE, STOP/HAZ, CRUISE Fuses (Diesel)
Transmission and TCC Controls
Cell 14: G105 (1 of 2)
Handling Electrostatic Discharge Sensitive Parts Notice
Handling Electrostatic Discharge Sensitive Parts Notice
Handling Electrostatic Discharge Sensitive Parts Notice
Handling Electrostatic Discharge Sensitive Parts Notice
Handling Electrostatic Discharge Sensitive Parts Notice
Indicator Control and Wheel Speed Sensors