GM Service Manual Online
For 1990-2009 cars only
Makes
🢒
Chevrolet
🢒
1999
🢒
Tahoe - 2WD
🢒
Body and Accessories
🢒
Lighting Systems
🢒 Headlights/Daytime Running Lights (DRL) Schematics
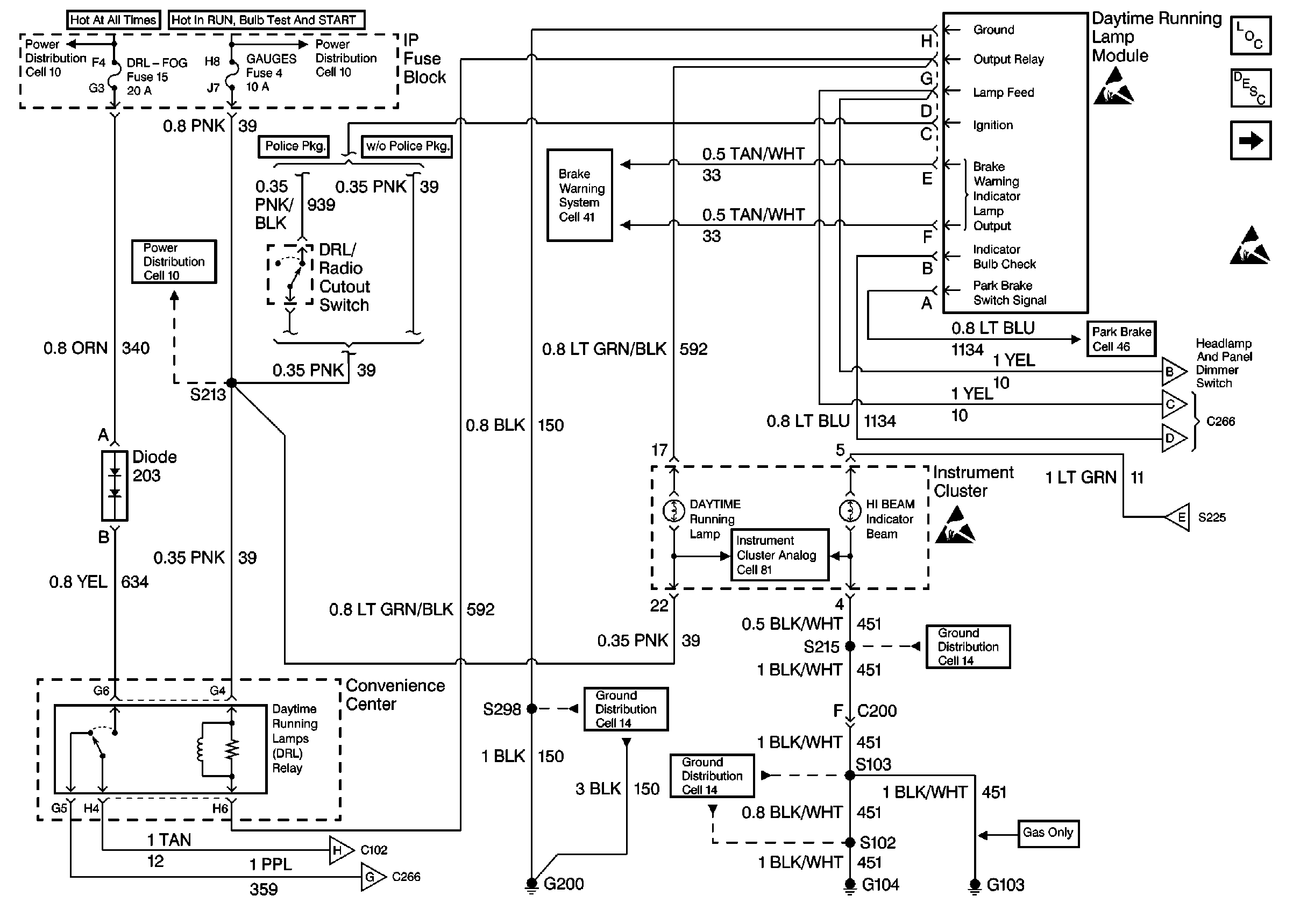
Figure
1:
Cell 102: DRL Module, DRL Relay
Headlights/Daytime Running Lights (DRL) Circuit Description
Cell 102: Headlamp and Panel Dimmer Switch, Headlamp Dimmer Switch
Ground Distribution Schematics
Cell 14: G103 and G104
Cell 102: Headlamp and Panel Dimmer Switch, Headlamp Dimmer Switch
Cell 102: Headlamp and Panel Dimmer Switch, Headlamp Dimmer Switch
Handling ESD Sensitive Parts Notice
Handling ESD Sensitive Parts Notice
Lighting Systems Components
Indicator Lamps
Cell 14: G200 (1 of 4)
Ignition Switch, DRL Module, G105 and G200
Cell 10: IGN A Fuse and Ignition Switch
Cell 10: LIGHTING and BATTERY Fuses
Cell 10: GAUGES Fuse
Fuse, DRL Module, Park Brake Switch, I/C
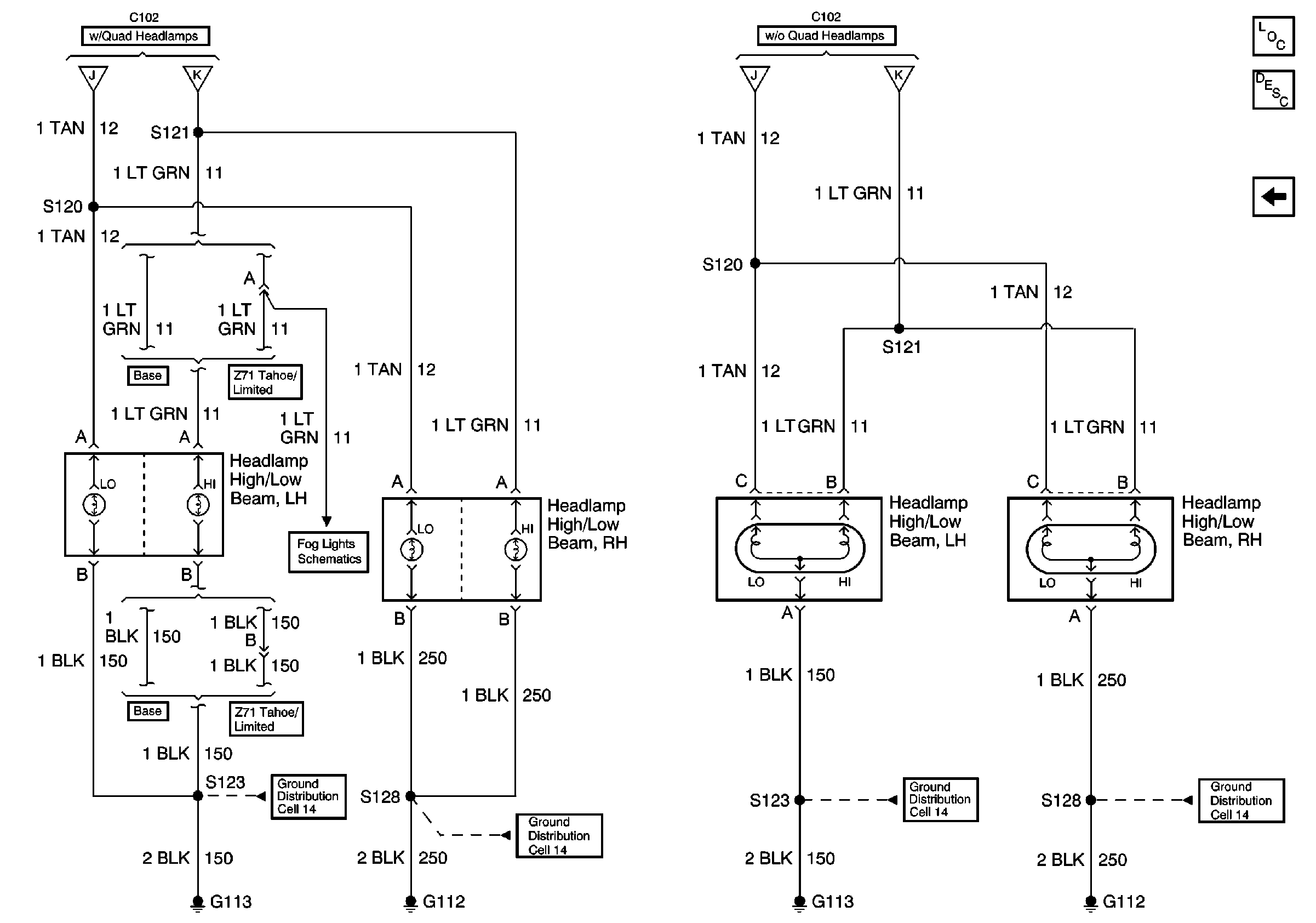
Figure
2:
Cell 102: Headlamp and Panel Dimmer Switch, Headlamp Dimmer Switch
Headlights/Daytime Running Lights (DRL) Circuit Description
Cell 102: Quad Headlamps, Base Headlamps
Cell 102: DRL Module, DRL Relay
Cell 102: DRL Module, DRL Relay
Cell 102: Quad Headlamps, Base Headlamps
Cell 102: Quad Headlamps, Base Headlamps
Cell 102: DRL Module, DRL Relay
Cell 102: DRL Module, DRL Relay
Cell 102: DRL Module, DRL Relay
Lighting Systems Components
Cell 10: LIGHTING and BATTERY Fuses
Cell 10: Battery, and Underhood Fuse Block
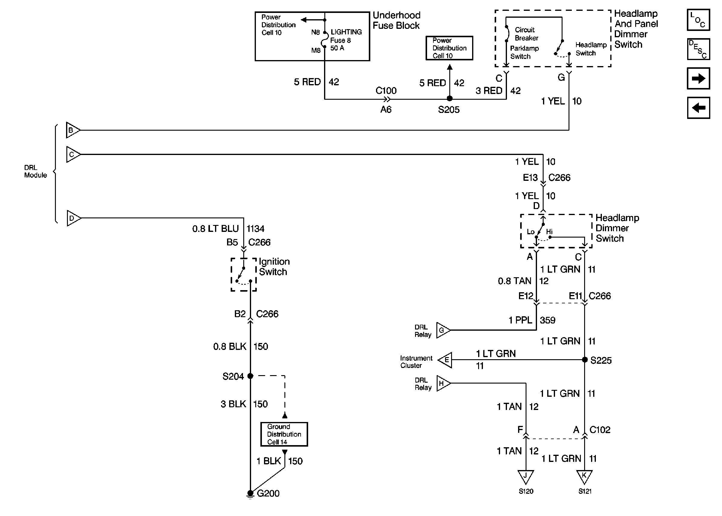
Figure
3:
Cell 102: Quad Headlamps, Base Headlamps
Cell 102: Headlamp and Panel Dimmer Switch, Headlamp Dimmer Switch
Cell 14: G112
Cell 14: G113
Cell 102: Headlamp and Panel Dimmer Switch, Headlamp Dimmer Switch
Cell 14: G113
Cell 14: G112
Cell 102: Headlamp and Panel Dimmer Switch, Headlamp Dimmer Switch
Lighting Systems Components
Headlights/Daytime Running Lights (DRL) Circuit Description
Z71 Tahoe / Limited