GM Service Manual Online
For 1990-2009 cars only
Makes
🢒
Chevrolet
🢒
1999
🢒
Tahoe - 2WD
🢒
Body and Accessories
🢒
Lighting Systems
🢒 Exterior Lights Schematics
Figure
1:
Cell 110: STOP/HAZ Fuse 1, Turn/Hazard Switch, Turn/Hazard Flasher
Exterior Lights Circuit Description
Cell 110: Front Park and Turn Lamps, Roof Marker Lamps
Lighting Systems Components
Cell 14: G105 (1 of 2)
Cell 110: AUX Fuse 22, Center High Mount Stop Lamp
Cell 110: CTSY Fuse 3, Cargo Lamp (Pickup Only)
Cell 10: LIGHTING and BATTERY Fuses
Cell 10: IGN A Fuse and Ignition Switch
Cell 112: Backup Lamps, Backup Switch
Cell 76
Cell 110: Front Park and Turn Lamps, Roof Marker Lamps
Cell 110: Tail/Stop-Turn Lamps, Endgate Marker Lamps
Cell 34: Cruise Control Module, VCM (Gas) (2 of 2)
Cell 14: G200 (1 of 4)
Figure
2:
Cell 110: Front Park and Turn Lamps, Roof Marker Lamps
Exterior Lights Circuit Description
Lighting Systems Components
Power Window Switch Illumination
Cell 110: STOP/HAZ Fuse 1, Turn/Hazard Switch, Turn/Hazard Flasher
Cell 110: STOP/HAZ Fuse 1, Turn/Hazard Switch, Turn/Hazard Flasher
Cell 110: Tail/Stop-Turn Lamps, Endgate Marker Lamps
Handling ESD Sensitive Parts Notice
Cell 14: G200 (1 of 4)
Cell 110: Tail/Stop-Turn Lamps, Endgate Marker Lamps
Cell 103: Fog Lamp Switch, Relay and Lamps
Handling ESD Sensitive Parts Notice
Cell 110: Instrument Cluster, G103 and G104
Cell 110: STOP/HAZ Fuse 1, Turn/Hazard Switch, Turn/Hazard Flasher
Cell 14: G200 (1 of 4)
Cell 14: G113
Cell 110: Instrument Cluster, G103 and G104
Cell 10: LIGHTING and BATTERY Fuses
Cell 14: G112
Figure
3:
Cell 110: Tail/Stop-Turn Lamps, Endgate Marker Lamps
Exterior Lights Circuit Description
Cell 110: Front Park and Turn Lamps, Roof Marker Lamps
Cell 110: Instrument Cluster, G103 and G104
Cell 110: STOP/HAZ Fuse 1, Turn/Hazard Switch, Turn/Hazard Flasher
Cell 110: Trailer Tow
Cell 110: Front Park and Turn Lamps, Roof Marker Lamps
Cell 110: Trailer Tow
Cell 110: Trailer Tow
Cell 110: Trailer Tow
Cell 110: STOP/HAZ Fuse 1, Turn/Hazard Switch, Turn/Hazard Flasher
Lighting Systems Components
Figure
4:
Cell 110: Instrument Cluster, G103 and G104
Lighting Systems Components
Exterior Lights Circuit Description
Cell 110: Tail/Stop-Turn Lamps, Endgate Marker Lamps
Cell 110: AUX Fuse 22, Center High Mount Stop Lamp
Cell 110: Front Park and Turn Lamps, Roof Marker Lamps
Cell 110: Front Park and Turn Lamps, Roof Marker Lamps
Handling ESD Sensitive Parts Notice
Indicator Lamps
Indicator Lamps
Cell 14: G103 and G104
Cell 14: G103 and G104
Figure
5:
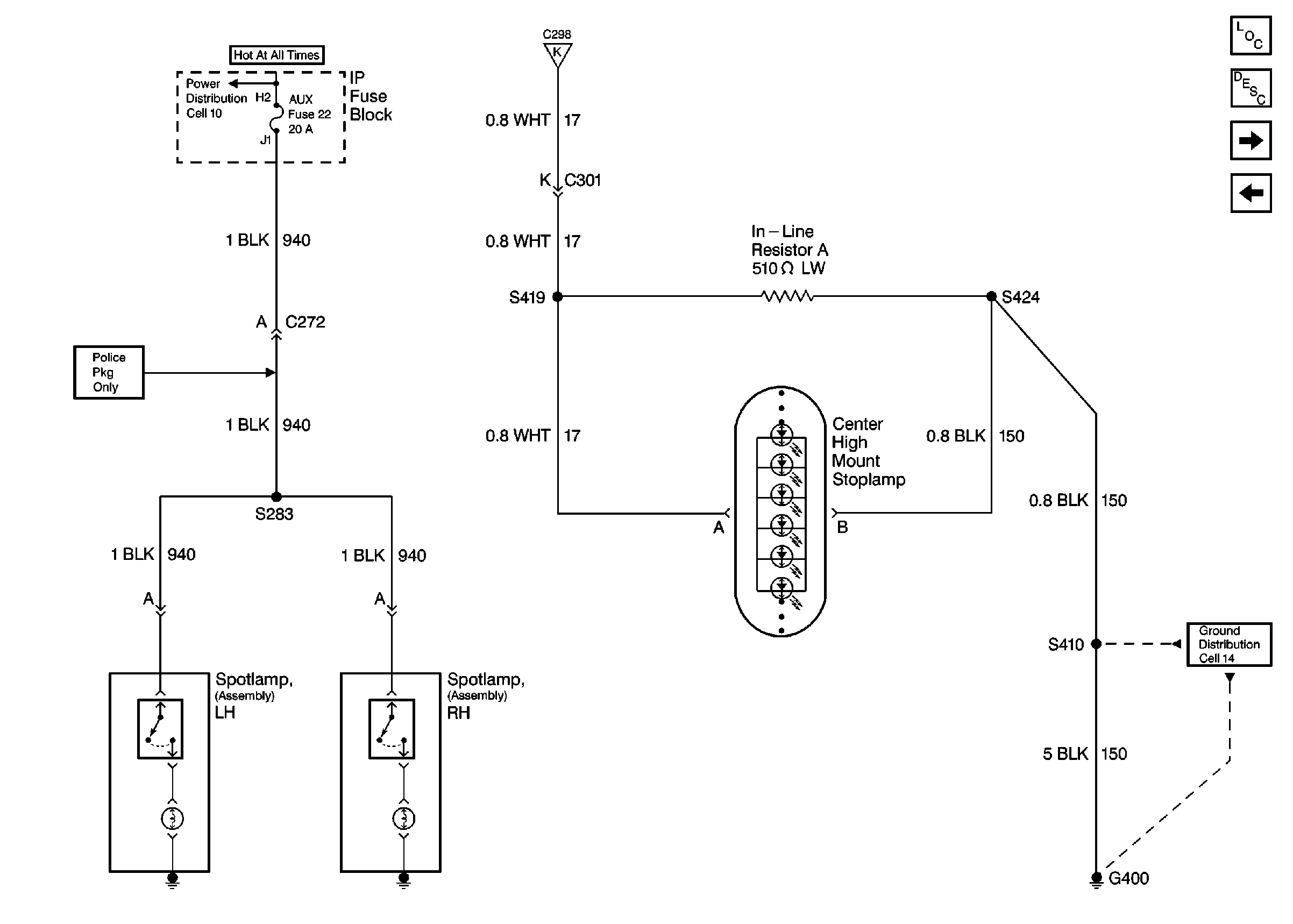
Cell 110: AUX Fuse 22, Center High Mount Stop Lamp
Exterior Lights Circuit Description
Cell 110: Instrument Cluster, G103 and G104
Cell 110: CTSY Fuse 3, Cargo Lamp (Pickup Only)
Lighting Systems Components
Cell 110: STOP/HAZ Fuse 1, Turn/Hazard Switch, Turn/Hazard Flasher
Cell 10: LIGHTING and BATTERY Fuses
Cell 14: G400
Figure
6:
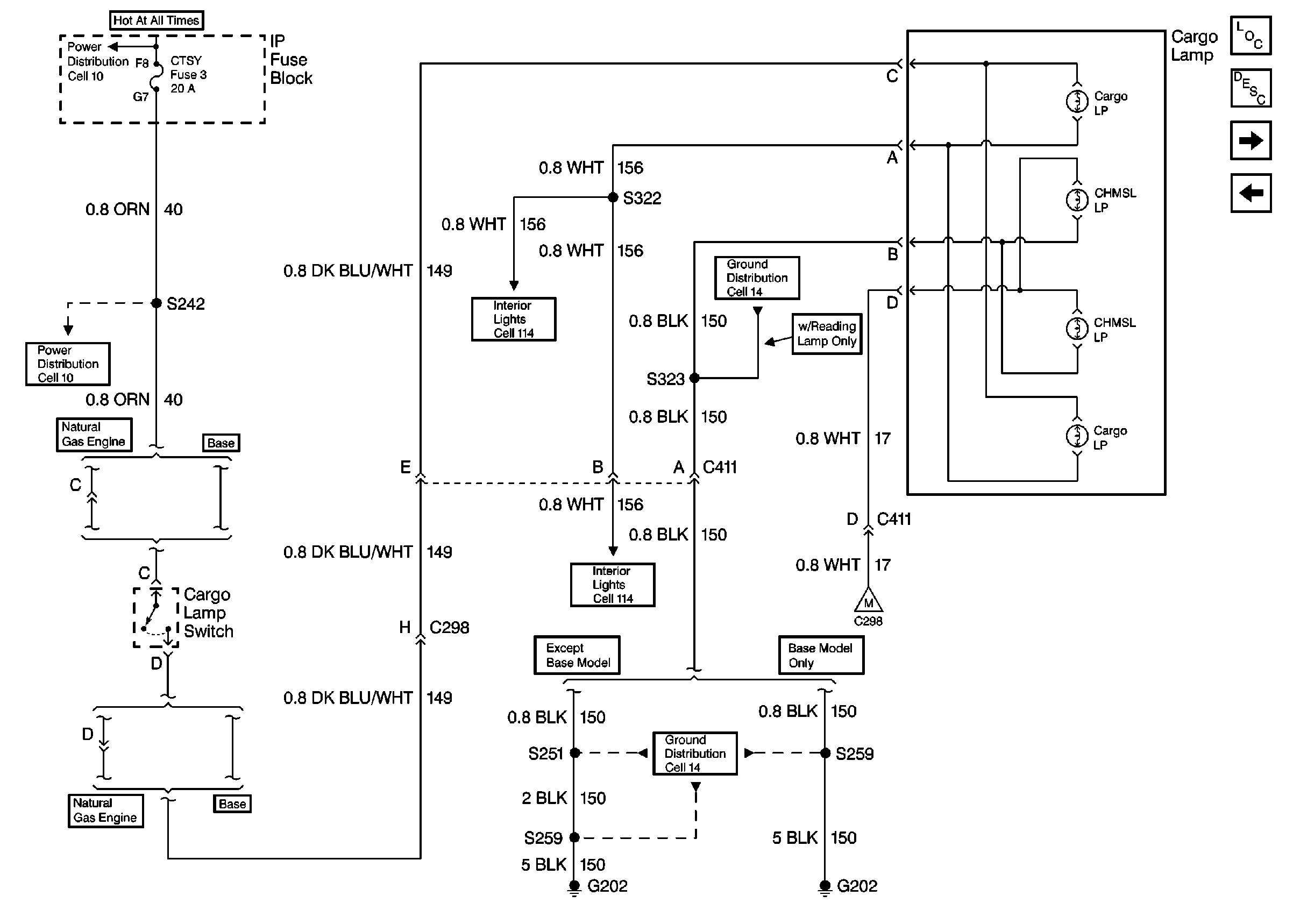
Cell 110: CTSY Fuse 3, Cargo Lamp (Pickup Only)
Exterior Lights Circuit Description
Cell 110: Trailer Tow
Lighting Systems Components
Cell 110: AUX Fuse 22, Center High Mount Stop Lamp
Cell 14: G202 (4 of 4)
Cell 110: STOP/HAZ Fuse 1, Turn/Hazard Switch, Turn/Hazard Flasher
Cell 14: G202 (2 of 4)
Cell 10: T CASE, and CTSY Fuses (1 of 2)
Cell 10: LIGHTING and BATTERY Fuses
Figure
7:
Cell 110: Trailer Tow
Exterior Lights Circuit Description
Cell 110: CTSY Fuse 3, Cargo Lamp (Pickup Only)
Cell 110: Tail/Stop-Turn Lamps, Endgate Marker Lamps
Lighting Systems Components
Cell 112: Backup Lamps, Backup Switch