GM Service Manual Online
For 1990-2009 cars only
Makes
🢒
Chevrolet
🢒
1999
🢒
Tahoe - 2WD
🢒
Body and Accessories
🢒
Lighting Systems
🢒 Fog Lights Schematics
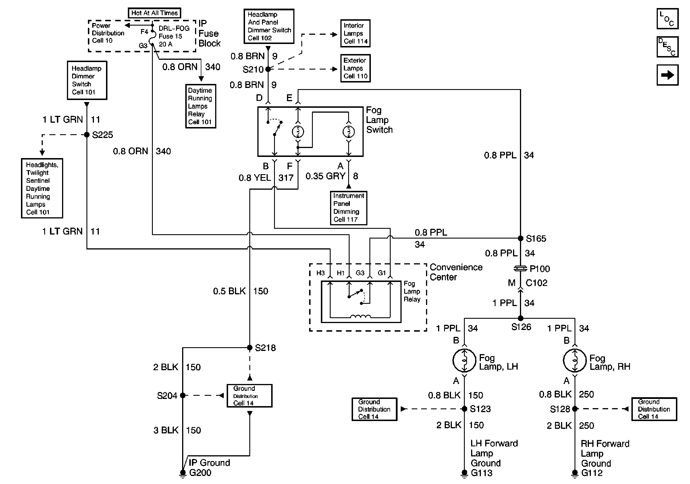
Figure
1:
Cell 103: Fog Lamp Switch, Relay and Lamps
Lighting Systems Components
Power Window Switch Illumination
Fog Lights Circuit Description Luxury
Cell 117: PK LPS Fuse 9, ILLUM Fuse 14, Headlamp and Panel Dimmer Switch(2 of 2)
Cell 14: G112
Cell 110: Front Park and Turn Lamps, Roof Marker Lamps
Cell 101: Headlamp and Panel Dimmer Switch, Headlamp Control Module
Cell 10: LIGHTING and BATTERY Fuses
Cell 101: DRL Module, DRL Relay, Headlamps
Cell 101: DRL Module, DRL Relay, Headlamps
Cell 101: DRL Module, DRL Relay, Headlamps
Cell 14: G200 (1 of 4)
Cell 14: G113
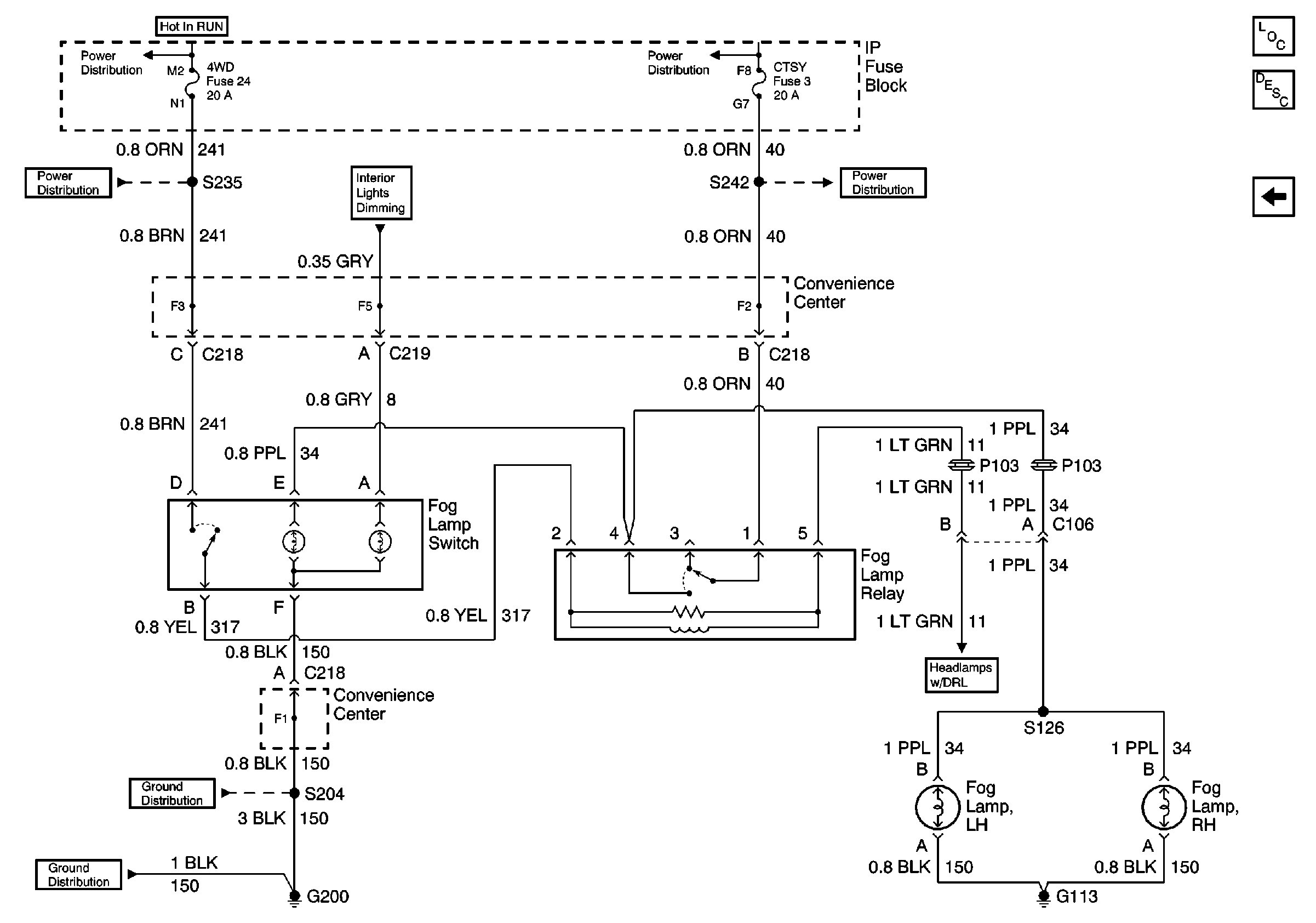
Z71 Tahoe / Limited
Figure
2:
Z71 Tahoe / Limited
Cell 10: CRUISE and 4WD Fuses
Cell 10: CRUISE and 4WD Fuses
Cell 10: T CASE, and CTSY Fuses (1 of 2)
Cell 10: T CASE, and CTSY Fuses (1 of 2)
Cell 117: PK LPS Fuse 9, ILLUM Fuse 14, Headlamp and Panel Dimmer Switch(2 of 2)
Cell 14: G200 (1 of 4)
Cell 14: G200 (1 of 4)
Cell 102: Quad Headlamps, Base Headlamps
Lighting Systems Components
Fog Lights Circuit Description Z71 Tahoe/Limited
Cell 103: Fog Lamp Switch, Relay and Lamps