GM Service Manual Online
For 1990-2009 cars only
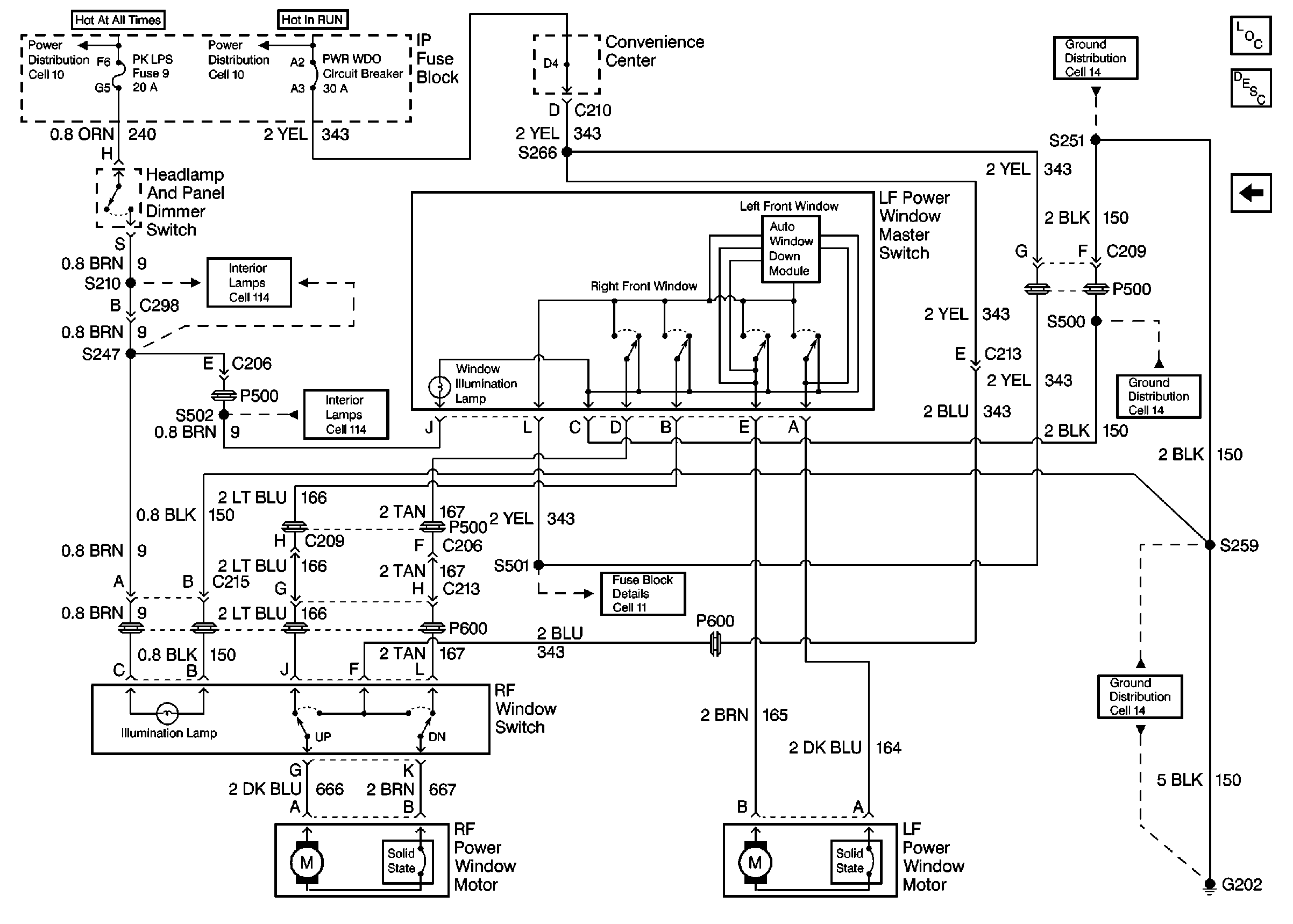
Figure 1:

Cell 120: PK LPS Fuse, PWR WDO Circuit Breaker, Power Window Master Switch, Left Front Motor, G202 (Crew Cab/Suburban/Utility))


Object Number: 364964  Size: FS
Cell 120: Right Front Power Windows and Door Lock Switch, Window Motor; Rear Switches and Motors
Cell 120: Right Front Power Windows and Door Lock Switch, Window Motor; Rear Switches and Motors
Cell 120: Right Front Power Windows and Door Lock Switch, Window Motor; Rear Switches and Motors
Cell 120: Right Front Power Windows and Door Lock Switch, Window Motor; Rear Switches and Motors
Cell 14: G202 (2 of 4)
Cell 14: G202 (2 of 4)
Power Outside Rearview Mirrors - Except Luxury
Cell 10: IGN B Fuse and Ignition Switch
Cell 10: LIGHTING and BATTERY Fuses
Cell 110: Front Park and Turn Lamps, Roof Marker Lamps
Power Door Systems Components
Power Windows Circuit Description
Figure 2:

Cell 120: Right Front Power Windows and Door Lock Switch, Window Motor; Rear Switches and Motors


Object Number: 364966  Size: FS
Cell 120: PK LPS Fuse, PWR WDO Circuit Breaker, Power Window Switches and Motors, G202
Cell 120: PK LPS Fuse, PWR WDO Circuit Breaker, Power Window Master Switch, Left Front Motor, G202 (Crew Cab/Suburban/Utility))
Cell 120: PK LPS Fuse, PWR WDO Circuit Breaker, Power Window Master Switch, Left Front Motor, G202 (Crew Cab/Suburban/Utility))
Cell 120: PK LPS Fuse, PWR WDO Circuit Breaker, Power Window Master Switch, Left Front Motor, G202 (Crew Cab/Suburban/Utility))
Power Door Systems Components
Power Windows Circuit Description
Figure 3:

Cell 120: PK LPS Fuse, PWR WDO Circuit Breaker, Power Window Switches and Motors, G202


Object Number: 364968  Size: FS
Cell 120: Right Front Power Windows and Door Lock Switch, Window Motor; Rear Switches and Motors
Cell 10: IGN B Fuse and Ignition Switch
Cell 14: G202 (3 of 4)
Cell 14: G202 (3 of 4)
Cell 14: G202 (2 of 4)
Power Door Systems Components
Power Windows Circuit Description
Cell 10: IGN B Fuse and Ignition Switch
Cell 10: LIGHTING and BATTERY Fuses
Power Window Switch Illumination
Power Window Switch Illumination