GM Service Manual Online
For 1990-2009 cars only
Makes
🢒
Chevrolet
🢒
1999
🢒
Tahoe - 2WD
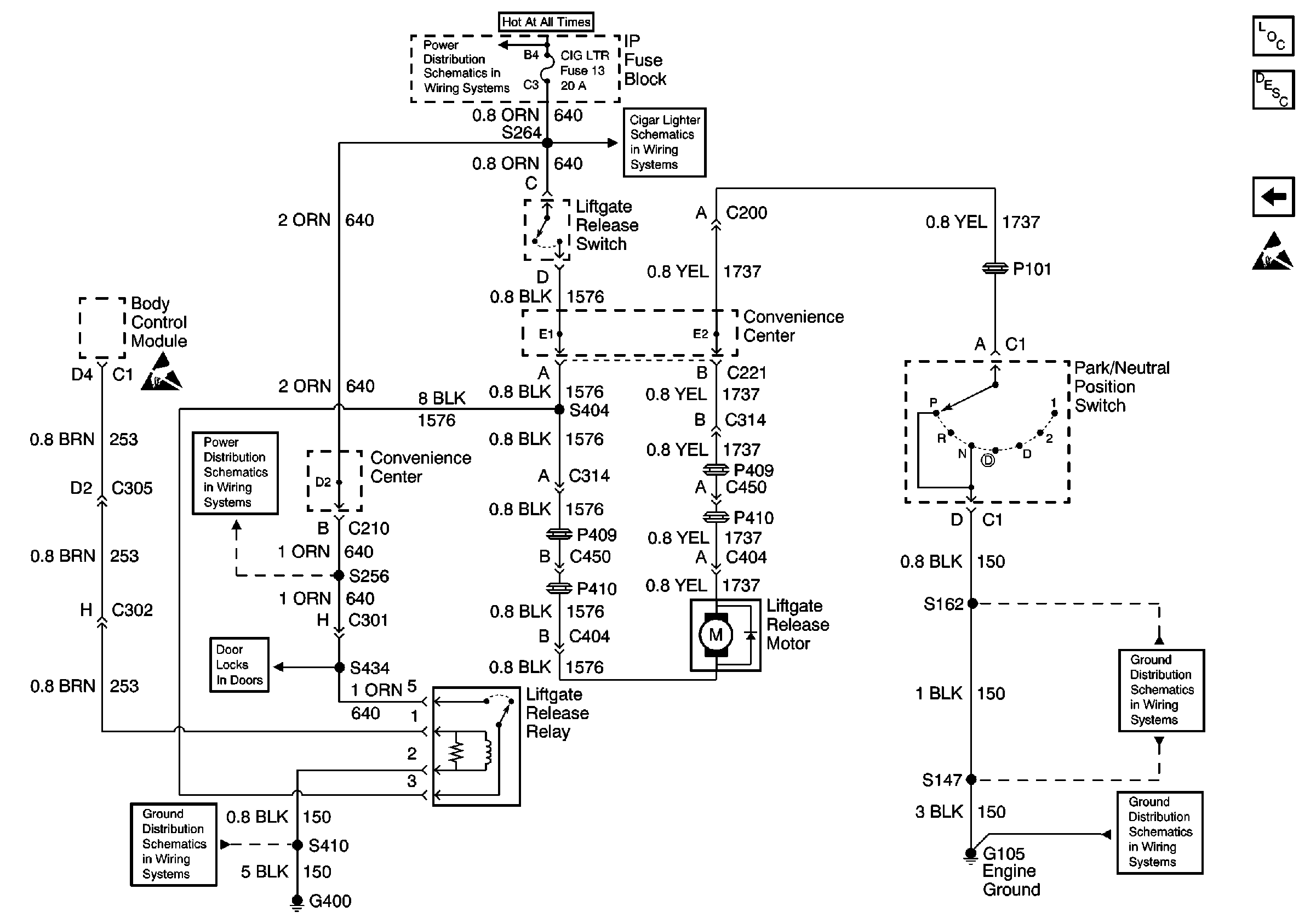
🢒 Cell 134: CIG LTR Fuse, Liftgate Release Switch, Park/Neutral Postion Switch (Luxury)
Cell 134: CIG LTR Fuse, Liftgate Release Switch, Park/Neutral Postion Switch (Luxury)
Cell 134: CIG LTR Fuse, Liftgate Release Switch, Park/Neutral Postion Switch (Luxury)
Body Rear End Components
Liftgate Window Release Circuit Description Base
Cell 134: CIG LTR Fuse, Liftgate Release Switch, Park/Neutral Position Switch
Handling ESD Sensitive Parts Notice
Cell 14: G105 (1 of 2)
Cell 14: G105 (1 of 2)
Cell 14: G400
Cell 130: CIG LTR Fuse, Door Lock Control Module, Rear Door Jamb Switch, Rear Door Lock Switch, G400
Cell 10: CIG LTR Fuse
Handling ESD Sensitive Parts Notice
Cell 10: LIGHTING and BATTERY Fuses
Fuses, Auxiliary Power Connectors and Cigar Lighter