GM Service Manual Online
For 1990-2009 cars only
Makes
🢒
Chevrolet
🢒
1999
🢒
Tahoe - 2WD
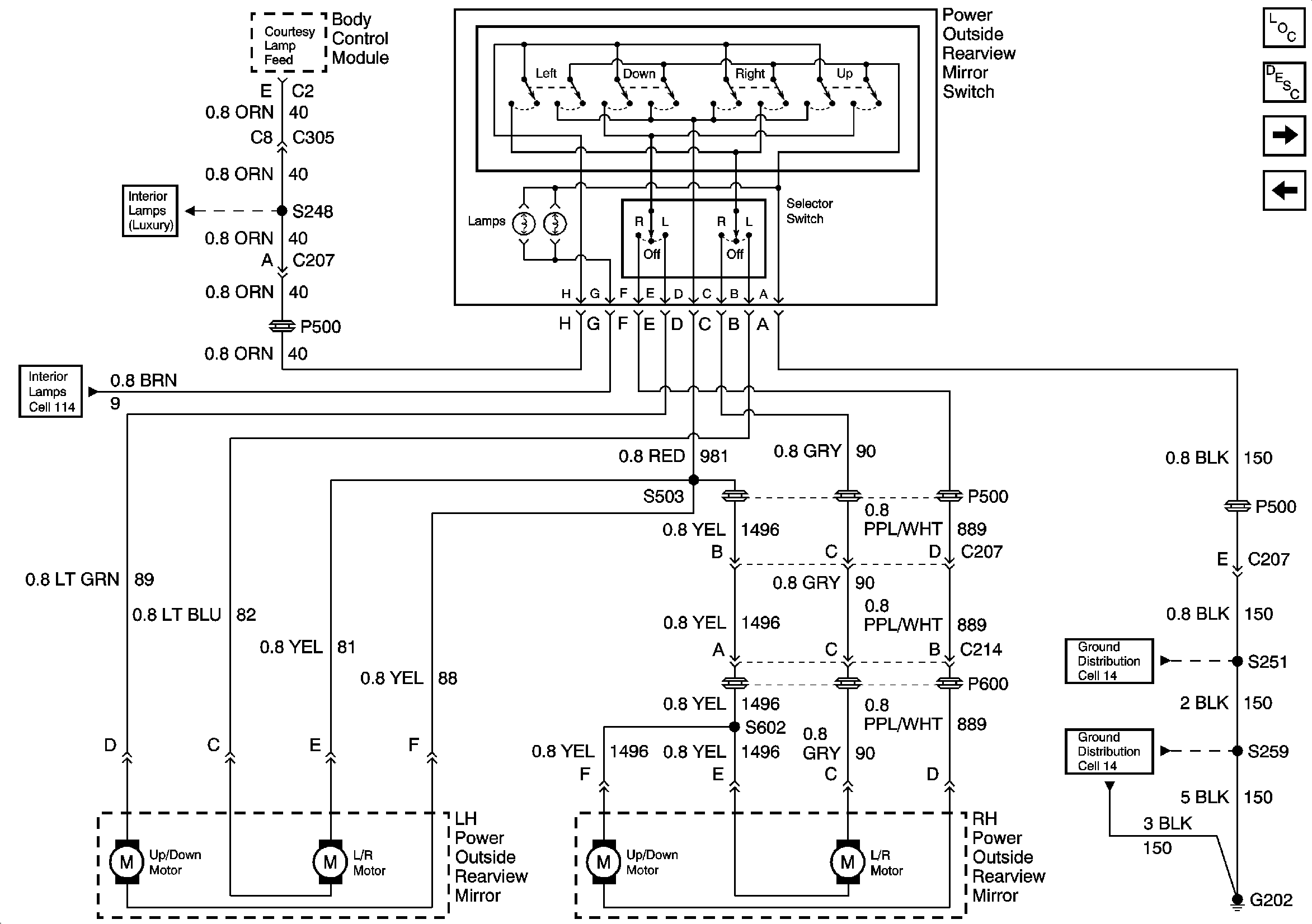
🢒 Power Outside Rearview Mirrors - Luxury
Power Outside Rearview Mirrors - Luxury
Power Outside Rearview Mirrors -- Luxury
Power Door Systems Components
Heated Mirror Circuit Description
Fuse Block, HVAC Control Module
Power Outside Rearview Mirrors - Except Luxury
Courtesy Lamps and Rearview Mirror Switch
Fuses, Headlamp and Panel Dimmer Switch and Window Switches
Cell 14: G202 (3 of 4)
Cell 14: G202 (2 of 4)