GM Service Manual Online
For 1990-2009 cars only

Power Steering Hoses Replacement With Hydraulic Boost

Removal Procedure

Notice: Do not start the vehicle with any power steering gear inlet or outlet hoses disconnected. When disconnected, plug or cap all openings of components. Failure to do so could result in contamination or loss of power steering fluid and damage to the system.


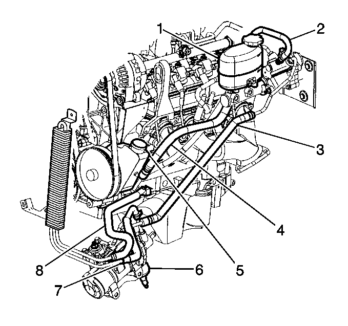
    Object Number: 363172  Size: SH
  1. Remove the hydraulic booster outlet hose (2) from the hydraulic booster (1).
  2. Remove the hydraulic booster outlet hose (2) from the power steering pump (5).
  3. Remove the hydraulic booster inlet hose (4) from the hydraulic booster (1).
  4. Remove the hydraulic booster inlet hose (4) from the power steering pump (5).
  5. Remove the power steering inlet hose (3) from the power hydraulic booster (1).
  6. Remove the power steering inlet hose (3) from the power steering gear (6).
  7. Remove the power steering cooler inlet hose (7) from the power steering gear (6).
  8. Remove the power steering cooler outlet hose (8) from the power steering pump (5).

Installation Procedure


    Object Number: 363172  Size: SH
  1. Connect the power steering cooler outlet hose (8) to the power steering pump (5).
  2. Notice: Use the correct fastener in the correct location. Replacement fasteners must be the correct part number for that application. Fasteners requiring replacement or fasteners requiring the use of thread locking compound or sealant are identified in the service procedure. Do not use paints, lubricants, or corrosion inhibitors on fasteners or fastener joint surfaces unless specified. These coatings affect fastener torque and joint clamping force and may damage the fastener. Use the correct tightening sequence and specifications when installing fasteners in order to avoid damage to parts and systems.

  3. Connect the power steering cooler inlet hose (7) to the power steering gear (6).
  4. Tighten
    Tighten the hose connections to 28 N·m(20 lb ft).

  5. Connect the power steering inlet hose (3) to the power steering gear (6).
  6. Connect the power steering inlet hose (3) to the hydraulic booster (1).
  7. Tighten
    Tighten the hose connections to 28 N·m(20 lb ft).

  8. Connect the hydraulic booster inlet hose (4) to the power steering pump (5).
  9. Connect the hydraulic booster inlet hose (4) to the hydraulic booster (1).
  10. Tighten
    Tighten the hose connections to 28 N·m(20 lb ft).

  11. Connect the hydraulic booster outlet hose (2) to the power steering pump (5).
  12. Connect the hydraulic booster outlet hose (2) to the hydraulic booster (1).
  13. Tighten
    Tighten the hose connections to 28 N·m(20 lb ft).

  14. Bleed the power steering system. Refer to Power Steering System Bleeding .
  15. Inspect all the hose connections for leaks.

Power Steering Hoses Replacement Without Hydraulic Boost

Removal Procedure

Notice: Do not start the vehicle with any power steering gear inlet or outlet hoses disconnected. When disconnected, plug or cap all openings of components. Failure to do so could result in contamination or loss of power steering fluid and damage to the system.


    Object Number: 363081  Size: SH
  1. Remove the power steering inlet hose (2) from the power steering pump (1).
  2. Remove the power steering inlet hose (2) from the power steering gear (4).
  3. Remove the power steering outlet hose (3) from the power steering gear (4).
  4. Remove the power steering outlet hose (3) from the power steering cooler (5).

Installation Procedure


    Object Number: 363081  Size: SH
  1. Connect the power steering outlet hose (3) to the power steering cooler (5).
  2. Connect the power steering outlet hose (3) to the power steering gear (4).
  3. Connect the power steering inlet hose (2) to the power steering gear (4).
  4. Notice: Use the correct fastener in the correct location. Replacement fasteners must be the correct part number for that application. Fasteners requiring replacement or fasteners requiring the use of thread locking compound or sealant are identified in the service procedure. Do not use paints, lubricants, or corrosion inhibitors on fasteners or fastener joint surfaces unless specified. These coatings affect fastener torque and joint clamping force and may damage the fastener. Use the correct tightening sequence and specifications when installing fasteners in order to avoid damage to parts and systems.

  5. Connect the power steering inlet hose (2) to the power steering pump (1).
  6. Tighten
    Tighten the hose connections to 28 N·m(20 lb ft).

  7. Bleed the power steering system. Refer to Power Steering System Bleeding .
  8. Inspect all the hose connections for leaks.

Power Steering Hoses Replacement Rack and Pinion

Removal Procedure

Notice: Do not start the vehicle with any power steering gear inlet or outlet hoses disconnected. When disconnected, plug or cap all openings of components. Failure to do so could result in contamination or loss of power steering fluid and damage to the system.


    Object Number: 363050  Size: SH
  1. Remove the power steering inlet hose (2) from the power steering pump (1).
  2. Remove the power steering inlet hose (2) from the power steering gear (3).
  3. Remove the power steering outlet hose (4) from the power steering gear (3).
  4. Remove the power steering outlet hose (4) from the power steering cooler (5).

Installation Procedure


    Object Number: 363050  Size: SH
  1. Connect the power steering outlet hose (4) to the power steering cooler (5).
  2. Connect the power steering outlet hose (4) to the power steering gear (3).
  3. Connect the power steering inlet hose (2) to the power steering gear (3).
  4. Notice: Use the correct fastener in the correct location. Replacement fasteners must be the correct part number for that application. Fasteners requiring replacement or fasteners requiring the use of thread locking compound or sealant are identified in the service procedure. Do not use paints, lubricants, or corrosion inhibitors on fasteners or fastener joint surfaces unless specified. These coatings affect fastener torque and joint clamping force and may damage the fastener. Use the correct tightening sequence and specifications when installing fasteners in order to avoid damage to parts and systems.

  5. Connect the power steering inlet hose (2) to the power steering pump (1).
  6. Tighten
    Tighten the hose connections to 28 N·m(20 lb ft.)

  7. Bleed the power steering system. Refer to Power Steering System Bleeding .
  8. Inspect all the hose connections for leaks.