GM Service Manual Online
For 1990-2009 cars only

Steering Linkage Inner Tie Rod Replacement Magnasteer

Tools Required

J 34028 Inner Tie Rod Wrench

Disassembly Procedure


    Object Number: 747409  Size: SH
  1. To remove the rack and pinion boot and the breather tube. Refer to Steering Gear Boot and Breather Tube Replacement - Off Vehicle .
  2. Place the gear in a vise.
  3. Notice: Do not change the steering gear preload adjustment before moving the inner tie rod from the steering gear. Changing the steering gear preload adjustment before moving the inner tie rod could result in damage to the pinion and the steering gear.

  4. Remove the shock dampener (6) from the inner tie rod assembly (4).
  5. Slide the shock dampener (6) back on the rack (5).
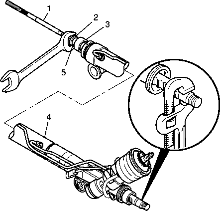
  6. Notice: The pipe wrench must be placed at the valve end of the steering gear and positioned up against the inner tie rod housing. Placing the pipe wrench in any other location will cause damage to the steering gear.

  7. Place a pipe wrench on the rack (5) next to the inner tie rod housing (4).
  8. Place a wrench on the flats of the inner tie rod housing (4).
  9. Rotate the inner tie rod housing (4) counterclockwise, while holding the rack stationary, until the inner tie rod separates from the rack (5).

  10. Object Number: 747411  Size: SH
  11. Remove the shock dampener (3) from the inner tie rod housing (2).
  12. Slide the shock dampener (3) back on the rack (5).
  13. Notice: The pipe wrench must be placed at the valve end of the steering gear and positioned up against the inner tie rod housing. Placing the pipe wrench in any other location will cause damage to the steering gear.

  14. Place a pipe wrench on the rack.
  15. Place a wrench on the flats of the inner tie rod housing (2).
  16. Rotate the inner tie rod housing (2) counterclockwise, while holding the rack stationary, until the inner tie rod (1) separates from the rack (5).

  17. Object Number: 800453  Size: SH
  18. If female rack (1) and male inner tie rod (3), remove the old LOCTITE® from the threads (2) of the inner tie rod (3) and the rack (1).
  19. If male rack (5) and female inner tie rod (4) LOCTITE® will not be present.

Assembly Procedure


    Object Number: 747412  Size: SH
  1. Slide the shock dampener (4) forward onto the rack (3).
  2. Important: Threads must be clean prior to LOCTITE® application. Check LOCTITE® (or equivalent) container for expiration date. Use only enough LOCTITE® to evenly coat threads.

    If male rack (3) and female inner tie rod (2) do not apply LOCTITE®.

  3. If female rack (3) and male inner tie rod (2), apply LOCTITE® 262 (or equivalent) to the inner tie rod threads.
  4. Attach the inner tie rod onto the rack (3).
  5. Notice: The pipe wrench must be placed at the valve end of the steering gear and positioned up against the inner tie rod housing. Placing the pipe wrench in any other location will cause damage to the steering gear.

  6. Place a pipe wrench on the rack (3) next to the inner tie rod housing (2).
  7. Notice: Use the correct fastener in the correct location. Replacement fasteners must be the correct part number for that application. Fasteners requiring replacement or fasteners requiring the use of thread locking compound or sealant are identified in the service procedure. Do not use paints, lubricants, or corrosion inhibitors on fasteners or fastener joint surfaces unless specified. These coatings affect fastener torque and joint clamping force and may damage the fastener. Use the correct tightening sequence and specifications when installing fasteners in order to avoid damage to parts and systems.

  8. Place a torque wrench and J 34028 on the flats of the inner tie rod housing (2).
  9. Tighten
    Tighten the inner tie rod to 100 N·m (74 lb ft).


    Object Number: 747413  Size: SH
  10. Slide the shock dampener (2) forward onto the rack.
  11. Important: Threads must be clean prior to LOCTITE® application. Check LOCTITE® (or equivalent) container for expiration date. Use only enough LOCTITE® to evenly coat threads.

    If male rack and female inner tie rod (1) do not apply LOCTITE®.

  12. If female rack and male inner tie rod (1), apply LOCTITE® 262 (or equivalent) to the inner tie rod threads.
  13. Attach the inner tie rod (1) onto the rack.
  14. Notice: The pipe wrench must be placed at the valve end of the steering gear and positioned up against the inner tie rod housing. Placing the pipe wrench in any other location will cause damage to the steering gear.

  15. Place a pipe wrench on the rack next to the inner tie rod housing (4).
  16. Place a torque wrench and J 34028 on the flats of the inner tie rod housing (7).
  17. Tighten
    Tighten the inner tie rod to 100 N·m (74 lb ft).


    Object Number: 416139  Size: SH
  18. Place the inner tie rod assembly (2) in a vise.
  19. Important: If female rack (1) and male inner tie rod (2) do not stake. If male rack (1) and female inner tie rod (2) you must stake.

  20. Stake both sides of the female inner tie rod assembly housing to the male rack (1).

  21. Object Number: 416141  Size: SH
  22. Insert a 0.25 mm gage (1) between the male rack (2) and the female inner tie rod housing in order to check both stakes. The feeler gauge (1) must not pass between the rack and the housing stake.

  23. Object Number: 297398  Size: SH
  24. Slide the shock dampener (2) over the inner tie rod housing (3) until the front lip of the shock dampener (2) bottoms against the inner tie rod housing (3).
  25. To assemble the rack and pinion boot and the breather tube. Refer to Steering Gear Boot and Breather Tube Replacement - Off Vehicle .