GM Service Manual Online
For 1990-2009 cars only

Air Conditioning (A/C) Temperature Sensor Replacement Front Upper

Removal Procedure


    Object Number: 626331  Size: SH
  1. Remove the instrument panel bezel. Refer to Instrument Panel Cluster Trim Plate Bezel Replacement in Instrument Panel, Gauges, and Console.
  2. Remove the radio. Refer to Radio Replacement in Entertainment.
  3. Disconnect the electrical connector from the A/C temperature sensor.
  4. Remove the A/C temperature sensor from the air duct.

Installation Procedure


    Object Number: 626331  Size: SH
  1. Install the A/C temperature sensor to the air duct.
  2. Connect the electrical connector to the A/C temperature sensor.
  3. Install the radio. Refer to Radio Replacement in Entertainment.
  4. Install the instrument panel bezel. Refer to Instrument Panel Cluster Trim Plate Bezel Replacement in Instrument Panel, Gauges, and Console.

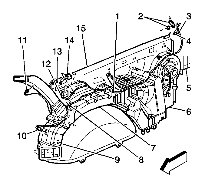
Air Conditioning (A/C) Temperature Sensor Replacement Rear Upper

Removal Procedure


    Object Number: 659593  Size: SH
  1. Remove the right side Quarter Trim Panel. Refer to Rear Quarter Trim Panel Replacement in Interior Trim.
  2. Disconnect the electrical connector from the rear upper A/C temperature sensor (11).
  3. Remove the rear upper A/C temperature sensor from the air distribution duct.

Installation Procedure


    Object Number: 659593  Size: SH
  1. Install the rear upper A/C temperature sensor (11) to the air distribution duct.
  2. Connect the electrical connector to the rear upper A/C temperature sensor (11).
  3. Install the right side Quarter Trim Panel. Refer to Rear Quarter Trim Panel Replacement in Interior Trim.