| Figure 1: |
G110, IPC, EBCM, IGN1 and BRAKE Fuse
|
| Figure 2: |
VCM/PCM, Wheel Speed Sensors, EBCM, VSS Circuit
|
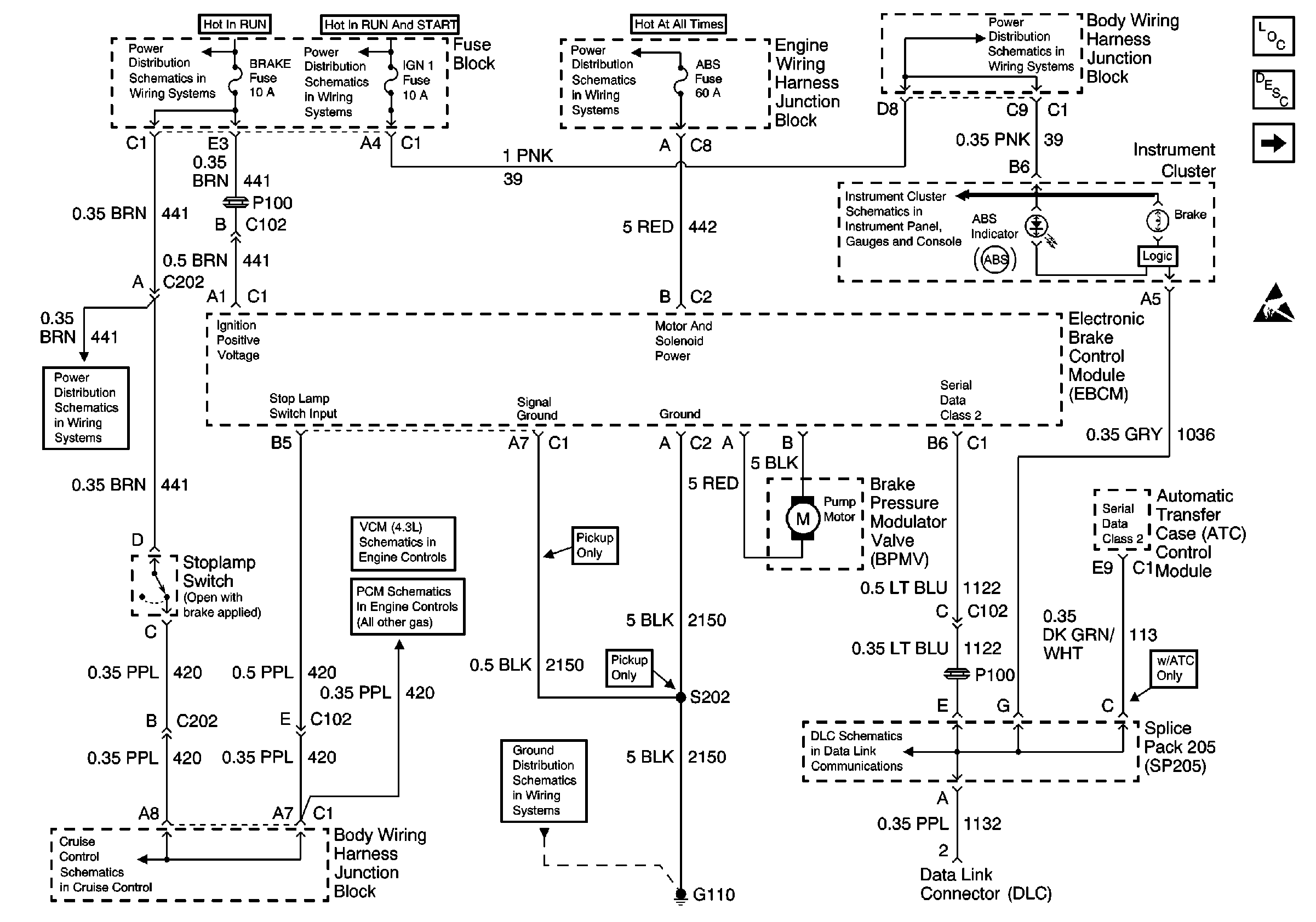
| Figure 1: |
EBCM, PCM/VCM, DLC, Fuse Block, IP,Stoplamp Switch
|
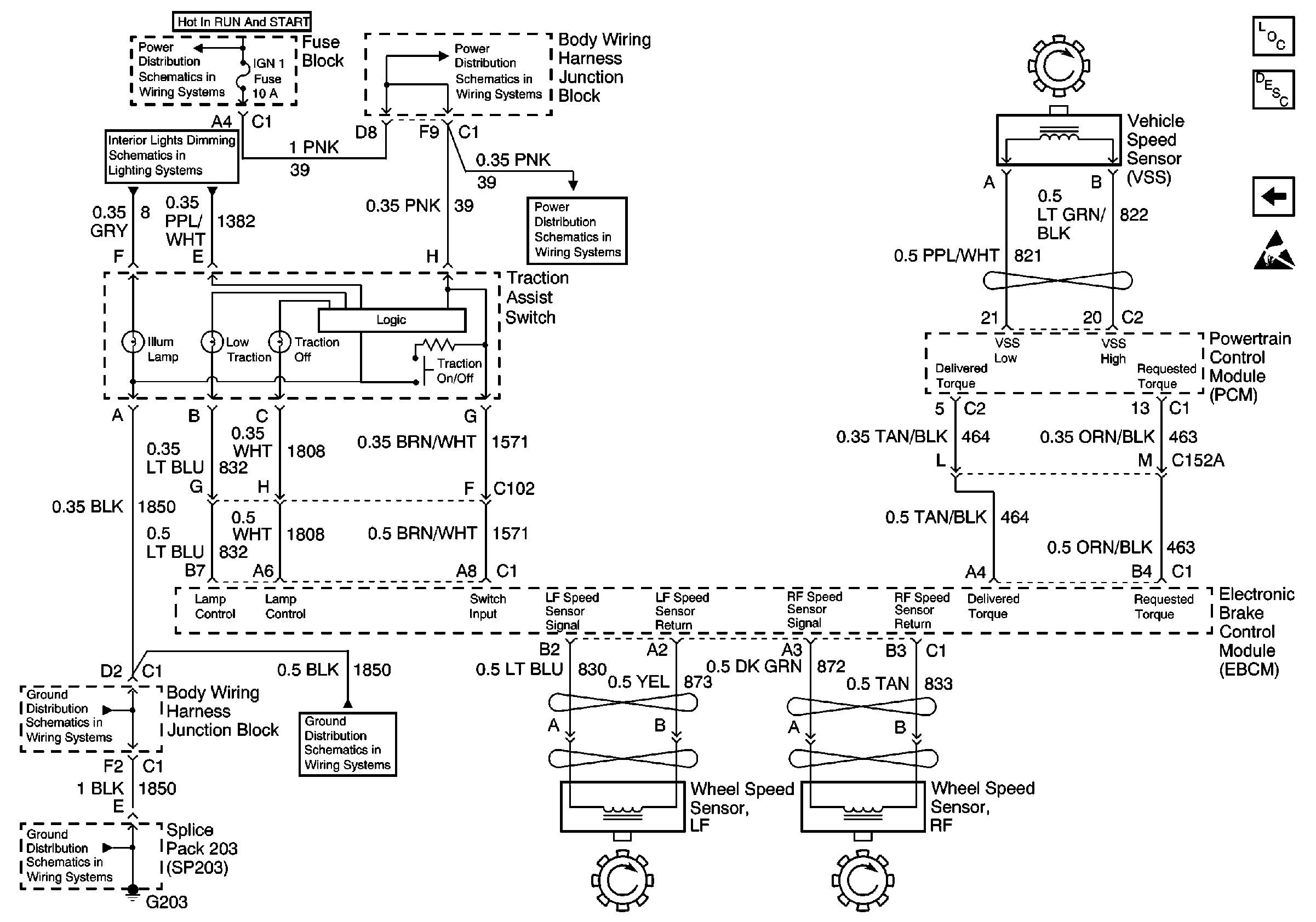
| Figure 2: |
Traction Assist Switch, VSS, Wheel Speed Sensors
|