GM Service Manual Online
For 1990-2009 cars only
Makes
🢒
Chevrolet
🢒
2000
🢒
Tahoe - 2WD
🢒
Body and Accessories
🢒
Roof
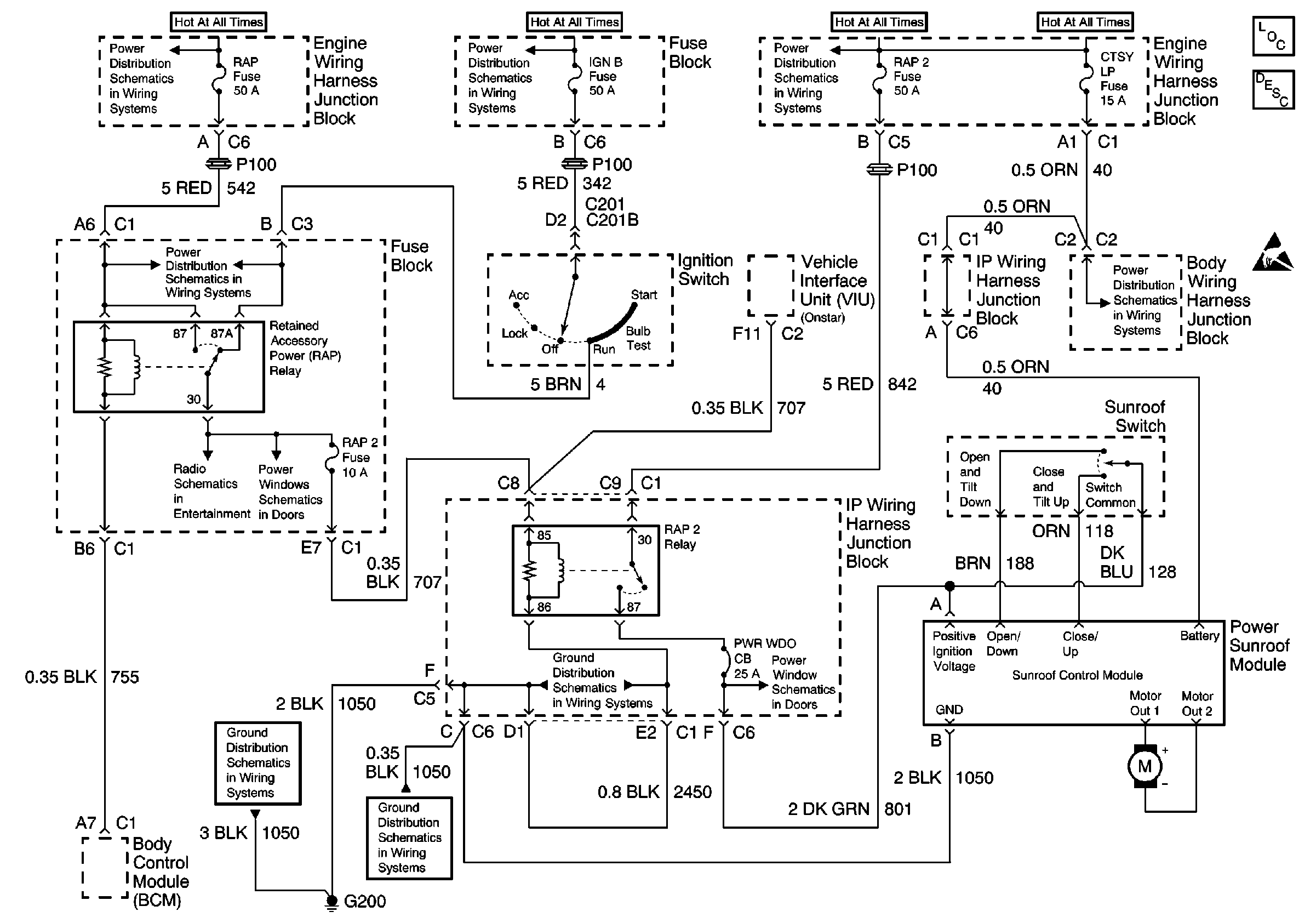
🢒 Sunroof Schematics
Fuse Block, RAP Relay