GM Service Manual Online
For 1990-2009 cars only
Makes
🢒
Chevrolet
🢒
2000
🢒
Tahoe - 2WD
🢒
Body and Accessories
🢒
Seats
🢒 Memory Seats Schematics
Memory Seats Schematics Pickup
Figure
1:
Module Power and Memory Seat Controls
Power Seat Systems Components
Memory Seat Circuit Description
Seat Switch Inputs
BCM, AIR Pump Relay, Power Door Lock
ABS, Suspension Control Module, HVAC
BCM, AIR Pump Relay, Power Door Lock
Power Mirror Switch, Motors & Ground
ABS, Suspension Control Module, HVAC
BCM Relays, Switch, Actuators
BSTI Schematic
Power Seat Switch, Memory Seat Switch
2000 GMT800 Lumbar Seats Schematics - Pickup
Figure
2:
Seat Switch Inputs
Power Seat Systems Components
Memory Seat Circuit Description
Module Ground, Seat Recliner and Front Vertical Motors and Position Sensors
Module Power and Memory Seat Controls
Module Ground, Seat Recliner and Front Vertical Motors and Position Sensors
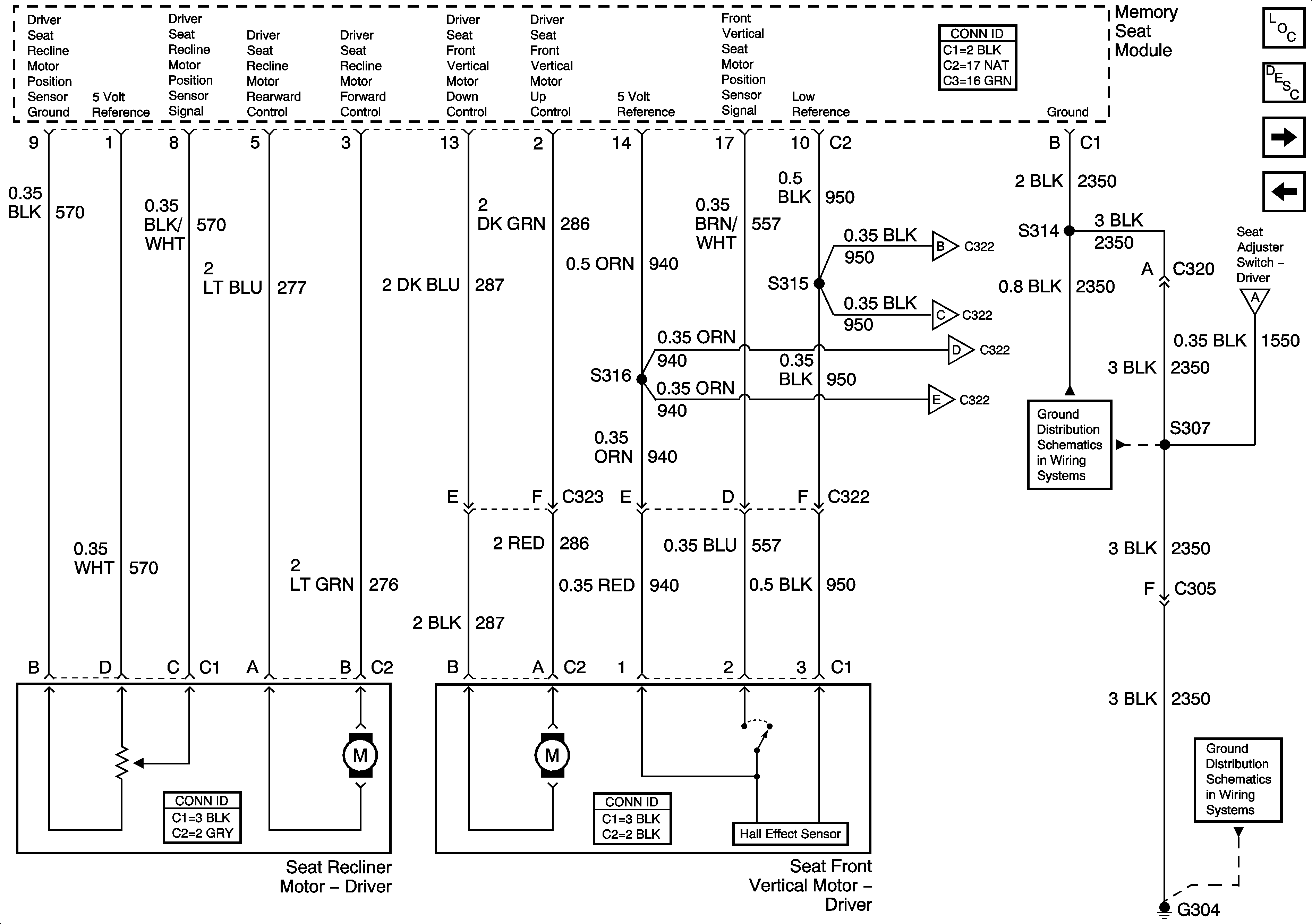
Figure
3:
Module Ground, Seat Recliner and Front Vertical Motors and Position Sensors
Power Seat Systems Components
Memory Seat Circuit Description
Seat Rear Vertical and Horizontal Motors and Position Sensors
Seat Switch Inputs
Seat Rear Vertical and Horizontal Motors and Position Sensors
Seat Switch Inputs
G302, G304, Full Feature Seat
Figure
4:
Seat Rear Vertical and Horizontal Motors and Position Sensors
Power Seat Systems Components
Memory Seat Circuit Description
Module Ground, Seat Recliner and Front Vertical Motors and Position Sensors
Module Ground, Seat Recliner and Front Vertical Motors and Position Sensors
Module Ground, Seat Recliner and Front Vertical Motors and Position Sensors
Module Ground, Seat Recliner and Front Vertical Motors and Position Sensors
Module Ground, Seat Recliner and Front Vertical Motors and Position Sensors
Memory Seats Schematics Utilities
Figure
1:
Module Power and Memory Seat Controls
Power Seat Systems Components
Memory Seat Circuit Description
Seat Switch Inputs
BCM, AIR Pump Relay, Power Door Lock
ABS, Suspension Control Module, HVAC
BCM, AIR Pump Relay, Power Door Lock
Power Mirror Switch, Motors & Ground
ABS, Suspension Control Module, HVAC
BCM Relays, Switch, Actuators
BSTI Schematic
Power Seat Switch, Memory Seat Switch
2000 GMT800 Lumbar Seats Schematics - Pickup
Figure
2:
Seat Switch Inputs
Power Seat Systems Components
Memory Seat Circuit Description
Module Ground, Seat Recliner and Front Vertical Motors and Position Sensors
Module Power and Memory Seat Controls
Module Ground, Seat Recliner and Front Vertical Motors and Position Sensors
Figure
3:
Module Ground, Seat Recliner and Front Vertical Motors and Position Sensors
Power Seat Systems Components
Memory Seat Circuit Description
Seat Rear Vertical and Horizontal Motors and Position Sensors
Seat Switch Inputs
Seat Rear Vertical and Horizontal Motors and Position Sensors
Seat Switch Inputs
G302, G304, Full Feature Seat
Figure
4:
Seat Rear Vertical and Horizontal Motors and Position Sensors
Power Seat Systems Components
Memory Seat Circuit Description
Module Ground, Seat Recliner and Front Vertical Motors and Position Sensors
Module Ground, Seat Recliner and Front Vertical Motors and Position Sensors
Module Ground, Seat Recliner and Front Vertical Motors and Position Sensors
Module Ground, Seat Recliner and Front Vertical Motors and Position Sensors
Module Ground, Seat Recliner and Front Vertical Motors and Position Sensors